Nova pagina 1 tem

ESQUEMA EL�TRICO - INJE��O ELETR�NICA
RELES E FUS�VEIS
MEC�NICA / MOTOR - MANUAL DE SERVI�O
MEC�NICA / MOTOR - SINCRONISMO DA CORRENTE DE COMANDO
MEC�NICA / MOTOR - TORQUES APERTOS E MEDIDAS

 

 

 

 

 

 

 

 

 

 

 

 

 

 

 

 

 

 

 

 

 

 

 

 

 

 

 

 

 

 

 

 

 

 

 

 

 

 

 

 

 

 

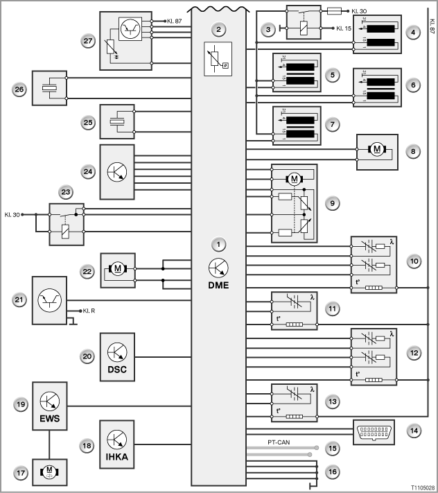
tem Descri��o Item Descri��o
1 Eletr�nica do motor digital (DME) 2 Rel� principal DME
3 Rel� da bomba de combustivel 4 Ventoinha do radiador
5 Rel� de compressor A / C 6 V�lvula de controle de evapora��o de combust�vel
7 V�lvula de suc��o com bomba de jato 8 V�lvula solen�ide VANOS (2 pe�as)
9 Bobinas de igni��o (4 unidades) 10 Injetores de combust�vel (4 unidades)
11 Atuador el�trico de v�lvula-borboleta 12 Imobilizador eletr�nico de ve�culo (EWS)
13 Motor de arranque 14 Alternador com interface de dados bit-serial
15 Conex�o de diagn�stico 16 Sensor de temperatura na unidade de controle DME
17 Sensor de press�o ambiente na unidade de controle DME 18 Sensor de oxig�nio (1 sensor de controle a montante do conversor catal�tico e 1 sensor de monitoramento a jusante do conversor catal�tico)
19 Sensor de batida (2 pe�as) 20 Medidor de massa de ar
21 Sensor do resfriador de temperatura 22 Sensor de �rvore de cames de escape
23 Sensor da �rvore de cames de admiss�o 24 Sensor de virabrequim
25 Sensor de n�vel de �leo t�rmico 26 Volante multifun��es (cruise control)
27 M�dulo do pedal do acelerador 28 Sensor de temperatura na sa�da do radiador
29 Controle Din�mico de Estabilidade (DSC) 30 Interruptor da luz de freio
31 M�dulo de embreagem 32 Interruptor de igni��o
PT-CAN Powertrain CAN    

 

 

Item Descri��o Item Descri��o
1 Eletr�nica do motor digital (DME) 2 Rel� principal DME
3 Rel� da bomba de combustivel 4 Ventoinha do radiador
5

> E46, E83

Rel� compressor A / C 
> E85

para aquecimento autom�tico integrado e sistema de ar condicionado (IHKA)

6 Rel� secund�rio da bomba de ar
7 Bomba de ar secund�ria 8 V�lvula de controle de evapora��o de combust�vel
9 V�lvula solen�ide VANOS (2 pe�as) 10 Bobinas de igni��o (4 unidades)
11 Termostato mapeado 12 Injetores de combust�vel (4 unidades)
13 Atuador el�trico de v�lvula-borboleta 14 Servomotor DISA
15 Rel� Valvetronic 16 Atuador Valvetronic
17 Imobilizador eletr�nico de ve�culo (EWS) 18 Motor de arranque
19 Alternador com interface de dados bit-serial 20 Conex�o de diagn�stico
21 Sensor de temperatura na unidade de controle DME 22 Sensor de press�o ambiente na unidade de controle DME
23 Sensor de oxig�nio (2 sensores de controle a montante do conversor catal�tico e 2 sensores de monitoramento a jusante do conversor catal�tico) 24 Sensor de batida (2 pe�as)
25 Sensor de press�o da tubula��o de entrada 26 Sensor de eixo exc�ntrico
27 Medidor de massa de ar 28 Sensor do resfriador de temperatura
29 Sensor de �rvore de cames de escape 30 Sensor da �rvore de cames de admiss�o
31 Sensor de virabrequim 32 Sensor de n�vel de �leo t�rmico
33

> E46, E83:

Volante multifun��es (cruise control)

> E85:

Haste da coluna de dire��o (sistema de controle de cruzeiro)

34 M�dulo do pedal do acelerador
35 Sensor de temperatura na sa�da do radiador 36 Controle Din�mico de Estabilidade (DSC)
37 Interruptor da luz de freio 38 M�dulo de embreagem
39 Interruptor de igni��o    
Kl30 Terminal 30 PT-CAN Powertrain CAN

 

 

Item Descri��o Item Descri��o
1 Eletr�nica do motor digital (DME) 2 Sensor de temperatura na unidade de controle DME
3 Rel� principal DME 4 Rel� da bomba de combustivel
5 Bomba de combustivel 6 Ventoinha do radiador
7 Bomba de ar secund�ria 8 Rel� secund�rio da bomba de ar
9 V�lvula de controle de evapora��o de combust�vel 10 V�lvula solen�ide VANOS, entrada
11 Escape da v�lvula solen�ide VANOS 12 Injetor de combust�vel, cilindro 1
13 Injetor de combust�vel, cilindro 2 14 Injetor de combust�vel, cilindro 3
15 Injetor de combust�vel, cilindro 4 16 Termostato mapeado
17 Sensor da �rvore de cames de admiss�o 18 Sensor de �rvore de cames de escape
19 Sensor de virabrequim 20 M�dulo do pedal do acelerador
21 Sensor de n�vel de �leo t�rmico 22 Interruptor de press�o do �leo (n�o E46)
23 Alternador com interface de dados bit-serial 24 Sensor do resfriador de temperatura
25 Sensor de temperatura na sa�da do radiador 26 Interruptor da luz de freio
27 M�dulo de embreagem    

 

Item Descri��o Item Descri��o
1 Eletr�nica do motor digital (DME) 2 Sensor de temperatura na unidade de controle DME
3 Rel� de prote��o contra sobrecarga 4 Bobina de igni��o 1
5 Bobina de igni��o 2 6 Bobina de igni��o 3
7 Bobina de igni��o 4 8 Servomotor DISA
9 Atuador el�trico de v�lvula-borboleta 10 Sensor de oxig�nio a montante do catalisador (sensor de controle)
11 Sensor de oxig�nio a jusante do conversor catal�tico (sensor do monitor) 12

Depende do equipamento montado

Sensor de oxig�nio 2 a montante do conversor catal�tico (sensor de controle)

13

Depende do equipamento montado

Sensor de oxig�nio 2 a jusante do conversor catal�tico (sensor do monitor)

14 Conex�o de diagn�stico
15 PT-CAN 16 Terminal 31 (terra)
17 Motor de arranque 18

> E46, E83

Rel� de compressor A / C

> E85

Sistema integrado de aquecimento e ar condicionado autom�tico

19 Unidade de controle EWS 20 Controle Din�mico de Estabilidade (DSC)
21 Sensor de n�vel de �leo t�rmico 22 Atuador Valvetronic
23 Rel� Valvetronic 24 Sensor de eixo exc�ntrico
25 Sensor de batida 26 Sensor de batida 2
27 Medidor de massa de ar com sensor de temperatura do ar de admiss�o    
Kl R Terminal R Kl30 Terminal 30
Kl87 Terminal 87    

 

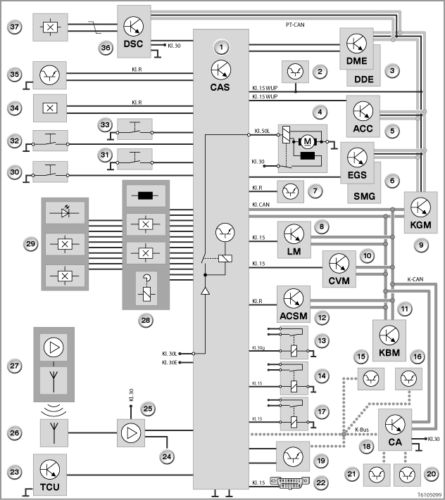
Item Descri��o Item Descri��o
1 Sistema de Acesso para Carro (CAS) 2 Eletr�nica do motor digital (DME) ou eletr�nica digital a diesel (DDE)
3 Sensor de bateria inteligente (IBS) 4 Motor de arranque
5 Controle ativo de cruzeiro (ACC) 6 M�dulo de luz (LM)
7 Detector de ocupa��o de assentos para passageiros 8 M�dulo de seguran�a de colis�o (ACSM: Advanced Crash Safety Module)
9 Controle eletr�nico de transmiss�o (EGS) ou transmiss�o sequencial (SMG) 10 M�dulo superior convers�vel (CVM)
11 Rel� de prote��o contra sobrecarga do terminal 15 12 Rel� para terminal 30g
13 Rel� para o terminal 15 14 M�dulo de gateway do corpo (KGM)
15 Acesso Conforto (CA: Comfort Access) 16 M�dulo b�sico do corpo (KBM)
17 Porta eletr�nica externa, porta do motorista (TAGEFA) 18 Porta eletr�nica externa, porta do passageiro dianteiro (TAGEBF)
19 Eletr�nica externa do puxador da porta, porta traseira do lado do passageiro (TAGEBFH) 20 Porta eletr�nica externa, porta traseira do lado do motorista (TAGEFAH)
21 Bloqueio de dire��o eletr�nico 22 Tomada de diagn�stico
23 Unidade de controle de telefone 24 Controle remoto
25 Receptor FBD 26 Bot�o START / STOP
27 Slot 28 Bot�o da bagageira na zona dos p�s do condutor (EUA e Jap�o)
29 Sensor de velocidade da roda 30 Controle Din�mico de Estabilidade (DSC)
31 Bot�o de travamento central 32 Interruptor de posi��o do hotel
33 Interruptor de contato da tampa frontal 34 Interruptor da embraiagem (para inibidor de arranque em ve�culos dos EUA com transmiss�o manual)
35 Interruptor da luz de freio    
K-bus �nibus do corpo K-CAN Corpo pode

 

 

Item Descri��o Item Descri��o
1 Sistema de Acesso para Carro (CAS) 2 Sensor de bateria inteligente
3 Eletr�nica do motor digital (DME) ou eletr�nica digital a diesel (DDE) 4 Terminal 50 para iniciantes
5 Fio de ativa��o do Controle Ativo de Cruzeiro (ACC) 6 Controle eletr�nico de transmiss�o (EGS) ou transmiss�o sequencial (SMG)
7 Detector de ocupa��o do banco do lado do passageiro 8 M�dulo de luz (LM)
9 M�dulo de gateway do corpo (KGM) 10 M�dulo superior convers�vel (apenas no CVM: E64)
11 M�dulo b�sico do corpo (KBM) 12 M�dulo de seguran�a de colis�o (ACSM: Advanced Crash Safety Module)
13 Rel� para terminal 30g 14 Rel� de prote��o contra sobrecarga do terminal 15
15 Porta eletr�nica externa, porta traseira do lado do motorista (TAGEFAH) 16 Eletr�nica externa do puxador da porta, porta traseira do lado do passageiro (TAGEBFH)
17 Rel� para o terminal 15 18 Acesso Conforto (CA: Comfort Access)
19 Bloqueio de dire��o eletr�nico 20 Porta eletr�nica externa, porta do passageiro dianteiro (TAGEBF)
21 Porta eletr�nica externa, porta do motorista (TAGEFA) 22 Tomada de diagn�stico
23 Unidade de controle telef�nico (por exemplo, TCU = Telematic Control Unit) para ativar o MOST em K CAN 24 Ligue o receptor FBD pela unidade de controlo Comfort Access (CA)
25 Receptor FBD (FBD = controle remoto) para sinais de controle remoto 26 A�reo
27 Controle remoto 28 Slot
29 Bot�o START / STOP 30 Bot�o da bagageira na zona dos p�s do condutor (vers�es dos EUA e do Jap�o)
31 Bot�o de travamento central 32 Interruptor de posi��o do hotel
33 Interruptor de contato da tampa frontal 34 Interruptor da embraiagem (para inibidor de arranque em ve�culos dos EUA com transmiss�o manual)
35 Interruptor da luz de freio 36 Sinal de velocidade de estrada do sensor de velocidade da roda Dynamic Stability Control (DSC)
37 Sensor de velocidade da roda    
Kl R Terminal R Kl15 Terminal 15
Kl 15 WUP Fio de ativa��o do terminal 15 Kl30 Terminal 30
Kl30E Eletr�nica do terminal 30 Kl30g Terminal 30g ativo
Kl30L Carga do terminal 30 K-bus �nibus do corpo
K-CAN Corpo pode PT-CAN Powertrain CAN

 

Item Descri��o Item Descri��o
1 Sistema de Acesso para Carro (CAS) 2 Controle eletr�nico de transmiss�o (EGS)
3 Eletr�nica do motor digital (DME) ou eletr�nica digital a diesel (DDE) 4 Sa�da do terminal R para:
  • Interruptor da luz de freio
  • Interruptor de embreagem
  • Detector de ocupa��o de assentos no lado do motorista
  • Detector de ocupa��o do banco do lado do passageiro
  • M�dulo de seguran�a de colis�o (ACSM: Advanced Crash Safety Module)
5 Terminal 50 para iniciantes 6 M�dulo de Footwell
7 Eletr�nica de caixa de jun��o (JBE) 8 Sa�da do terminal 15
  • Tomada de diagn�stico
  • M�dulo de Footwell
  • Rel� para aquecedor de combust�vel em ve�culos com DDE ou rel� para injetores em ve�culos com DME
9 Eletr�nica externa do puxador da porta no lado do motorista dianteiro e traseiro e na lateral dianteira e traseira do passageiro 10 Unidade de controle de acesso Comfort (unidade de controle CA)
11 Unidade de controle telef�nico (por exemplo, TCU = Telematic Control Unit) para ativar o MOST em K CAN 12 Transmissor de identifica��o
13 Antena para servi�os de controle remoto (FBD) na janela traseira 14 Receptor de controle remoto em amplificador a�reo
15 Bot�o START / STOP 16 Bot�o de travamento central
17 Slot para controle remoto 18 Interruptor da luz de freio
19 Sinal de velocidade de estrada do Controle Din�mico de Estabilidade (DSC) 20 Interruptor de contato da tampa frontal
K-bus �nibus do corpo K-CAN Corpo pode
PT-CAN Powertrain CAN    

 

Item Descri��o Item Descri��o
1 Sistema de Acesso para Carro (CAS) 2 Controle eletr�nico de transmiss�o (EGS)
3 Interruptor de contato da tampa frontal 4 Controle Din�mico de Estabilidade (DSC)
5 Eletr�nica do motor digital (DME) ou eletr�nica digital a diesel (DDE) 6 Eletr�nica de caixa de jun��o (JBE)
7 M�dulo de Footwell 8 Bot�o de travamento central e interruptor de luzes de aviso de perigo
9 Detector de ocupa��o do banco do lado do passageiro 10 M�dulo de seguran�a de colis�o (ACSM: Advanced Crash Safety Module)
11 Unidade de controle de acesso Comfort (unidade de controle CA) 12 Receptor de controle remoto
13 Bot�o START / STOP 14 Slot para controle remoto
15 Detector de ocupa��o de assentos no lado do motorista 16 Interruptor da luz de freio
D-CAN Diagn�stico-on CAN EWS 3 Sinal de imobilizador eletr�nico de 3� gera��o
EWS 4 Sinal de imobilizador eletr�nico de 4� gera��o FBD Controle remoto
K-bus (EWS 4) Barramento corporal (tamb�m conhecido como barramento CAS), somente em conjunto com o imobilizador eletr�nico de 4� gera��o K-CAN Corpo pode
Kl15_1 Terminal 15 (sa�da 1) Kl15_2 Terminal 15 (sa�da 2)
Kl15_3 Terminal 15 (sa�da 3) Kl 15 WUP Fio de ativa��o do terminal 15
Kl 30 Terminal 30 Kl30g Terminal 30g ativo
Kl30g-f Rel� do terminal 30g-f para corte em caso de mau funcionamento Kl 50 l Carga do terminal 50
Kl 54 Sinal do interruptor da luz de freio Kl54T Sinal do interruptor da luz de freio
Kl R Terminal R PT-CAN Powertrain CAN
WUP FBD Fio de despertar para controle remoto    

 

Unidade de controle CAS

A unidade de controle CAS � a unidade de controle mestre para v�rios sistemas.

A unidade de controle CAS � conectada diretamente ao K-CAN (Body CAN). 

 

Item Descri��o Item Descri��o
1 Interruptor de igni��o 2 Cabo de fita para o CAS


Constru��o

Uma roda dentada transfere o movimento da chave de igni��o que gira no cilindro da fechadura at� o interruptor de partida da igni��o. 
4 sensores Hall s�o instalados no interruptor de partida da igni��o. Os sensores Hall leem a posi��o da chave de igni��o sem fazer contato. 
O interruptor de partida da igni��o tamb�m cont�m a antena de anel para verificar o transponder na chave de igni��o.

O interruptor de partida da igni��o � conectado � unidade de controle CAS por um conector de 14 pinos.
 

Como funciona

O interruptor de partida da igni��o liga os terminais R, 15 e 50.

A posi��o da chave de igni��o � monitorada eletronicamente, de modo que uma chave de igni��o sem um transponder v�lido n�o liga mecanicamente os v�rios terminais. 
O status do terminal � encaminhado somente ao sistema el�trico se a chave de igni��o tiver um transponder autorizado. 
Este acesso totalmente eletr�nico ao ve�culo tem os seguintes benef�cios:

  • Maior confiabilidade dos sinais do terminal gra�as aos sensores redundantes sem desgaste
  • comportamento de comuta��o definido de sa�das de terminal
  • meios eletr�nicos de acesso ao ve�culo, por exemplo, para aquecimento independente e para teletart (arranque remoto do motor)

Quatro sensores Hall est�o instalados no interruptor de partida da igni��o. Os sensores do Hall leem o status dos terminais por meio de uma matriz.

 

Item Descri��o Item Descri��o
1 Slot com controle remoto 2 Bot�o START / STOP


Constru��o

2 sensores Hall s�o instalados no slot do controle remoto. Os sensores Hall s�o livres de contato e detectam se h� um controle remoto no slot. 
O slot tamb�m abriga a antena de anel para verificar o transponder no controle remoto.

O bot�o STAT-STOP est� localizado acima do slot. Cada componente � instalado isolado do outro. 
Um conector de 14 pinos conecta o slot � unidade de controle CAS. 
Um cabo de fita de 10 pinos conecta o slot ao bot�o START / STOP.
 

Como funciona

Uma vez que o controle remoto tenha sido inserido no slot, a autoriza��o do transponder � lida. Quando o CAS detecta um controle remoto autorizado, o terminal R � ligado. Ao mesmo tempo, o controle remoto � bloqueado no lugar. A trava de seguran�a � travada por meio de um interruptor solenoide.

Nota: Remo��o revisada do controle remoto do slot.

A partir de 09/2007 existe um conceito de controle modificado.

> E60, E61, E63, E64, E81, E87, E90, E91, E92 E93 de 09/2007 
> E70 de 04/2008

O novo conceito de controle destina-se a realizar um controle intuitivo para o usu�rio, ou seja, � poss�vel remover o controle remoto imediatamente no terminal R e no terminal 0 (observe as condi��es pr�vias para ve�culos com transmiss�o autom�tica ou transmiss�o manual). 
Quando o terminal 15 est� ligado, o controle remoto est� travado no slot. 
Quando o terminal 15 est� desligado, o controle remoto � destravado no slot.

Anteriormente, o controle remoto s� podia ser removido do slot ap�s ser pressionado (empurrado) no terminal R ou no terminal 0. No passado, isso levava a uma opera��o incorreta.

Um bloqueio de retirada impede que o controle remoto seja removido sob as seguintes condi��es:

  • Motor funcionando
  • Sinal de velocidade da estrada acima de 0 km / h
  • Ve�culos com transmiss�o autom�tica: posi��o da alavanca selectora "P" (Parque) n�o seleccionada

A partida do motor � iniciada quando o bot�o START / STOP � pressionado. A unidade de controle do CAS verifica se as seguintes pr�-condi��es est�o satisfeitas:

  • Ve�culos com transmiss�o autom�tica: posi��o da alavanca seletora "P" ou "N" selecionada e freios aplicados
  • Ve�culos com transmiss�o manual: embreagem pressionada

Quando todas as condi��es s�o satisfeitas, o motor � iniciado pela unidade de controle CAS. 
Para desligar o motor, pressione o bot�o START / STOP novamente. O motor est� desligado, o terminal R permanece ligado. 
Nos ve�culos com transmiss�o autom�tica, o motor s� pode ser desligado quando o ve�culo estiver parado e o bloqueio de estacionamento estiver ativado.

Este acesso totalmente eletr�nico ao ve�culo tem as seguintes vantagens:

  • Maior confiabilidade dos sinais do terminal gra�as aos sensores redundantes sem desgaste
  • comportamento de comuta��o definido de sa�das de terminal
  • Meios eletr�nicos de acesso ao ve�culo, por exemplo, para aquecimento independente e para teletart (arranque remoto do motor)
     
Nota: fun��o de emerg�ncia ao dirigir.

Por raz�es de seguran�a, o motor pode ser parado quando o ve�culo estiver em movimento, pressionando o bot�o START / STOP. Nesses casos, ele pode ser reiniciado sem ter que aplicar o freio ou pressionar novamente a embreagem.

Nota: Partida do motor com acesso ao conforto.

Com o CA (Comfort Access), o controle remoto n�o tem que estar no slot para o mecanismo ser iniciado. 
 

 

 

Trava de dire��o eletr�nica E60, E61, E63, E64 at� 09/2005 e E81, E87, E90 ...

Nota: Bloqueio de dire��o el�trico descontinuado

A trava de dire��o el�trica � descontinuada nos seguintes ve�culos:

  • E90, E91, E92, E93 de 12/2006, somente vers�o dos EUA com transmiss�o autom�tica ou manual
  • E60, E61 de 03/2007 com transmiss�o autom�tica
  • E63, E64 de 09/2007 com transmiss�o autom�tica
  • E70 desde o in�cio da produ��o em s�rie
     

Local de instala��o

> E60, E61, E63, E64 de 09/2005

Item Descri��o Item Descri��o
UMA Coluna de dire��o mecanicamente ajust�vel B Coluna de dire��o eletricamente ajust�vel
1 Sistema de Acesso para Carro (CAS) 2 Bloqueio de dire��o eletr�nico
3 Bot�o START / STOP 4 Slot

O bloqueio eletr�nico da dire��o est� localizado diretamente na coluna de dire��o. Nos ve�culos com regula��o el�trica da coluna da dire��o, o bloqueio eletr�nico da dire��o tem um local de instala��o diferente.
 

> E81, E87, E90, E91, E92, E93

 

ItemDescri��oItemDescri��o

1Coluna de dire��o2Bloqueio de dire��o eletr�nico

Constru��o

A trava de dire��o eletr�nica compreende os seguintes componentes:
 

Item Descri��o Item Descri��o
1 Tubo de coluna de dire��o 2 Cobertura para casas
3 Conduza com transmiss�o e bloqueio    


Como funciona

Durante o procedimento de desbloqueio, ocorre um procedimento de autentica��o entre o sistema de acesso de carro (CAS) e o bloqueio de dire��o eletr�nico (ELV). O bloqueio eletr�nico da dire��o s� � capaz de iniciar o desbloqueio se o processo de autentica��o for completamente positivo. 
Por raz�es de seguran�a, nenhuma corrente � aplicada ao bloqueio eletr�nico da dire��o enquanto o ve�culo estiver sendo conduzido. O bloqueio eletr�nico da dire��o � fornecido somente com energia para o procedimento de desbloqueio ou bloqueio.
 

  • Para desbloquear a trava de dire��o eletr�nica:

    O procedimento de desbloqueio come�a quando o terminal R est� ligado. Quando uma autoriza��o de acesso v�lida � detectada, o CAS inicia o processo de desbloqueio do bloqueio eletr�nico da dire��o.

  • Primeiro, o CAS liga o bloqueio eletr�nico da dire��o. A condi��o do ve�culo e o status da trava da dire��o eletr�nica s�o ent�o verificados. Finalmente, o sinal codificado � enviado para liberar o bloqueio. Depois de receber a autoriza��o v�lida, o bloqueio eletr�nico da dire��o inicia o procedimento de desbloqueio. O acionamento eletr�nico da trava da dire��o � acionado para "desbloquear".

    O motor aciona um acionador atrav�s de uma engrenagem reta de est�gio �nico. O motorista puxa os pinos de travamento em dire��o � posi��o destravada at� que a alavanca de travamento engate. 
    A posi��o final da alavanca de bloqueio � detectada pelo sensor Hall. O motor p�ra quando o bloqueio eletr�nico da dire��o detecta o "desbloqueado e em deadlock". Este status � enviado para o CAS via K-CAN. O CAS interrompe a fonte de alimenta��o. No estado livre de corrente, a alavanca de travamento � bloqueada automaticamente.

Nota: Iniciar habilita��o pelo sistema de acesso de carro.

A ativa��o inicial � emitida pela unidade de controle do CAS. Uma habilita��o de partida � emitida somente quando a verifica��o de plausibilidade � executada com sucesso. A unidade de controle CAS deve detectar o status "desbloqueado e em deadlock" sem erros. 
Para ligar o motor, o CAS deve ter desconectado a fonte de alimenta��o da trava da dire��o eletr�nica.

Nota: Desbloqueio com acesso ao conforto.

Em ve�culos com CA (Comfort Access), o controle remoto tamb�m � um transmissor de identifica��o. Um transmissor de identifica��o v�lido deve ser detectado dentro do ve�culo para que a trava de dire��o eletr�nica seja destravada.

  • Para travar a trava da dire��o eletr�nica:

    Quando todas as condi��es para bloqueio forem atendidas, o CAS inicia o procedimento de bloqueio. O CAS liga a fonte de alimenta��o ao bloqueio eletr�nico da dire��o e verifica seu status. Quando o status foi validado com sucesso, o CAS envia o sinal de habilita��o de bloqueio para a trava de dire��o eletr�nica. O procedimento de bloqueio � iniciado. O motor aciona um acionador atrav�s de uma engrenagem reta de est�gio �nico. O motorista puxa o parafuso de travamento para a posi��o de travamento at� que a alavanca de travamento engate. A posi��o final da alavanca de travamento � registrada pelo sensor Hall. O motor p�ra quando o bloqueio eletr�nico da dire��o detecta �n�o destrancado e em deadlock�.

    Este status � enviado para o CAS via K-CAN. O CAS interrompe a fonte de alimenta��o. Quando nenhuma corrente � aplicada, a alavanca de travamento � bloqueada automaticamente.

    Se a trava da dire��o eletr�nica j� tiver sido bloqueada corretamente, um procedimento de travamento n�o ser� executado. O bloqueio eletr�nico da dire��o envia o status atual para a unidade de controle CAS novamente.

Nota: O ELV s� pode ser bloqueado se o ve�culo estiver parado

O novo s� pode ser bloqueado se os seguintes sinais indicarem que o ve�culo est� parado:

  • Sinal de velocidade na estrada na interface serial
  • Sinal sobre as condi��es de opera��o do ve�culo no barramento CAN

Ambos os sinais devem indicar que o ve�culo est� parado. Esta verifica��o de plausibilidade s� ocorre para o procedimento de bloqueio.

Nota: Bloqueio com Acesso Confort�vel.

Com CA (Comfort Access), o ve�culo � bloqueado quando a �rea sens�vel na ma�aneta da porta externa � tocada. A trava de dire��o eletr�nica tamb�m trava.

Nos ve�culos com Comfort Access, a trava eletr�nica da dire��o trava se o motor tiver sido ligado e as seguintes condi��es forem atendidas:

  • Terminal 15 OFF
  • Central de travamento duplo via porta eletr�nica externa

Se o motor tiver sido ligado, o bloqueio eletr�nico da dire��o travar� ap�s o terminal R ter sido DESLIGADO e uma porta aberta.

 

Diagn�stico de �nibus

Todos os modelos da E60
 
 
Introdu��o

Nos ve�culos de hoje, componentes e unidades de controle s�o conectados em rede por meio de barramentos de dados. Barramentos de dados s�o capazes de transmitir mensagens com sinais. As unidades de controle conectadas somente l�em as mensagens e sinais que s�o relevantes para sua opera��o.

A maioria dos barramentos s�o barramentos de dados CAN (CAN: Controller Area Network). Existem v�rios barramentos CAN com diferentes taxas de transfer�ncia de dados em cada ve�culo. Por exemplo, o PT-CAN tem uma taxa de transfer�ncia de dados r�pida, o K-CAN uma taxa de transfer�ncia de dados mais lenta. Um cabo de fibra �tica � usado para navega��o e entretenimento: o barramento MOST (MOST = �Media Oriented System Transport�) Existe uma linha de dados separada para diagn�stico: o cabo de diagn�stico, tamb�m chamado de �Linha K�. [Para mais informa��es, consulte a BMW Service Technology (SBT) 61 03 05 144]

As seguintes op��es est�o dispon�veis para localizar falhas nos barramentos de dados e nas unidades de controle:

  • M�dulo de teste para diagnosticar barramentos CAN no sistema de diagn�stico: a MAIOR an�lise do sistema

    O procedimento para abrir o m�dulo de diagn�stico no sistema de diagn�stico ISTA (Integrated Service Technical Application) � o seguinte:

    Atividades> Estrutura funcional> 03 Corpo> An�lise do sistema> Fun��es CAN> An�lise do sistema

    O m�dulo de teste � inserido automaticamente na programa��o de teste se pelo menos um erro de mensagem (mensagem ausente) tiver sido registrado.

  • Verificando os resistores de termina��o:

    Verificar os resistores de termina��o tamb�m pode ser importante para o diagn�stico do barramento.

  • Procedimento para diagn�stico nos �nibus MOST: MAIS an�lise do sistema

    O procedimento para abrir o m�dulo de teste no sistema de diagn�stico ISTA � o seguinte:

    Atividades> Estrutura da fun��o> 03 Corpo> �udio, v�deo, telefone, navega��o (anel MOST)> Fun��es MOST> AN�LISE MAIS DE SISTEMA.

Esses dois procedimentos e os pontos de instala��o dos resistores de termina��o s�o descritos em detalhes abaixo.

An�lise do sistema de �nibus
A an�lise do sistema de barramento limita a causa de falhas intermitentes na �rea dos barramentos de dados e unidades de controle.
Nota: Diagn�stico de falhas intermitentes e falhas permanentes

Todos os casos em que um barramento de dados ou uma unidade de controle s� falha temporariamente (isto �, intermitentemente) s�o dif�ceis de diagnosticar. Nesses casos, as entradas nas mem�rias de falha das unidades de controle n�o apontam inequivocamente para uma falha intermitente de um determinado barramento de dados ou unidade de controle.

A falha intermitente de um determinado barramento de dados ou unidade de controle causa muitas entradas de mem�ria de falha diferentes em v�rias unidades de controle. A rotina de an�lise do sistema processa todas essas entradas de c�digo de falha do DTC (mensagem ausente) para todas as unidades de controle. Neste processo, emprega um c�lculo de probabilidade para localizar a causa da falha dentro de um setor espec�fico.

Se um barramento de dados falhar completamente e permanentemente , as unidades de controle afetadas n�o estar�o mais dispon�veis para diagn�stico. A falha �, portanto, f�cil de localizar.

Resistores de termina��o
Os locais de instala��o est�o listados abaixo para fins de medi��o dos valores do resistor de termina��o.
> R5x e R6x
  • F-CAN
    • Ve�culos com Controle Din�mico de Estabilidade (DSC)

      1 resistor est� na unidade de controle DSC

      1 resistor est� no sensor DSC (sob o banco do passageiro da frente)

  • PT-CAN
    • 1 resistor est� na unidade de controle SZL na vers�o com sensor de �ngulo de dire��o (SZL: cluster do interruptor da coluna de dire��o)

      1 resistor est� na unidade de controle EPS (EPS: dire��o hidr�ulica eletromec�nica)

> E60, E61, E63, E64
  • F-CAN
    • Ve�culos com AS (dire��o ativa)

      1 resistor est� no sensor de �ngulo de dire��o cumulativo na caixa de dire��o.

      1 resistor est� no sensor DSC (sob o banco do passageiro dianteiro).

    • Ve�culos sem AS (dire��o ativa)

      1 resistor est� na unidade de controle DSC (DSC: Dynamic Stability Control)

      O resistor do Dynamic Stability Control 1 est� no sensor DSC 2 (sob o assento do passageiro dianteiro; o sensor DSC 1 est� sob o assento do motorista).

  • PT-CAN
    • 1 resistor est� na unidade de controle DSC (DSC: Dynamic Stability Control).
    • 1 resistor est� na unidade de controle SGM (m�dulo de seguran�a e gateway)

      A partir de 09/2005, este resistor est� na unidade de controle KGM (m�dulo body-gateway)

> E65, E66
  • PT-CAN
    • 1 resistor est� no chicote dianteiro na dome direita da haste da mola. Este resistor pode ser desconectado do PT CAN.
    • 1 resistor est� no chicote de fia��o sob o banco traseiro.

      Este resistor n�o pode ser desconectado.

> E7x
  • F-CAN
    • 1 resistor est� na unidade de controle SZL (SZL: cluster do interruptor da coluna de dire��o)
    • 1 resistor est� na unidade de controle DSC (DSC: Dynamic Stability Control)
  • FlexRay

    Se o ve�culo estiver equipado com a op��o SA2VA �Adaptive Drive�, os 4 sat�lites damper s�o conectados � unidade de controle VDM atrav�s do barramento de dados FlexRay.

    Esta op��o (equipamento especial) compreende 2 sistemas: gest�o de din�mica vertical (VDM) e estabiliza��o de bobina ativa (ARS: designa��o de vendas "Dynamic Drive").

    Um amortecedor de sat�lite � instalado em cada amortecedor.

    • Ve�culos com �Drive Adaptativo�

      1 resistor em cada sat�lite amortecedor do sistema de gerenciamento din�mico vertical (VDM)

  • PT-CAN
    • 1 resistor est� na unidade de controle DSC (DSC: Dynamic Stability Control)
    • 1 resistor est� na unidade de controle EMF (EMF: freio de estacionamento eletromec�nico)
> E8x e E9x
  • F-CAN

    Diferentes resist�ncias de termina��o s�o usadas dependendo da motoriza��o:

    • Ve�culos com motor N4 ... (vers�o b�sica e equipamento de alta)

      1 resistor est� na unidade de controle SZL (SZL: cluster do interruptor da coluna de dire��o)

    • Ve�culos com motor M47, M57, N5 ... (vers�o b�sica e equipamento de alta)

      1 resistor est� na unidade de controle DSC (DSC: Dynamic Stability Control)

      1 resistor est� na unidade de controle SZL (SZL: cluster do interruptor da coluna de dire��o)

  • PT-CAN

    Diferentes resist�ncias de termina��o s�o usadas dependendo da motoriza��o:

    • Ve�culos com motor N4 ... (vers�o b�sica e equipamento de alta)

      1 resistor est� na unidade de controle DSC (DSC: Dynamic Stability Control)

      1 resistor est� na unidade de controle JBE (JBE: eletr�nica da caixa de jun��o)

    • Ve�culos com motor M47, M57, N5 ... (vers�o b�sica e equipamento de alta)

      1 resistor est� na unidade de controle DSC (DSC: Dynamic Stability Control)

      1 resistor est� na unidade de controle EKP (EKP: bomba de combust�vel controlada)

MAIS AN�LISE DO SISTEMA

O barramento MOST tem uma estrutura de anel. Isso significa que uma falha em uma unidade de controle pode ter um efeito em todo o sistema. A causa de uma falha no sistema (= falha de comunica��o) na rede MOST n�o � imediatamente aparente.

O m�dulo de teste "MOST system analysis" (sistema de diagn�stico que come�a com DIS CD 36) e agora est� sendo consistentemente aprimorado para analisar erros de comunica��o nas unidades de controle MOST.

Para determinar a causa de uma falha no sistema na rede MOST, os seguintes pr�-requisitos foram estabelecidos:

  • Se ocorrer uma falha de comunica��o nas unidades de controle MOST, esta falha de comunica��o n�o � mostrada na mem�ria de falhas da unidade de controle em quest�o.
  • O teste breve para a unidade de controle "MOST" do sistema de an�lise "virtual" l� as falhas de comunica��o de todas as unidades de controle MOST.
Fun��es da an�lise do sistema MOST
O m�dulo de teste "MOST system analysis" segue a seguinte sequ�ncia:
1 Leia as mem�rias de c�digo de falha do MPM, KGM, PM ou JBE
  • Primeiro, verifica se a comunica��o com as seguintes unidades de controle est� em ordem:
    > R5x e R6xJBE: Eletr�nica de caixa de jun��o
    >

    E60, E61, E63, E64 at� 09/2005

    MPM: m�dulo de micro-pot�ncia

    >

    E60, E61, E63, E64 a partir de 09/2005

    BGM: m�dulo de gateway do corpo

    >

    E65, E66:

    PM: m�dulo de energia

    >

    E7x

    JBE: Junction Box Eletr�nica

    >

    E8x e E9x

    JBE: Junction Box Eletr�nica

  • Ent�o as mem�rias de falha s�o lidas.

    As seguintes entradas de mem�ria de c�digo de falha s�o lidas:

    >

    R5x e R6x

    JBE: Junction Box Eletr�nica

    As unidades consumidoras auxiliares foram desligadas?

    >

    E60, E61, E63, E64 at� 09/2005

    MPM: m�dulo de micro-pot�ncia

    As unidades consumidoras auxiliares foram desligadas?

    >

    E60, E61, E63, E64 a partir de 09/2005

    BGM: m�dulo de gateway do corpo

    As unidades consumidoras auxiliares foram desligadas?

    >

    E65, E66:

    PM: m�dulo de energia

    H� uma interrup��o na conex�o das unidades de controle para a bateria?

    A bateria est� totalmente descarregada?

    >

    E7x

    JBE: Junction Box Eletr�nica

    As unidades consumidoras auxiliares foram desligadas?

    >

    E8x e E9x

    JBE: Junction Box Eletr�nica

    As unidades consumidoras auxiliares foram desligadas?

2 verifique a comunica��o com CD ou CCC ou CHAMP ou M-ASK ou RAD2
  • � realizada uma verifica��o se a comunica��o com as seguintes unidades de controle est� correta:
    >

    R5x e R6x

    CCC ou RAD2 Car Communication Computer ou Radio 2 (Radio Boost)

    >

    E65, E66:

    CD: visor de controle

    >

    E60, E61, E63, E64

    CCC ou M-ASK ou CHAMP: Computador de Comunica��o Automotiva ou controlador de sistema multi-�udio ou unidade Central Head e Plataforma Multim�dia

    >

    E7x

    CCC ou M-ASK ou CHAMP: Computador de Comunica��o Automotiva ou controlador de sistema multi-�udio ou unidade Central Head e Plataforma Multim�dia

    >

    E8x e E9x

    RAD2: Radio 2 (r�dio BMW Professional)

  • Se houver um problema com a comunica��o, a falha apropriada ser� exibida. Fim do procedimento de teste.
  • Se a comunica��o com o auto-r�dio estiver OK, v� para o Passo 3.

    (Unidade principal: No campo de autom�veis, o fone de ouvido � a interface do usu�rio para sistemas que n�o s�o essenciais para a condu��o, por exemplo, navega��o, telefone celular ou r�dio. Fone de ouvido � um termo coletivo para v�rias unidades de controle, por exemplo CCC, CHAMP, M ‐ASK, por exemplo, na an�lise do sistema MOST).

3

Verifique o anel MOST

O anel MOST est� fechado?

O diagn�stico de quebra de anel � realizado.

4 Verifique a configura��o MAIS
  • Esta etapa verifica se a falha "MOST-Ring: a configura��o desejada / real n�o coincide" � armazenada. Dependendo da s�rie do modelo em quest�o, a falha � armazenada nas seguintes unidades de controle:
    >

    R5x e R6x

    CCC: computador de comunica��o do carro

    RAD2: Radio 2 (Radio Boost)

    >

    E60, E61, E63, E64

    CCC ou M-ASK ou CHAMP: Computador de Comunica��o Automotiva ou controlador de sistema multi-�udio ou unidade Central Head e Plataforma Multim�dia

    >

    E7x

    CCC ou M-ASK ou CHAMP: Computador de Comunica��o Automotiva ou controlador de sistema multi-�udio ou unidade Central Head e Plataforma Multim�dia

    >

    E8x e R9x

    CCC ou M-ASK: computador de comunica��o autom�vel ou controlador de sistema multi-�udio

    RAD2: Radio 2 (r�dio BMW Professional)

  • O teste compara a configura��o desejada do barramento MOST com a configura��o atual.

    Se a configura��o atual difere da configura��o desejada, a configura��o desejada para as unidades de controle � armazenada novamente na rede MOST.

    Se a configura��o desejada estiver armazenada, continue com o quinto passo.

5

Analisar a mem�ria de falhas das unidades de controle MOST

As entradas de mem�ria de falha em todas as unidades de controle MOST s�o avaliadas em rela��o a falhas de comunica��o. A avalia��o das entradas de mem�ria de c�digo de falha existentes fornece a causa de falha mais prov�vel. No m�ximo, as 2 causas mais prov�veis ​​da falha (unidades de controle) ser�o dadas como resultado, por exemplo:

  • CDC CD changer (* * * *)
  • Telefone TEL (**)

Avalia��o da qualidade dos resultados:

(*****) significa alta qualidade (falha mais prov�vel)

(*) significa m� qualidade

O n�mero de asteriscos varia entre um asterisco e cinco asteriscos.

O procedimento necess�rio � descrito.

Notas para o departamento de servi�o
  • Informa��o geral:
  • Diagn�stico: ---
  • Codifica��o / programa��o: ‐‐
N�o podemos assumir nenhuma responsabilidade por erros ou imprecis�es de impress�o neste documento e reservamo-nos o direito de introduzir modifica��es t�cnicas a qualquer momento.