DIAGRAMA EL�TRICO - INJE��O ELETR�NICA I
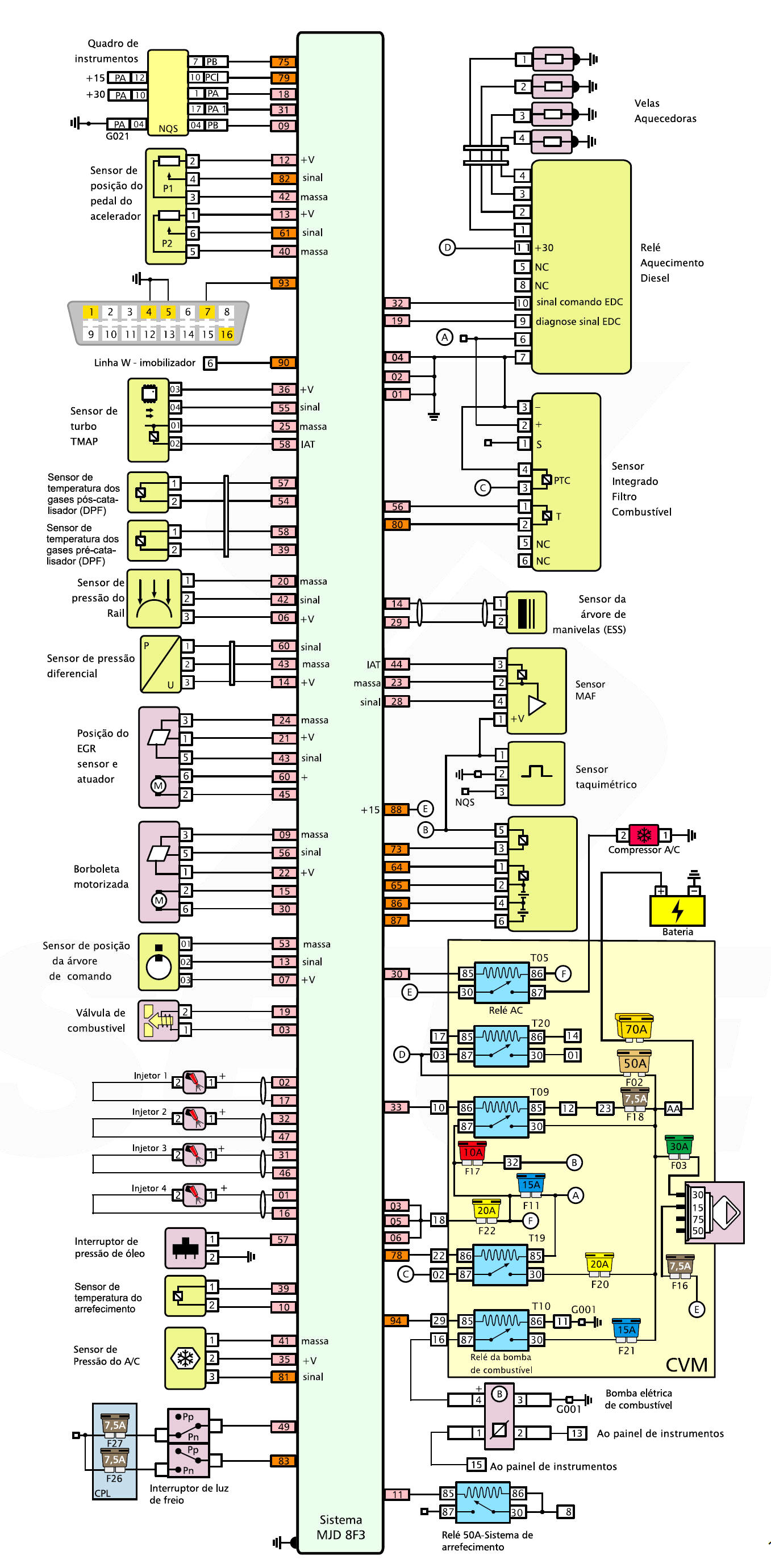
DIAGRAMA EL�TRICO - INJE��O ELETR�NICA II
DIAGRAMAS EL�TRICOS GERAIS
FUS�VEIS DO SISTEMA
RELES E FUS�VEIS - INTERATIVO
TESTANDO A V�LVULA EGR
TESTANDO O SISTEMA DPF
SINAIS DE ENTRADA
CONTROLE DE AQUECIMENTO DAS VELAS
C�DIGOS DE FALHAS
MANUAL DE SERVI�O MOTOR/INJE��O

 

 

 

 

 

 

 

 

 

 

 

 

 

 

 

 

 

 

 

 

 

 

 

 

 

 

Nova pagina 1