ESQUEMA EL�TRICO - INJE��O ELETR�NICA / AR CONDICIONADO
DIAGRAMA EL�TRICO - INJE��O ELETR�NICA
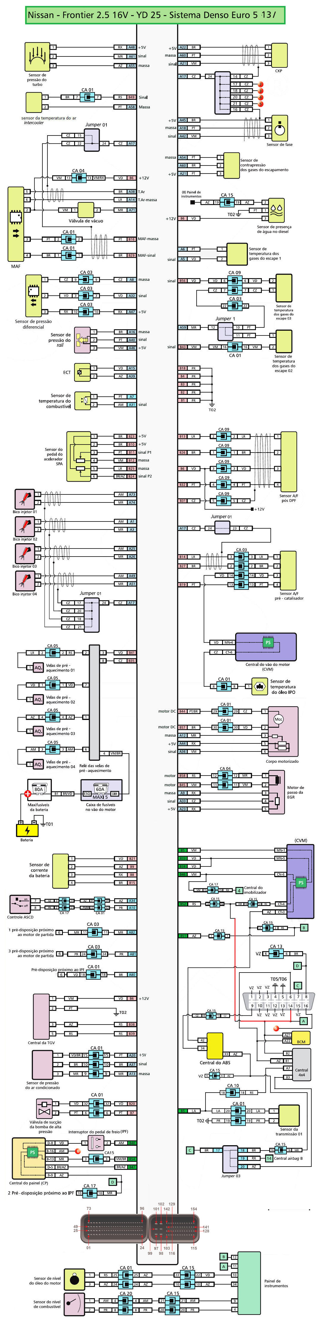
ESQUEMA EL�TRICO - INJE��O ELETR�NICA
RELES E FUS�VEIS

 

 

 

 

 

 

 

 

 

 

 

 

 

 

 

 

 

 

 

 

 

 

 

 

 

 

 

 

 

 

 

 

 

 

 

 

 

 

 

 

 

 

 

 

 

 

 

 

 

 

 

 

 

 

 

 

 

 

 

 

 

 

 

 

 

 

 

 

 

 

 

 

 

 

 

 

 

 

 

 

 

 

 

 

 

 

 

 

 

 

 

 

 

 

 

 

 

Nova pagina 1