MOTOR F1A    MULTIJET 2.3 16V

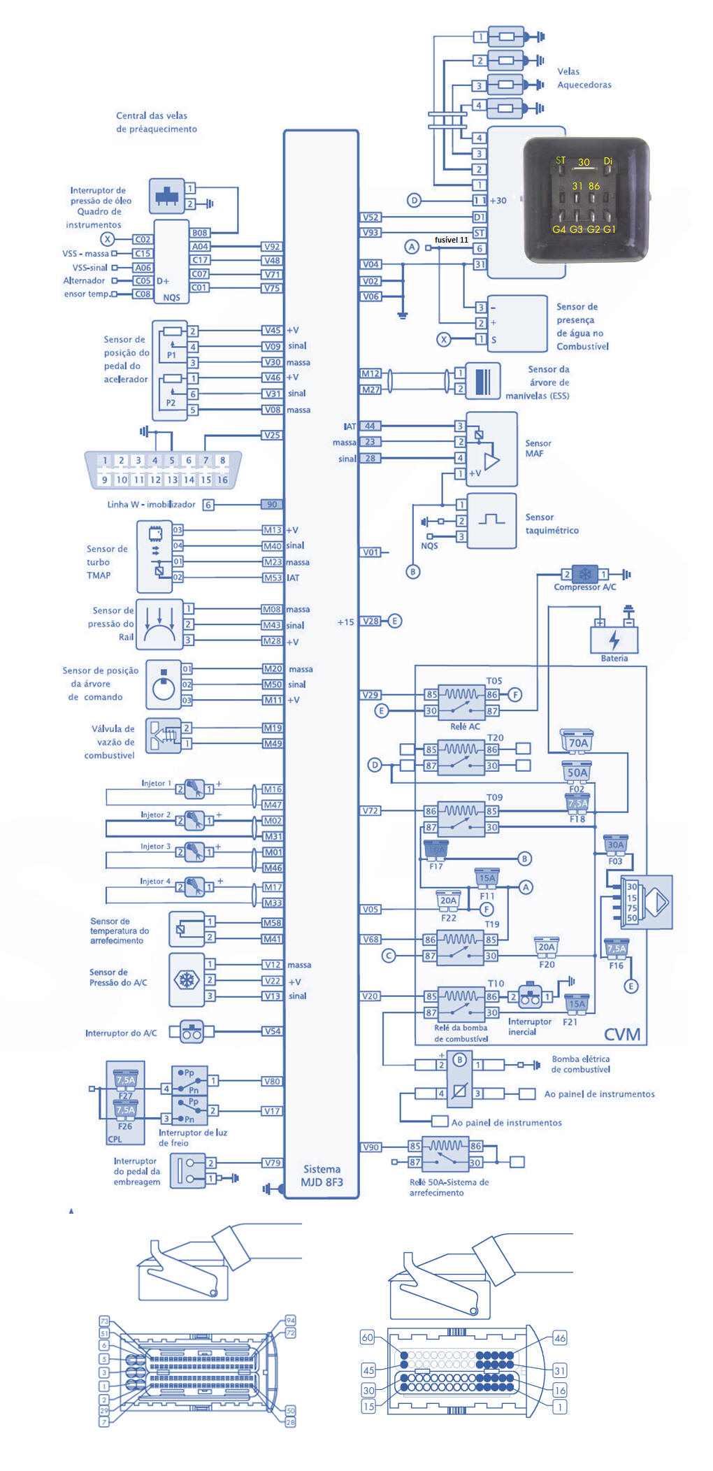
ESQUEMA EL�TRICO - INJE��O ELETR�NICA -
PINAGEM DA UNIDADE DE COMANDO
ESQUEMA EL�TRICO - INJE��O ELETR�NICA - EURO III
COMPONENTES DO SISTEMA
VALORES DO SISTEMA
REMOVENDO A BOMBA DE ALTA PRESS�O
O CONTROLE DAS VELAS AQUECEDORAS
RECICLAGEM DO FILTRO DE  PART�CULAS
C�DIGOS DE FALHAS
SINCRONISMO DA CORREIA DENTADA
MANUAL DE SERVI�O MOTOR/INJE��O
TORQUE E APERTOS DO CABE�OTE
TORQUES E APERTOS - MOTOR
 

 

 

 

 

 

 

 

 

 

 

 

 

 

 

 

 

 

 

 

 

 

 

 

 

 

 

 

 

 

 

 

 

 

 

 

 

 

 

 

 

 

 

 

 

 

 

 

 

 

 

 

 

 

 

 

 

 

 

 

 

 

 

 

 

 

 

 

 

 

 

 

 

 

 

 

 

 

 

 

 

 

 

 

 

 

 

 

 

 

 

 

 

 

 

 

 

 

 

 

 

 

 

 

 

 

 

 

 

 

 

 

 

 

 

 

 

 

 

 

 

 

 

 

 

 

 

 

 

 

 

 

 

 

 

 

 

 

 

 

 

 

 

 

 

 

 

 

 

 

 

 

 

 

 

 

 

 

 

 

 

 

 

Nova pagina 1