Mecânico Pro

VW (Volkswagen) - Diagramas

Painel de Instrumentos

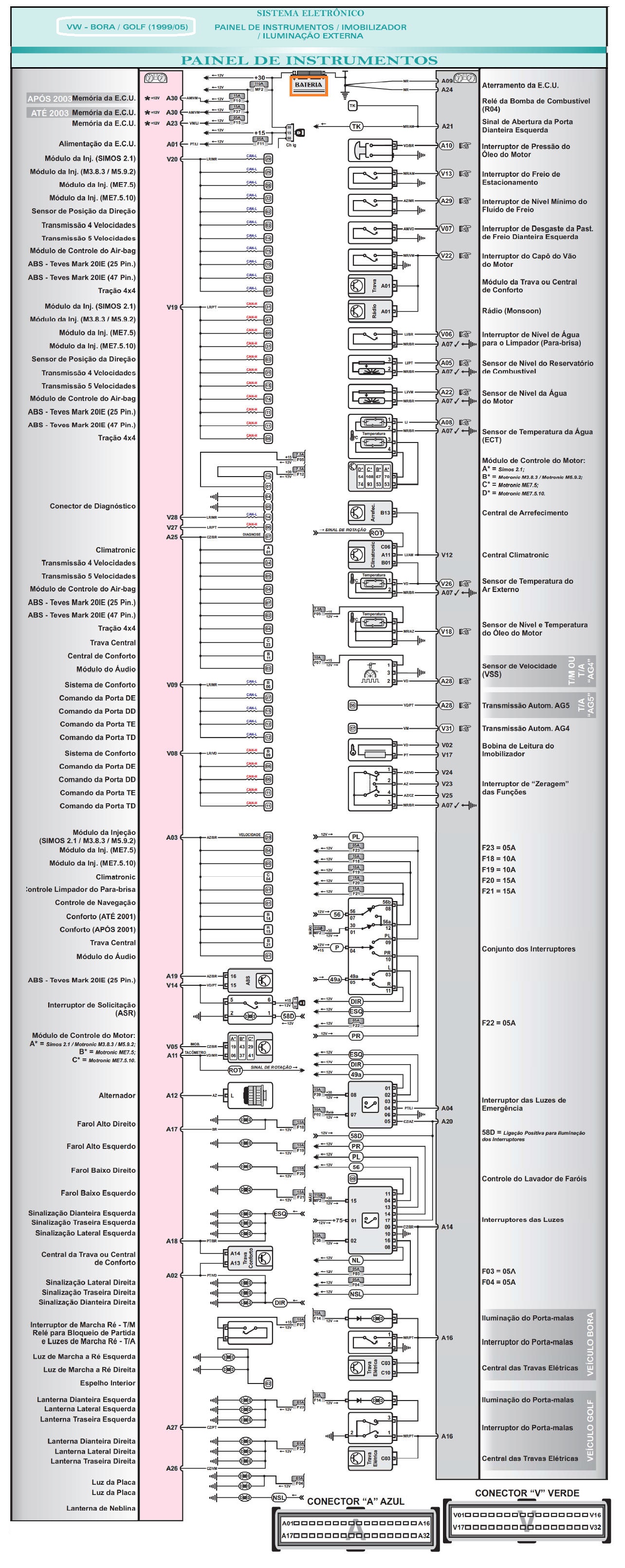
Bora / Golf (99/05)

Diagrama Bora Golf

Fox / Spacefox (09/12) - Parte 1

Diagrama Fox 09

Fox / Spacefox (09/12) - Parte 2

Diagrama Spacefox 12

Fox 1.0 3Cil (14/)

Diagrama Fox 14

Gol G2 / G3

Diagrama Gol G2 G3

Gol / Parati / Saveiro (97/08)

Diagrama Gol Parati Saveiro 97

Gol / Voyage / Saveiro (09/11)

Diagrama Gol Voyage Saveiro 09

Gol / Voyage / Saveiro (12/)

Diagrama Gol Voyage Saveiro 12

Kombi a Ar (97/04)

Diagrama Kombi Ar

Kombi Flex (05/)

Diagrama Kombi Flex

Passat / Variant (96/05)

Diagrama Passat Variant

Polo 1.6 (07/)

Diagrama Polo 07

Polo 1.0 TSI (21/)

Diagrama Polo TSI 21

T-Cross 1.0T (20/)

Diagrama TCross 20

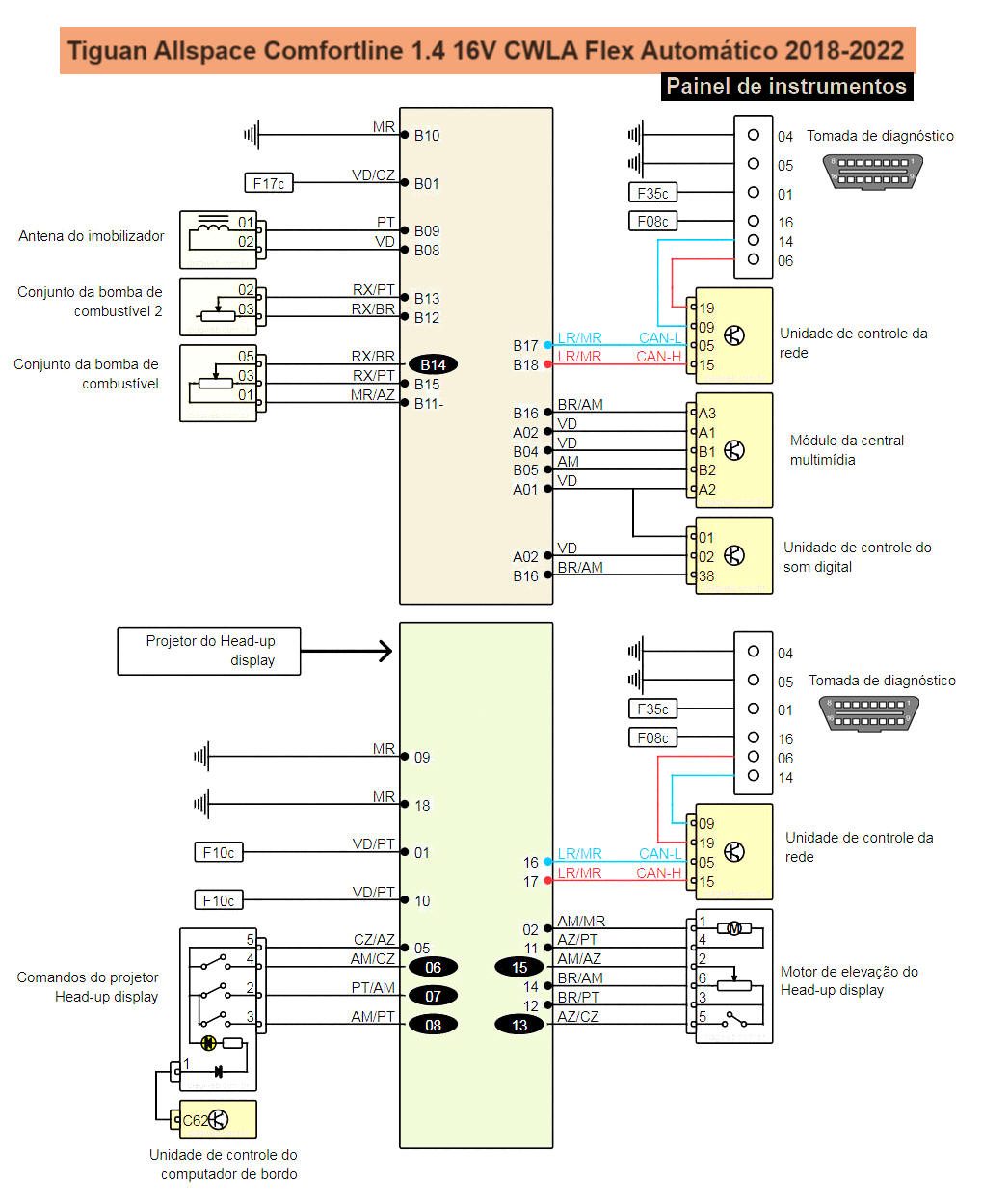
Tiguan 1.4 (18/22)

Diagrama Tiguan 18

Up! (14/)

Diagrama UP 14

Up! (16/18)

Diagrama UP 16 Parte 1 Diagrama UP 16 Parte 2

Up! TSI (18/)

Diagrama UP TSI

Voyage 3Cil (18/)

Diagrama Voyage 18