Mecânico Pro
Toyota - Diagramas
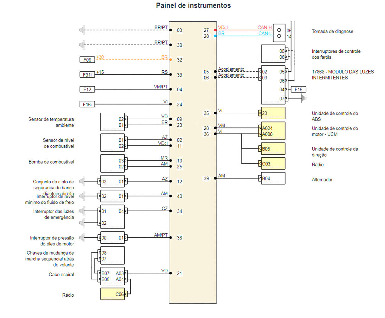
Painel de Instrumentos
Corolla (07/13) - Diagrama Elétrico
Corolla 2.0 Automático (14/15)
141024
Etios (12/) - Diagrama Elétrico
Hilux (05/) - Diagrama Elétrico
Yaris 1.3 / 1.5 (18/21)
221024
Corolla (07/13)
Corolla 2.0 Automático (14/15)
Etios (12/)
Hilux (05/)
Yaris 1.3 / 1.5 (18/21)