Mecânico Pro

Hyundai - Diagramas

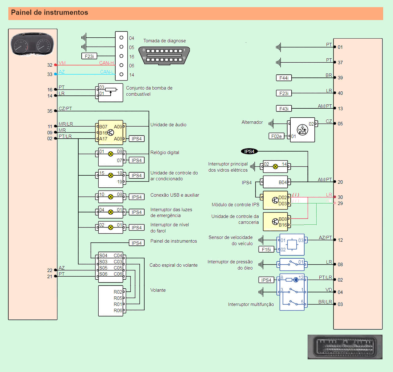
Painel de Instrumentos
2025

Creta 1.6 (18/)

Diagrama Hyundai Creta

HB20 (12/)

Diagrama Hyundai HB20 12/

HB20 (16/)

Diagrama Hyundai HB20 16/

I-30 (09/)

Diagrama Hyundai I30

IX35 (13/)

Diagrama Hyundai IX35

Tucson (05/)

Diagrama Hyundai Tucson 05

Tucson (13/)

Diagrama Hyundai Tucson 13

Santa Fé (11/)

Diagrama Hyundai Santa Fé