Mecânico Pro

Ford - Diagramas Elétricos

Painel de Instrumentos

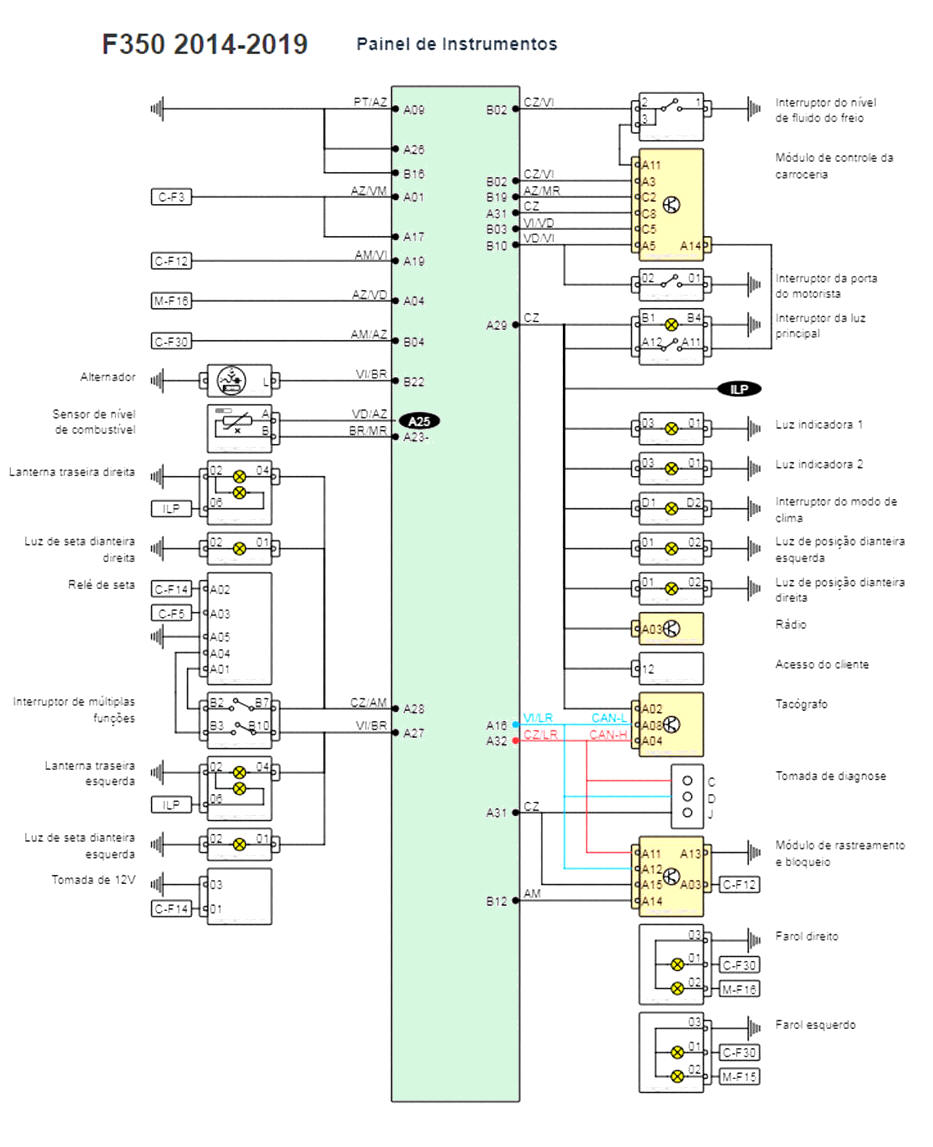
F350 1 (14/19)

Diagrama F350

Clique na imagem para ampliar

Ecosport (04/08)

Diagrama Ecosport 04

Ecosport (08/12)

Diagrama Ecosport 08 Parte 1 Diagrama Ecosport 08 Parte 2

Ecosport (12/)

Diagrama Ecosport 12

Fiesta (11/12)

Diagrama Fiesta 11

Fiesta (13/)

Diagrama Fiesta 13

Focus (09/12)

Diagrama Focus 09

Focus (13/)

Diagrama Focus 13

Fusion 2.3 (06/09)

Diagrama Fusion 06

Fusion (10/12)

Diagrama Fusion 10

Fusion (13/)

Diagrama Fusion 13

KA (08/14)

Diagrama KA 08

KA (15/18)

Diagrama KA 15

KA (19/)

Diagrama KA 19

Ranger (07/)

Diagrama Ranger