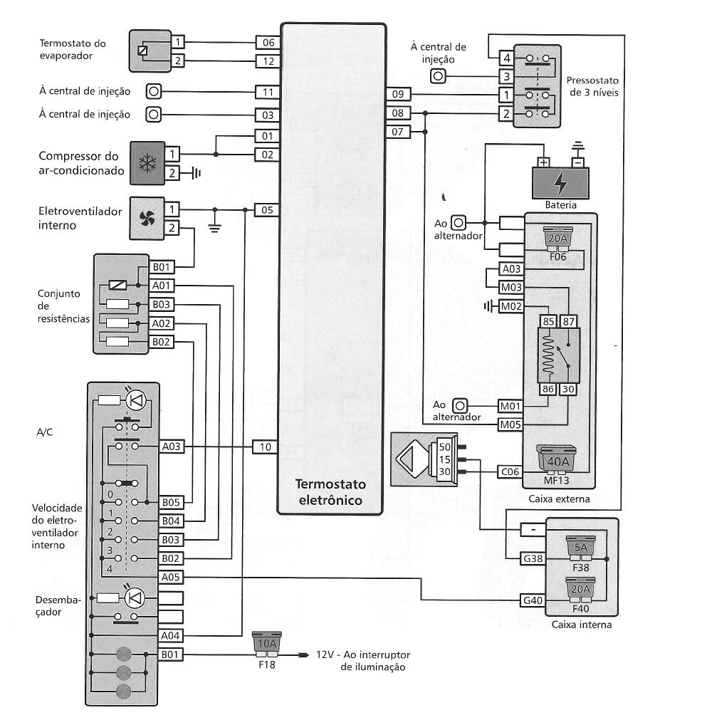
ESQUEMA EL�TRICO