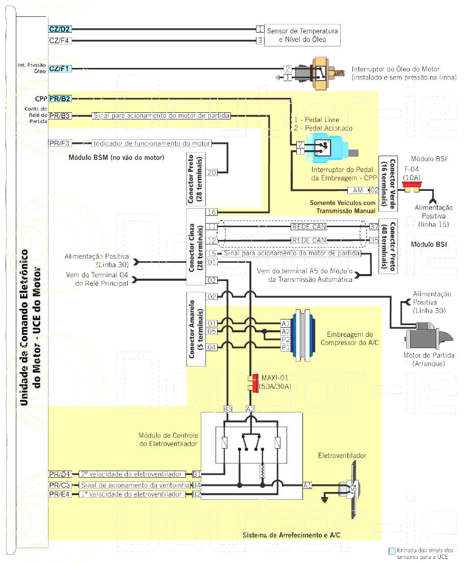
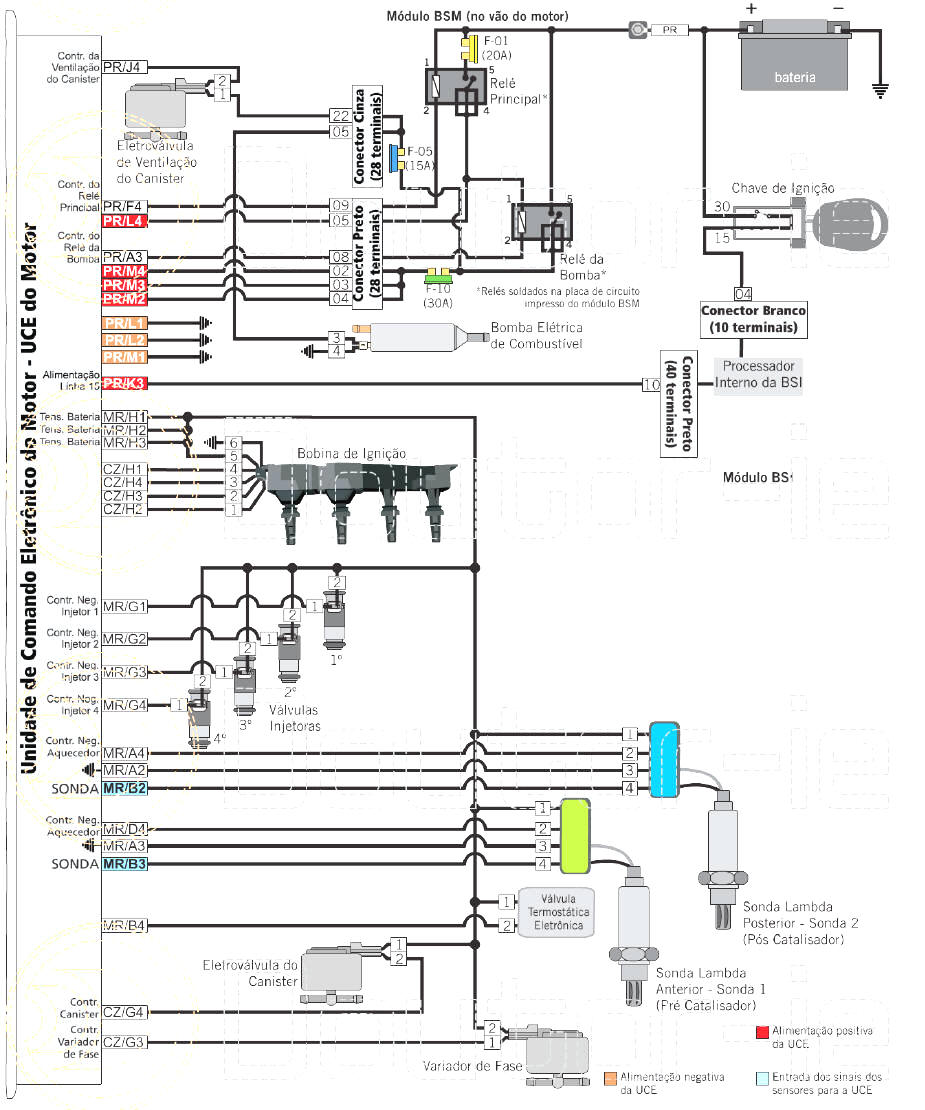
DIAGRAMA EL�TRICO - INJE��O ELETR�NICA
ESQUEMA EL�TRICO
DADOS T�CNICOS DO SISTEMA
FUS�VEIS E RELES
MEC�NICA/MOTOR

 

 

 

 

 

 

 

 

 

 

 

 

 

 

 

 

 

 

 

 

 

 

 

 

 

 

 

 

 

 

 

 

 

 

 

 

 

 

 

 

 

 

 

 

 

 

 

 

 

 

 

 

 

 

 

 

 

 

 

 

 

 

 

 

 

 

 

 

 

 

 

 

 

 

 

 

 

 

 

 

 

 

 

 

 

 

 

 

 

 

 

 

 

 

 

 

 

 

 

Nova pagina 1