Motor em regime de emerg�ncia, luz de diagn�stico acesa

SSangyong Actyon Sports 2.0 Xdi 2010 (A200s)

Sistema Dephi EDC 2.0


MECANICO PRO

 

Defeito: Motor em regime de emerg�ncia, luz de diagn�stico acesa.

Mem�ria de erro:

  • P0102 � medidor de massa de ar � sinal muito pequeno
  • P0103 � medidor de massa de ar � sinal muito grande
  • P1520 � v�lvula EGR curto circuito ao positivo

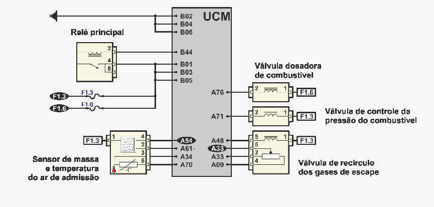
Procedimentos: Verifica��o de valores reais com scanner, massa de ar constante e aus�ncia de sinal PWM controle da v�lvula EGR.

  • Medida a tens�o de alimenta��o e o sinal do sensor de massa de ar e v�lvula EGR.
  • Detectada a falta de alimenta��o de 12 V no medidor de massa de ar e no solenoide da EGR.

 Nota: V�lvula EGR havia sido descarbonizada recentemente.

Conforme o esquema el�trico, a alimenta��o � proveniente de fus�vel na sa�da do rel� principal:

Solu��o:

  1. Localizado o fus�vel, o mesmo estava queimado.
  2. Substitu�do ap�s verificar que o chicote e a resist�ncia da v�lvula EGR estavam em ordem.
  3. Apagada a mem�ria de erros e efetuado o teste de rodagem.

 

Caixa de fus�veis EDC lateral direita do painel