<< Volta 

 

DIAGRAMA EL�TRICO - INJE��O ELETR�NICA
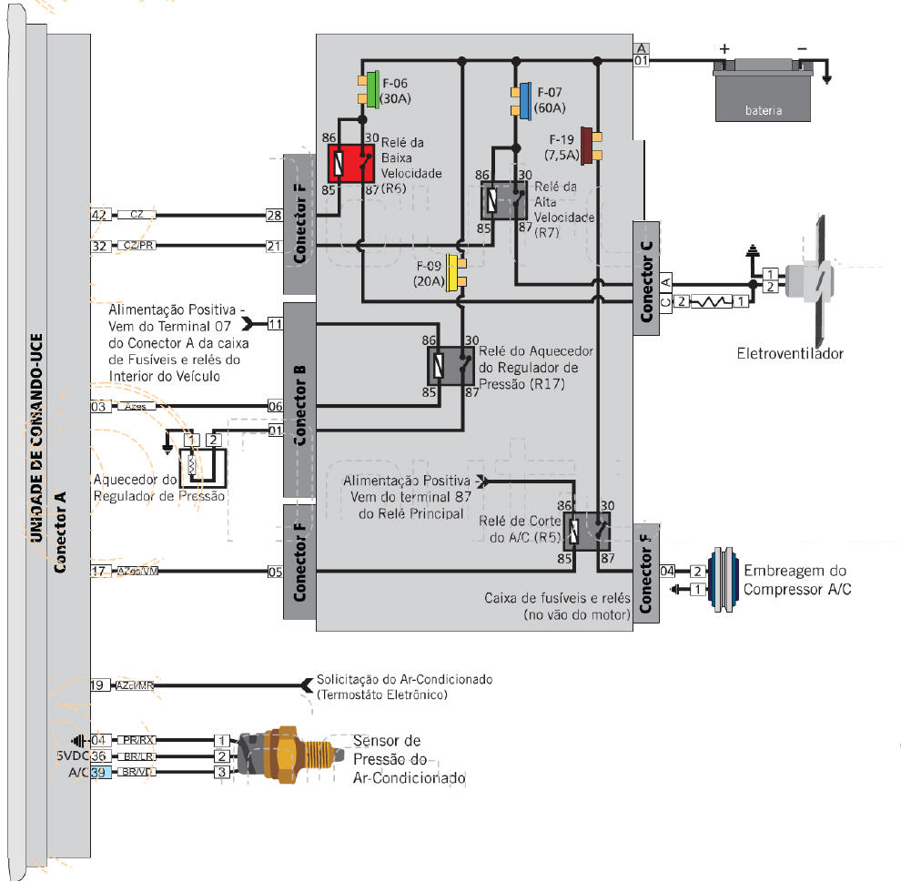
ESQUEMA EL�TRICO - INJE��O ELETR�NICA
G�S - DICAS DE MANUTEN��O
MANUAL DE SERVI�O I
MANUAL DE SERVI�O II

 

 

 

 

 

 

 

 

 

 

 

 

 

 

 

 

 

 

 

 

 

 

 

 

 

 

 

 

 

 

 

 

 

 

 

 

 

 

 

 

 

 

 

 

 

 

 

 

 

 

 

 

 

 

Nova pagina 1