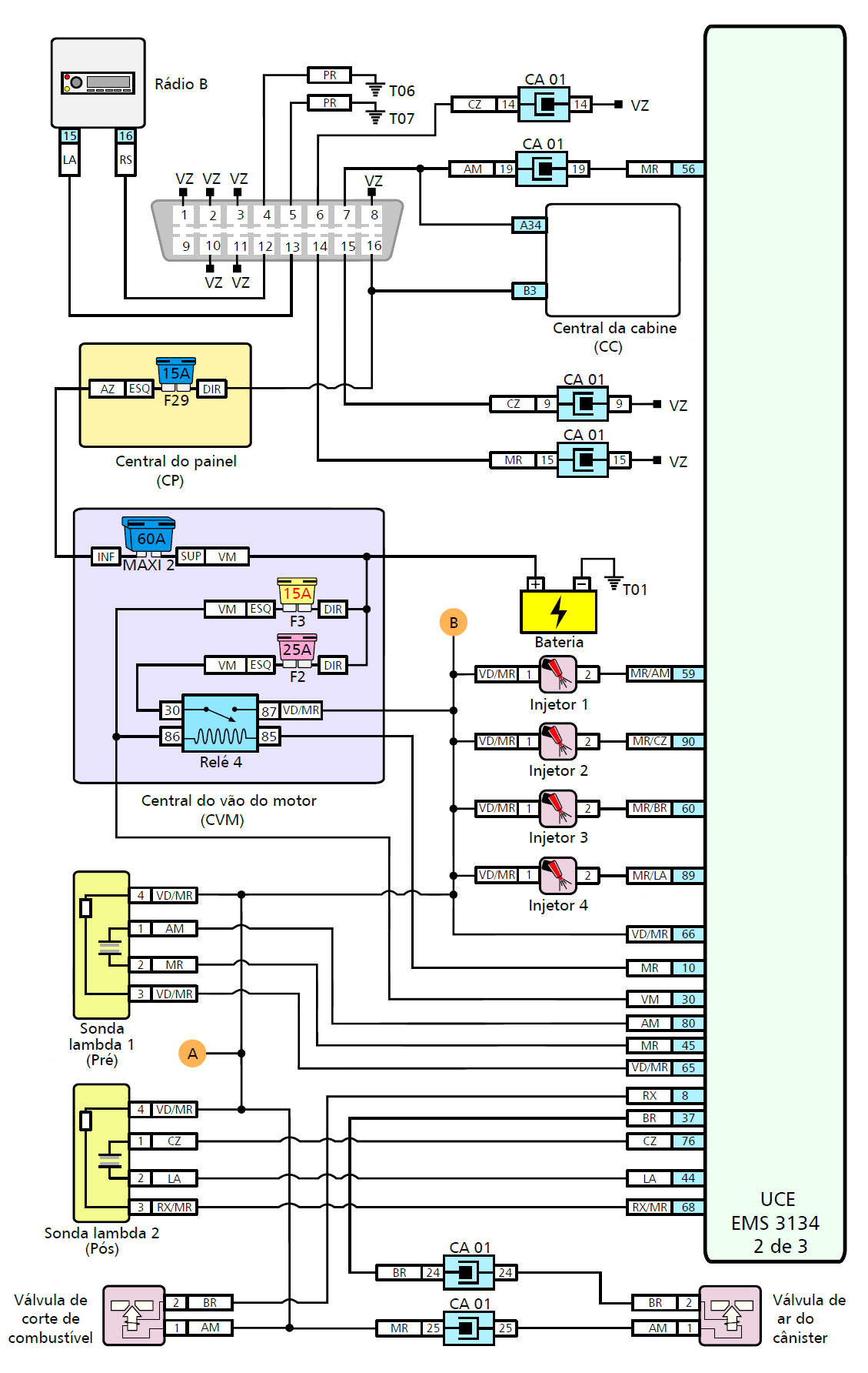
DIAGRAMA EL�TRICO - INJE��O ELETR�NICA
ESQUEMA EL�TRICO - INJE��O ELETR�NICA
TESTANDO OS INJETORES
TESTANDO A BOBINA DE IGNI��O
RELES E FUS�VEIS
SINCRONISMO DA CORREIA DENTADA
TORQUES DE APERTOS DO CABE�OTE

 

 

 

 

 

 

 

 

 

 

 

 

 

 

Nova pagina 1