Index of /MecanicoPRO/pdf-padrao/TeamViewer/outlook/Unistall-dll/CARDIAG 2018/JARBAS2018/JARBAS2017/0 000OOO0O/sistemas flex/peujeot/207

[ICO]NameLast modifiedSizeDescription

[PARENTDIR]Parent Directory   -  
[DIR]207 14 1 sonda/ 2026-03-04 02:31 -  
[DIR]207 14 2 sonda/ 2026-03-04 16:30 -  
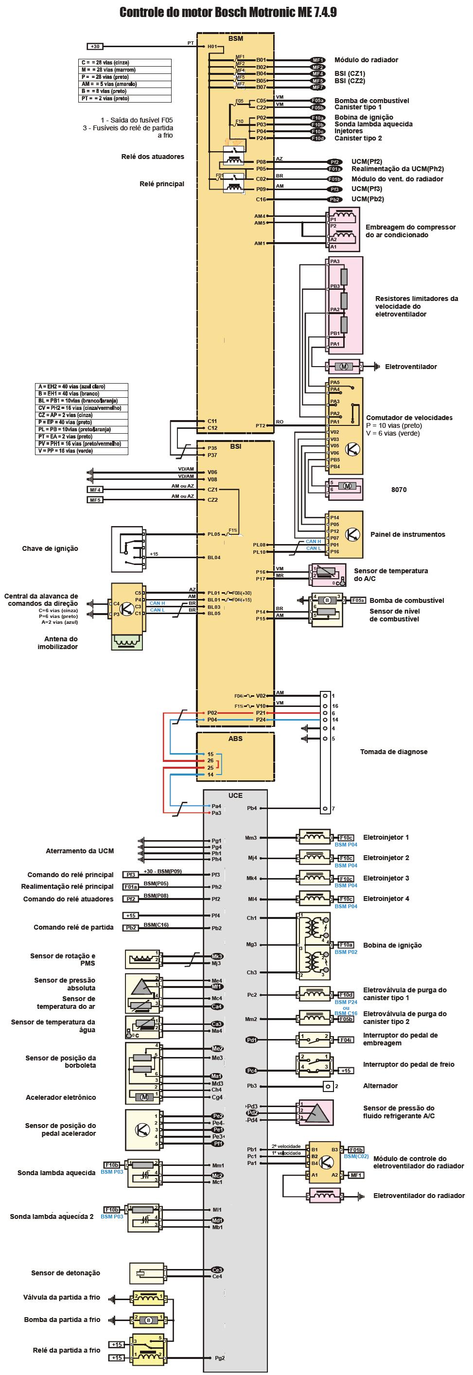
[IMG]749 1 sonda.JPG 2018-03-11 19:36 235K 
[IMG]749 2 sondas.JPG 2015-02-26 17:56 329K 
[   ]Thumbs.db 2017-11-08 18:26 35K 
[IMG]codigo1.jpg 2014-04-06 04:56 232K 
[IMG]codigo2.jpg 2014-04-06 04:56 265K 
[IMG]codigo3.jpg 2014-04-06 04:57 144K 
[TXT]codigos de falhas.htm 2026-03-04 16:30 434  
[IMG]fusive1.jpg 2017-07-29 20:02 78K 
[IMG]fusive2.jpg 2017-07-29 19:43 78K 
[IMG]fusive3.jpg 2017-07-29 19:46 102K 
[IMG]fusive4.jpg 2017-07-29 19:50 115K 
[TXT]fusiveis.htm 2026-03-04 16:30 462  
[IMG]manute5.jpg 2017-11-08 18:24 70K 
[TXT]manutenção.htm mot..>2026-03-04 16:30 602  

Apache/2.4.58 (Win64) OpenSSL/3.1.3 PHP/8.2.12 Server at mecanicopro2.autotechsolucoes.shop Port 80