testando o sensor de rota��o
testando o sensor de fase
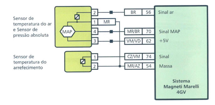
testando o sensor de temperatura do l�quido de arrefecimento
testando o sensor da temperatura do ar
testando o sensor de press�o do coletor
testando o sensor de detona��o
testando a sonda lambda 1
testando a sonda lambda 2
testando o sensor de velocidade
testando o corpo de borboleta
testando o pedal do acelerador