Index of /MecanicoPRO/pdf-padrao/TeamViewer/outlook/Unistall-dll/CARDIAG 2018/JARBAS2018/JARBAS2017/0 000OOO0O/sistemas flex/Hyundai

[ICO]NameLast modifiedSizeDescription

[PARENTDIR]Parent Directory   -  
[DIR]HB20 1.6 16V/ 2026-03-04 16:30 -  
[DIR]HB20 10 16/ 2026-03-04 02:40 -  
[DIR]HB20 10 22/ 2026-03-04 02:25 -  
[DIR]HB20 16 20/ 2026-03-04 02:31 -  
[TXT]INDICE.htm 2026-03-04 16:30 14K 
[DIR]INDICE_arquivos/ 2026-03-04 02:32 -  
[   ]Thumbs.db 2016-09-13 00:55 39K 
[DIR]codigo de falhas/ 2026-03-04 16:30 -  
[DIR]creta 2.0 17/ 2026-03-04 02:38 -  
[DIR]creta 16 16/ 2026-03-04 16:30 -  
[DIR]creta 20/ 2026-03-04 16:30 -  
[DIR]elantra 20 13/ 2026-03-04 02:40 -  
[DIR]elantra 20 16/ 2026-03-04 02:38 -  
[DIR]hb 20 1.0 2014/ 2026-03-04 16:30 -  
[DIR]hb 20 10 16 turbo/ 2026-03-04 02:38 -  
[DIR]hb 20 16 16/ 2026-03-04 02:31 -  
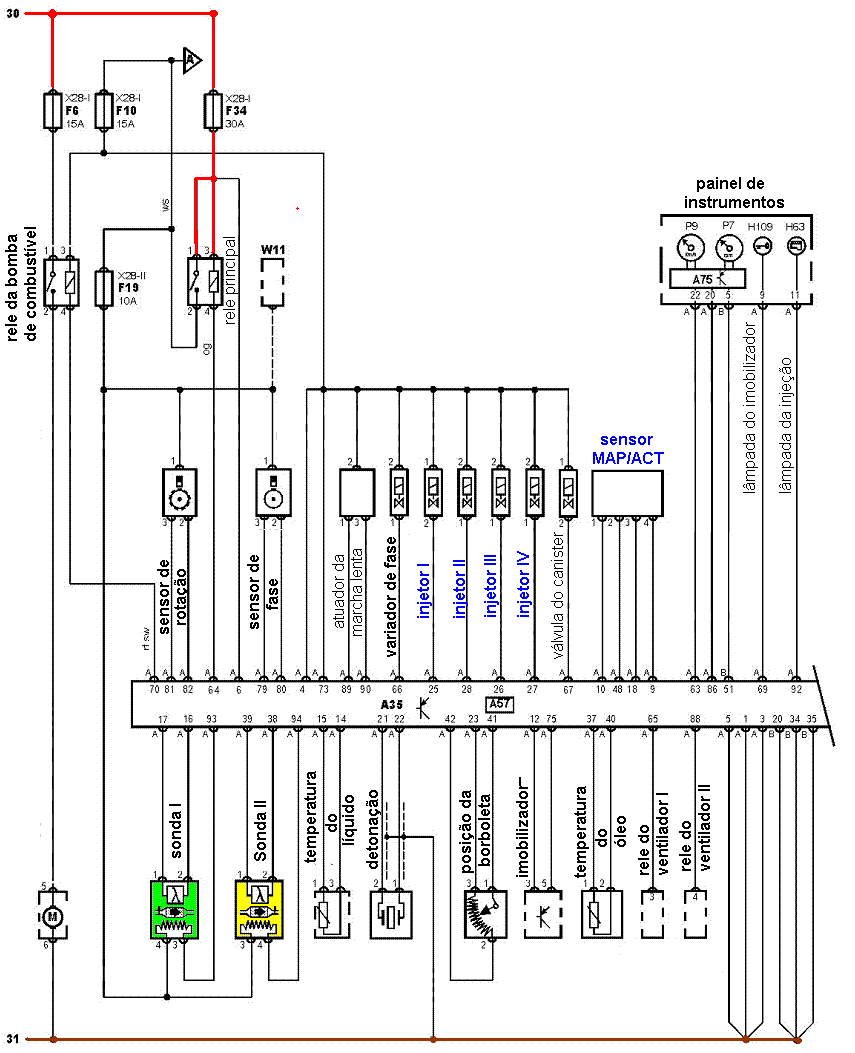
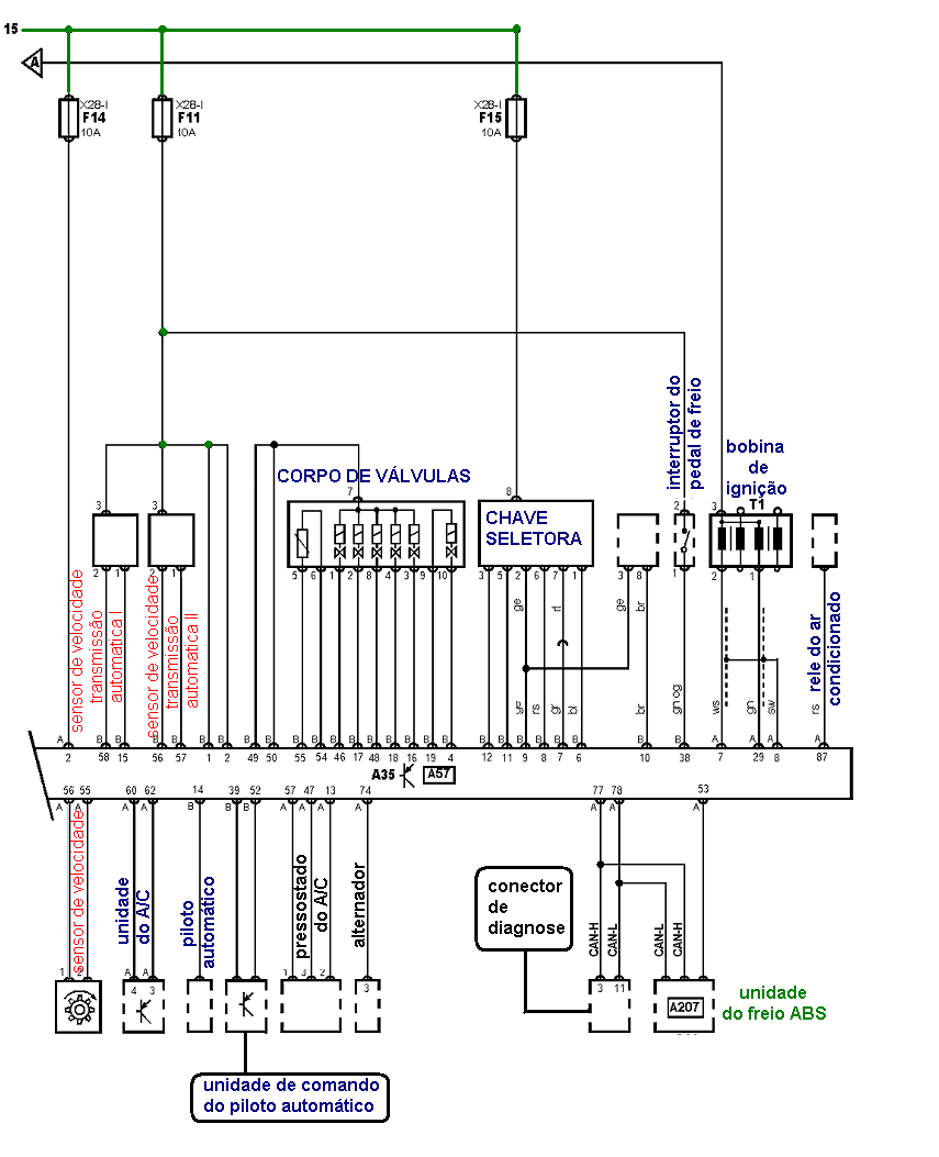
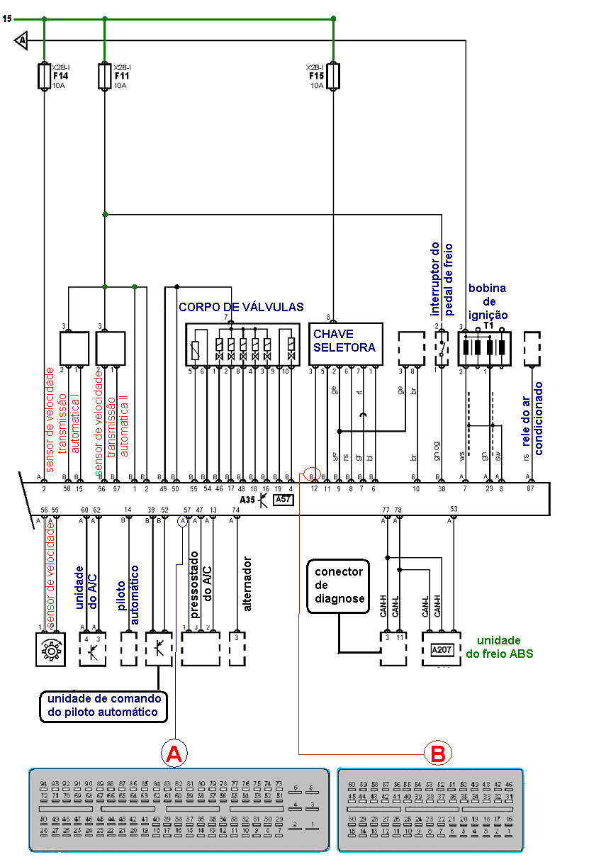
[IMG]i 30 esquema.GIF 2013-05-22 07:40 56K 
[IMG]i 30 esquema II.GIF 2013-05-22 08:18 54K 
[IMG]i30 fr1.gif 2013-05-22 07:41 56K 
[IMG]i30 fr2.gif 2013-05-22 08:10 42K 
[IMG]i30 fr3.gif 2013-05-22 08:18 54K 
[IMG]i30 fr4.gif 2013-05-29 05:59 61K 
[IMG]i30 fr5.gif 2013-05-29 06:02 56K 
[IMG]i30 fr6.gif 2013-05-29 06:03 92K 
[TXT]i30 front page.htm 2026-03-04 16:30 1.8K 
[DIR]ix35/ 2026-03-04 02:39 -  
[DIR]tucson 2.0 flex/ 2026-03-04 16:30 -  
[DIR]y30 20 14/ 2026-03-04 02:40 -  

Apache/2.4.58 (Win64) OpenSSL/3.1.3 PHP/8.2.12 Server at mecanicopro2.autotechsolucoes.shop Port 80