JARBASCAMPOS2020

 

 

DIAGRAMA EL�TRICO  - INJE��O ELETR�NICA I
DIAGRAMA EL�TRICO  - INJE��O ELETR�NICA II
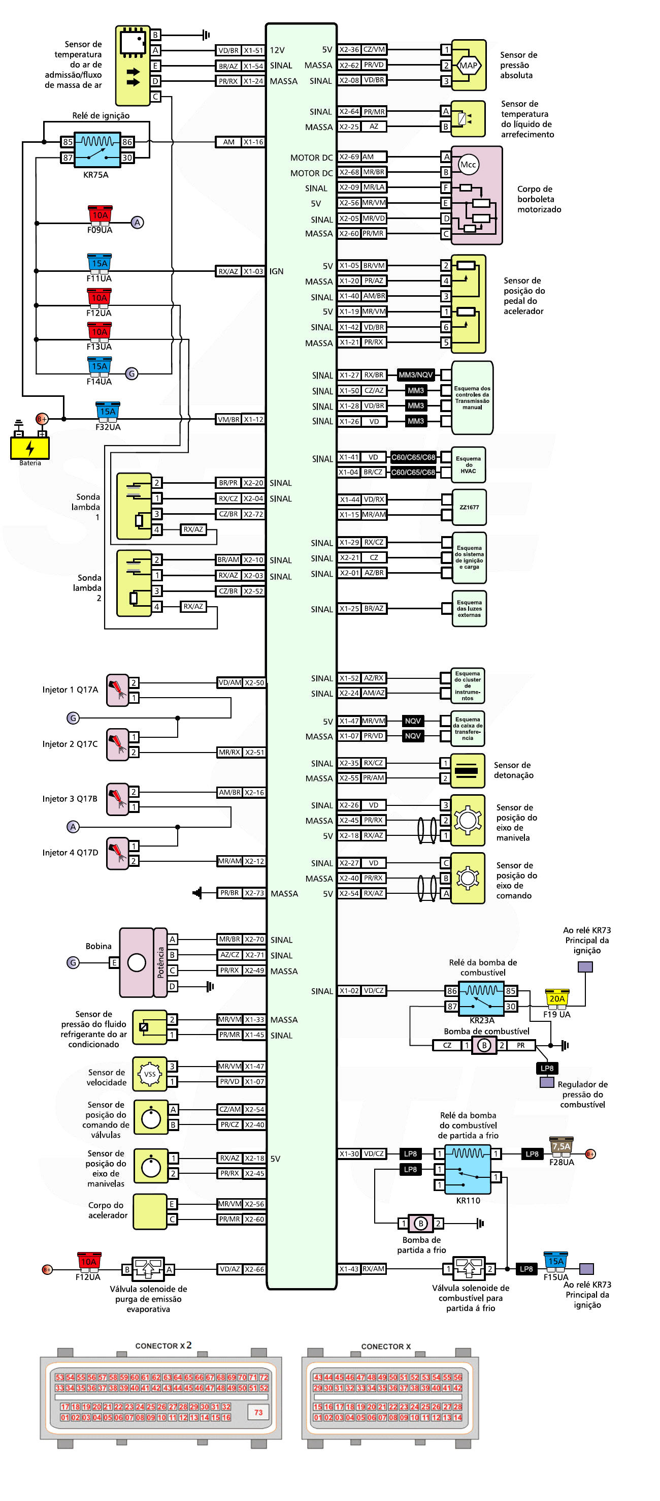
ESQUEMA EL�TRICO - INJE��O ELETR�NICA
FUS�VEIS E RELES
DADOS T�CNICOS
SINCRONISMO DA CORREIA DENTADA