Nova pagina 1 Nova pagina 1

DIAGRAMA EL�TRICO - INJE��O ELETR�NICA      20225
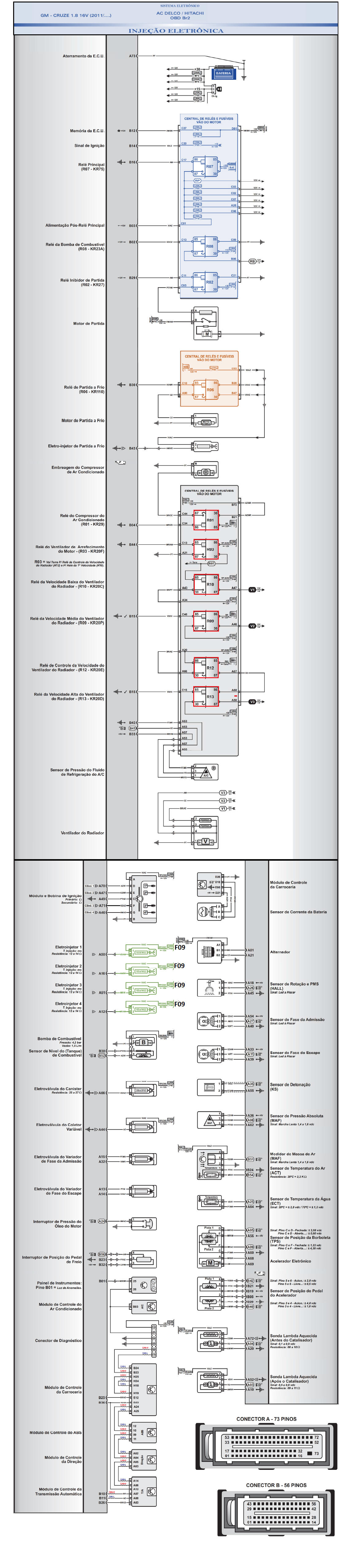
DIAGRAMA EL�TRICO - INJE��O ELETR�NICA
ESQUEMA EL�TRICO - INJE��O ELETR�NICA I
ESQUEMA EL�TRICO - INJE��O ELETR�NICA II
DIAGRAMA EL�TRICO - CONTROLE DA CARROCERIA E CONFORTO
ESQUEMA EL�TRICO BCN
DIAGN�STICOS DOS SENSORES E SINAIS DE ENTRADA
DADOS T�CNICOS DO SISTEMA
FUS�VEIS E RELES
FUS�VEIS  -BASE EXTERNA
RELES - BASE EXTERNA
FUS�VEIS - BASE INTERNA
RELES DOS ACESS�RIOS -LOCALIZA��O
DICAS DE MANUTEN��O
MEC�NICA / MOTOR - Sincronismo (correia dentada)
MEC�NICA/MOTOR - TORQUES E APERTOS

 

 

 

 

 

 

 

 

 

 

 

 

 

 

 

 
 

 

 

DADOS T�CNICOS