sensor de rota��o
sensor de fase
sensor MAP
sensor da temperatura do ar
sensor da temperatura do l�quido
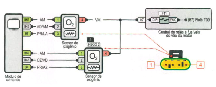
sondas lambda
pedal do acelerador
corpo de borboleta
sensor de velocidade
interruptor da luz de freio
interruptor da embreagem cambio comum
interruptor inercial - cambio dualogic

 

 

ca