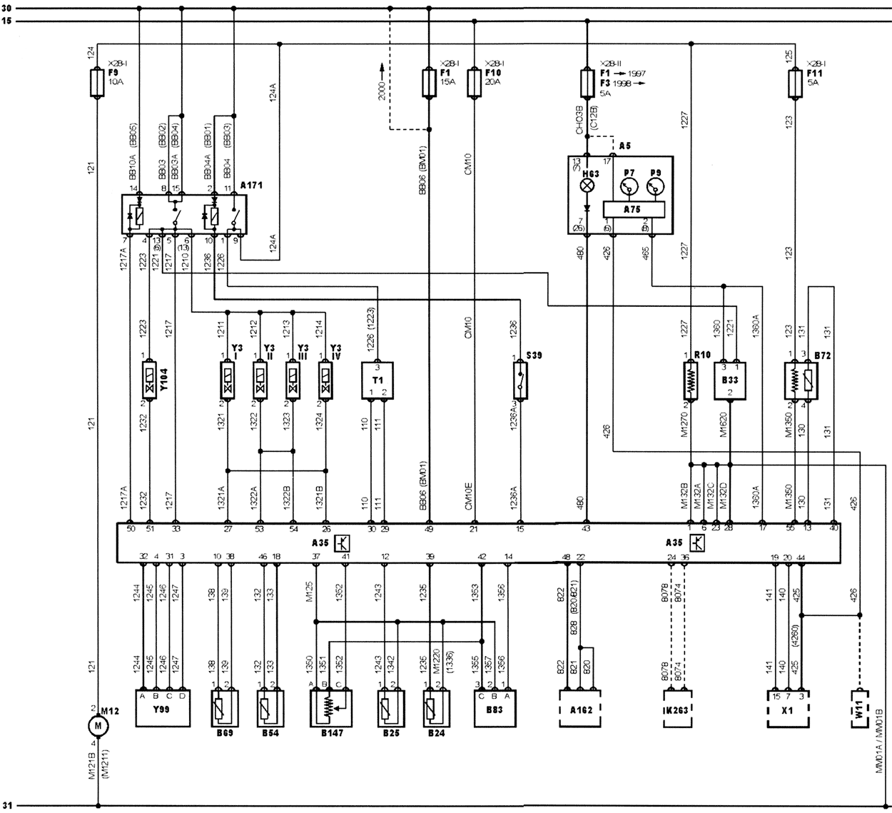
BOSCH MP7.2

 

 

 

 

 

 

 

 

 

30 Battery +

31 Battery -

В54 Crankshaft position (CKP) sensor Х1 Data link connector (DLC)

А35 Engine control module (ECM)

В24 Engine coolant temperature (ЕСТ) sensor

H63 Engine malfunction indicator lamp (MIL)

Y104 Evaporative emission (EVAP) canister purge valve

М12 Fuel pump

F Fuse

В72 Heated oxygen sensor (HO2S)

Y99 Idle air control (IAC) valve

Т1 Ignition coil

15 Ignition switch - ignition ON

А162 Immobilizer control module

S39 Inertia fuel shut-off (IFS) switch

Y3 Injector

А5 Instrument panel

A75 Instrumentation control module

B25 Intake air temperature (IAT) sensor

В69 Knock sensor (KS)

B83 Manifold absolute pressure (MAP) sensor

A171 Relay module

P7  Tachometer

R10 Throttle body heater

В147 Throttle position (TP) sensor

B33 Vehicle speed sensor (VSS)

P9  Vehicle speedometer