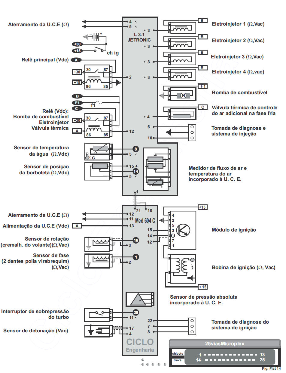
ESQUEMA EL�TRICO - INJE��O ELETR�NICA
VALORES DO SISTEMA

 

 

 

 

 

 

 

 

 

 

 

 

 

 

 
 
Nova pagina 1