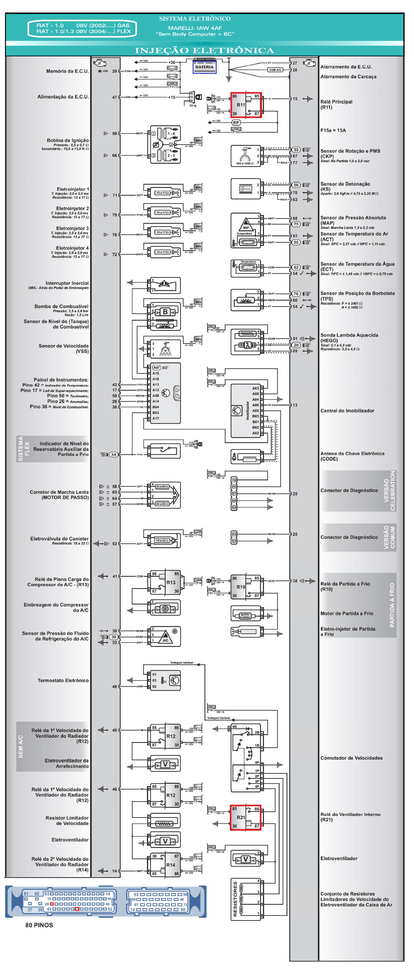
DIAGRAMA EL�TRICO - INJE��O ELETR�NICA
RELES E FUS�VEIS
DADOS T�CNICOS DO SISTEMA

 

 

 

 

 

 

 

 

 

 

 

 

Nova pagina 1