Capitulo 138
Aplicativo Citroen
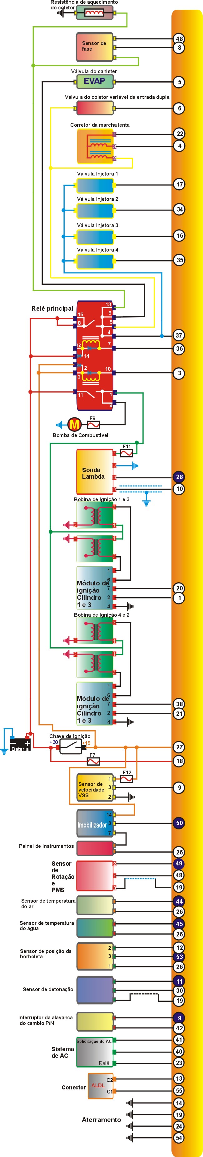
Bosch Motronic MP3.2
Citroen XANTIA 2.0 16Vcom Motor XU10J4

1) - Como testar o Sensor de Temperatura da Água?

Testando |
1)-Com um MULTITESTE DIGITAL no modo Ohmímetro checar a resistência nos terminais 45 e 26 da UC que deve ser comparada com a tabela abaixo. |
TABELA
Temperatura |
Resistência |
10°C |
3540 a 4090 W |
20°C |
2360 a 2660 W |
30°C |
1585 a 1790 W |
40°C |
1095 a 1220 W |
50°C |
765 a 850 W |
60°C |
545 a 610 W |
80°C |
296 a 318 W |
90°C |
220 a 240 W |
100°C |
170 a 185 W |
2) - Como testar o Sensor de Temperatura do Ar?

Testando |
1)-Com um MULTITESTE DIGITAL no modo ohmímetro checar a resistência nos terminais 44 e 26 da UC que deve ser comparada com a tabela abaixo. |
TABELA
Temperatura |
Resistência |
10°C |
3540 a 4090 W |
20°C |
2360 a 2660 W |
30°C |
1585 a 1790 W |
40°C |
1095 a 1220 W |
50°C |
765 a 850 W |
60°C |
545 a 610 W |
80°C |
296 a 318 W |
90°C |
220 a 240 W |
100°C |
170 a 185 W |
3)-Como testar a pressão da Bomba de Combustível?
Testando |
1)-Com um MANÔMETRO instalado na linha de Abastecimento checar a pressão com o vácuo conectado que deve ser de 2,4 a 2,7 bar |
2)-Com um MANÔMETRO instalado na linha de Abastecimento checar a pressão sem vácuo que deve ser de 2,7 a 3,2 bar |
4)-Como testar a Vazão da Bomba de combustível?
Testando |
1)-Com uma VASILHA DE MEDIDAS insira na ponta da mangueira de retorno medir a vazão que deve ser de 1,40 a 2,35l/min. |
5)-Como Testar o Sensor de Rotação e PMS?

Testando |
1)-Com um MULTITESTE DIGITAL no modo ohmímetro checar a resistência nos terminais 11 e 30 da UC que deve ser de 310 a 390 W. |
6)-Como Testar o Sensor da Posição da Borboleta?

Testando |
1)-Com um MULTITESTE DIGITAL no modo Voltímetro checar a voltagem nos terminais e comparar com a tabela abaixo. |
Tabela
Terminais |
Posição |
Voltagem |
26 e 53 |
Fechada |
0,V |
26 e 53 |
Aberta |
4,4V |
7)-Como testar o Atuador de Marcha Lenta?

Testando |
1)-Com um MULTITESTE DIGITAL no modo ohmímetro checar a resistência nos terminais e conferir com a tabela abaixo. |
Tabela
Pinos |
Resistência |
04 e 37 |
19 a 21W. |
22 e 37 |
19 a 21W. |
04 e 22 |
37 a 43W. |
8)-Como Testar a Sonda Lambda?

Testando |
1)-Com um MULTITESTE DIGITAL no modo ohmímetro checar a resistência de aquecimento da Sonda que deve ser de 3,2 a 4,9 W. |
2)-Com um MULTITESTE DIGITAL no modo voltímetro checar a Voltagem nos terminais 28 e 10 que deverá flutuar entre 0,1 a 1,0V |
9)-Como Testar a Válvula Injetora?

Testando |
1)-Com um MULTITESTE DIGITAL no modo ohmímetro checar a resistência da Válvula Injetora nos pinos 17, 34, 16, 35 e alimentação pino 37 que deve ser de 15 a 17 ?. |
10)-Como Testar a Válvula de Canister?

Testando |
1)-Com um MULTITESTE DIGITAL no modo ohmímetro checar a resistência nos terminais 05 e 18 que deve ser de 41 a 59W. |
11)-Como testar a Bobina de Ignição?

Testando |
1)-Com um MULTITESTE DIGITAL no modo ohmímetro checar a resistência dos dois primários nos terminais 01 e 06 do módulo de ignição que deve ser de 0,3 a 0,7W. |
2)-Com um MULTITESTE DIGITAL no modo ohmímetro checar a resistência dos secundários ( 0,9 MW a 1,1 MW) |
12)-Como testar a Alimentação da UC?

Testando |
1)-Com um MULTITESTE DIGITAL no modo voltímetro checar a Voltagem nos pinos 18 e 27 que dever positiva 12,5V. |
2)-Com um MULTITESTE DIGITAL no modo voltímetro checar a Voltagem nos pinos 14/19/24/54 que deve ser Negativa. |
3)-Com um MULTITESTE DIGITAL no modo Resistência checar a Resistência nos pinos 14/19/24/54 e terra que deve ser 1,0W. |
13)-Como testar o Sensor de Detonação?

Testando |
1)-Com uma chave de um torque de aperto no sensor de 1,5 a 2,5 Nm |