Capitulo 131
Aplicativo Citroen
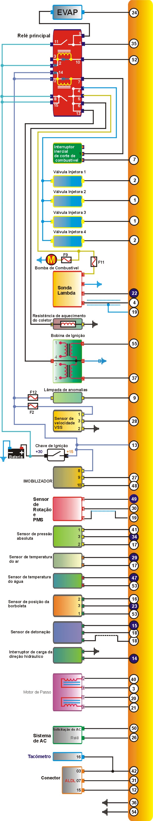
SAGEM SL96
Citroen Xsara GLX 1.8 16V com Motor XU7JP4/L3
Citroen Xsara Exclusive 1.8 16V com Motor XU7JP4/L3
Citroen Xsara VTS 1.8 16V com Motor XU7JP4/L3

1) - Como testar o Sensor de Temperatura da Água?

Testando |
| 1)-Com um MULTITESTE DIGITAL no modo ohmímetro checar a resistência nos terminais 47 e 53 da UC que deve ser comparada com a tabela abaixo. |
TABELA
| Temperatura | Resistência |
10°C |
3540 a 4090 W |
| 20°C | 2360 a 2660 W |
| 30°C | 1585 a 1790 W |
| 40°C | 1095 a 1220 W |
| 50°C | 765 a 850 W |
| 60°C | 545 a 610 W |
| 80°C | 296 a 318 W |
| 90°C | 220 a 240 W |
| 100°C | 170 a 185 W |
2) - Como testar o Sensor de Temperatura do Ar?

Testando |
| 1)-Com um MULTITESTE DIGITAL no modo ohmímetro checar a resistência nos terminais 29 e 17 da UC que deve ser comparada com a tabela abaixo. |
TABELA
| Temperatura | Resistência |
10°C |
3540 a 4090 W |
| 20°C | 2360 a 2660 W |
| 30°C | 1585 a 1790 W |
| 40°C | 1095 a 1220 W |
| 50°C | 765 a 850 W |
| 60°C | 545 a 610 W |
| 80°C | 296 a 318 W |
| 90°C | 220 a 240 W |
| 100°C | 170 a 185 W |
3)-Como testar a pressão da Bomba de combustível?
Testando |
| 1)-Com um MANÔMETRO instalado na linha de Abastecimento checar a pressão com o vácuo conectado que deve ser de 2,4 a 2,7 bar |
| 2)-Com um MANÔMETRO instalado na linha de Abastecimento checar a pressão com o sem vácuo que deve ser de 2,7 a 3,2 bar |
4)-Como testar a Vazão da Bomba de combustível?
Testando |
| 1)-Com uma vasilha DE MEDIDAS insira na ponta da mangueira de retorno medir a vazão que deve ser de 1,40 a 2,35l/min. |
5)-Como Testar o Sensor de Rotação e PMS?

Testando |
| 1)-Com um MULTITESTE DIGITAL no modo ohmímetro checar a resistência nos terminais 49 e 30 da UC que deve ser de 310 a 490 W. |
6)-Como Testar o Sensor da Posição da Borboleta?

Testando |
| 1)-Com um MULTITESTE DIGITAL no modo voltímetro checar a voltagem nos terminais e comparar com a tabela abaixo. |
Tabela
Terminais |
Posição |
Voltagem |
23 e 53 |
Fechada |
0,7V |
| 23 e 53 | Aberta | 4,9V |
7)-Como testar o Atuador de Marcha Lenta?

Testando |
| 1)-Com um MULTITESTE DIGITAL no modo ohmímetro checar a resistência nos terminais e conferir com a tabela abaixo. |
Tabela
Pinos |
Resistência |
40 e 03 |
51 a 60W. |
20 e 21 |
51 a 60W. |
8)-Como Testar a Sonda Lambda?

Testando |
| 1)-Com um MULTITESTE DIGITAL no modo ohmímetro checar a resistência de aquecimento da Sonda que deve ser de 19 a 21 W. |
| 2)-Com um MULTITESTE DIGITAL no modo voltímetro checar a Voltagem nos terminais 22 e 04 que deverá flutuar entre 0,1 a 1,0V |
9)-Como Testar a Válvula Injetora?

Testando |
| 1)-Com um MULTITESTE DIGITAL no modo ohmímetro checar a resistência da Válvula Injetora nos pinos 01 e 02 que deve ser de 13,1 a 16,1 W. |
10)-Como Testar a Válvula de Canister?

Testando |
| 1)-Com um MULTITESTE DIGITAL no modo ohmímetro checar a resistência nos terminais 24 e 35 que deve ser de 26 a 49W. |
11)-Como testar a Bobina de Ignição?

Testando |
| 1)-Com um MULTITESTE DIGITAL no modo ohmímetro checar a resistência dos dois primários nos terminais 55 e 37 que deve ser de 1,1 a 1,5W. |
| 2)-Com um MULTITESTE DIGITAL no modo ohmímetro checar a resistência dos secundários nas saídas 1 e 4 ou 2 e 3 (de 9600 a 13900 W) |
12)-Como Testar o Sensor de Velocidade?

Testando |
| 1)-Com um MULTITESTE DIGITAL no modo Freqüência (Hz) checar a freqüência que deverá aumentar de modo continuo conforme aumenta a velocidade da transmissão nos pinos 28 e terra. |
13)-Como testar a Alimentação da UC?

Testando |
| 1)-Com um MULTITESTE DIGITAL no modo voltímetro checar a Voltagem nos pinos 13 que dever positiva 12,5V. |
| 2)-Com um MULTITESTE DIGITAL no modo voltímetro checar a Voltagem nos pinos 36, 54 que deve ser Negativa. |
| 3)-Com um MULTITESTE DIGITAL no modo Resistência checar a Resistência nos pinos 36, 54 e terra que deve ser 1,0W. |
14)-Como testar a Resistência de Aquecimento do Coletor?
Testando |
| 1)-Com um MULTITESTE DIGITAL no modo ohmímetro checar a resistência nos terminais que deve ser de 3 a 5W. |
15)-Como testar o Sensor de Pressão Absoluta MAP?

Testando |
| 1)-Com um MULTITESTE DIGITAL no modo voltímetro checar a Voltagem nos pinos 34 e 17 que acelerando e desacelerando deverá oscilar entre 1,1 a 4,1V. |
16)-Como testar o Sensor de Detonação?

Testando |
| 1)-Com uma chave de um torque de aperto no sensor de 1,5 a 2,5 Nm |