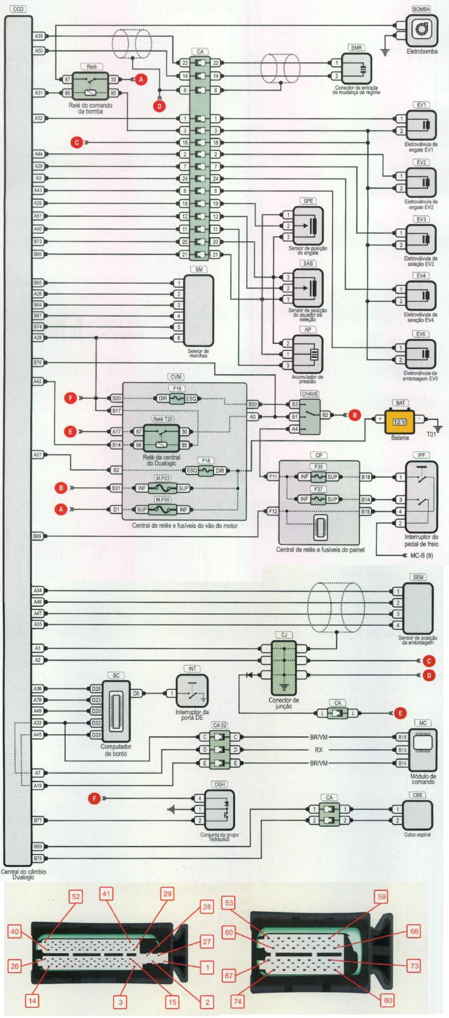
esquema elétrico 1
esquema elétrico 2
localização dos pinos da uc

manual de verificações e reparo I

manual de verificações e reparo II

manual de verificações e reparo III

DICAS