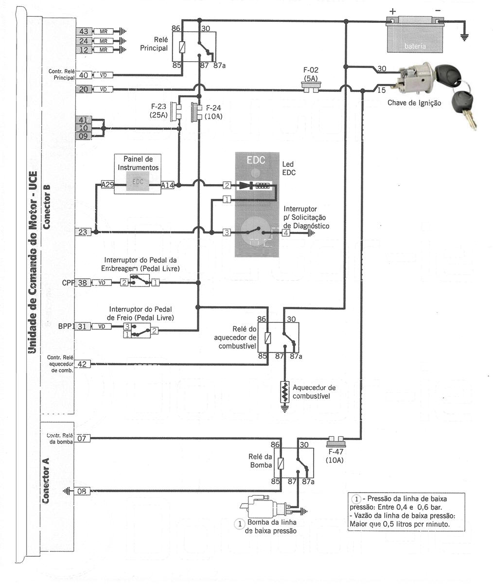
Linha Iveco Diesel

Esquemas Elétricos

Manual de Consulta Técnica e Diagramas

Diagramas do Sistema

Diagrama Iveco 1 Diagrama Iveco 1 JPG Diagrama Iveco 2 Diagrama Iveco 3