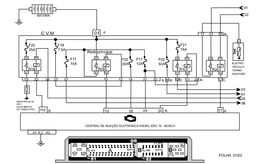
DIAGRAMA EL�TRICO - INJE��O ELETR�NICA
ESQUEMA EL�TRICO - INJE��O ELETR�NICA
TESTE DOS SENSORES E SINAIS DE ENTRADA
RELES E FUS�VEIS
DICAS DE MANUTEN��O
SINCRONISMO DA CORREIA DENTADA E AJUSTES DE V�LVULAS
TORQUE DE APERTOS - CABE�OTE
TORQUES E APERTOS - MOTOR
 

 

 

 

 

 

 

 

 

 

 

 

 

 

 

 

 

DICAS

 

 

 

 

testando o sensor de press�o do turbo
testando o sensor da temperatura do l�quido
testando o pedal do acelerador
testando o interruptor da embreagem
testando o interruptor de freio
verificando o circuito de baixa e alta press�o
testando o regulador de press�o
testando a v�lvula de vaz�o (al�vio de press�o - retorno)
Ficha t�cnica
C�digos de falhas
 
 
 

 

 

 

 

 

 

 

 

 

 

 

 

 

 

 

 

 

 

 

 

 

 

 

 

 

 

 

 

 

 

 

 

 

 

 

 

 

 

 

 

 

 

 

 

 

 

 

 

 

 

 

 

 

 

 

 

 

 

 

 

 

 

 

 

 

 

 

 

 

 

 

 

 

 

 

 

 

 

 

 

 

 

 

 

 

 

 

 

 

 

 

 

 

 

 

 

 

 

 

 

 

 

 

 

 

 

 

 

 

 

 

 

 

 

 

 

 

 

 

 

 

 

 

 

 

 

 

 

 

 

 

 

 

 

 

 

 

 

 

 

 

 

 

 

 

 

 

 

 

 

 

 

 

 

 

 

 

 

 

 

 

 

 

 

 

 

 

 

 

 

 

 

 

 

 

 

 

 

 

 

 

 

 

 

 

 

 

 

 

 

 

 

 

 

 

 

 

 

 

 

 

 

 

 

 

 

 

 

 

 

 

 

 

 

 

 

 

 

 

 

 

 

 

 

 

 

 

 

 

 

 

 

 

 

 

 

 

 

 

 

 

 

 

 

 

 

 

Nova pagina 1