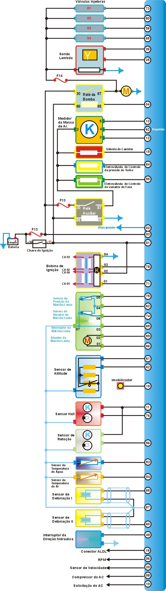
Capitulo 116
BOSCH
Motronic M3.8.3
Parati
1.0 16V Turbo
01) – Localização de Reles e Fazíveis?


F13 e Relê 6 = UC + Medidor da Massa de Ar + Válvula de Canister + Válvula de Controle da
Pressão do Turbo + Válvula Variador de Fase
F14 e Relê 5 =Bomba de Combustivel + Válvulas Injetoras + Aquecimento da Sonda Lambda.
Relê 4 =Relê de Plena Carga do AC


04) – Como testar o Sensor de Temperatura da Água?

Testando |
|
01)-Com
um MULTITESTE DIGITAL no modo voltímetro
checar a voltagem no pino 03 do Sensor e 53 da UC que deve ser de
05V |
|
02)-Com
um MULTITESTE DIGITAL no modo voltímetro
checar a voltagem no pino 01 do Sensor e 67 da UC que deve ser negativo. |
|
03)-Com
um MULTITESTE DIGITAL no modo voltímetro
checar a voltagem no pino 03 e 01 do Sensor e 53 e 67 da UC
conferir com a tabela abaixo |
Tabela
|
Temperatura
°C |
Voltagem |
|
10 |
2,70 |
|
20 |
2,28 |
|
30 |
1,92 |
|
40 |
1,45 |
|
50 |
1,21 |
|
60 |
0,93 |
|
70 |
0,72 |
|
80 |
0,55 |
|
90 |
0,44 |
|
100 |
0,33 |
05) – Como testar o Sensor de Temperatura do Ar?

Testando |
|
01)-Com
um MULTITESTE DIGITAL no modo voltímetro
checar a voltagem no pino 01 do Sensor e 54 da UC que deve ser de
05 V |
|
02)-Com
um MULTITESTE DIGITAL no modo voltímetro
checar a voltagem no pino 02 do Sensor e 67 da UC que deve ser negativo. |
|
03)-Com
um MULTITESTE DIGITAL no modo voltímetro
checar a voltagem no pino 01 e 02 do Sensor e 54 e 67 da UC
conferir com a tabela abaixo |
Tabela
|
Temperatura
°C |
Voltagem |
|
10 |
2,60 |
|
15 |
2,38 |
|
20 |
2,19 |
|
25 |
2,00 |
|
30 |
1,89 |
|
35 |
1,65 |
|
40 |
1,43 |
|
45 |
1,27 |
|
50 |
1,19 |
|
55 |
1,08 |
|
60 |
0,95 |
|
65 |
0,85 |
06) – Como testar o Sensor de Altitude?

Testando |
|
01)-Com
um MULTITESTE DIGITAL no modo voltímetro e com uma BONBINHA DE VÄCUO
aplicar pressão e checar a
voltagem no pino 01 e 03 do Sensor e 61 e 67 da UC conferir com a tabela
abaixo |
|
02)-Com
um MULTITESTE DIGITAL no modo voltímetro
checar a voltagem no pino 02 do Sensor e 67 da UC que deve ser negativo. |
|
03)
–O pino 03 do Sensor e 61
da UC é o sinal de referencia.
|
|
04)-Com
um MULTITESTE DIGITAL no modo voltímetro
checar a voltagem no pino 01 do Sensor e 62 da UC que deve ser de
05V. |
Tabela
Pressão bar |
Altitude
metros |
Voltagem |
|
1,00
bar |
0m |
4,30
V |
|
0,95
bar |
500m |
4,06V |
|
0,90
bar |
1000m |
3,82V |
|
0,85
bar |
1500m |
3,57V |
|
0,80
bar |
2000m |
3,33V |
07) – Como testar o Medidor da Massa de Ar?

Testando |
|
01)-Com
um MULTITESTE DIGITAL no modo voltímetro
checar a voltagem no pino 04 do Medidor e 62 da UC que deve ser de
05 V |
|
02)-Com
um MULTITESTE DIGITAL no modo voltímetro
checar a voltagem no pino 02 do Medidor e pino 87 do Rele Auxiliar
que deve ser de 12 V |
|
03)-Com
um MULTITESTE DIGITAL no modo voltímetro
checar a voltagem no pino 03 do Medidor e 12 da UC que deve ser negativo. |
|
04)
–O pino 05 do Medidor e 13
da UC é o sinal de referencia.
|
|
05)-Com
um MULTITESTE DIGITAL no modo voltímetro
checar a voltagem no pino 03 e 05 do Medidor e 12
e 13 da UC que deve comparar com a tabela abaixo. |
08) – Como testar o Sensor de Posição da Borboleta?

Testando |
|
01)-Com
um MULTITESTE DIGITAL no modo voltímetro
checar a voltagem no pino 04 do Corpo da Borboleta e 62 da UC que
deve ser de 05 V |
|
02)-Com
um MULTITESTE DIGITAL no modo voltímetro
checar a voltagem no pino 07 do Corpo da Borboleta
e 67 da UC que deve ser negativo. |
|
03)
–O pino 05 do Corpo da Borboleta e
75 da UC é o sinal de referencia.
|
|
04)-Com
um MULTITESTE DIGITAL no modo voltímetro
checar a voltagem no pino 07 e 05 do Corpo da Borboleta e 67
e 75 da UC que deve comparar com a tabela abaixo. |
Tabela
|
Posição
da Borboleta |
Voltagem |
|
Fechada |
4,20
V |
|
Aberta |
0,80
V |
09) –Como testar o Sensor Atuador da Marcha Lenta?

Testando
|
|
01)-Com
um MULTITESTE DIGITAL no modo voltímetro
checar a voltagem no pino 04 do Corpo da Borboleta e 62 da UC que
deve ser de 05 V |
|
02)-Com
um MULTITESTE DIGITAL no modo voltímetro
checar a voltagem no pino 07 do Corpo da Borboleta
e 67 da UC que deve ser negativo. |
|
03)
–O pino 08 do Corpo da Borboleta e
74 da UC é o sinal de referencia.
|
|
04)-Com
um MULTITESTE DIGITAL no modo voltímetro
checar a voltagem no pino 07 e 08 do Corpo da Borboleta e 67
e 74 da UC que deve comparar com a tabela abaixo. |
Tabela
|
Posição
da Borboleta |
Voltagem
|
|
Fechada |
3,45
V |
|
Aberta |
2,75
V |
10) –Como testar o Interruptor da Marcha Lenta?

Testando
|
|
|
|
|
01)-Com
um MULTITESTE DIGITAL no modo voltímetro
checar a voltagem no pino 07 do Corpo da Borboleta
e 67 da UC que deve ser negativo. |
|
|
|
02)
–O pino 03 do Corpo da Borboleta e
69 da UC é o sinal de referencia.
|
|
11) –Como testar o Sensor de Rotações?

Testando
|
|
|
|
01)-Com
um MULTITESTE DIGITAL no modo voltímetro
checar a voltagem no pino 01 do Sensor e pino 11 da UC que deve ser
de 12 V |
|
|
|
|
02)-Com
um MULTITESTE DIGITAL no modo voltímetro
checar a voltagem no pino 03 do Sensor e 67 da UC que deve ser
negativo. |
|
|
|
03)
–O pino 02 do Sensor e 56
da UC é o sinal de referencia.
|
|
|
|
04)
– Com um MULTITESTE DIGITAL no Modo Freqüência checar a freqüência
nos pinos 56 e 67 da UC em marcha lenta que deve ser de aproximadamente de
880 Hz |
|
12) – Como testar o Sensor Hall?

Testando
|
|
|
|
01)-Com
um MULTITESTE DIGITAL no modo voltímetro
checar a voltagem no pino 01 do Sensor e pino 11 da UC que deve ser
de 12 V |
|
|
|
|
02)-Com
um MULTITESTE DIGITAL no modo voltímetro
checar a voltagem no pino 03 do Sensor e 67 da UC que deve ser
negativo. |
|
|
|
03)
–O pino 02 do Sensor e 76
da UC é o sinal de referencia.
|
|
|
04)
– Com um MULTITESTE DIGITAL no Modo Freqüência checar a freqüência
nos pinos 76 e 67 da UC em marcha lenta que deve ser de aproximadamente de
30 Hz |
|
|
13) – Interruptor da Direção Hidráulica?

Testando
|
|
01)-Com
um MULTITESTE DIGITAL no modo voltímetro
checar a voltagem no pino 01 do Interruptor que deve ser negativo. |
|
02)
–O pino 02 do Sensor e 49
da UC é o sinal de referencia.
|
|
03)
– Com uma Ponta de Prova no
pino 49 da UC mover o volante até o final e o sinal será negativo. |
14) – Como testar o Sensor de Detonação 1 e 2?

Testando
|
|
|
|
|
01)
–O pinos 01 e 02 dos Sensores e
68 e 67 (1) 60
e 67 (2) da
UC é o sinal de referencia. |
|
|
|
02)
– Com um TORQUIMETRO medir o torque
de aperto dos Sensores que deve ser de 20 Nm. |
|
|
|
03)
-Com um MULTITESTE DIGITAL no modo corrente alternado checar a tensão
alternada e com um pedaço de metal
bater no bloco do motor próximo ao Sensor
verifique se a voltagem medida estiver acima de 20 mV.
|
|
15) – Como testar a Sonda Lambda?

Testando
|
01) Com um MULTITESTE DIGITAL no modo Voltímetro checar a voltagem no pino 01 da Sonda Lambda alimentado pelo pino 87 do Relê da Bomba deve ter 12V |
02) - Com um MULTITESTE DIGITAL no modo Voltímetro checar a voltagem no pino 02 da Sonda Lambda deve ser negativa. |
|
03)
–O pino 03 e 04 da Sonda e
25 e 26 da UC é o sinal de referencia.
|
04) – Com um MULTITESTE DIGITAL no modo Ohmimetro checar a resistência de aquecimento que deve ser de 4 a 8Ω. |
05) – Com um MULTITESTE DIGITAL no modo Voltímetro checar a voltagem nos pinos 25 e 26 da UC que deve estar entre 0 a 950 mV. |
|
06)
– Com um MULTITESTE DIGITAL no Modo Freqüência checar a freqüência
nos pinos 25 e 26 da UC em marcha lenta que deve ser maior ou igual 01 Hz |
16) – Como testar o Sensor de Velocidade?

Testando
|
01) Com um MULTITESTE DIGITAL no modo Voltímetro checar a voltagem no pino 01 do Sensor de Velocidade deve ter 12V |
|
02)
–O pino 02 do Sensor e 20
da UC é o sinal de referencia.
|
03)- Com um MULTITESTE DIGITAL no modo Voltímetro checar a voltagem no pino 03 do Sensor deve ser negativa. |
04) – Com uma PONTA DE PROVA no pino 20 da UC girando a roda dianteira esquerda deve chegar um sinal negativo OSCILANTE. |
17) – Como Testar a Eletroválvula de controle da pressão do Turbo?

Testando
|
01) Com um MULTITESTE DIGITAL no modo Voltímetro checar a voltagem no pino 01 da Válvula através do pino 87 do Relê deve ter 12V |
02)- Com um MULTITESTE DIGITAL no modo Voltímetro checar a voltagem no pino 02 da Válvula e pino 64 da UC deve ser negativa. |
03) – Com um MULTITESTE DIGITAL no modo Ohmimetro checar a resistência da Válvula que deve ser de 30Ω fria |
04) – Com um MULTITESTE DIGITAL no modo Duty Cycle e acelere o motor rapidamente e confira os valores no pino 64 da UC que devem ficar entre 0 e 99%. |
18) - Como Testar a Eletroválvula de Controle do Variador de Fase?

Testando
|
01) Com um MULTITESTE DIGITAL no modo Voltímetro checar a voltagem no pino 02 da Válvula através do pino 87 do Relê deve ter 12V |
02)- Com um MULTITESTE DIGITAL no modo Voltímetro checar a voltagem no pino 01 da Válvula e pino 55 da UC deve ser negativa. |
03) – Com um MULTITESTE DIGITAL no modo Ohmimetro checar a resistência da Válvula que deve ser de 10Ω fria |
04) – Com um MULTITESTE DIGITAL no modo Voltímetro medir a corrente continua com o motor acelerando a tensão deve ficar entre 12V a 13,5V. |
19) – Como testar a Válvula de Canister?

Testando
|
01) Com um MULTITESTE DIGITAL no modo Voltímetro checar a voltagem no pino 01 da Válvula através do pino 87 do Relê deve ter 12V |
02)- Com um MULTITESTE DIGITAL no modo Voltímetro checar a voltagem no pino 02 da Válvula e pino 15 da UC deve ser negativa. |
03) – Com um MULTITESTE DIGITAL no modo Ohmimetro checar a resistência da Válvula que deve ser de 30Ω fria |
04) – Com um MULTITESTE DIGITAL no modo Duty Cycle e acelere o motor rapidamente e confira no pino 15 da UC os valores que devem ficar entre 0 e 99%. |
20) – Como testar o Transformador de Ignição?

Testando
|
01) Com um MULTITESTE DIGITAL no modo Voltímetro checar a voltagem no pino 02 do Transformador de Ignição alimentada pela linha + 15 que deve ter 12V. |
02)- Com um MULTITESTE DIGITAL no modo Voltímetro checar a voltagem no pino 04 do Transformador e deve ser negativa. |
|
03)
–O pino 01 do Transformador (71 da UC) é o sinal de Ignição para o
Cilindro 1 e 4. |
|
04)
–O pino 03 do Transformador (78 da UC) é o sinal de Ignição para o
Cilindro 2 e 3. |
|
05)
– Com um MULTITESTE DIGITAL no modo Ohmimetro checar a resistência do
primário que deve ser de 0,6
Ω frio. |
|
05)
– Com um MULTITESTE DIGITAL no modo Ohmimetro checar a resistência do
primário que deve ser de
6,2KΩ frio. |
21) – Como testar as Válvulas Injetoras?

Testando
|
|
|
|
|
01)
Com um MULTITESTE DIGITAL no modo Voltímetro checar a voltagem no pino 01
da Válvula Injetora alimentada pelo pino 87 do Relê da Bomba que deve
ser de 12V.
|
|
02)- Com um MULTITESTE DIGITAL no modo Voltímetro checar a voltagem no pino 02 da Válvula pelo pino 73/80/58/65 da UC que deve ser negativa. |
|
|
|
03)
– Com um MULTITESTE DIGITAL no modo Ohmimetro checar a resistência das
Válvulas que deve ser de que
deve ser de 14 Ω frio. |
|
|
|
04)
– Com um MULTITESTE DIGITAL no Modo Freqüência checar a freqüência
nos pinos 73/80/58/65 da UC em marcha lenta que deve ser de
aproximadamente de 7,0 Hz |
|
|
22) – Como testar o Atuador de Marcha Lenta?

Testando
|
|
|
|
|
01)
Com um MULTITESTE DIGITAL no modo Voltímetro checar a voltagem no pino 01
do Atuador alimentada pelo pino 87 do Relê da Bomba que deve ser de
12V.
|
|
02)- Com um MULTITESTE DIGITAL no modo Voltímetro checar a voltagem no pino 02 da Válvula pelo pino 59 da UC que deve ser negativa. |
|
|
|
03)
– Com um MULTITESTE DIGITAL no modo Ohmimetro checar a resistência das
Válvulas que deve ser de que
deve ser de 4,5 Ω frio. |
|
|
04) – Com um MULTITESTE DIGITAL no modo Duty Cycle e teste nos pinos 59 e 66 da UC que deve ser de 0 a 30%. |
|
|
23)
– Como testar o Controle
do AC?
Testando
|
01)
– Com uma PONTA DE PROVA no pino 10 da UC
e quando você acionar o botão do AC chega um sinal positivo.
|
02) – Com uma PONTA DE PROVA no pino 08 sai um sinal negativo para o relê do AC ativando o Compressor. |
24) – Como testar o Relê da Bomba de Combustível?

Testando
|
01)
– Com uma PONTA DE PROVA no
pino 30 do Relê é positivo da linha +30 da Bateria
|
02) – Com uma PONTA DE PROVA no pino 86 do Relê é positivo da linha +15 da Chave de Ignição. |
03) - Com uma PONTA DE PROVA no pino 85 do Relê e pino 04 da UC é negativo. |
04) – Com uma Ponta de Prova no pino 87 com ignição ligada envia sinal positivo para as Válvulas Injetoras/Sonda Lambda e Bomba de Combustível passa pelo fusível F14. |
25) – Como testar o Relê Auxiliar?

Testando
|
01)
– Com uma PONTA DE PROVA no
pino 30 do Relê é positivo da linha +30 da Bateria passa pelo fusível
F13.
|
02) – Com uma PONTA DE PROVA no pino 86 do Relê é positivo da linha +15 da Chave de Ignição. |
03) - Com uma PONTA DE PROVA no pino 85 do Relê é negativo. |
04) – Com uma Ponta de Prova no pino 87 com ignição ligada envia sinal positivo para o Medidor da Massa de Ar/Válvula de Canister/Válvula de Limitação da Pressão do Turbo/Válvula de Variador de Fase. |
26) – Como testar a alimentação da UC?

Testando
|
01) – Com uma PONTA DE PROVA conferir alimentação positiva da UC através do pino 01 da UC da linha +15 da chave de Ignição. |
02) – Com uma PONTA DE PROVA conferir alimentação positiva da UC através do pino 03 da UC da linha +30 da Bateria. |
03) – Com uma PONTA DE PROVA conferir alimentação negativa da UC através do pino 02. |
04) – Com uma PONTA DE PROVA conferir alimentação negativa da UC através do pino 04 do Relê da Bomba de Combustivel. |
27) - Como testar a pressão da Bomba de Combustivel?

|
Testando |
| 01-Com um MANÔMETRO instalado na linha de alimentação e checar a pressão de linha que deve ser aproximadamente de 3.0 bar. |