CAPÍTULO 49
MAGNETI MARELLI IAW
APLICATIVO DA FIAT
FIAT COUPÊ
FIAT TIPO 2.0 SLX. FIAT TIPO 2.0 16v TEMPRA SW 2.0.
LOCALIZAÇÃO DO CONECTOR DE DIAGNÓSTICO DO FIAT TIPO 2.0 Para conseguir o código de falhas usar um SCANNER , este sistema não possui autodiagnose.
MODELO DO CONECTOR FIAT TIPO SLX 2.0. PLANO DE BUSCA DE FALHA PELO SINTOMA.
| FALHA | CAUSAS | SOLUÇÕES. |
| Motor de partida vira mas motor não pega. | 1 - Falta de combustivel. 2 - Bomba de combustivel. 3 - Sistema de Ignição. 4 - Sensor de Rotação. 5 - Sensor de Fase. 6 - Filtro de ar e sua tubulação entupidos 7 - Escapamento entupido 8 - Centralina. 9 - Ver Fuziveis e Relés. |
Ver roteiro de comotestar neste mesmo capitulo. |
| Motor com dificuldades para pegar. | 1 - Ver Bateria 2 - Sistema de Ignição. 3 - Sistema de combustivel Bomba, mangueiras, etc; 4 - Verificar Sensor de Rotação. 5 - Sensor da Temperatura da Água. 6 - Sensor da Temperatura do Ar. 7 - Filtro de ar e suas tubulações entupidos 8 - Escapamento entupido catalisador. |
Ver roteiro de comotestar neste mesmo capitulo |
| Motor falha na aceleração. | 1 - Válvulas injetoras. 2 - Rotação da marcha lenta abaixo do especificado. 3 - Sistema de combustivel, pressão, vazão, bomba etc. 4 - Ver bateria, carga. 5 - Sensor de pressão absoluta. 6 - Medidor do fluxo de ar |
Ver roteiro de comotestar neste mesmo capitulo |
| Marcha lenta elevada. | 1 - Atuadores de marcha lenta. 2 . Sensor da temperatura da água. 3 - Ver Bateria Carga. 4 - Sensor da temperatura do ar 5 - Centralina (Autoadptatividade) |
Ver roteiro de comotestar neste mesmo capitulo |
| Marcha lenta irregular. | 1 - Sistema de Ignição. 2 - Sensor da Temperatura da água 3 - Atuadores de marcha lenta. 4 - Sensor de temperatura do ar. 5 - Sistema de combustivel, bomba, pressão, Vazão... 6 - Sensor de Pressão Absoluta. 7 - Entrada falsa de ar no coletor de admissão. 8 - Valvula Injetora. |
Ver roteiro de comotestar neste mesmo capitulo |
| Baixa potência do motor. | 1 - Ver bateria carga. 2 - Ver computador central (centralina) 3 - Escape entupido, catalisador, abafador stc. 4 - Sistema de Ignição. 5 - Sistema de combustivel, bomba, pressão, Vazão... 6 - Sensor de Pressão Absoluta. 7 - Filtro de ar e suas tubulações entupidos. 8 - Valvula Injetora. |
Ver roteiro de comotestar neste mesmo capitulo |
| Consumo de combustivel elevado. | 1 - Sonda lambda. 2 - Sensor da Temperatura da água. 3 - Sistema de combustivel Bomba, mangueiras, etc; 4 - Sensor de temperatura do ar. 5 - Ver bateria carga. 6 - Escape entupido, catalisador, abafador etc. 7 - Filtro de ar e suas tubulações entupidos. 8 - Ver computador central (centralina). 9 - Válvulas injetoras. 10 - Sensor da posição da borboleta. |
Ver roteiro de comotestar neste mesmo capitulo |
Localização do interruptor inercial
| Abaixo do banco do motorista |
MEDIDAS DO SISTEMA IAW FIAT 2.0 SLX MAGNETI MARELLI.
VALVULAS INJETORAS DE COMBUSTIVEL. MEDIDAS.
| Resistência do enrolamento | 2 a 4 W. |
| Durabilidade | 150.000 Km. |
| Tempo de Injeção | 3.5 a 4.5 ms |
PONTO DE IGNIÇÃO.
| Vácuo desligado, marcha lenta | 5graus a 2graus |
CO
| Fazer testes antes do catalisador | 0,5% a 1,5% |
| VELAS
|
NGK BPR 6 ES] CHAMPION RN7YC |
BOBINA DE IGNIÇÃO.
| Resistencia primária | 0,7W + ou - 15% |
| Resistência do secundário. | 5,7KW + ou -10% |
SENSOR DE DETONAÇÃO.
| torque de aperto. | 20 N.m |
SONDA LAMBDA.
| Modelo | zirconio ZRO2 |
| Resitência de Aquecimento, | 4 a 12W. |
SENSOR DE FASE.
| Resistência de enrolamento. | 758 a 872 W |
| Distância entre sensor e came. | 0,3 a 0,4 mm. |
SENSOR DE ROTAÇÃO E PMS.
| Resistência de enrolamento. | 578 a 782 W. |
SENSOR DE PRESSÀO ABSOLUTA.MAP
| Tensão de alimentação. | 5V + ou - 5% |
| Temperatura de trabalho. | - 40 a 125graus. |
| Pressão de trabalho. | até 100 kpa. |
SENSOR DE POSIÇÃO DA BORBOLETA.
| Curso mecânico. | 105 graus. |
| Tensão de alimentação | 5V + ou - 5%. |
SENSOR DA TEMPERATURA DA ÁGUA
| Resistencia a temperatura ambiente no caso 25 graus. | 3,6KW + ou - 15% |
| Tempo de resposta. | <40 segundos. |
| Tensão de alimentação. | 5V + ou - 5%. |
SENSOR DA TEMPERATURA DO AR,
| Resistência temperatura ambiente no caso 25 graus. | 2,0KW + ou - 15% |
| Tensão de alimentação. | 5V + ou - 5%. |
| Tempo de resposta. | <10 segundos. |
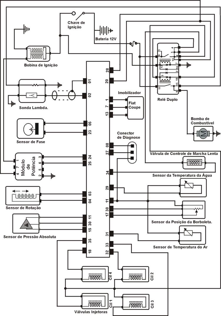
ESQUEMA ELÈTRICO DO FIAT TIPO 2.0 SLX E TEMPRA SW.

ESQUEMA ELÉTRICO FIAT TIPO 2.0 16V E FIAT COUPE.

| Quando testarem os componentes do TIPO 2.0 16V e Fiat COUPÊ só muda as cores dos fios os valores são os mesmos. |

TESTANDO |
| 1-Ignição ligada, motor parado, PONTA DE PROVA no fio preto vinho > Negativo (-). |
| 2- Ignição ligada, motor parado, MULTITESTE DIGITAL no modo voltímetro no fio ligado ao pino 29 da centralina. (azul vermelho) > Dados abaixo (motor quente: entre 80 C a 90 C). |
DADOS (VALORES APROXIMADOS)
| Temperatura (C ) | 90 |
70 |
60 |
50 |
40 |
30 |
20 |
| Tensão ( V ) | 0,3 |
0,4 |
0,6 |
0,8 |
1,2 |
1,5 |
1,8 |
| Resistência W | 100 a 300 |
600 a 900 |
2k a 4,5k |
TESTANDO |
| 1- Motor funcionando, PONTA DE PROVA no fio verde preto do conector da sonda > Positivo (+) (12V). |
| 2- PONTA DE PROVA no fio preto da sonda > Negativo (-). |
| 3- Motor funcionando e aquecido, MULTITESTE DIGITAL no modo voltímetro no fio ligado ao pino 2 da centralina (verde), acelere o motor várias vezes > Tensão oscila de 0,1V a 0,9V. |
| 4- Medir resistência de aquecimento da sonda (medir através dos fios verde preto e preto do conector) > Resistência de 4 a 12W. |

TESTANDO |
| 1- MULTITESTE DIGITAL no modo ohmímetro, medir resistência do sensor > 578 a 782 W. |
| 2- Medir distância entre sensor e roda dentada > 0,6 a 1,0 mm. |
4-Como testar sensor da borboleta

TESTANDO |
| 1- Ignição ligada, motor parado, PONTA DE PROVA no fio ligado ao pino 11 da centralina (preto vinho) > Negativo (-). |
| 2- Ignição ligada, motor parado MULTITESTE DIGITAL no modo voltímetro no fio ligado ao pino 30 da centralina (azul escuro vermelho) > 5,0V + ou - 5%. |
| 3- Ignição ligada, motor parado, MULTITESTE DIGITAL no modo voltímetro no fio ligado ao pino 17 da centralina (roxo), gire o eixo da borboleta até o final > As leituras devem estar de acordo com os Dados abaixo. |
DADOS
Posição da borboleta |
Tensão (V) |
| Borboleta fechada | 0 a 0,5 |
| Borboleta totalmente aberta | 4,0 a 5,0 |
5-Como testar sensor de temperatura do ar

TESTANDO |
| 1- Ignição ligada, motor parado, PONTA DE PROVA no fio preto vinho > Negativo (-). |
| 2- Ignição ligada, motor parado, MULTITESTE DIGITAL no modo voltímetro no fio ligado ao pino 31 da centralina (azul preto) > Dados abaixo. |
DADOS (VALORES APROXIMADOS)
| Temperatura ( C ) | 90 |
70 |
60 |
50 |
40 |
30 |
20 |
| Tensão ( V ) | 0,3 |
0,4 |
0,6 |
0,8 |
1,2 |
1,5 |
1,8 |
| ResistênciaW | 100 a 300 |
600 a 900 |
2k a 4,5k |

TESTANDO |
| 1- Ignição ligada, motor parado, PONTA DE PROVA no fio ligado no pino 11 da centralina (preto vinho) > Negativo (-) |
| 2- Ignição ligada, motor parado, MULTITESTE DIGITAL no modo voltímetro no fio ligado no pino 30 da centralina (azul vermelho) > 5,0V + ou - 5%. |
| 3- MULTITESTE DIGITAL no modo voltímetro no fio ligado ao pino 15 da centralina (azul preto). Conectar bomba de vácuo no sensor MAP e aplicar vácuo > Leituras de acordo com dados abaixo. |
DADOS (VALORES APROXIMADOS)
| Vácuo (mmHg) | 100 |
200 |
300 |
400 |
500 |
600 |
| Tensão (V) | 3,4 |
2,7 |
2,1 |
1,4 |
0,8 |
0,3 |

TESTANDO |
| 1- Ignição ligada, motor parado, PONTA DE PROVA no fio ligado ao pino 5 da centralina (branco preto) > Negativo (-). |
| 2- Medir resistência entre os terminais do sensor > Resistência de 750 a 890 W. |
TESTANDO |
| 1- Ignição ligada, motor parado, PONTA DE PROVA no fio verde que chega em cada válvula injetora > Positivo (+) (12V). |
| 2- PONTA DE PROVA nos fios ligados aos pinos 18 (branco), 32 (cinza azul), 33 (cinza) e 35 (vermelho) da centralina. Dê a partida no motor > Led verde pisca durante partida ou com o motor funcionando. |
| 3- MULTITESTE DIGITAL no modo ohmímetro medir resistência das válvulas injetoras > Resistência de 13 a 21 W. |
TESTANDO |
| 5-Com um MULTITESTE DIGITAL no modo Milisegundos medir o tempo de Injeção da Válvula de Injeção que devrá ser de 3.5 a 4.5 ms em marcha lenta |
9-Como testar válvulas de controle da marcha-lenta

TESTANDO |
1- Motor funcionando, PONTA DEPROVA no fio preto que vem do relé da bomba > Positivo (+) (12V). |
| 2- Ignição ligada, motor parado, PONTA DE PROVA no fio azul amarelo > Negativo (-). |
| 3- MULTITESTE DIGITAL no modo ohmímetro, medir resistência da válvula de controle > Resistência de 6,5 a 7,5 W. |
10-Como testar bobina de ignição

TESTANDO |
| 1- Centelhador colocado na bobina. Dar a partida no motor > Centelha forte (mim. 2cm) durante a partida. |
| 2- Ignição ligada, motor parado, PONTA DE PROVA no fio laranja > Positivo (+) (12V). |
| 3- PONTA DE PROVA no fio cinza verde. Dar a partida no motor > Led verde deve piscar durante a partida. |
| 4- MULTITESTE DIGITAL no modo ohmímetro, medir resistência do primário e do secundário da bobina > Primário: 0,6 a 0,8 W; secundário: 4,5k a 6,0k W. |
11-Como testar bomba de circuito de combustível

Bomba não funciona: fazer testes abaixo. Se confirmar os testes, bomba defeituosa (queimada).
TESTANDO |
| 1- PONTA DE PROVA no fio verde preto da bomba. Dar partida no motor > Positivo (+) (12V) durante a partida. |
| 2- Ignição ligada, motor parado, PONTA DE PROVA no fio preto da bomba > Negativo (-). |
TESTANDO |
| 1- Despressurizar o sistema: retire fusível da bomba e dê partida no motor. Após despressurizar, reinstale o fusível. Instalar manômetro na linha de entrada de combustível. Dar partida no motor > Pressão de 2,3 a 2,7 bar em marcha-lenta. |
| 2- Ignição desligada, acionar bomba de combustível - Procedimento: retirar relé da bomba e fazer um "jump" entre terminais 30 e 87. > Pressão de 3,0 a 3,3 bar. |
12-Como testar relé da bomba de combustível

TESTANDO |
| 1- Ignição ligada, PONTA DE PROVA nos fios verde ligados aos terminais 30 e 86 do relé > Positivo (+) (12V). |
| 2- Motor funcionando, PONTA DE PROVA no fio ligado no terminal 85 (verde branco) do relé > Negativo (-). |
| 3- PONTA DE PROVA nos fios ligados nos terminais 87 (verde preto e preto) do relé. Dar a partida no motor > Positivo (+) (12V) durante a partida ou com Motor funcionando. |

TESTANDO |
| 1- Ignição desligada, PONTA DE PROVA no fio vermelho ligado ao terminal 30 relé. > Positivo (+) (12V). |
| 2- Ignição desligada, PONTA DE PROVA no fio ligado ao terminal 85 (preto) do relé. > Negativo (-). |
| 3- Ignição ligada, motor parado, PONTA DE PROVA no fio ligado ao terminal 86 (laranja) do relé > Positivo (+) (12V). |
| 4- Ignição ligada, motor parado, PONTA DE PROVA no fio ligado ao terminal 87 (verde) do relé > Positivo (+) (12V). |

TESTANDO |
1- Ignição ligada, motor parado, PONTA DE PROVA no fio ligado ao pino 20 da centralina. (verde amarelo) > Positivo (+). |
2- Ignição desligada, PONTA DE PROVA nos fios ligados aos pinos 1 (preto) e 19 (preto) > Negativo (-). |
15 - Esquema elétrico do Sistema Imobilizador FIAT

16 - Como Funciona o Sistema do Imobilizador
COMO FUNCIONA |
| 1- A central Code possui dois conectores, um de 8 terminais e outro de 3 terminais, e está localizada próximo ao cilindro de ignição. No Pálio, o fusível de 5A encontrase-se fixado próximo à coluna do amortecedor lado esquerdo, enquanto que o fusível de 10A está presente na caixa de fusíveis. |
Como Substituir o Cilindro de Ignição com FIAT CODE?
SUBSTITUINDO |
1 - É necessário ter a chave Mestra ( Vermelha ou Marrom) para efetuar a troca em mãos. |
2 - Proceda normalmente a troca do Cilindro de Ignição. |
3 - Reuna todas as Chaves do veiculo ( uma chave Mestra Vermelha e duas chaves Novas Azuis) |
4 - Abrir com uma chave de fenda a futura chave mestra. No interior encontrara uma pequena peça de cor Grafite é o Transponder - retire-o e guarde em algum lugar. |
5 - Retire o antigo transponder da chave mestra a Vermelha e monte este transponder na futura chave mestra atenção com a posição de montagem tem de ser igual. |
6 - Feche a nova chave mestra e proceda a codificação das novas Chaves. |
Como codificar a Chave do FIAT CODE?
01 |
Reuna todas as chaves a serem codificadas uma mestra ( Vermelha) e no mínimo 2 Azuis |
02 |
Insira a Chave mestra Vermelha e vire a Chave para posição MAR. |
03 |
A Lâmpada de falha do CODE irá se acender mas logo em seguida apagará. |
04 |
Logo que a Lâmpada CODE se apague retire a chave mestra Vermelha num prazo máximo de 2 segundos. |
05 |
Após retirar a Chave Vermelha, insira a 1° chave Azul e vire a Chave de ignição para a posição MAR em um prazo de dez segundos (10s). |
06 |
A Lâmpada de falha do CODE irá se acender mas logo em seguida apagará. |
07 |
Remova a 1° chave e introduza a 2° chave obedecendo os prazos de 2s para remover e 10s para introduzir a próxima chave. |
08 |
Vire a 2° Chave de ignição para a posição MAR a lâmpada indicadora do CODE irá se ascender e logo em seguida se apagará. |
09 |
Repetir o procedimento para as demais chaves até no máximo sete 7 chaves. |
10 |
Após a ultima chave ser codificada introduza novamente a chave mestra Vermelha e vire para posição MAR. |
11 |
A lâmpada indicadora CODE ira se acender e logo em seguida ira se apagar. Finalizando a codificação. |
12 |
Checar todas chaves codificadas. |
Como dar partida de emergência em um veiculo com FIAT CODE?
01 |
Se o sistema não conseguir desativar o bloqueio do motor, as lâmpadas de emergência do sistema FIAT CODE e da Injeção Eletrônica permanecem acesas e o motor não dá partida deve-se recorrer a partida de emergência. |
02 |
Ler o Código eletrônico de 5 digitos indicado no CODE CARD é um cartão identico a um cartão de crédito que acompanha o veiculo sem este não é possivel realizar a partida de emergência |
03 |
Girar a Chave de ignição para posição MAR sem dar partida. |
04 |
Provocar e manter um abertura total da borboleta de aceleração. A lâmpada de injeção eletrônica acende-se por cerca de 8 segundos e, em seguida apaga-se: |
05 |
Soltar, então, o pedal do acelerador. A lâmpada da injeção começará a piscar intermitentemente. |
06 |
Conte as piscadas da lâmpada de injeção e quando atingir o número corresponde ao primeiro dígito do CODE CAR, aperte novamente o pedal do acelerador para interromper as piscadas da lâmpada. |
07 |
Mantenha o pedal do acelerador acionado até a lâmpada da injeção se acende e depois se apague. |
08 |
Solte novamente o pedal do acelerador para poder introduzir o segundo dígito de CODE CAR. A lâmpada voltará a piscar e quando atingir o número correspondente ao segundo dígito interromper novamente a sequência de piscadas abrindo totalmente a borboleta aceleradora. |
09 |
Proceder da mesma para os outros digitos. |
10 |
Quando tiver introduzido a 5° dígitos, logo após Ter soltado o pé do acelerador depois que a lâmpada se apagou; um lampejo rápido da lâmpada de injeção confirmará da que a operação foi efetuada corretamente. |
11 |
Sem voltar a chave para a posição STOP, dar partida ao motor; Se ao contrário, a lâmpada de injeção permanecer acesa, gire a chave para STOP e repita toda a operação . Certificado-se também do perfeito funcionamento do sensor de posição da borboleta. O procedimento de partida de emergência deve ser repetida a cada partida. |