Antes de
iniciar qualquer teste no sistema de alimentação de combustível, verifique:
- Verificar se tem combustível no
reservatório de combustível (tanque).
- Verificar se a bomba de combustível
está funcionando (ao ligar a chave de ignição, sem dar a partida, a bomba é acionada
pôr cerca de 3 segundos - seu ruído de funcionamento é perceptível);
- Verificar tubulação, conexões e
filtro de combustível (obstrução e vazamento);
- Verificar fios e conexões
elétricas (continuidade).
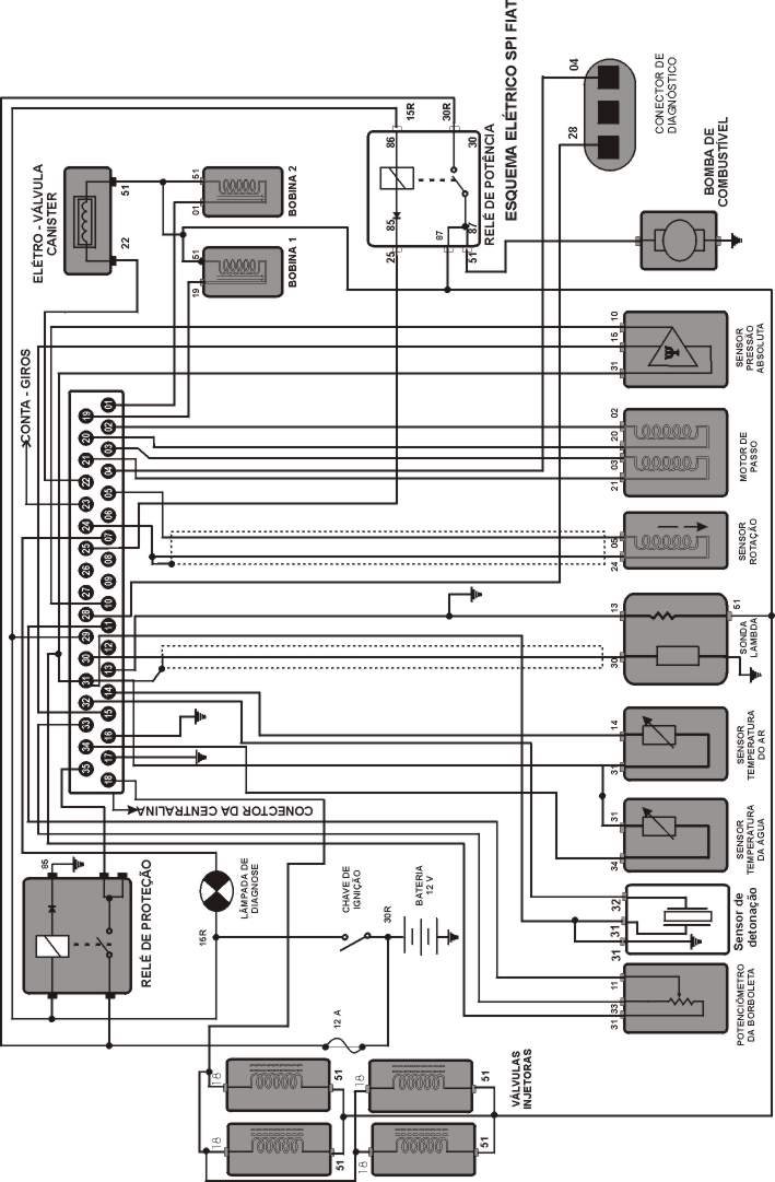
A bomba de
combustível é comandada pêlos relés de alimentação e de potência. A bomba é ligada
pela centralina, através do relé de potência, durante a partida e enquanto o motor
estiver funcionando normalmente, gerando uma pressão de 1,0 bar. Se depois de ser ligada
a chave, não for dada a partida, a centralina desliga a bomba. A bomba elétrica,
localizada no interior do tanque de combustível, está equipada com um filtro primário e
é integrada ao sistema indicador de quantidade de combustível. A pressão (do tipo
mecânico à membrana) montado a tampa do corpo de borboleta. A regulagem da pressão é
feita na fábrica durante a montagem do regulador:
- Eletrobomba localizada no interior
do tanque (submersa)
- Reservatório de combustível
- Filtro de combustível
- Tubo de envio de combustível
- Eletroinjetor (válvula injetora)
montado no corpo da borboleta
- Regulador de pressão de
combustível montado na tampa do corpo de borboleta
- Tubo de retorno de combustível
|
1- Como testar verificação da válvula injetora

| OBS - No caso doTempra 16V
Possui 4 Válvulas injetoras repetir o teste e cada válvula os valores encontram-se
coloridos abaixo. |
TESTANDO |
| 1- Retire o conjunto do filtro de
ar, ligue a chave de ignição sem dar a partida e observe o injetor dentro do corpo de
borboleta > Não deve gotejar. |
| 2- PONTA DE PROVA no fio
ligado no fio ligado ao terminal 51 da válvula injetora > Durante a partida deve
positivo (+). |
| 3- PONTA DE PROVA no fio
que vai ligado ao pino 18 da válvula injetora ou pino 18 da centralina. Dar a partida no
motor > Os leds deverão piscar enquanto o motor estiver girando. |
| 4- Com um MULTITESTE DIGITAL no modo
Ohmimetro medir a resistênçia das válvulas Injetoras. Aresistência devera ser de Monoponto pino 18 e 51 de 1,66 a 1,84 W - Multiponto isolado 15,4 a 17,0W e no pino 18 e 51 de
3,85 a 4,25W. |
Como testar o tempo de
Injeção
| 5-Com um MULTITESTE DIGITAL no modo
Milisegundos medir o tempo de Injeção da Válvula de Injeção que devrá ser de 0,8
a 1,5 ms em marcha lenta |
2- Como testar a
pressão e vazão do sistema de combustível

| TESTANDO |
| 1
-Teste de pressão da bomba:Despressurização do sistema: com a chave desligada, desligue o conector da
bomba de combustível (junto ao tanque de combustível) e dê partida no motor. Espere o
motor parar de funcionar e desligue a ignição. Ligue novamente o conector da bomba. O
sistema estará despressurizado até que se acione novamente a ignição.
Coloque o manômetro como o indicado na figura e
feche a válvula de esfera. Para acionar a bomba, retire o relé de potência 9 e faça
uma ligação com o fio entre os terminais 87 (do meio) e 30 do soquete do relé pôr
aproximadamente 2 segundos > Deve indicar pôr volta de 4 bar e não deve cair
rapidamente depois de desligada.
Observação: Não faça obstração
na linha de retorno, para não danificar o regulador de pressão. |
2- Com o
manômetro na mesma situação anterior, abra a válvula de esfera e acione a bomba da
mesma maneira que a anterior > Monoponto
deve indicar uma pressão pôr volta de 1 bar para veículos a gasolina e
1,5 bar a veículos a álcool. Multiponto deve indicar uma pressão pôr volta de 2,8 a 3,2 bar
para veículos a gasolina. |
| 3- Ainda com o manômetro ligado,
recoloque o relé, dê a partida no motor e acelere até aproximadamente 2000 rpm >Monoponto A pressão deve ficar estabilizada em 1,0 bar ou 1,5 bar álcool. Multiponto deve indicar uma pressão pôr volta de 2,8 a 3,2 bar
para veículos a gasolina. |
Observação:
O veículos apartir de 94 foram equipados com bomba de combustível tipo Sending
Unit.Neste sistema a bomba fica dentro de um pequeno reservatório de plástico com a
finalidade de evitar a falta de combustível quando o nível do tanque estiver baixo e o
veiculo em movimento principalmente em curvas. |
3- Como testar relé
de potência

| O relé de potência é acionado pela centralina através de
um sinal negativo do terminal 25 aplicando ao terminal 85 do relé. É acionado pôr
alguns segundos quando a ignição é ligada ou quando existir sinal de rotação (vindo
do sensor de rotação - motor girando). |
TESTANDO |
| 1- Retire o relé de potência e
coloque a PONTA DE PROVA no terminal 30 do conector do relé > Positivo (+). |
| 2- Recoloque o relé, coloque a PONTA
DE PROVA no fio do terminal 85 do relé e dê partida > Deve ter negativo (-)
durante partida |
| 3- PONTA DE PROVA no fio
ligado ao terminal 87 do conector de relé. Com o motor ligado ou durante a partida >
Positivo (+). |
4- Como testar eletro
válvula interceptora do canister

TESTANDO |
| 1- Desconecte o conector com o
MULTITESTE DIGITAL ligado aos terminais 22 e 51 meça a resistência >Deve ter 25 W + ou - 15%. |
5- Como
testar atuador de marcha lenta

| A centralina controla a marcha lenta através
do desvio de ar controlado pelo LBA, que ajuda também e reduzir a emissão de poluentes,
aumentando o fluxo de ar durante o fechamento repetitivo da borboleta numa
desaceleração.
Se a marcha
lenta não estiver redonda, o defeito pode no LBA ou pode haver obstrução no filtro de
ar ou uma entrada de ar falsa.
A agulha de
marcha lenta é comandada pelo motor de passo que recebe sinais da centralina pêlos
terminais 1 "3", 2, 20, 3 "2" e 4 "21". Os números entre
aspas indica os pinos da centralina ligados no LBA |
TESTANDO |
| 1- Com a chave ligada e motor
parado conecte a ponta de prova em cada um dos fios ligados aos terminais> Os leds
deverão piscar alternadamente quando for dada a partida. Logo que o motor pegar ou quando
acorre variação na marcha lenta. |
| 2- Com a chave ligada e motor
parado desconecte os terminais do conectar do motor e com o MULTISTE DIGITAL na posição
ohmimetro meça as resistências dos enrolamentos > Deve estar de acordo com a tabela
abaixo. |
| Medidas entre terminais |
1 e 4 |
2 e 3 |
1 e 2 |
3 e 4 |
Com carcaça |
| Valor medido W |
40 a 60 W |
40 a 60 W |
EEE (isolado) |
EEE (isolado) |
EEE (isolado) |
B - Como testar sistema de ignição
Ao iniciar este teste, não se esqueça de
verificar
- Cabos de velas
- Velas
- Fios e conexões elétricas
- Baterias
- Alternador e regulador de voltagem
6- Como
testar as bobinas de ignição

| Os
veículos equipados com o sistema de injeção eletrônica G6/G7 têm duas bobinas
de ignição, cada uma com duas saídas para os cabos de velas. Estes teste verifica se
há centelha (faísca0 nas bobinas e nas velas, dando também condições de avaliar a
qualidade da centelha; verificar também se a resistência do enrolamento primário e do
secundário estão dentro do valor especificado. |
TESTANDO |
| 1- Coloque o centelhador em uma
saída de uma das bobinas e dê partida no motor > a faísca deve ser forte e uniforme.
Fazer este teste para a outra bobina. |
| 2- Com o motor desligado e a
ignição desligada, desligue o conector da bobina de ignição e coloque o MULTITESTE
DIGITAL no modo ohmímetro entre os terminais 19 e 51 da bobina 1 e meça a
resistência > deve apresentar um valor próximo a 0,55 W. Repita o
procedimento acima para a bobina 2 ( terminais 1 e 51). |
| 3- Com o motor desligado e
ignição desligada, coloque o MULTITESTE DIGITAL no modo ohmímetro na escala
KW , coloque o fio verde em uma das saídas da bobina e o fio preto na outra saída e
meça a resistência do enrolamento secundário das bobinas (cada bobina tem 2 saídas
para os cabos de velas) > deve apresentar cerca de 7,4 KW + ou
- 15%. |
7- Como testar alimentação
de centralina

| TESTANDO |
| 1- PONTA DE PROVA no
terminal 29 do conector da centralina > Positivo (+). |
| 2- PONTA DE PROVA nos
terminais 13,16 e 17 da centralina > Negativo (-). |
| 3- PONTA DE PROVA no pino
35 da centralina e ligue a ignição > Positivo (+). |
8- Como testar o relé de
proteção.

| TESTANDO |
| 1- PONTA DE PROVA no fio
vermelho branco (pino 87) do relé > Positivo (+) com a ignição ligada. |
- Retire o relé
, coloque a PONTA DE PROVA no conector do
relé:
85 > deve ter negativo (-)
86 > deve ter positivo (+)
30 > deve ter positivo (+) |
C - Como testar sensores
9- Como testar sensor de
temperatura da água

TESTANDO |
| 1- Com a chave ligada e com motor
parado coloque a PONTA DE PROVA no fio ligado ao pino 31 do sensor > Deve ter massa (-)
|
| 2- Com a chave ligada e com motor
parado coloque o gafanhoto do MULTITESTE DIGITAL no modo voltimetro no fio ligado ao pino
14 do sensor> Deve estar de acordo com os dados abaixo. |
Dados de valores aproximados
| Temperatura graus |
100 |
90 |
80 |
60 |
30 |
0 |
| Resistência W |
200 |
250 |
300 |
600 |
2500 |
10 000 |
| Tensão V |
0,3 |
0,4 |
0,5 |
1,7 |
2,5 |
4,1 |
10- Como testar sensor de
pressão absoluta


| TESTANDO |
| 1- PONTA DE PROVA no fio ligado
ao terminal 31> Negativo (-) com ignição ligada ou desligada. |
| 2- Gafanhoto com a ponta verde
MULTITESTE DIGITAL (no modo voltímetro) no fio ligado ao terminal 15 > Deve ter
aproximadamente 5V com a ignição ligada. |
| 3- Gafanhoto com a ponta verde
MULTITESTE DIGITAL no terminal 10. Coloque a bomba de vácuo no sensor > A resposta do
sensor deve estar de acordo com os dados abaixo. Obs: Estes dados poderão ter pequena
diferença nos valores, dependendo da altitude do local. |
| 4- Se os dados forem verificados
e a lâmpada de advertência continua acesa, verifique entradas falsas de ar, mangueira,
obstruções, vácuo no coletor de admissão |
| Obs: Estes
valores podem apresentar uma pequena variação dependendo da altitude do local.Medições
feitas a cerda de 800 m de altitude. |
| Vácuo (mmHg |
0 |
100 |
200 |
300 |
400 |
500 |
600 |
| Tensão (V) |
4,9 |
4,2 |
3,6 |
2,8 |
2,1 |
1,7 |
1,0 |
11- Como testar
sensor de temperatura do ar

| TESTANDO |
1- Com a
chave ligada e motor parado coloque a PONTA DE PROVA no fio ligado ao pino 31 do sensor
> Deve ter massa (-). |
| 2- Com a chave ligada e motor
parado coloque o gafanhoto com a ponta verde do MULTISTESTE DIGITAL no modo voltimetro no
fio ligado ao pino 14 do sensor> Deve estar de acordo com os dados abaixo. Em
temperatura normal de funcionamento deverá ter aproximadamente 2,5 V. |
Dados de valores aproximados
| Temperatura graus |
80 |
60 |
50 |
30 |
20 |
0 |
Resistência
W |
400 |
700 |
1250 |
2500 |
4000 |
10
000 |
Tensão
V |
0,8 |
1,3 |
1,7 |
2,5 |
3,2 |
4 |
12- Como testar sensor de
rotação

TESTANDO |
| Desconecte o conector do sensor,
com a ignição desligada com o MULTITESTE DIGITAL ligada entre os terminais 5 e
24: meça a resistência > Deve ter 680 W 15%. |
13- Como testar sensor
de posição da borboleta

TESTANDO |
1- Com a
chave ligada e o motor parado coloque a PONTA DE PROVA no fio ligado ao terminal 31 >
Deve ter massa (-). |
2- Com a
chave ligada e o motor parado coloque a ponta verde no MULTITESTE DIGITAL no fio ligado ao
terminal 33> Deve ter aproximadamente 5V. |
3- Com a
chave ligada e motor parado coloque o gafanhoto com ponta verde do MULTITESTE DIGITAL no
fio ligado ai terminal 11 > Deve estar de acordo com dados abaixo. |
Dados
| Posição da borboleta |
Tensão |
Borboleta
fechada |
0.25
a 1.25V |
Meia
borboleta |
2
a 3V |
Borboleta
totalmente aberta |
4
a 5V |
14- Como testar sonda lambda

TESTANDO |
| 1- Com a ignição ligada e motor
parado coloque a PONTA DE PROVA no fio ligado ao terminal 13> Deve ter massa (-) |
| 2- Com a ignição ligada e motor
parado coloque o gafanhoto com a ponta verde do MULTITESTE DIGITAL no modo voltímetro no
fio que liga ao terminal 51. Ligar o motor> Deve ter 12V. |
| 3- Com a ignição ligada e
motor parado coloque o gafanhoto com a [ponta verde do MULTITESTE DIGITAL no modo voltimetro no fio que liga ao terminal 30. Ligar o motor; acelerar
varias vezes o motor. A tensão deve variar ligeiramente entre 0 e 0,8V com motor parado. |
| Observação: em
alguns modelos o negativo é feito próprio escapamento. A oxidação da rosca do sensor
ou do parafuso do escapamento pode causar falha de negativo na sonda. |
15- Como
testar partida a frio

| Os sistemas SPI a álcool possuem um sistema auxiliar de partida a frio, que
pode ser visualizar mais adiante
O relé de partida a frio é acionado pela
centralina em função da temperatura do motor.
Quando a temperatura do motor está baixa, a
centralina comanda o acionamento do relé, permitindo que ocorra a injeção de gasolina
pela borboleta de partida a frio. |
|