CAPITULO 40
APLICATIVO GM
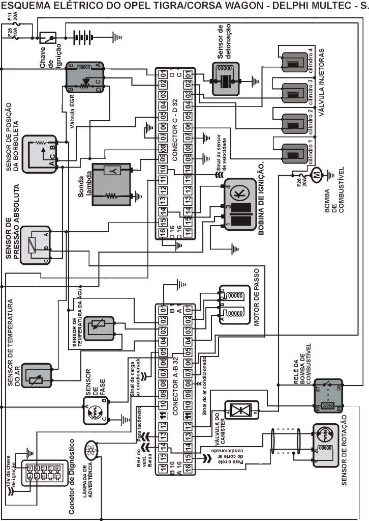
DELPHI MULTEC - S
OPEL TIGRA
COMO FUNCIONA O SISTEMA.
|
n Através dos valores captados dos sensores e nos interruptores a Centralina ou ECU comanda os atuadores que mantém as seguintes operações.
n Há também modos de segurança, ou seja se a Centralina falhar, a quantidade de combustivel a ser injetada e o avanço da ignição passam ser controlados pela (Estratégia de Operação em Emergência ) que permitira que o veiculo chegue até uma oficina. Caso haja falha em algum dos sensores a Centralina assume valores padrões que se encontram armazenados como parte da (Estratégia de Operação em Emergência) |
|
COMO CONSEGUIR O CÓDIGO DE FALHAS.
Este sistema possui autodiagnose de defeitos, o que reduz o tempo de pesquisa de falhas. A indicação de falhas do sistema é feito pôr piscadas fornecidas pela lâmpada de advertência no painel de instrumentos. Pelos dados abaixo verificamos se existe problemas ou não IGNIÇÃO LÂMPADA DE ADVERTÊNCIA DIAGNOSE
A lâmpada de advertência não é indicativa de todos os defeitos, algumas partes como sistema de ignição como cabos de velas e também bomba, filtro, regulador de pressão do sistema de combustivel não são detectados. 1 - A lâmpada de advertência funciona como luzes de advertência da pressão do óleo ou da bateria como pôr exemplo. 2 - Deve acender ao ligar a chave e deve apagar quando motor entrar em funcionamento. 3 - Se lâmpada permanecer acesa com o motor funcionando, existe falhas. OS QUATRO PASSOS PARA CONSEGUIR O CÓDIGOS DE FALHAS.1 - Localização do conector de diagnostico ALDL. 2 - Interligue com um fio ou chave os conectores conforme gravura veja a localização do Conector de diagnósticos ou ALDL conforme figura acima fica no lado esquerdo do condutor . 3 - Ligue a chave de contato sem dar partida. Agora o sistema está pronto para apresentar os diagnósticos. Irá apresentar os defeitos se existirem. Ao energizar todos os componentes controlados pela Centralina, menos o relé da bomba de combustivel. Isto ocorrendo permite os circuitos difíceis de serem energizados sem o veiculo funcionar. Os componentes permanecerão energizados enquanto a centralina estiver no modo apresentação de diagnósticos. Fechar a válvula de controle de marcha lenta. 4 - Conte o numero de piscadas para identificar o código. IDENTIFICAÇÃO DO CÓDIGO. Como exemplo vamos citar o código 12.
Primeiro número Segundo número. |
LISTA DE CÓDIGO DE FALHAS.
| CÓD | FALHA |
TESTAR |
| 13 | Sonda Lambda |
Falha no circuito do sensor de Oxigênio ou sensor com defeito. |
| 14 | Sensor de temperatura da água |
Sinal do circuito do sensor de temperatura da água baixo, sensor com defeito ou sensor com a massa. |
| 15 | Sensor de temperatura da água |
Sinal do circuito do sensor de temperatura da água alto, sensor com defeito, mau contato nos condutores ou curto circuito com a voltagem da bateria. |
| 16 | Sensor de detonação. |
Curto circuito, sinal baixo ou alto. |
| 17 | Relé da bomba de combustivel e válvulas injetoras. |
Relé defeituoso, falta alimentação. |
| 18 | Módulo do filtro de detonação. |
Curto circuito, sinal baixo ou alto. |
| 19 | Sinal incorreto de RPM. |
Sinal do circuito da bobina ao módulo aberto, mau contato nas conexões ou bobina com defeito |
| 21 | Sensor da borboleta TPS . |
Sinal do circuito do sensor da borboleta de aceleração alto, sensor com defeito ou circuito em curto. |
| 22 | Sensor da borboleta TPS . |
Sinal do circuito do sensor da borboleta de aceleração baixa, sensor com defeito ou circuito em curto. |
| 24 | Sem sinal de velocidade do veiculo. |
VSS com defeito, circuito em aberto. |
| 29 | Relé da bomba de combustivel |
Sinal do circuito do relé da bomba de combustivel baixa, falha no circuito de alimentação do relé ou mau contato no conector. |
| 32 | Relé da Bomba de combustivel. |
Sinal do circuito do relé da bomba de combustivel alta, falha no circuito de alimentação do relé ou mau contato no conector. |
| 33 | Sensor MAP |
Curto circuito no chicote elétrico, sensor com defeito. |
| 34 | Sensor MAP |
Circuito aberto, Sensor com defeito. |
| 35 | Controle do ar da Marcha Lenta. |
IAC com defeito. |
| 41 | Linha EST - (B) bobina cilindros 2 e 3. |
Curto circuito com massa. |
| 42 | Linha de controle 1 e 4. |
Curto circuito com a voltagem da bateria. |
| 44 | Sonda Lambda - Mistura pobre. |
Voltagem baixa no circuito de O², Sensor com defeito. |
| 45 | Sonda Lambda - Mistura rica. |
Voltagem alta no circuito de O², Sensor com defeito. |
| 47 | Válvula EGR. |
Curto circuito, voltagem baixa. |
| 49 | Bateria - Voltagem alta. |
Alternador com defeito. |
| 51 | Trocar a Centralina |
Centralina com defeito. |
| 52 | Relé da bomba secundário de ar |
Curto circuito com massa ou interrupção do circuito. |
| 53 | Relé da bomba secundário de ar |
Curto circuito com a voltagem ou interrupção do circuito. |
| 55 | Substitua a Centralina. |
Centralina com defeito. |
| 56 | Solenóide do sistema injeção secundária de ar. |
Curto circuito com a massa ou interrupção do circuito. |
| 57 | Solenóide do sistema injeção secundária de ar. |
Curto circuito com a voltagem ou a massa ou interrupção do circuito. |
| 61 | Válvula de ventilação do tanque de combustivel. |
Curto circuito com a massa ou interrupção do circuito. |
| 62 | Válvula de ventilação do tanque de combustivel. |
Curto circuito com a massa ou interrupção do circuito. |
| 63 | Linha EST - (B) bobina cilindros 2 e 3. |
Curto circuito com a massa. |
| 64 | Linha de controle bobina cilindros 1 e 4, voltagem baixa. |
Curto circuito com a massa ou circuito em aberto. |
| 66 | Tubo do sensor de posição da borboleta de aceleração. |
Sinal do circuito sensor da borboleta de aceleração alto ou baixo, sensor com defeito ou circuito em curto. |
| 69 | Temperatura do ar admissão - Voltagem baixa |
Sinal do circuito sensor de temperatura do ar da admissão baixo, mau contato no conector, circuito aberto ou sensor com defeito. |
| 71 | Temperatura do ar admissão - Voltagem alta. |
Sinal do circuito sensor de temperatura do ar da admissão alto, circuito em curto ou sensor com defeito. |
| 87 | Relé de corte A/C. |
Sinal do circuito do relé de corte do condicionador de ar alto, relé com defeito ou circuito em curto. |
| 88 | Relé corte de combustivel - Voltagem alta. |
Sinal do circuito do relé de corte de combustivel alto, relé com defeito ou circuito em curto. |
| 92 | Circuito do sensor de fase |
Curto-circuito ou peça com problema. |
| 93 | Módulo Quad Drive |
Centralina. |
| SINTOMA | TESTAR OS SEGUINTES COMPONENTES |
| Motor de partida vira mas o motor não pega ou pega com dificuldade. | 1 . Teste de centelha 2 . Sistema de combustível 3 . Sensor de temperatura da água 4 . Sistema de ignição 5 . Fusíveis e relés do sistema de injeção e da bomba . 6 - Compressão/Vácuo. 7 - Sensor de fase. 8 - Sensor de rotação |
| Alto consumo de combustível | 1 . Sistema de arrefecimento 2 . Sistema de ignição 4 . Válvulas injetoras 5 . Sistema de combustível 6 . Sensor de temperatura da água |
| Motor falhando. | 1 . Sistema de ignição 2 . Medidor de massa de ar 3 . Válvulas injetoras 4 . Sistema de combustível 5 . Sonda lambda |
| Motor morre ao carro parar | 1 . Carga da bateria 2 . Sensor de velocidade 3 . Motor de passo. 4 . Circuitos de vácuo 5 . Potenciômetro da borboleta 6 . Sensor de fase. |
| Motor com problemas na aceleração e desenvolvimento , rateando | 1 . Sistema de ignição 2 . Válvulas injetoras 3 . Sonda lambda 4 . Sensor de temperatura do ar. 5 . Sensor de temperatura da água. 6 . Sensor da posição da borboleta 7 . Sistema de combustível . 8 - Válvula termostática. 9 - Compressão/Vácuo. |
| Marcha-lenta irregular , rotação , gases de escape, etc. | 1 . Sistema de ignição 2 . Medidor de massa de ar 3 . Motor de passo. 4 . Sonda lambda 5 . Bomba de combustível 6 . Válvulas injetoras 7 . Compressão / Vácuo. 8 . Válvula EGR. 9 . Sensor da borboleta. |
| Motor pega mas logo morre | 1 . Sensor de temperatura da
água 2 . Compressão/Vácuo. 3 . Sensor de rotação 4 . Motor de passo. 5 . Sistema de combustivel. 6 . Sensor de fase. |
| Má retomada de aceleração | 1 . Sistema de ignição 2 . Válvulas injetoras 3 . Sistema de combustível 4 . Sonda lambda 5 . Sensor de temperatura do ar 6 . Sensor de temperatura da água 7 . Sensor de posição da borboleta. 8 . Compressão /Vácuo 9 . Válvula termostática. |
| Nível de CO muito baixo. | 1 . Sonda lambda 2 . Entrada falsa de ar 3 . Sistema de combustível 4 . Sensor de temperatura do ar 5 . Motor de passo. 6 . Válvula EGR. 7 . Válvula injetoras 8 . Sensor de temperatura da água |
| Nível de CO muito alto | 1 . Sistema de combustível 2 . Sonda lambda 3 . Sensor de temperatura do ar 4 . Válvulas injetoras 5 . Sensor de temperatura da água |
| Dificuldade de partida com motor quente | 1 . Sensor de temperatura da
água 2 . Conexão ao terra da bateria e do motor . 3 . Entrada falsa de ar 4 . Sistema de combustível 5 . Motor de passo. 6 . Sensor de temperatura do ar 7 . Compressão / vácuo |
| Dificuldade de partida com motor frio | 1 . Compressão / vácuo 2 . Conexão ao terra da bateria do motor . 3 . Entrada falsa de ar 4 . Sistema de combustível 5 . Sensor de temperatura da água 6 . Motor de passo. 7 . Sensor de temperatura do ar |
| Lâmpada de defeito não acende | 1 . Lâmpada de defeito |
| Motor aquece muito | 1 . Válvula termostática /
Sistema de arrefecimento 2 . Sensor de temperatura da água 3 . Compressão / vácuo 4 . Índice de CO²/sonda lambda 5 . Sistema de ignição |
| Motor detona / bate pino | 1 . Combustível 2 . Compressão / vácuo / Carbonização 3 . Sistema de ignição 4 . Sensor da árvore de manivelas 5 . Sensor de fase. |
| Motor continua funcionando após desligado | 1 . Sistema de combustível 2 . Compressão / carbonização |
| Baixa potência do motor com carga máxima | 1 . Sistema de ignição 2 . Compressão / vácuo 3 . Sensor de posição da borboleta. 4 . Válvulas injetoras 5 . Sistema de combustível |
Conector da Unidade Central

| Bobina de ignição Resistência do enrolamento primário.......................................................de 0,6 W a 0,8WResistência do enrolamento Secundário.........................................de 5,5K W a 6,5K WSensor de temperatura da água. Resistência - motor frio 20° a 50°C......................................................de 3,5K W a 0,7 KW.Resistência - motor quente de 80° a 100°C...........................................de 325 W a 175 W .Motor de passo. Resistência do enrolamento...................................................................... de 45 W a 70 WVálvula injetora de combustivel. Resistência de enrolamento.......................................................................de 12 W a 14 WVálvula de canister Resistência do enrolamento.......................................................................de 25 W a 40 W |

COMO TESTAR COMPONENTES
1)- COMO TESTAR SENSOR DE TEMPERATURA DA ÁGUA .

TESTANDO |
1-Ignição ligada, motor parado, PONTA DE PROVA no fio ligado ao pino B3 da centralina . Negativo (-). |
2-Ignição ligada, motor parado, MULTITESTE DIGITAL modo voltimetro no fio ligado ao pino B2 da centralina. Tabela abaixo motor quente entre 80 °C e 90 °C . |
Tabela
| Temperatura ° C | 20 |
30 |
40 |
50 |
60 |
70 |
80 |
90 |
100 |
110 |
| Tensão V | 2,34 |
1,79 |
1,36 |
3,62 |
3,26 |
2,84 |
2,40 |
2,02 |
1,67 |
1,35 |
| Resistência W | 3530 |
2230 |
1450 |
630 |
660 |
465 |
325 |
235 |
175 |
129 |
2)-COMO TESTAR SENSOR DE TEMPERATURA DO AR .

TESTANDO |
1-Ignição ligada, motor parado, PONTA DE PROVA no fio ligado ao pino B4 da centralina. Negativo (-). |
2-Ignição ligada, motor parado, MULTITESTE DIGITAL no modo voltímetro no fio ligado ao pino F15 da centralina Tabela voltímetro no fio marrom abaixo. |
Tabela
| Temperatura °C | 10 | 20 | 30 | 40 | 50 | 60 | 70 | 80 | 90 | 100 |
| Tensão v | 2,39 | 2,34 | 1,79 | 1,36 | 3,62 | 3,26 | 2,84 | 2,40 | 2,02 | 1,67 |
| Resistencia W | 5580 | 3530 | 2230 | 1450 | 630 | 660 | 465 | 325 | 235 | 175 |
3)-COMO TESTAR SENSOR DE POSIÇÃO DA BORBOLETA .

TESTANDO |
1-Ignição ligada, motor parado, PONTA DE PROVA no fio ligado ao pino B2 da centralina . Negativo (-). |
2-Ignição ligada, motor parado, MULTITESTE DIGITAL no modo voltímetro no fio ligado ao pino F8 da centralina. Aproximadamente 5 v . |
3-Ignição ligada, motor parado, MULTITESTE DIGITAL, no modo voltímetro no fio ligado ao pino F5 da centralina. As leituras devem estar de acordo com a tabela 1 abaixo. |
Tabela
| Posição da borboleta | Tensão v |
| Borboleta fechada | 0,3 a 1,0 |
| Borboleta totalmente aberto | 4,0 a 4,8 |
4)-COMO TESTAR SENSOR DE PRESSÃO NO COLETOR DE ADMISÃO -MAP

TESTANDO |
1-Ignição ligada, motor parado, PONTA DE PROVA no fio ligado ao pino F15 da centralina . Negativo (-) . |
2-Ignição ligada, motor parado, MULTITESTE DIGITAL modo voltímetro no fio ligado ao pino F8 da centralina . Aproximadamente 5 v . |
3-Ignição ligada, motor parado, MULTITESE DIGITAL modo voltimetro no fio (verde) ligado ao pino A7 da centralina. Com a bomba de vácuo ligada ao MAP, aplicar vácuo e comparar com a tabela 1 abaixo. |
Tabela
| Vácuo mmHg | 0 |
150 |
230 |
300 |
380 |
| Tensão v | 4.9 |
3.8 |
3.3 |
2.7 |
2.2 |
5)-COMO TESTAR SENSOR DE ROTAÇÃO E PMS .

TESTANDO |
1-Ignição ligada, conector solto, MULTITESTE DIGITAL no modo ohmímetro: resistência do sensor. 540 W ± 10 % . |
2-Ignição ligada, PONTA DE PROVA no fio ligado ao terminal 3 do conector. Negativo |

TESTANDO |
| 1-Motor funcionando, PONTA DE PROVA no fio ligado ao terminal A da sonda lambda Positivo (+). |
| 2-Motor funcionando, PONTA DE PROVA no fio ligado ao terminal B da sonda lambda . Negativo (-). |
3-Motor funcionando e aquecido, MULTITESTE DIGITAL modo voltímetro no fio ligado ao pino F9 da centralina. Acelere o motor. Oscila de 0,1 v a 0,9 v . |

TESTANDO |
1-Ignição ligada, motor parado. PONTA DE PROVA no fio, terminal C do sensor de fase. Negativo (-). |
2-Ignição ligada, motor parado. PONTA DE PROVA no fio terminal A do sensor de fase . Positivo (+). |
3-Ignição ligada, dar partida. PONTA DE PROVA no fio terminal B do sensor de fase. Led (verde) deve piscar na partida ou durante o funcionamento do motor . |
8)-COMO TESTAR VÁLVULAS INJETORAS .

TESTANDO |
1-Ignição ligada, motor parado, PONTA DE PROVA nos fios ligados ao relê da bomba de combustível fio. Positivo (+). |
2-Ignição ligada, motor parado, PONTA DE PROVA nos fios ligados aos pinos E2, E3, E4 e E6 da centralina . Led (verde) pisca durante partida ou com motor funcionando . |
3-Ignição desligada, conector solto, MULTITESTE DIGITAL modo ohmímetro, medir resistência de cada válvula. 12 a 14 W . |

TESTANDO |
1-Centelhador colocado em cada saída da bobina. Dar partida no motor. Centelhador forte (mínimo 2 cm ) durante partida . |
2-Ignição ligada, motor parado, PONTA DE PROVA no fio da bobina que vem da chave de ignição. Positivo (+) 12 v . |
3-PONTA DE PROVA nos fios ligados aos pinos E 14 e F14 da centralina. Dar partida no motor. Led (verde) deve piscar durante parida |
4-MULTITESTE DIGITAL modo ohmímetro: medir resistência do primário e do secundário da bobina. Primário : 0,6W a 0,8 W . Secundário 5,5KW a 6,5KW . |
10)-COMO TESTAR MOTOR DE PASSO (controle da marcha-lenta ).

TESTANDO |
1-Ignição ligada, motor parado. Conecte a PONTA DE PROVA do em cada um dos fios do motor de passo. Os leds deverão piscar alternadamente quando for dada a partida.(logo que o motor pegar). |
2-Ignição desligada, Desconecte o conector do motor de passo. Com MULTITESTE DIGITAL no posição ohmímetro, meça as resistências dos enrolamentos dos terminais A B C D do motor de passo. Devem estar de acordo com a tabela abaixo. |
Tabela
| Medição entre os terminais | Valor medido |
| A e B | 45 a 70 W |
| C e D | 45 a 70 W |
| B e C | EEE isolado |
| A e D | EEE isolado |
| qualquer terminal e a carcaça | EEE isolado |
11)-COMO TESTAR PRESSÃO DA BOMBA DE COMBUSTÍVEL.

TESTANDO |
1-Antes de iniciar este teste, despressurize o sistema: retire o fusível da bomba de partida e espere o carro morrer.Coloque o mânometro na entrada de combustível tubo distribuidor. Recoloque o fusível, feche a válvula de esfera e dê partida no motor .Deve indicar uma pressão de 2,5 a 3,1 bar . |
12)-COMO TESTAR VÁLVULA EGR LINEAR .

TESTANDO |
1-Ignição ligada, motor parad, PONTA DE PROVA no fio da ignição (E) da EGR. Positivo (+). |
2-Ignição ligada, motor parado, PONTA DE PROVA no fio ligado ao pino A da EGR ou F1 do conector da centralina. Acelerar o veículo algumas vezes, Negativo (-) por alguns instantes. |
3-Ignição ligada, motor parado, PONTA DE PROVA no fio da ignição D da ECG ou F8 do conector da centralina . Aproximadamente 5 v . |
4-Ignição ligada, motor parado, PONTA DE PROVA no fio da ignição B da EGR ou B2 do conector da centralina . Negativo (-). |
5-Ignição desligada, válvula EGR solto, MULTITESTE DIGITAL, modo ohmímetro . Medir a resistência entre os terminais indicados na tabela abaixo. |
Terminais |
Resistência |
A e E |
8 a 12 W |
B e D |
4,5 a 6,0 K W |
13)-COMO TESTAR VÁLVULA DO CANISTER .

TESTANDO |
1-Ignição ligada, motor funcionando. PONTA DEPROVA no fio ligado ao relé da bomba de combustível . Positivo (+). |
2-Motor funcionando, PONTA DE PROVA no fio ligado ao terminal A13 da centralina .Acelere e desacelerar o motor diversas vezes. Negativo (-). |
3-Ignição desligada, conector solto, MULTITESTE DIGITAL modo ohmímetro. Resistência da válvula entre 25 e 40 W. |
14)-COMO TESTAR RELÉ DA BOMBA DE COMBUSTÍVEL .

TESTANDO |
1-Coloque a PONTA DE PROVA no terminal 85 do relê. Dar partida no motor . Negativo (-) durante a partida . |
2-Ignição ligada motor parado. Coloque a PONTA DE PROVA no terminal 86 do conector. Positivo (+). |
3-Ignição desligada , PONTA DE PROVA no terminal 30. Positivo (+). |
4-Coloque a PONTA DE PROVA no fio ligado ao pino 87 do relé. Dar partida no motor Positivo (+) durante a partida ou com motor funcionando. |
COMO TESTAR ALIMENTAÇÃO ELÉTRICA.
TESTANDO |
| 1-Ignição desligada, PONTA DE PROVA no fio ligado ao terminal A6 da centralina. Positivo (+). 12 v . |
| 2-Ignição ligada, PONTA DE PROVA noa fios ligados aos terminais B1, F7, F16, E7 e E9 da centralina. Negativo (-). |
| 3-Ignição ligada, motor parado PONTA DE PROVA nos fios ligados aos terminais F3 e E16 da centralina. Positivo (+) 12 v . |