CAPITULO 38
APLICATIVO FORD
FIC-EEC V
TAURUS 3.0 24V
|
Localização do interruptor inercial Taurus
| Dentro do porta malas lado direito, atrás do carpete |
|
Através dos valores captados dos sensores e
nos interruptores a Centralina ou ECU comanda os atuadores que mantém as seguintes
operações.
Há também modos de segurança, ou seja se a Centralina falhar, a quantidade de combustivel a ser injetada e o avanço da ignição passam ser controlados pela (Estratégia de Operação em Emergência ) que permitira que o veiculo chegue até uma oficina. Caso haja falha em algum dos sensores a Centralina assume valores padrões que se encontram armazenados como parte da (Estratégia de Operação em Emergência) |
| Algumas falhas deste sistema podem serem
obtidos através dos códigos de falhas. Estes códigos indicam quais falhas estão
ocorrendo ou ocorreram durante o uso do automóvel. A grande vantagem de se ter estes
códigos é facilitar o diagnósticos do sistema e ajudar na resolução de um provável
defeito. Os códigos de falha nem sempre é conclusivo após a constatação da falha é
muito importante o teste do componente ver mais adiante como testar os componentes. Os códigos de falhas podem serem obtidos através de um SCANNER, os códigos de falhas são transmitidos para o SCANNER e, eventualmente podem ocorrer erros de comunicação entre equipamento ea centralina. O erro de comunicação pode ser causado por manuseio errado do mecânico ou problemas de chicote, conectores com mau contato ou fios interrompidos. As falhas encontradas pelo SCANNER provem de três situações. n - Defeito passado que ficou armazenado na memória da Centralina. n - Defeito presente encontrado com a chave de ignição ligada e o motor parado. n - Defeito presente encontrado com a chave de ignição ligada e o motor funcionando. Existem dois tipos de testes: no primeiro e segundo testes são testes ESTÁTICOS com motor desligado no primeiro Teste Estático de Defeito Passado, no segundo Teste Estático de Defeito Presente, no terceiro teste DINÂMICO com motor funcionando, Teste Dinâmico de Defeito Presente. |
| AVISO: Sempre comece pelo teste estático: somente após resolver os defeitos apresentados pelo teste estático, faça os testes dinâmicos. |
LISTA DO CÓDIGO DE FALHAS PARA TODOS TESTES.
| CÓD | CAUSA |
TESTE |
| 0102 | Massa de ar abaixo da faixa. | Medidor de massa de ar. |
| 0103 | Massa de ar acima da faixa. | Medidor de massa de ar. |
| 0112 | Temperatura de ar abaixo da faixa. | Sensor de temperatura do ar de admissão. |
| 0113 | Temperatura de ar acima da faixa. | Sensor de temperatura do ar de admissão. |
| 0117 | Temperatura de água abaixo da faixa. | Sensor de temperatura de água. |
| 0118 | Temperatura de água acima da faixa. | Sensor de temperatura de água. |
| 0122 | Posição da borboleta abaixo da faixa. | Potenciômetro da borboleta, alimentação da centralina |
| 0123 | Posição da borboleta acima da faixa. | Potenciômetro da borboleta, alimentação da centralina |
| 0131 | Baixa tensão na sonda lambda. | Sonda lambda. |
| 0132 | Alta tensão na sonda lambda. | Sonda lambda. |
| 0135 | Mau funcionamento da sonda lambda. | Sonda lambda. |
| 0171 | Sistema adaptativo do combustivel muito pobre. | Sonda lambda, sistema da bomba e injetores. |
| 0172 | Sistema adaptativo do combustivel muito rico. | Sonda lambda, sistema da bomba e injetores. |
| 0230 | Mau funcionamento do circuito primário da bomba | Sistema da bomba de combustivel. |
| 0231 | Circuito secundário da bomba baixo. | Sistema da bomba de combustivel. |
| 0232 | Circuito secundário da bomba alto. | Sistema da bomba de combustivel. |
| 0340 | Mau funcionamento do sensor da árvore do comando de válvulas. | Sensor da árvore de comando de válvulas. |
| 0350 | Mau funcionamento do primário da bobina. | Bobina de Ignição, alimentação da centralina. |
| 0351 | Mau funcionamento do primário da bobina 1 | Bobina de Ignição, alimentação da centralina. |
| 0352 | Mau funcionamento do primário da bobina 2 | Bobina de Ignição, alimentação da centralina. |
| 0401 | Fluxo insuficiente da EGR. | Válvula EGR. |
| 0402 | Fluxo alto da EGR na marcha lenta. | Válvula da EGR, Sensor de pressão diferencial da EGR. |
| 0443 | Válvula do canister com problemas. | Válvula do canister. |
| 0500 | Mau funcionamento do sensor de velocidade. | Sensor de Velocidade. |
| 0603 | Erro da memória KAM. | Alimentação da centralina. |
| 0605 | Erro na memória EEPROM. | Alimentação da centralina. |
| 1101 | Massa de ar fora da faixa. | Medidor da massa de ar. |
| 1116 | Temperatura da água fora da faixa. | Sensor da temperatura da água. |
| 1120 | Posição da borboleta abaixo da faixa. | Potenciômetro da borboleta. |
| 1121 | Sensor da posição da borboleta inconsistente com o de fluxo de ar. | Potenciômetro da borboleta medidor de massa de ar |
| 1124 | Posição da borboleta fora de faixa. | Potenciômetro da borboleta. |
| 1130 | Sonda lambda não chaveando ou sistema adaptativo no limite. | Pressão da bomba de combustivel, sonda lambda, injetores. |
| 1131 | Indicação de mistura pobre, sonda lambda não chaveando. | Sonda lambda, injetores, pressão da bomba de combustivel. |
| 1132 | Indicação de mistura rica, sonda lambda não chaveando. | Sonda lambda, injetores, pressão da bomba de combustivel. |
| 1260 | Tentativa de roubo. | Alimentação da Centralina. |
| 1270 | Limitador de rotação. | Alimentação da Centralina. |
| 1351 | Mau funcionamento do sistema de ignição. | Bobina de ignição, alimentação da centralina. |
| 1358 | Monitor de diagnóstico de Ignição fora de faixa. | Bobina de ignição, alimentação da centralina. |
| 1359 | Mau fornecimento de sinal as velas. | Bobina de ignição, alimentação da centralina. |
| 1390 | Ajuste da octanagem fora de faixa. | Ajuste da octanagem. |
| 1400 | Tensão baixa no sensor de pressão diferencial da EGR. | Sensor de pressão diferencial da EGR. |
| 1401 | Tensão alta no sensor de pressão diferencial da EGR. | Sensor de pressão diferencial da EGR. |
| 1405 | Mangueira do contra fluxo da pressão do sensor de pressão diferencial da EGR solta. | Sensor de pressão diferencial da EGR. |
| 1406 | Mangueira a favor do fluxo da pressão do sensor de pressão diferencial da EGR solta. | |
| 1408 | Fluxo de Recirculação dos gases fora do campo de trabalho. | Sensor de pressão diferencial da EGR, válvula da EGR. |
| 1409 | Mau funcionamento da EGR. | Válvula da EGR. |
| 1460 | Mau funcionamento do ar Condicionado. | Sistema de ar Condicionado. |
| 1464 | Demanda do ar condicionado fora de faixa. | Sistema de ar Condicionado. |
| 1474 | Mau funcionamento da ventoinha de baixa velocidade. | Sistema de arrefecimento. |
| 1479 | Mau funcionamento da ventoinha de alta velocidade. | Sistema de arrefecimento. |
| 1650 | Mau funcionamento do interruptor da direção hidráulica. | Interruptor da direção hidráulica. |
DIAGNÓSTICO DE DEFEITOS PELO SINTOMA.
| SINTOMA | TESTAR OS SEGUINTES COMPONENTES |
| Motor de partida vira, mas o motor não pega ou pega com dificuldade. | 1 . Teste de centelha 2 . Sistema de combustível 3 . Sensor de temperatura da água 4 . Sistema de ignição 5 . Fusíveis e relés do sistema de injeção e da bomba . |
| Alto consumo de combustível | 1 . Sistema de arrefecimento 2 . Sistema de ignição 3 . Medidor de massa de ar 4 . Válvulas injetoras 5 . Sistema de combustível 6 . Sensor de temperatura da água |
| Motor falhando na injeção e na ignição | 1 . Sistema de ignição 2 . Medidor de massa de ar 3 . Válvulas injetoras 4 . Sistema de combustível 5 . Sonda lambda 6 . Potenciômetro da borboleta |
| Motor morre ao carro parar | 1 . Carga da bateria 2 . Sensor de velocidade 3 . Válvula de controle de ar da marcha-lenta 4 . Circuitos de vácuo 5 . Potenciômetro da borboleta 6 . Sensor da árvore de comando de válvulas |
| Motor com problemas na aceleração e desenvolvimento rateando | 1 . Sistema de ignição 2 . Válvulas injetoras 3 . Sonda lambda 4 . Sensor da árvore de comando de válvulas 5 . Sensor da árvore de manivelas 6 . Medidor de massa de ar 7 . Sistema de combustível . |
| Marcha-lenta fora de ponto, rotação, gases de escape, etc. | 1 . Sistema de ignição 2 . Medidor de massa de ar 3 . Válvula de controle de ar da marcha lenta . 4 . Sonda lambda 5 . Bomba de combustível 6 . Válvulas injetoras 7 . Compressão / Vácuo. |
| Motor pega mas logo morre | 1 . Sensor de temperatura da
água 2 . Medidor de massa de ar 3 . Sensor de rotação 4 . Válvula de controle de ar da marcha lenta 5 . Sensor da árvore de comando de válvulas |
| Má retomada de aceleração | 1 . Sistema de ignição 2 . Válvulas injetoras 3 . Sistema de combustível 4 . Sonda lambda 5 . Sensor de temperatura do ar 6 . Sensor de temperatura da água 7 . Medidor de massa de ar 8 . Interruptor da embreagem 9 . Interruptor do câmbio 10 . Potenciômetro da borboleta 11 . Válvula termostática 12 . Compressão /Vácuo |
| Nível de CO muito baixo. | 1 . Sonda lambda 2 . Entrada falsa de ar 3 . Sistema de combustível 4 . Sensor de temperatura do ar 5 . Válvula de controle de ar da marcha lenta 6 . Medidor de massa de ar 7 . Válvula injetoras 8 . Sensor de temperatura da água |
| Nível de CO muito alto | 1 . Sistema de combustível 2 . Sonda lambda 3 . Sensor de temperatura do ar 4 . Medidor de massa de ar 5 . Válvulas injetoras 6 . Sensor de temperatura da água |
| Dificuldade de partida com motor quente | 1 . Sensor de temperatura da
água 2 . Conexão ao terra da bateria e do motor . 3 . Entrada falsa de ar 4 . Sistema de combustível 5 . Válvula de controle de ar marcha-lenta 6 . Sensor de temperatura do ar 7 . Medidor de massa de ar 8 . Compressão / vácuo |
| Dificuldade de partida com motor frio | 1 . Compressão / vácuo 2 . Conexão ao terra da bateria do motor . 3 . Entrada falsa de ar 4 . Sistema de combustível 5 . Sensor de temperatura da água 6 . Válvula de controle de ar da marcha-lenta 7 . Sensor de temperatura do ar 8 . Medidor de massa de ar |
| Lâmpada de defeito não acende | 1 . Lâmpada de defeito |
| Motor aquece muito | 1 . Válvula termostática /
Sistema de arrefecimento 2 . Sensor de temperatura da água 3 . Compressão / vácuo 4 . Índice de co/sonda lambda 5 . Sistema de ignição |
| Motor detona / bate pino | 1 . Combustível 2 . Compressão / vácuo / Carbonização 3 . Sistema de ignição 4 . Sensor da árvore de manivelas 5 . Sensor da árvore de comando de válvulas |
| Motor continua funcionando após desligado | 1 . Sistema de combustível 2 . Compressão / carbonização |
| Baixa potência do motor com carga máxima | 1 . Sistema de
ignição 2 . Compressão / vácuo 3 . Medidor de massa de ar 4 . Válvulas injetoras 5 . Potenciômetro da borboleta 6 . Sistema de combustível |
| Bobina de ignição Resistência do enrolamento primário.......................................................de 0,4W a 0,6W . Resistência do enrolamento secundário.................................................de 13KW a 16KW . |
| Sensor de
temperatura da água. Resistência - motor frio 10° a 50°C........................................................de 30KW a 33KW . Resistência - motor quente 80° a 100°C...............................................de 1,8KW a 2,2KW . |
| Sensor da
posição da borboleta. Tensão de alimentação.......................................................................................5V ± 5%. Resistência total entre pinos 1 e 3 .......................................................de 3,4KW a 4,2KW. Resistência entre pinos 2 e 3.....................Borboleta aberta:................de 3,4KW a 3,8KW. Resistência entre pinos 2 e 3...................Borboleta fechada...................de 680W a 720W. |
| Atuador da marcha
lenta. Resistência do enrolamento......................................................................... de 8 a 12 W. |
| Sensor de
posição da árvore de comando de válvulas. Resistência...............................................................................................de 400W a 600W. |
| Sensor de posição da árvore de
manivelas. Resistência...............................................................................................de 400W a 600W. |
| Sonda lambda. Resistência de aquecimento...........................................................................de 3 W a 8W. |
| Medidor do fluxo de
ar Resistência entre pinos A e B.............................................................de 110KW a 120KW. Resistência entre pinos C e D............................................................. de 3,5KW a 4,0KW . Resistência entre pinos B e C........................................................aproximadamente 0W . |
| Válvula
injetora de combustivel. Resistência de enrolamento........................................................................de 14W a 16W. |
| Válvula de canister. Resistência do enrolamento........................................................................de 60W a 70W. |
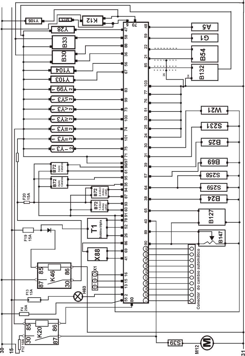
CONECTOR DA UNIDADE CENTRAL


A5 |
Painel de instrumento. |
A35 |
Módulo do Comando Central. (Centralina) |
A162 |
Imobilizador da Centralina. |
B24 |
Sensor de Temperatura da água. |
B25 |
Sensor de Temperatura do ar. |
B33 |
Sensor de Velocidade. (VSS) |
B30 |
Medidor da Massa de Ar. |
B54 |
Sensor de Posição da Árvore de Manivelas |
B69 |
Sensor de Detonação. |
B72 |
Sonda Lambda. |
B83 |
Sensor de Pressão Absoluta. |
B85 |
Sensor de Temperatura do ar do Motor. |
B127 |
Sensor do diferencial de pressão no sistema EGR. |
B132 |
Sensor de Posição do Eixo de Comando |
B147 |
Sensor de Posição da Borboleta. |
F |
Fusível |
G1 |
Alternador. |
K12 |
Relé da Ventilação forçada. |
K20 |
Relé da Bomba de Combustivel |
K46 |
Relé do sistema de Injeção. |
K143 |
Relé do Compressor do ar Condicionado. |
M12 |
Bomba de Gasolina. |
S13 |
Interruptor das Sinaleiras STOP. |
S152 |
Interruptor da pressão do refrigerante do ar Condicionado |
S231 |
Interruptor de pressão da Direção Hidráulica. |
S249 |
Interruptor da troca de marchas do Cambio |
T1 |
Bobina de Ignição |
X1 |
Conector de Diagnostico (ALDL). |
Y3 |
Válvulas Injetoras. |
Y11 |
Embreagem do Compressor do Ar Condicionado. |
Y28 |
Válvula do Sistema EGR |
Y99 |
Válvula do Controle da marcha Lenta. |
Y104 |
Válvula de Canister |
15 |
Ignição ligada. |
30 |
Bateria Positivo (+) |
31 |
Bateria Negativo (-) |
50 |
Ignição desligada. |
1)- COMO TESTAR SENSOR DE TEMPERATURA DO AR .

TESTANDO |
1- Ignição ligada, motor parado, PONTA DE PROVA no fio ligado ao terminal 91 da Centralina. Negativo (-) . |
2- Ignição ligada, motor pardo, multiteste digital, modo voltímetro, no fio ligado ao terminal 39 da Centralina. de 2,8 V a 3, 2 V dependendo da temperatura ambiente . |
3-Ignição desligada, conector solto, MULTITESTE DIGITAL modo ohmimetro, resistência entre ao pinos do sensor. entre 26 KW e 32 KW , depende da temperatura ambiente . Ver tabela abaixo |
Tabela
| Temperatura °C | 10 |
30 |
50 |
70 |
80 |
90 |
100 |
| Resistência KW | 58,75 |
24,27 |
12,00 |
5,37 |
3,84 |
2,80 |
2,07 |
| Tensão V | 3,52 |
2,62 |
1,80 |
1,04 |
0,80 |
0,61 |
0,47 |
2)-COMO TESTAR SENSOR DE TEMPERATURA DA ÁGUA .

TESTANDO |
1- Ignição ligada, motor parado, PONTA DE PROVA no fio ligado ao terminal 91 da centralina . (-). |
2- Ignição ligada, motor parado, MULTITESTE DIDGITAL modo voltímetro, no fio ligado ao terminal 38 da Centralina, valores dados pala tabela baixo (motor quente. de 0,4 v a o,5 V ) . |
Tabela
| Temperatura °C | 10 |
30 |
50 |
70 |
80 |
90 |
100 |
| Resistência KW | 58,75 |
24,27 |
12,00 |
5,37 |
3,84 |
2,80 |
2,07 |
| Tensão V | 3,52 |
2,62 |
1,80 |
1,04 |
0,80 |
0,61 |
0,47 |
3)-COMO TESTAR MEDIDOR DE MASSA DE AR .

TESTANDO |
1- Ignição ligada, motor parado, PONTA DE PROVA no fio ligado no fio ao pino b do sensor . Negativo (-). |
2- Ignição ligada, motor parado, PONTA DE PROVA no fio ligado ao terminal 36 da centralina . Negativo (-). |
3- Ignição ligada, motor parado, PONTA DE PROVA no fio ligado ao relé de potência. Positivo (+). |
4- Ignição ligada, motor funcionando, MULTITESTE DIGITAL modo voltímetro, no fio ligado ao terminal 88 da Centralina, valores dados pela tabela abaixo . |
Tabela
MARCHA LENTA |
2000 rpm |
3000 rpm |
|
TENSÃO |
de 0,7 v a 0,9 v |
de 1,0v a 1,2 v |
de 1,3 v a 1,5 v |
4)-COMO TESTAR SENSOR DE VELOCIDADE

TESTANDO |
1- Ignição ligada, motor parado, PONTA DE PROVA no fio ligado ao terminal 33 da centralina . Negativo (-). |
2- Ignição desligada, conector solto, MULTITESTE DIGITAL modo ohmimetro, medir resistência entre os terminais do sensor de 200 W a 240 W . |
5) - Como testar o sensor da posição da borboleta.

TESTANDO |
1- Ignição ligada, motor parado, PONTA DE PROVA no fio ligado ao terminal 91 da Centralina. Negativo (-). |
2- Ignição ligada, motor parado MULTITESTE DIGITAL modo voltímetro no fio ligado ao terminal 90 da Centralina. aproximadamente 5V. |
3- Ignição ligada, motor parado, MULTITESTE DIDGITAL, modo voltímetro, no fio ligado ao terminal 89 da Centralina. Valores de acordo com a tabela abaixo. |
Tabela.
| Resistência entre pinos | 91 e 89 |
90 e 89 |
90 e 91 |
| Borboleta fechada | 700 e 900W |
3,4 e 3,7KW |
4,1 a 4,6KW |
| Borboleta aberta | 3,9 e 4,1KW |
200 a 400W |
4,1 a 4,6KW |
6)-COMO TESTAR SENSOR DE PRESSÃO DIFERENCIAL DA EGR.

TESTANDO |
1- Ignição ligada, motor parado, PONTA DE PROVA no fio ligado ao terminal 91 da centralina . Negativo (-). |
2- Ignição ligada, motor parado, MULTITESTE DIDGITAL, modo voltímetro , no fio ligado ao terminal 90 da Centralina. aproximadamente 5 v . |
3- Ignição ligada, motor parado, soltar a mangueira da pressão contra - fluxo. Ligar a bomba de vácuo no sensor e aplicar de 200 a 230 mmHg de vácuo. Com o MULTITESTE DIDGITAL modo voltímetro, medir a tensão no fio ligado ao terminal 65 da centralina . De 4v a 5v . Libere a mangueira da bomba . Tensão deve cair menos de 1v em 3 segundos . |


TESTANDO |
1- Motor funcionando, PONTA DE PROVA no fio ligado ao terminal 91 da Centralina. Negativo (-). |
2- Motor funcionando PONTA DE PROVA no fio ligado ao terminal 93 ( 94 para a segunda sonda ) da centralina. Negativo (-). |
3- Motor funcionando, PONTA DE PROVA no fio ligado ao relé de potência da centralina . Positivo (+) . |
4- Motor funcionando em marcha lenta, MULTITESTE DIDGITAL modo voltímetro, no fio ligado ao terminal 60 ( 87 para a segunda sonda ) da Centralina. Tensão deve oscilar entre 0,2v e 0,8v ao acelerar e desacelerar o motor. |
5- Ignição desligada, conector solto, MULTITESTE DIDGITAL modo ohmimetro. Resistência da sonda entre 3 W e 5 W, com motor quente de 5 a 20W. Repetir os testes nas quatro Sondas Lambdas. |
8)-COMO TESTAR SENSOR DA ÁRVORE DE MANIVELAS

TESTANDO |
1- Motor funcionando, PONTA DE PROVA no terminal 2 do sensor. terminal 22 da centralina . Negativo (-) . |
2- Ignição desligada, conector solto, MULTITESTE DIGITAL modo ohmimetro. Resistência do sensor entre 400 W a 500 W. |
9)-COMO TESTAR SENSOR DA ÁRVORE DE COMANDO DE VÁLVULAS.

TESTANDO |
1- Motor funcionando, PONTA DE PROVA no fio ligado ao terminal 24 da Centralina. Negativo (-) . |
2- Motor funcionando, MULTITESTE DIDGITAL, modo voltímetro, função Ac, no fio ligado ao terminal 85 da centralina . Tensão deve oscilar de 1,0 v a 2,5 v em marcha lenta . |
3- Ignição desligada, conector solto, MULTITESTE DIDGITAL modo ohmimetro . Resistência entre os pinos do sensor entre 510 W e 530 W. |
10)-COMO TESTAR BOMBA DE COMBUSTÍVEL .

TESTANDO |
1- PONTA DE PROVA no fio ( lilás ) da bomba. Dar partida no motor Positivo (+) durante a partida. |
2- Motor funcionando , PONTA DE PROVA no fio (marrom ) da bomba . Negativo (-) . |
Bomba funcionando: Testar pressão do sistema
TESTANDO |
A . Despressurizar o sistema: retire o relé da bomba e dê partida no motor. Após despressurizar, reinstale o relê. Instale o manômetro na válvula de teste. Dar partida no motor. A pressão devera ser de 2,10 a 3,10 bar com motor desligado 2,40 a 2,80 bar |
11)-COMO TESTAR VALVULA DE CONTROLE DE MARCHA LENTA

TESTANDO |
1- Motor funcionando, marcha lenta, PONTA DE PROVA no fio ligado ao relé do sistema de injeção. Positivo (+) |
2- Motor funcionando, marcha lenta, MULTITESTE DIDGITAL modo voltímetro, no fio ligado ao terminal 83 do módulo. Tensão deve oscilar entre 8,5v e 9,5v. |
3- Ignição desligada, conector solto, MULTITESTE DIDGITAL modo ohmimetro. Resistência da válvula entre 8 W e 12 W. |
12)-COMO TESTAR VÁLVULA DO CANISTER

TESTANDO |
1- Ignição ligada, motor parado, PONTA DE PROVA no fio ligado ao relé do sistema de injeção. Positivo (+). |
2- Ignição ligada, motor funcionando, PONTA DE PROVA no fio ligado ao terminal 67da Centralina. Acelerar e desacelerar o motor várias vezes. Negativo (-) por alguns instantes. |
3- Ignição desligada, conector solto, MULTITESTE DIGITAL modo ohmimetro. resistência da válvula entre 60 W e 80 W. |
13)-COMO TESTAR VÁLVULAS INJETORAS

TESTANDO |
1- Ignição ligada, motor parado, PONTA DE PROVA em qualquer um dos fios que vêm do relé de potência . Positivo (+). |
2- Motor funcionando ou durante a partida, PONTA DE PROVA nos fios ligados aos terminais 73, 74, 75, 99, 100 e 101 da centralina . Led (verde) piscando. |
3- Ignição desligada, conector solto, MULTITESTE DIDGITAL no modo ohmimetro, medir resistência das válvulas injetoras. de 14 Wa 18 W. |
4- Checar com um MULTITESTE DIGITAL o tempo de injeção das válvulas injetoras que devera ser de 4 a 4,3 ms. |
14)-COMO TESTAR BOBINA DE IGNIÇÃO.

TESTANDO |
1- Centelhador colocado nas saídas da bobina - uma de cada vez. Dar partida no motor . Centelhador forte (mínimo 2 cm ) durante partida . |
2- Ignição ligada, motor parado, PONTA DE PROVA no fio ligado à chave de ignição. Positivo (+). |
3- PONTA DE PROVA nos fios ligados aos terminais 26, 52 e 78 da Centralina, dar partida no motor .Led (verde ) deve piscar durante a partida ou com o motor funcionando . |
4- Ignição desligada, conector solto, MULTITESTE DIDGITAL no modo ohmimetro, medir resistência dos primários das bobinas . de 0,4 W a 0,6 W |
5- Ignição desligada, cabos soltos, MULTITESTE DIDGITAL no modo ohmimetro, medir resistência dos secundários das bobinas. de 13 K W a 15 K W. |
15)-COMO TESTAR VÁLVULA DA EGR.

TESTANDO |
1- Ignição ligada, motor parado, PONTA DE PROVA no fio ligado ao relé do sistema de injeção. Positivo (+). |
2- Motor funcionando, PONTA DE PROVA no fio ligado ao pino 47 da Centralina. Acelerar o motor várias vezes . Negativo (-) por alguns instantes. |
3 - Ignição desligada, desconectar o conector da válvula e com um MULTITESTE DIGITAL no modo ohmimetro, medir resistência que devera ser de 26 Wa 40 W. |
16)-COMO CHECAR O AJUSTE DA OCTANAGEM.

TESTANDO |
1- Ignição ligada, motor parado, PONTA DE PROVA no fio ligado ao terminal 91 da centralina . Negativo (-) |
2- Ignição ligada, motor parado, PONTA DE PROVA no fio ligado ao terminal 30 da centralina . Negativo (-) com o conector instalado . |
17)-SISTEMA DE ALIMENTEÇÃO DA BOMBA DE COMBUSTÍVEL

TESTANDO |
1- Motor funcionamento ou durante a partir, PONTA DE PROVA no terminal 2 do relê. Positivo (+). |
2- Ignição ligada, motor parado, PONTA DE PROVA no terminal 1 do relê. Positivo (+). |
3- Ignição ligada, motor parado, PONTA DE PROVA no terminal 5 do relê. Positivo (+). |
4- Motor funcionamento ou durante a partida, PONTA DE PROVA nos terminais do interruptor inercial .Positivo (+). |
5- Motor funcionando ou durante, PONTA DE PROVA no fio ligado ao terminal 40 da Centralina. Positivo (+). |
6- Motor funcionando ou durante a partida, PONTA DE PROVA no terminal positivo da bomba. Positivo (+). |
7- Motor funcionamento ou durante a partido, PONTA DE PROVA no terminal negativo da bomba. (marrom ) Negativo (-). |
18)- RELÉ DE POTÊNCIA (OU RELÉ DO SISTEMA DE INJEÇÃO ) .

TESTANDO |
1- Ignição desligada ou ligada PONTA DE PROVA no fio que vem do terra da bateria (marrom) . Negativo (-). |
2- Ignição desligada, PONTA DE PROVA no fio direto da bateria . Positivo (+) . (12v) . |
3- PONTA DE PROVA no fio que vem da chave de ignição . Positivo (+) com a chave de ignição ligada e negativa (-). com a chave de ignição desligada . |
4- Ignição ligada, motor parado, PONTA DE PROVA no fio (lilás ) do relê. Positivo (+). |
19)-COMO TESTAR INTERRUPTOR DE PRESSÃO DA DIREÇÃO HIDRÁULICA

TESTANDO |
1- Motor funcionando, marcha lenta, PONTA DE PROVA no fio ligado ao terminal 91 da Centralina. Negativo (-) |
2- Motor funcionando, marcha lenta, PONTA DE PROVA no fio ligado ao terminal 31 da Centralina. Negativo (-) por alguns instantes ao movimentar a direção até o fim do curso . |
20)-COMO TESTAR ALIMENTAÇÃO DA CENTRALINA .

TESTANDO |
1- Ignição desligada, PONTA DE PROVA no fio ligado ao terminal 55 da centralina . Positivo (+). |
2- Ignição ligada, motor parado, ponta de prova no fios ligados aos terminais 71 e 97 da Centralina. Positivo (+)> |
3- Ignição ligada, motor parado, ponta de prova nos fios ligados aos terminais 24, 25, 33, 51, 76, 77 e 103 da Centralina. Negativo (-) . |
ESQUEMA ELÉTRICA DO SISTEMA IMOBILIZADOR FORD (PATS EXTERNO) TAUROS

Como Conseguir os Códigos de Falhas do Sistema PATS?
| 1 - A lâmpada de falhas do imobilizador esta localizado no Relógio é uma lâmpada vermelha . |
| 2 - Com a ignição ligada a Lâmpada deverá apagar se permanecer acesa é porque existe falha no Sistema |
| 3 - Se existir falha no sistema ou se foi utilizada uma chave inadequada a lâmpada ira mostrar o código que deverá conferir abaixo |
| Código | Descrição |
13 |
Código não recebido |
14 |
Código Parcialmente Recebido |
15 |
Código errado da Chave |
16 |
Comunicação ruim com o Módulo |
21 |
Programado menos de 3 Chaves |
31 |
Código enviado para o solenóide está errado (somente diesel) |
32 |
Falha de Comunicação entre PATS e Solenóide (somente diesel) |
33 |
Comunicação ocorreu mas dados errados (somente diesel) |
Como conseguir Codificação de Chaves do Sistema PATS?
1 |
É obrigatório o uso de Chave Mestra de Cor Vermelha |
2 |
Vire a Chave Vermelha da Posição 0 para a Posição 2. A Lâmpada do Relógio se acenderá. |
3 |
Vire a Chave Vermelha da Posição 2 para a Posição 0. A Lâmpada do Relógio ficara acesa por 2 segundos. |
4 |
Antes que a Lâmpada se Apague, insira a primeira chave escrava de cor preta |
5 |
Vire a chave da posição 0 para posição 2. A lâmpada vai piscar 01 vez . Esta codificada a primeira chave. |
6 |
Para codificar a Segunda Chave proceder da mesma maneira em um intervalo de tempo inferior a 08 segundos |
7 |
A descodificação de uma chave somente poderá ser feito por um Scanner |
8 |
É possível Codificar até 15 Chaves escravas. |