CAPITULO 37
APLICATIVOS FORD
FIC-EEC IV
FORD TAURUS 3,0 12V
COMO FUNCIONA ESTE SISTEMA.
¤ - Este sistema é multiponto seqüencial com quatro válvulas injetoras, que possui autodiagnose ou seja que caso tenha alguma falha possui uma lâmpada de falha no painel de instrumento. O sistema armazena os dados que poderão ser diagnosticado com o sistema do código de falhas.¤- A unidade central opera no modo emergência quando um sensor falha, assim o motorista conseguirá levar o carro até a oficina.¤ O modelo do conector de diagnóstico é o seguinte. |
1 -Ligue-Desligue-Ligue-Desligue-Ligue, chave de ignição dentro de 5 segundos.
2 - Contar as piscadas na lâmpada de falha situada no painel como por exemplo código 12
(1 =uma piscada pausa 2 = duas piscadas).
3 - Entre dois Códigos uma pausa maior.
4 Verifique os códigos de falhas na tabela a seguir.
| CÓD | LEITURA |
TESTAR OS COMPONENTES |
| 111 | Sistema sem defeitos | Não há necessidade de realizar testes. |
| 112 | Temperatura do ar acima da faixa . | Sensor da temperatura do ar de admissão . |
| 113 | Temperatura do ar abaixo da faixa . | Sensor da temperatura do ar de admissão . |
| 114 | Temperatura do ar fora da faixa . | Sensor da temperatura do ar de admissão . |
| 116 | Temperatura da água fora da faixa . | Sensor da temperatura da água . |
| 117 | Temperatura da água acima da faixa . | Sensor da temperatura da água . |
| 118 | Temperatura da água acima da faixa . | Sensor da água abaixo da faixa . |
| 121 | Tensão de borboleta. fechada fora da faixa ou incompatível com valor do sensor MAF. | Sensor de posição da borboleta , medidor de massa de ar (Maf ) . |
| 122 | Tensão da borboleta abaixo da mínima . | Sensor de posição da borboleta. |
| 123 | Tensão da borboleta acima da máxima . | Sensor de posição da borboleta . |
| 124 | Tensão da borboleta acima do esperado | Sensor de posição da borboleta , sensor MAF. |
| 125 | Tensão da borboleta abaixo do esperado . | Sensor de posição da borboleta . |
| 126 | Pressão do ar fora da faixa. | Medidor de pressão do ar (map) . |
| 128 | Mangueira do sensor de pressão do ar danificada ou sensor desconectado . | Medidor de pressão do ar , mangueiras do medidor do ar . |
| 129 | Valor baixo para pressão ou massa de ar durante o teste dinâmico . | Medidor de pressão do ar (map ) , medidor de massa do ar (Maf ) , mangueira , filtro de ar . |
| 136 | Mistura pobre indicada pela sonda lambda do banco 2 . | Sonda lambda do banco 2 , injetores , bomba de combustível , medidor de pressão do ar e medidor de massa de ar . |
| 137 | Mistura rica indicada pela sonda lambda do banco 2. | Sonda lambda do banco 2 , injetores , bomba de combustível , medidor de pressão do ar e medidor de massa de ar . |
| 139 | Sonda lambda do banco 2 não varia . | Sonda lambda do banco 2 sist . de combustível. |
| 141 | Indicação de mistura pobre . | Sonda lambda , injetoras , bomba de combustível , medidor de pressão do ar e medidor de massa de ar |
| 144 | Sonda lambda do banco 1 não varia . | Sonda lambda do banco 1 sist. de combustível . |
| 157 | Medidor de massa de ar com tensão abaixo da mínima . | Medidor de massa de ar . |
| 158 | Medidor de massa de ar com tensão acima da máxima . | Medidor de massa de ar . |
| 159 | Massa de ar fora da faixa . | Medidor de massa de ar . |
| 167 | Baixa variação da borboleta durante o teste dinâmico . | Sensor de posição da borboleta |
| 171 | Sonda lambda do banco 1 não varia . | Sonda lambda do banco 1 , sist de combustível . |
| 172 | Mistura pobre indicada pela sonda lambda do banco . | Sonda lambda do banco 1 , injetoras , bomba de combustível , medidor de pressão do ar e medidor de massa de ar . |
| 173 | Mistura rica indicada pela sonda lambda do banco 1. | Sonda lambda do banco 1 , injetores , bomba de combustível , medidor de pressão do ar e medidor de massa de ar . |
| 175 | Sonda lambda de banco 2 não varia | Sonda lambda do banco 2 , sist. de combustível . |
| 176 | Mistura pobre indicada pela sonda lambda do banco 2. | Sonda lambda do banco 1 , injetores , bomba de combustível , medidor de pressão do ar e medidor de massa de ar . |
| 177 | Mistura rica indicada pela sonda lambda do banco 2 . | Sonda lambda do banco 1 , injetores , bomba de combustível , medidor de pressão do ar e medidor de massa de ar . |
| 179 | Mistura rica indicada pela sonda lambda do banco 1. | Sonda lambda do banco 1 , injetores , bomba de combustível , medidor de pressão do ar e medidor da massa de ar . |
| 181 | Mistura pobre indicada pela sonda lambda do banco 1 | Sonda lambda do banco 1 , injetores , bomba de combustível , medidor de pressão do ar e medidor de massa de ar . |
| 184 | Massa de ar mais alta que o esperado . | Medidor de massa de ar , sensor de posição da borboleta . |
| 185 | Massa de ar mais baixa que o esperado | Medidor de massa , sensor de posição da borboleta. | |
| 186 | Pulso muito largo nos injetores ou sensor de pressão do ar abaixo do esperado . | Medidor de pressão doar e medidor de massa do ar. | |
| 187 | Pulso estreito nos injetores ou sensor de pressão do ar acima do esperado . | Medidor de pressão do ar e medidor de massa do ar. | |
| 188 | Mistura rica indicada pela sonda lambda do banco 2. | Sonda lambda do banco 2, injetores , bomba de combustível , medidor de pressão do ar e medidor de massa de ar . | |
| 189 | Mistura pobre indicada pela sonda lambda do banco 2. | Sonda lambda do banco 2 , injetores , bomba de combustível , medidor de pressão do ar e medidor de massa do ar | |
| 193 | Falha no sensor de combustível . | Sensor de combustível. | |
| 211 | Falha no sensor de posição da árvore de comando da válvulas . | Sensor de posição da árvore de comando de válvulas , sistema de ignição . | |
| 212 | Plug de ajuste de ignição ligado à terra | Sistema de ignição . | |
| 213 | Plug de ajuste de ignição aberto . | Sistema de ignição. | |
| 214 | Falha no sensor de posição da árvore de comando de válvulas. | ||
| 215 | Falha no primário da bobina 1 | Bobina , sistema de ignição. | |
| 216 | Falha no primário da bobina 2 | Bobina , sistema da ignição . | |
| 217 | Falha no primário da bobina 3 | Bobina , sistema da ignição . | |
| 218 | Perda do sinal do monitor de ignição do lado esquerdo de ignição do lado esquerdo . | Sistema de ignição | |
| 219 | Ângulo de ignição maior que dez graus ou plug de ajuste de ignição aberto . | Sistema de ignição . | |
| 221 | Erro no ponto de ignição | Sistema de ignição. | |
| 222 | Perda do sinal do monitor de ignição do lado direito. | Sistema de ignição . | |
| 223 | Perda do sinal de controle do inibidor de dupla faísca . | Sistema de ignição. | |
| 224 | Falha nos primários da boinas 1 ,2 , 3 ou 4 | Bobinas sistema de ignição . | |
| 225 | Não foi detectado denotação durante o teste dinâmico . | Sensor de detonação , sistema de ignição. | |
| 226 | Sinal do módulo de diagnóstico de ignição não foi recebido . | Sistema de ignição . | |
| 232 | Falha nos primários das bobinas 1, 2 , 3 ou 4 . | Bobinas , sistema de ignição . | |
| 238 | Falha no primário da bobina 4 | Bobinas , sistema de ignição. | |
| 241 | Erro de transmissão entre o módulo de controle da ignição e o módulo EEC IV | Sistema de ignição, módulo EEC IV. | |
| 244 | Falha no circuito de ignição . | Sistema de ignição . | |
| 311 | Falha nas solenóide de injeção de ar do banco 1 | Solenóides de injeção de ar . | |
| 312 | Ação irregular das solenóides de injeção de ar durante KOER. | Solenóides de injeção de ar . | |
| 313 | Ação irregular das solenóides de injeção de ar durante KOER. | Solenóide de injeção de ar . | |
| 314 | Falha nas solenóides de injeção de ar do banco 2 . | Solenóides de injeção de ar . | |
| 326 | Tensão abaixo do esperado no circuito da EGR | Sensor de pressão diferencial da EGR ( DPFE) ou sensor de posição da EGR ( PFE ) . | |
| 327 | Tensão baixa no circuito EGR | Sensor de pressão diferencial da EGR ( DPFE) ou sensor de posição da EGR ( PFE ) | |
| 328 | Sinal da válvula EGR fechada abaixo do valor esperado | Sensor de posição da EGR ( PFE ) | |
| 332 | Massa insuficiente da EGR | Sensor de pressão diferencial da EGR , válvula da EGR , sensor de posição da EGR. | |
| 334 | Sinal da válvula EGR fechada superior ao valor esperado . | Sensor de pressão diferencial da EGR , válvula da EGR , sensor de posição da EGR. | |
| 335 | Tensão fora do esperado no circuito da EGR. | Sensor de pressão diferencial da EGR , válvula da EGR , sensor de posição de EGR . |
| 336 | Pressão elevada no circuito de escape | Sensor de pressão diferencial da EGR DPFE) ou sensor de posição da EGR (PFE). |
| 337 | Tensão elevada no circuito da EGR . | Sensor de pressão diferencial da EGR (DPFE) ou sensor de posição da EGR (PFE). |
| 338 | Tem. da água abaixo do esperado | Sensor de temperatura da água . |
| 339 | Temp. da água acima do esperado | Sensor de temperatura da água . |
| 341 | Interruptor. de ajuste de octanagem aberto . | Interruptor de ajuste de octanagem . |
| 381 | Embreagem normal acionada | Interruptor de embreagem . |
| 411 | Não consegue controlar a baixa rotação . | Medidor de pressão do ar e medidor de massa de ar , injetores , sonda lambda ou válvula de controle da marcha lenta . |
| 412 | Não consegue controlar a alta rotação | Medidor de pressão do ar e medidor de massa de ar , injetores , sonda lambda ou sensor de denotação . |
| 415 | Válvula de controle de ar da marcha lenta no limite de ajuste máximo . | Válvula de controle de ar da marcha lenta . |
| 416 | Válvula de controle de ar da marcha lenta no limite superior de aprendizagem . | Válvula de controle de ar da marcha lenta. |
| 452 | Sensor de velocidade com sinal baixo | Sensor de velocidade . |
| 453 | Controle de ar da marcha lenta baixo . | Válvula de controle de ar da marcha lenta |
| 454 | Controle de ar da marcha lenta alto . | Válvula de controle de ar da marcha lenta . |
| 455 | Incremento insuficiente da rotação . | Válvula de controle de ar da marcha lenta . |
| 456 | Decremento insuficiente da rotação | Válvula de controle da ar da marcha lenta . |
| 457 | Chaves do controle de velocidade não funcionam | Válvula de controle de ar da marcha lenta , sensor de velocidade . |
| 458 | Chaves do controle de velocidade encontram-se ligada à terra . | Válvula de controle de ar da marcha lenta . |
| 459 | Circuito de terra do sensor de velocidade encontra-se aberto . | Válvula de controle de ar da marcha lenta , sensor de velocidade. |
| 511 | Falha da memória ROM durante KOEO. | Alimentação do módulo EEC IV . |
| 512 | Falha da alimentação da memória KAM . | Alimentação de módulo EEC IV. |
| 513 | Falha da tensão interna do módulo. EEC IV. | Alimentação do módulo EEC IV . |
| 519 | Interruptor de pressão da direção hidráulica . | Interruptor de pressão da direção hidráulica. |
| 521 | Interruptor de pressão da direção hidráulica . | Interruptor de pressão da direção hidráulica . |
| 522 | Veículo não está nem desengatado e nem embreado durante KOEO ou o interruptor. do câmbio está aberto. | Interruptor da embreagem ou interruptor do câmbio . |
| 524 | Circuito da bomba de combustível de baixa velocidade encontra-se aberto . | Bomba de combustível. |
| 525 | Veículo está engatado ou ar condicionado ligado . | Interruptor do câmbio ou sistema de ar condicionado. |
| 527 | Interruptor o câmbio aberto ou ar condicionado ligado durante KOEO. | Interruptor do câmbio ou sistema de ar condicionado . |
| 528 | Falha no interruptor da embreagem . | Interruptor da embreagem . |
| 529 | Falha na comunicação de dados . | Conectado de diagnose . |
| 532 | Falha do conjunto de controle de grupo | Falha no circuito elétrico do painel . |
| 533 | Falha na comunicação de dados e no grupo de instrumentos eletrônicos . | Conector de diagnose ou instrumentos do painel . |
| 536 | Falha no circuito de freio | Interruptor liga /desliga do freio . |
| 538 | Rotação baixa durante KOER | Válvula de controle de ar da marcha lenta ou sensor da árvore de comando de válvula . |
| 539 | Ar condicionado ou desembaçador ligado durante autoteste. | Interruptor doar condicionado ou circuito do desembaçador . |
| 542 | Falha do circuito secundário da bomba de combustível. | Bomba de combustível . |
| 543 | Falha do circuito secundário da bomba de combustível | Bomba de combustível . |
| 551 | Falha da válvula de controle de ar da marcha lenta . | Válvula de controle de ar da marcha lenta . |
| 552 | Falha nas solenóide de injeção de ar durante KOEO | Solenóide de injeção de ar . |
| 553 | Falha nas solenóide de injeção de ar durante KOEO | Solenóide de injeção de ar . |
| 554 | Falha no controle do regulador de pressão do combustível . | Solenóide do regulador de pressão do combustível . |
| 556 | Falha do relê da bomba de combustível . | Bomba de combustível , sistema elétrico. |
| 557 | Falha do circuito da bomba de combustível de baixa velocidade | Bomba de combustível. |
| 558 | Falha no regulador de vácuo da EGR durante KOEO | Válvula da EGR. |
| 559 | Falha do relê do ar condicionado durante KOEO | Ar condicionado , sistema elétrico . |
| 563 | Falha na ventoinha de alta velocidade durante KOEO | Sistema de arrefecimento , sistema elétrico. |
| 564 | Falha do controle do ventilador | Sistema elétrico do veículo . |
| 565 | Falha no canister durante KOEO. | Válvula do canister. |
| 566 | Falha na solenóide do câmbio durante KOEO | Solenóide de transmissão . |
| 567 | Falha no controle de velocidade da ventoinha | Sistema de arrefecimento ,sistema elétrico. |
| 568 | Falha do circuito de controle do vácuo . | Mangueiras do sistema de vácuo. |
| 569 | Falha no canister auxiliar (canister 2 ) | Válvula do canister 2 |
| 571 | Falha no sensor de pressão atmosférico da EGR durante KOEO. | Sensor de pressão atmosférica da EGR. |
| 572 | Falha na válvula da EGR durante KOEO . | Válvula da EGR. |
| 578 | Curto no sensor da pressão do ar condicionado . | Ar condicionado . |
| 579 | Baixa variação da pressão do ar condicionado. | Ar condicionado . |
| 581 | Sobrecorrente no ventilador | Sensor de temperatura da água , sistema de arrefecimento ou sistema elétrico do veiculo. |
| 582 | Circuito da ventoinha aberto | Sensor de temperatura da água , sistema de arrefecimento . |
| 583 | Sobrecorrente na bomba de combustível . | Bomba de combustível. |
| 584 | Módulo de controle de resist6encia sem terra | Módulo dos relês , sistema elétrico |
| 585 | Sobrecorrente na embreagem do ar condicionado . | Ar condicionado. |
| 586 | Circuito da embreagem o ar condicionado aberto . | Ar condicionado . |
| 617 | Erro no câmbio 1-2. | Sensor de posição do câmbio . |
| 618 | Erro no câmbio 2-3. | Sensor de posição do câmbio. |
| 619 | Erro no câmbio 3-4. | Sensor de posição do câmbio . |
| 621 | Falha na solenóide de transmissão 1 | Solenóide de transmissão . |
| 622 | Falha na solenóide de transmissão 2 | Solenóide de transmissão . |
| 623 | Falha na luz indicadora da transmissão. | Módulo de transmissão automática. |
| 624 | Falha no controle eletrônico de pressão . | Módulo de transmissão automática. |
| 625 | Impulsor do controle eletrônico de pressão aberto no módulo EEC IV. | Módulo de transmissão automática . |
| 626 | Falha na solenóide de engate da marcha | Módulo de transmissão automática . |
| 627 | Falha na solenóide da embreagem do conversor de tração . | Módulo de transmissão automática . |
| 628 | Deslizamento excessivo na embreagem do conversor de tração. | Módulo de transmissão automática. |
| 629 | Falha na solenóide da embreagem do conversor de tração . | Módulo de transmissão automática. |
| 631 | Falha na luz indicadora da transmissão | Módulo de transmissão automática. |
| 632 | Chave de transmissão não mudou de estado durante KOER. | Módulo de transmissão automática ou sensor do câmbio . |
| 633 | Chave 4x4 permaneceu fechada durante KOEO | Interruptor 4x4 . |
| 634 | Tensão da relação de transmissão fora da faixa. | Sensor do câmbio . |
| 636 | Temperatura do óleo fora da faixa . | Sensor de temperatura do óleo. |
| 637 | Sensor de temperatura do óleo com tensão superior à máxima . | Sensor de temperatura do óleo . |
| 638 | Sensor de temperatura do óleo com tensão inferior à mínima . | Sensor de temperatura do óleo . |
| 639 | Sensor de velocidade de transmissão com entrada insuficiente . | Sensor de velocidade da transmissão. |
| 641 | Falha da solenóide do câmbio 3 . | Módulo de transmissão automática . |
| 643 | Falha da embreagem do conversor de tração . | Módulo de transmissão automática . |
| 645 | A relação de engrenagens obtida para primeira velocidade está incorreta . | Sensor do câmbio ou módulo de transmissão automática. |
| 646 | A relação de engrenagens obtida para segunda velocidade está incorreta . | Sensor do câmbio ou módulo de transmissão automática . |
| 647 | A relação de engrenagens obtida para a terceira velocidade está incorreta. | Sensor do câmbio ou módulo de transmissão automática . |
| 648 | A relação de embreagem obtida para a quarta velocidade está incorreta. | Sensor do câmbio ou módulo de transmissão automática . |
| 649 | Controle eletrônico de pressão fora da faixa. | Módulo de transmissão automática . |
| 651 | Falha do circuito de controle eletrônico de pressão . | Módulo de transmissão automática . |
| 652 | Falha da embreagem do conversor de tração . | Módulo de transmissão automática . |
| 653 | Chave de transmissão não mudou de estado durante KOER. | Módulo de transmissão automática |
| 654 | Sensor de relação de transmissão indica posição PARK durante KOEO. | Módulo de transmissão automática. |
| 656 | Erro de deslizamento contínuo da embreagem do conversor de tração . | Módulo de transmissão automática . |
| 657 | Temperatura do óleo acima da faixa . | Sensor de temperatura do óleo . |
| 669 | Indicação de alta velocidade quando o veículo está estacionamento . | Sensor de velocidade . |
| 667 | Tensão do sensor de relação de transmissão abaixo da mínima | Sensor do cambio ou módulo de transmissão automático. |
| 668 | Tensão do sensor de relação de transmissão acima da máxima . | Sensor de câmbio ou módulo de transmissão automática . |
| 675 | Tensão d sensor de relação de transmissão fora da faixa . | Sensor de câmbio ou módulo de transmissão automática. |
ERROS |
TESTANDO |
| MORTOR FALHANDO NA IGNIÇÃO E INJEÇÃO | 1. Sonda lambda 2. Sistema de combustível 3. Medidor de massa de ar . 4. Válvulas de injeção 5. Medidor de pressão do ar de admissão MAP. 6. Sistema de ignição. |
| MOTOR APAGA QUANDO O CARRO PARA. | 1. Medidor de pressão do ar de
admissão MAP. 2. Sensor de posição da borboleta. 3. Válvula de controle de ar da marcha lenta. 4. Circuito de vácuo 5. Carga da bateria 6. Sensor de velocidade. |
| O MOTOR MORRE APÓS PEGAR | 1. Sensor de rotação 2. Combustível 3. Sensor de temperatura da água . 4. Medidor da massa de ar ou MAP. 5. Válvula de controle de ar da marcha lenta . |
| DEFEITOS NA MARCHA LENTA(rotação , gases de escape). | 1. Compressão / vácuo 2.Válvulas injetoras 3. Bomba de combustível 4. Índice de Co / sonda lambda 5. sonda lambda 6. Válvula do controle de ar da marcha lenta 7. Medidor de massa de ar 8. Medidor de pressão do ar de admissão MAP 9. Sistema de ignição |
| MOTOR COM FALHA TEMPORÁRIA ( falhas na aceleração) | 1. Medidor de pressão do ar de
admissão. 2. Medidor de massa de ar . 3. Sensor de denotação 4. Sensor da árvore de manivelas . 5. Sensor da árvore de comando de válvulas . 6. Sonda lambda. 7. Válvulas injetoras. 8. Sistema de ignição |
| RETOMADA RUIM | 1. Sistema de ignição 2. Válvulas injetoras 3. Sistema de combustível 4. Sonda lambda 5. Sensor de temperatura do ar 6. Sensor de temperatura da água 7. Medidor de massa de ar 8. Interruptor da embreagem 9. Interruptor do câmbio 10. Medidor de pressão do ar de admissão MAP 11. Válvula termostática/ arrefecimento 12. Compressão / vácuo / escapamento. |
| MOTOR DE PARTIDA GIRA , MAS O MOTOR NÃO PEGA ,OU PEGA COM DIFICULDADE | 1.Teste de centelha 2. Sistema de combustível 3. Medidor de massa de ar ou MAP 4. Sensor de temperatura 5. Sistema de ignição 6. Fusíveis e relês do sistema de injeção e da bomba . 7. Bomba de combustível 8. Válvulas injetoras 9. Compressão / Escape. |
| CO COM NÍVEL MUITO BAIXO . | 1 . Sensor de temperatura da
água . 2 . Válvulas injetoras 3 . Medidor de pressão do ar de admissão MAP. 4 . Sensor de temperatura do ar . 5 . Válvula de controle de ar da marcha lenta . 6 . Bomba de combustível . 7 . Entrada falsa de ar . 8 . Sonda lambda . |
| CO COM NIVEL MUITO ALTO . | 1 . Medidor de pressão do ar de
admissão MAP. 2 . Sensor de temperatura da água . 3 . Válvulas injetoras. 4 . Medidor de massa de ar . 5. Potenciômetro da borboleta . 6. Sensor de temperatura de ar 7. Sonda lambda . 8. Sistema de combustível. |
| MOTOR DEMORA A PEGAR COM O MOTOR FRIO | 1 . Medidor da massa de ar . 2 . Sensor de temperatura do ar . 3 . Válvula de controle de ar da marcha lenta . 4 . Sensor de temperatura da água . 5 . Sistema de combustível 6 . Entrada falsa de ar . 7. Conexão ao terra da bateria e do motor . 8. Compressão / vácuo. |
| MOTOR DEMORA A PEGAR COM O MOTOR QUENTE. | 1 . Potenciômetro da borboleta 2 . Medidor da massa de ar . 3 . Válvula de controlo de ar da marcha lenta . 4 . Sensor de temperatura do ar . 5 . Sistema de combustível . 6 . Entrada falsa de ar . 7 . Conexão ao terra da bateria e do motor . 8 . Sensor de temperatura de água . |
| SUPER AQUECIMENTO DO MOTOR | 1 . Sistema de ignição . 2 . Índice de CO /Sonda lambda . 3 . Compressão/vácuo/Carbonização. 4 . Sistema de ventoinha 5 . Sensor de temperatura da água . 6 . Válvula termostática. |
| BAIXA
POTÊNCIA DO MOTOR OM CARGA MÁXIMA .
|
1 . Sensor de detonação . 2 . Sistema de combustível. 3 . Sonda lambda . 4 . Válvulas injetoras. 5. Medidor de massa de ar . 6. Medidor de pressão do ar de admissão MAP. 7. Compressão / Vácuo /Escapamento 8. Sistema de ignição . |
| LÂMPADA DE DEFEITO NÃO ACENDE | 1 . Lâmpada de defeito. |
| VELOCIDADE MÁXIMA DE SAÍDA DO MOTOR BAIXA. | 1 . Bomba de combustível 2 . Sensor de detonação 3 . Medidor da pressão do ar de admissão MAP . 4 . Potenciômetro da borboleta . 6 . Medidor de massa de ar . |
| MOTOR BATE PINO BETONA | 1 . Sensor de detonação 2 . Sensor da arvore de manivela 3 . Sensor da arvore de comando de válvulas . 4 . Sistema de ignição 5 . Compressão /Vácuo / Carbonização 6 . Combustível. |
| MOTOR CONTINUA FUNCIONANDO APÓS DESLIGADO | 1 . Sistema de ignição 2 . Compressão / Carbonização 3 . Relês. |
| GASTO ECESSIVO DE COMBUSTÍVEL | 1. Sensor de temperatura da água
. 2. Sistema de combustível 3. Válvulas injetoras 4. Medidor da massa de ar 5. Medidor de pressão do ar de admissão MAP 6. Sistema de ignição 7. Válvula termostática. |
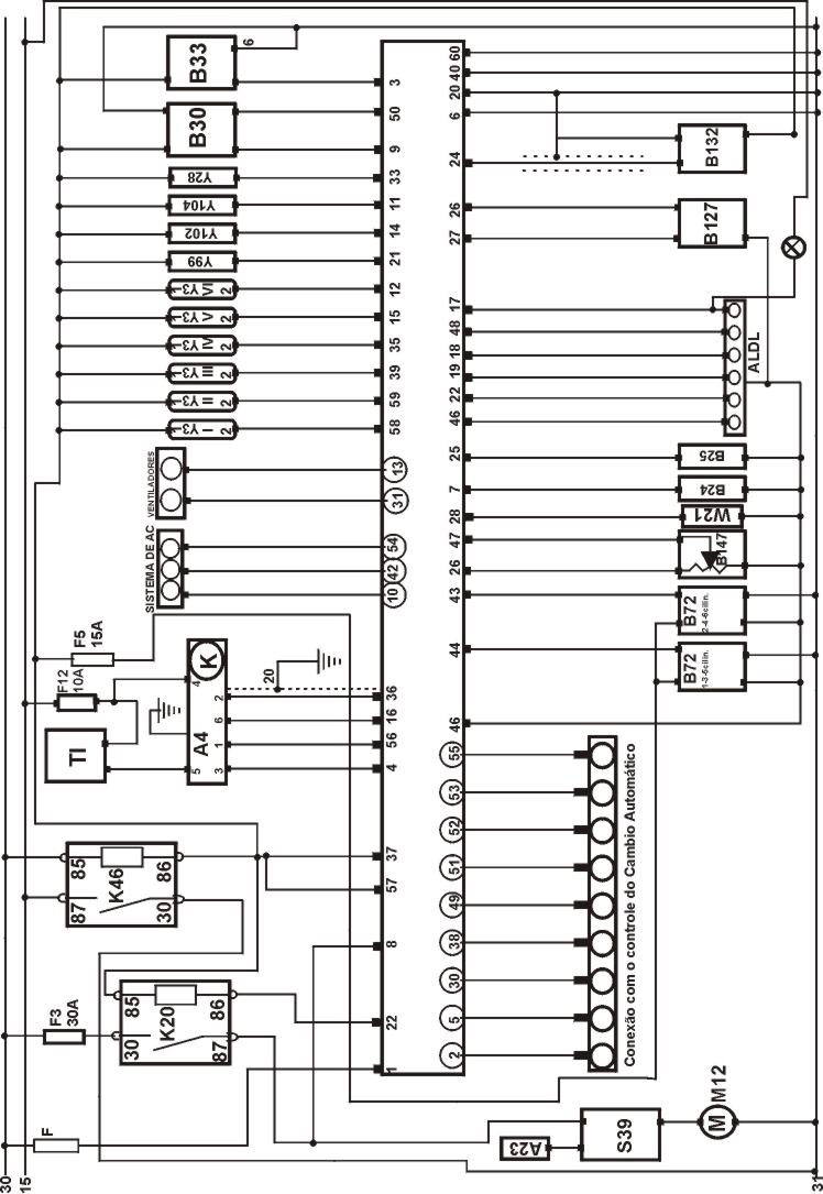
CONECTOR DA UNIDADE CENTRAL


IDENTIFICAÇÃO DOS CONPONENTES DO ESQUEMA ELÉTRICO.
CÓDIGO DISCRIÇÃO DO ESQUEMA ELÉTRICO.
A5 |
Painel de instrumento. |
A35 |
Módulo do Comando Central. (Centralina) |
A162 |
Imobilizador da Centralina. |
B24 |
Sensor de Temperatura da água. |
B25 |
Sensor de Temperatura do ar. |
B33 |
Sensor de Velocidade. (VSS) |
B30 |
Medidor da Massa de Ar. |
B69 |
Sensor de Detonação. |
B72 |
Sonda Lambda. |
B83 |
Sensor de Pressão Absoluta. |
B85 |
Sensor de Temperatura do ar do Motor. |
B127 |
Sensor do diferencial de pressão no sistema EGR. |
B132 |
Sensor de Rotação |
B147 |
Sensor de Posição da Borboleta. |
F |
Fusível |
G1 |
Alternador. |
K12 |
Relé da Ventilação forçada. |
K20 |
Relé da Bomba de Combustivel |
K46 |
Relé do sistema de Injeção. |
K143 |
Relé do Compressor do ar Condicionado. |
M12 |
Bomba de Gasolina. |
S13 |
Interruptor das Sinaleiras STOP. |
S152 |
Interruptor da pressão do refrigerante do ar Condicionado |
S231 |
Interruptor de pressão da Direção Hidráulica. |
S249 |
Interruptor da troca de marchas do Cambio |
T1 |
Bobina de Ignição |
X1 |
Conector de Diagnostico (ALDL). |
Y3 |
Válvulas Injetoras. |
Y11 |
Embreagem do Compressor do Ar Condicionado. |
Y28 |
Válvula do Sistema EGR |
Y99 |
Válvula do Controle da marcha Lenta. |
Y104 |
Válvula de Canister |
15 |
Ignição ligada. |
30 |
Bateria Positivo (+) |
31 |
Bateria Negativo (-) |
50 |
Ignição desligada. |
1 ) - Como testar o sensor da temperatura da água.(ECT)

TESTANDO |
1 . Ignição ligada, motor parado, PONTA DE PROVA no fio ligado ao pino 46 da Centralina negativo (-) |
2 . Ignição ligada, motor parado, MULTITESTE DIGITAL, modo voltímetro, no fio ligado ao pino 7 da Centralina dados abaixo ( motor quente : entre 80 °C e 90 °C com tensão de 0,47 V a 0,80 V ). |
| Temperatura °C | 100 | 90 | 80 | 70 | 60 | 50 | 40 | 30 | 20 | 10 |
| Tensão V | 0,47 | 0,61 | 0,80 | 1,04 | 1,35 | 1,80 | 2,16 | 2,62 | 3,06 | 3,52 |
| Resistência W | 2,07 | 2,80 | 3,84 | 5,37 | 7,60 | 12,00 | 16,15 | 24,27 | 37,30 | 58,75 |
2) - Como testar o sensor de temperatura do ar. (IAT)

TESTANDO |
1 . Ignição ligada, motor parado, PONTA DE PROVA no fio ligado ao pino 46 da Centralina negativo (-) |
2 . Ignição ligada, motor parado, MULTITESTE DIGITAL, modo voltímetro, no fio ligado ao pino 25 da Centralina confira dados abaixo |
| Temperatura °C | 100 | 90 | 80 | 70 | 60 | 50 | 40 | 30 | 20 | 10 |
| Tensão V | 0,47 | 0,61 | 0,80 | 1,04 | 1,35 | 1,80 | 2,16 | 2,62 | 3,06 | 3,52 |
| Resistência W | 2,07 | 2,80 | 3,84 | 5,37 | 7,60 | 12,00 | 16,15 | 24,27 | 37,30 | 58,75 |
3) - Como testar o sensor de velocidade. (VSS)

TESTANDO |
1 . Ignição ligada, motor parado, PONTA DE PROVA no fio ligado ao terminal 6 da Centralina > Negativo (-). |
2 . Ignição desligada, conector solto, MULTITESTE DIGITAL modo ohmimetro, medir resistência entre os terminais do sensor > de 150 W a 300 W . |
4) - Como testar o sensor de Oxigênio (HO2S)

TESTANDO |
1 . Motor funcionando, PONTA DE PROVA no fio ligado ao terminal 3 da sonda . Negativo (-). |
2 . Motor funcionando, PONTA DE PROVA no fio ligado ao terminal 4 da sonda . Positivo (+) . |
3 . Motor funcionando e aquecido, PONTA DE PROVA no fio; ligado ao terminal 2 da sonda . Negativo (- |
4 . Motor funcionando e aquecido, MULTITESTE DIGITAL, modo voltímetro, no fio ligado ao terminal 1 da sonda . Acelere o motor várias vezes . tensão oscila entre 0,1V 0,9V . |
5 . Ignição desligada MULTITESTE DIGITAL, modo ohmimetro, soltar o conector da sonda e medir sua resistência de aquecimento, resistência de 2 W a 5 W fria 5 W a 20 W quente repetir o teste no outro sensor. |

TESTANDO |
1 . Ignição ligada, motor parado, PONTA DE PROVA no fio ligado ao pino 46 da Centralina . Negativo (-). |
2 . Ignição ligada, motor parado, MULTITESTE DIGITAL, modo voltímetro, no fio ligado ao pino 26 da Centralina. aproximadamente 5V. |
3 . Ignição ligada, motor funcionando, MULTITESTE DIGITAL, modo voltímetro ligado no fio ligado ao pino 27 da Centralina. acelere e desalegre quando o motor estiver quente. a tensão deve oscilar entre 0,5 V e 4,5 V . Conferir com a tabela adiante. |
| Sensor EGR | 0,00Kpa | 7,46Kpa | 14,90Kpa | 22,36Kpa | 29,81Kpa |
| Tensão In 27-46 | 0,45V | 1,48V | 2,51V | 3,54V | 4,56V |
6) - Como testar o sensor de rotação e PMS.

TESTANDO |
1 . Motor funcionando, PONTA DE PROVA no fio ligado ao pino 20 da Centralina Negativo (-). |
2 . Motor funcionando, MULTITESTE DIGITAL, modo voltímetro, função Ac, no fio ligado ao pino 24 da Centralina. tensão deve oscilar de 1,0 v a 2,0 em marcha lenta. |
3 . Ignição desligada, conector solto, MULTITESTE DIGITAL, modo ohmimetro. resistência do sensor entre 500 W e 700 W . |
4-Motor funcionando com a rotação especificada com a tabela abaixo e um MULTITESTE DIGITAL no modo frequência (Hz) checar as medidas. |
Tabela
| RPM | 300 |
900 |
1500 |
3000 |
| Frequência Hz | 15,0 |
45,0 |
75,0 |
150,0 |
7) - Como testar o sensor da posição da borboleta.

1 . Ignição ligada, motor parado, PONTA DE PROVA no fio ligado ao pino 46 da Centralina . Negativo (-) |
2 . Ignição ligada, motor parado, MULTITESTE DIGITAL, modo voltímetro, no fio ligado ao pino 26 da Centralina. de 4,8 V a 5,2 V . |
3 . Ignição ligada, motor parado, MULTITESTE DIGITAL modo voltímetro, no fio ligado ao pino 47 da Centralina. dados abaixo . |
Tabela
| Resistência W pinos | 46 e 47 | 26 e 47 | 26 e 46 |
| Borboleta fechada | 700 a 900W | 3,4 a 3,7 KW | 4,1 a 4,6 KW |
| Borboleta aberta | 3,9 a 4,1 KW | 200 a 400W | 4,1 a 4,6 KW |
Valores aproximados
| Tensão V pinos 46 - 47 | |
| Borboleta Fechada | de 0,65 V a 1,25 V |
| Borboleta totalmente aberta | de 4,23 V a 4,83 V |
8) - Como testar o medidor da massa de ar.

TESTANDO |
1 . Ignição ligada, motor parado, PONTA DE PROVA no fio ligado ao terminal C do sensor. Negativo (-). |
2 . Ignição ligada, motor parado, PONTA DE PROVA no fio ligado ao terminal D do sensor. Negativo (-). |
3 . Ignição ligada, motor parado, PONTA DE PROVA no fio ligado ao terminal A do sensor. Positivo (+). |
4 . Motor em marcha lenta, MULTITESTE DIGITAL, modo voltímetro, no fio ligado ao pino 50 da Centralina. Em marcha lenta. tensão de 0,8 V a 1,0 V. A 2500 rpm . tensão de 1,3 V a 1,5 V. Conferir tabela . |
Tabela
| Velocidade Km/h | Marcha lenta | 32 Km/h | 64 Km/h | 96 Km/h |
| Tensão V | 0,8 V |
1,0V |
1,7V |
2,1V |
9) - Como testar as válvulas injetoras

TESTANDO |
1 . Ignição ligada, motor parado, ponta de prova no fio que vem do relê do sistema de injeção >Positivo. |
2 . Ignição ligada, motor parado, PONTA DE PROVA em cada um dos fios ligados aos terminais 12, 15, 35, 39, 58 e 59 da Centralina. led ( verde ) pisca . |
3 . Motor funcionamento ou durante a partida, MULTITESTE DIGITAL, modo ohmimetro, medir a resistência entre os terminais de cada válvula de 14 W a 18 W. |
4- Checar com um MULTITESTE DIGITAL o tempo de injeção das válvulas injetoras que devera ser de 4 a 4,3 ms. |
10) - Como testar a válvula de canister.

TESTANDO |
1 . Ignição ligada, motor parado, PONTA DE PROVA no fio ligado ao terminais 37/57 da Centralina. Positivo (+). |
2 . Motor funcionando, PONTA DE PROVA ao terminal 11 da Centralina . Acelera várias vezes o motor . Negativo (-) por alguns instantes . |
3 . Ignição desligada, conector solto, MULTITESTE DIGITAL, modo ohmimetro medir resistência da válvula de 50 W a 70 W. |
11) - Como testar a válvula da EGR.

TESTANDO |
1 . Ignição ligada, motor parado, PONTA DE PROVA no fio que vem do relê do sistema de injeção . Positivo (+). |
2 . Motor funcionando, PONTA DE PROVA no fio ligado ao terminal 33 da Centralina. Acelere várias vezes o motor. Negativo (-) por alguns instantes . |
3 . Ignição desligada, conector solto, MULTITESTE DIGITAL, modo ohmimetro. resistência da válvula de 30 W a 150 W. |
12) - Válvula de controle da marcha lenta.

TESTANDO |
1 . Ignição ligada, motor parado, PONTA DE PROVA no fio que vem do relê do sistema de injeção . Positivo (+). |
2 . Ignição desligada, MULTITESTE DIGITAL modo Ohmimetro > resistência entre os terminais do sensor de 7,0 W a 15,0 W . |
3 . Motor em marcha lenta, MULTITESTE DIGITAL, modo voltímetro, no fio ligado ao pino 21 do módulo. tensão de 9,0 V a 10,0 V. Ao impor uma carga ao motor ( por exemplo, ligar o ar condicionando ), esta tensão deve cair. |
13) - Como testar a Bomba de combustível

QUANDO BOMBA NÃO FUNCIONA : realizar os testes abaixo . Se confirma os testes . bomba defeituosa (queima) .
TESTANDO |
1 . Ignição ligada, motor parado, PONTA DE PROVA no fio (marrom ou preto) da bomba .Negativo (-). |
2 . PONTA DE PROVA no fio que vem do terminal 30 do relê. Dar partida no motor. Positivo (+) durante a partida . |
QUANDO A BOMBA FUNCIONA : testar pressão do sistema .
TESTANDO |
1 . Despressurizar o sistema: retire o fusível ou o relê da bomba dê partida no motor. Após despressurizar, reinstale o fusível ou o relê. Instalar manômetro na válvula de teste do distribuidor de combustível .Dar partida no motor. Pressão de 2, 3 a 3,5 bar durante partida ou em marcha-lenta . |
2 . Na mesma condição anterior, remover a mangueira de vácuo do regulador de pressão e tampar a mangueira. Pressão de 2,7 a 3,8 bar . |
14) - Como testar o sistema de ignição.

TESTANDO |
1 . Ignição ligada, motor parado, PONTA DE PROVA no fio ligado ao terminal 1 do módulo de ignição. Negativo (-) . |
2 . Ignição ligada, motor parado, PONTA DE PROVA no fio ligado ao terminal 4 do módulo de ignição . Positivo (+). |
3 . Ignição ligada, motor parado, PONTA DE PROVA no fio ligado ao terminal 2 do módulo de ignição . Positivo (+). |
4 . Motor funcionamento ou durante a partida, PONTA DE PROVA no fio ligado ao pino 2 do módulo de ignição. led (verde ) deve piscar . |
5 . Motor funcionamento ou durante a partida, PONTA DE PROVA no fio ligado ao pino 5 do módulo de ignição (fio ligado ao pino 56 da Centralina ) . led ( verde ) deve piscar . |
15) - Como testar a bobina de ignição.
TESTANDO |
1 . Centelhador instalado na saída da bobina. Dar partida no motor. centelhador forte ( mínimo 2 cm ) durante a partida . |
2 . Ignição ligada, motor parado, PONTA DE PROVA no fio ligado ao relê do sistema de injeção. Positivo (+). |
3 . Motor funcionamento ou durante a partida, PONTA DE PROVA no fio ligado ao pino 4 da unidade central led (verde ) deve piscar |
4 . Ignição desligada, conector solto, MULTITESTE DIGITAL, modo ohmimetro, medir a resistência entre os terminais do primário. de 0,4 W a 0,6 W. |
5 . Ignição desligada, conector solto, MUTITESTE DIGITAL, modo ohmimetro, medir a resistência do, secundário da bobina. de 7,5 K W a 16,5 KW. |
16) - Como testar o relê da bomba de combustível.

TESTANDO |
1 . Ignição desligada, PONTA DE PROVA no fio ligado ao terminal 30 do relê. Positivo (+) . |
2 . Ignição ligada, motor parado, PONTA DE PROVA nos fios ligados aos terminais 85 e 86 do relê . Positivo (+). |
3 . Motor funcionando ou durante a partida, PONTA DE PROVA no fio ligado ao terminal 87 do relê. Positivo (+) . |
4 . Motor funcionando ou durante a partida, PONTA DE PROVA no fio ligado ao terminal 85 do relê. Negativo (-). |
17) - Como testar o relê do sistema de injeção.

TESTANDO |
1 . Ignição desligada, PONTA DE PROVA no fio ligado ao terminal 85 do relê . Negativo (-). |
2 . Ignição desligada, PONTA DE PROVA no fio ligado ao terminal 30 do relê . Positivo (+). |
3 . Ignição ligada, motor parado, nos fios ligados aos terminais 86 e 87 do relê . Positivo (+). |
ESQUEMA ELÉTRICA DO SISTEMA IMOBILIZADOR FORD (PATS EXTERNO) TAUROS

Como Conseguir os Códigos de Falhas do Sistema PATS?
| 1 - A lâmpada de falhas do imobilizador esta localizado no Relógio é uma lâmpada vermelha . |
| 2 - Com a ignição ligada a Lâmpada deverá apagar se permanecer acesa é porque existe falha no Sistema |
| 3 - Se existir falha no sistema ou se foi utilizada uma chave inadequada a lâmpada ira mostrar o código que deverá conferir abaixo |
| Código | Descrição |
13 |
Código não recebido |
14 |
Código Parcialmente Recebido |
15 |
Código errado da Chave |
16 |
Comunicação ruim com o Módulo |
21 |
Programado menos de 3 Chaves |
31 |
Código enviado para o solenóide está errado (somente diesel) |
32 |
Falha de Comunicação entre PATS e Solenóide (somente diesel) |
33 |
Comunicação ocorreu mas dados errados (somente diesel) |
Como conseguir Codificação de Chaves do Sistema PATS?
1 |
É obrigatório o uso de Chave Mestra de Cor Vermelha |
2 |
Vire a Chave Vermelha da Posição 0 para a Posição 2. A Lâmpada do Relógio se acenderá. |
3 |
Vire a Chave Vermelha da Posição 2 para a Posição 0. A Lâmpada do Relógio ficara acesa por 2 segundos. |
4 |
Antes que a Lâmpada se Apague, insira a primeira chave escrava de cor preta |
5 |
Vire a chave da posição 0 para posição 2. A lâmpada vai piscar 01 vez . Esta codificada a primeira chave. |
6 |
Para codificar a Segunda Chave proceder da mesma maneira em um intervalo de tempo inferior a 08 segundos |
7 |
A descodificação de uma chave somente poderá ser feito por um Scanner |
8 |
É possível Codificar até 15 Chaves escravas. |