CAPÍTULO 36
APLICATIVOS NISSAN
NISSAN ECCS
Almera GTI SR20DE 1996
Primera 2.0 SR20DE 1996
¤ Este sistema é Mutliponto seqüencial , com 4 válvulas injetoras que possui autodiagnose ou seja que caso tenha alguma falha possui uma lâmpada de falha no painel de instrumento. O sistema armazena os dados que poderão ser diagnosticado com o sistema do código de falhas. ¤ A unidade central opera no modo emergência quando um sensor falha, assim o motorista conseguirá levar o carro até a oficina. ¤ Unidade central é incorporada com a função alto diagnose |

| 1 Atuador da posição do eixo de comando | 2 Conector da unidade de dados |
| 3 Distribuidor | 4 Sensor de gravação elétrica |
| 5 Unidade central | 6 Relé de unidade Almera |
| 7 Relé de unidade Primera | 8 Sensor de temperatura da água |
| 9 Válvula de canister Primera | 10 Válvula de canister Almera |
| 11 Filtro de combustível | 12 Regulado de pressão do combustível |
| 13 Bomba de combustível | 14 Relé da bomba de combustível Almera |
| 15 Relé da bomba de combustível Primera | 16 Sensor de oxigênio |
| 17 Válvula de controle de ar da lenta 1 | 18 Válvula de controle de ar da lenta 2 |
| 19 Módulo de potência | 20 Bobina de ignição |
| 21 Resistor do sinal de ignição | 22 Válvula injetora |
| 23 Sensor de detonação | 24 Sensor do fluxo de massa de ar |
| 25 Interruptor da posição neutra (transmissão) | 26 Guia do interruptor de pressão |
| 27 Sensor de posição da borboleta | 28 Sensor de velocidade do veiculo |
PROBLEMA |
POSIVEIS CAUSAS |
MOTOR NÃO PEGA |
1 Examinar bateria
e suas conexões. 2 Verificar válvulas injetoras 3 Regulador da pressão de entrada da gasolina. 4 Válvula de escape 5 Conector da unidade central |
MOTOR COM DIFICULDADE PARA PEGA QUANDO FRIO. |
1 Examinar bateria e suas
conexões. 2 Regulador da pressão de entrada da gasolina. 3 Verificar válvulas injetoras. 4 Regulador da saída do ar morno 5 Válvula de controle da baixa da lenta 6 Unidade central |
| MOTOR COM DIFICULDADE PARA PEGA QUANDO QUENTE | 1 Regulador da pressão
de entrada da gasolina. 2 Conector da unidade central 3 Válvulas injetoras |
| MOTOR COM PERDA DE POTÊNCIA QUANDO QUENTE | 1 Regulador da pressão
de entrada da gasolina. 2 Válvula de canister 3 Sistema de estanqueidade |
| MOTOR COM PERDA DE POTÊNCIA QUANDO FRIO | 1 Sistema de
estanqueidade 2 Sensor de fluxo de massa de ar . |
| MOTOR COM PERDA DE POTÊNCIA EM CONDIÇÕES NORMAIS | 1 Sensor de oxigênio 2 Válvula de canister 3 Sensor de fluxo de massa de ar . |
| MOTOR FAZ BARULHO QUANDO LIGADO | 1 Nível de combustível
no tanque 2 Regulador da pressão de entrada da gasolina. 3 Válvulas injetoras 4 Unidade central. |
| MOTOR FAZ BARULHO QUANDO FRIO | 1 Válvula de controle da
lenta 2 Válvulas injetoras 3 Regulador da pressão de entrada da gasolina. 4 Válvula de controle da baixa da lenta 5 Conector da unidade central |
| MOTOR FAZ BARULHO QUANDO QUENTE | 1 Sistema de
estanqueidade 2 Válvulas injetoras 3 Regulador da pressão de entrada da gasolina 4 Conector da unidade central |
| MARCHA LENTA ERRADA | 1 Válvula de controle da
lenta 2 Válvulas injetoras 3 Regulador da pressão de entrada da gasolina. 4 Sensor de oxigênio 5 Sistema de estanqueidade 6 Válvula de escape 7 Conector da unidade central |
| MOTOR FALHANDO E PERFORMANCE POBRE | 1 Regulador da
pressão de entrada da gasolina 2 Sistema de estanqueidade |
| BATENDO PINO | 1 Sistema de
estanqueidade 2 Válvula de escape 3 Válvula de canister |
| SURGINDO | 1 Sensor de oxigênio 2 Válvula de escape |
CÓDIGO |
POSSIVEL DEFEITO |
11 |
Sensor da posição do eixo de comando |
12 |
Sensor do fluxo de massa de ar |
13 |
Sensor de temperatura da água |
21 |
Sinal do circuito de ignição |
28 |
Superaquecimento unidade central com baixa voltagem |
34 |
Sensor de detonação |
43 |
Sensor da posição da borboleta |
55 |
Sem nenhum problema |
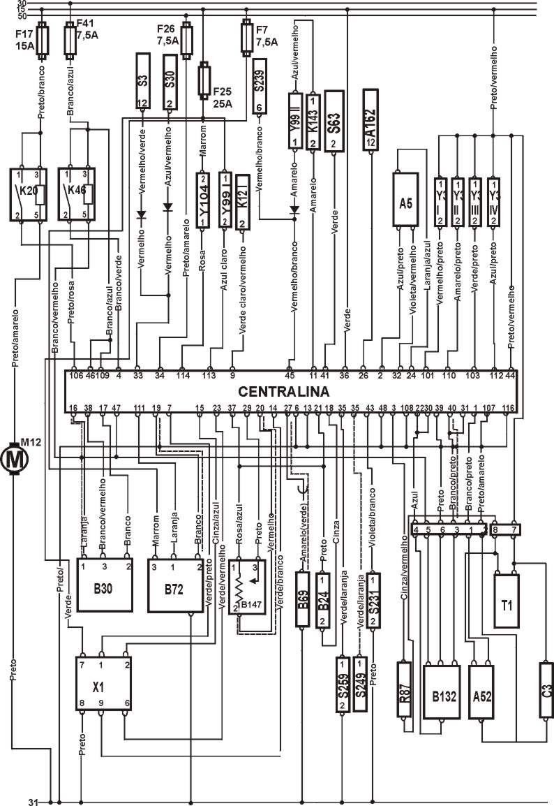
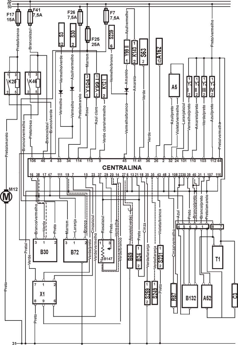
IDENTIFICAÇÃO DOS COMPONENTES DO ESQUEMA ELÉTRICO .
CODIGO DISCRIÇÃO DO COMPONENTE.
A5 |
Painel de Instrumentos. |
A35 |
Unidade Central. |
A52 |
Sensor de temperatura da água |
A162 |
Modulo de controle da imobilização |
B24 |
Sensor de temperatura da água. |
B30 |
Sensor do volume da massa de ar. |
B69 |
Sensor de detonação |
B72 |
Sonda Lambda. |
B132 |
Sensor da posição do eixo de comando. |
B147 |
Sensor da Posição da Borboleta. |
C3 |
Supressor |
F |
Fusível. |
K12 |
Relé do sensor de temperatura do motor |
K20 |
Relé da Bomba de Combustivel. |
K46 |
Relé da unidade central |
K 143 |
Relé do compressor de embreagem |
M12 |
Bomba de combustivel |
R87 |
Resistor de sinal de ignição |
S3 |
Interruptor da lâmpada de aquecimento |
S30 |
Interruptor do aquecedor do vidro traseiro |
S63 |
Sensor de refrigeração da pressão |
S231 |
Interruptor do guia de pressão |
S249 |
Interruptor da posição da transmissão |
S259 |
Interruptor da posição neutra (transmissão) |
S329 |
Interruptor da temperatura de entrada de ar |
T1 |
Bobina de Ignição |
X1 |
Conector da unidade central |
Y3 |
Válvulas Injetoras. |
Y97 |
Válvula de controle da marcha (transmissão) |
Y99 |
Válvula de controle do ar da lenta |
Y104 |
Válvula de canister |
15 |
Ignição ligada motor parado. |
30 |
Positivo da Bateria (+) |
31 |
Negativo da Bateria (-) |
50 |
Interruptor de ignição sinal de inicio |
CONECTOR DA UNIDADE CENTRAL

ESQUEMA ELÉTRICO DO NISSAN ALMERA

ESQUEMA ELETRICO DO NISSAN PRIMERA.

COMO TESTAR OS COMPONENTES 1)- Como testar marcha lenta

Ajuste
TESTANDO |
1 A marcha lenta é controlada eletronicamente, ligue o motor, gire o motor em 2000 RPM por cerca de 2 minutos, de Três aceleradas leves até 2500 RPM, deixe na lenta por um minuto, desligue o motor e a ignição, desconecte o multi-plug do sensor da posição da borboleta ligue o motor, deixe a lenta estabilizar, a base da lenta não especificada, ajuste a base da lenta com o parafuso da lenta, desligue a chave, reconecte o multi-plug ligue o motor, acelere o motor novamente por três vezes até 2500 RPM , deixe na lenta cheque a Regulagem da marcha lenta especificada na tabela abaixo. |
Tabela
| Temperatura Resistência |
| Regulagem da marcha lenta |
| Primera com luzes acesas - AT 750±50 rpm |
| Primera com luzes acesas- MT 825±50 rpm |
| Primera sem luzes acesas 750±50 rpm |
| Almera 750±50 rpm |
| Base da marcha lenta |
| Almera 700±50 rpm |
| Primera 700+75-50 rpm |
TESTANDO |
1 O nível de CO é controlado eletronicamente sem ajuste possível, nível de CO fora do especificado: cheque vazamento de ar no sistema (estanqueidade), teste os cabos e componentes elétricos com PONTA DE PROVA . |
Tabela
| Todos os modelos 0,5 % máximo- na ponta da mangueira |
| Cheque o nível de co na velocidade do motor |
| Primera com luzes de dia MT 825±50 rpm |
| Primera com luzes de dia AT 750±50 rpm |
| Primera sem luzes de dia 750±50 rpm |
| Almera 750±50 rpm |
3)- Como testar posição inicial do regulador de pressão
TESTANDO |
| 1 Posição inicial do regulador de pressão pré- fixada pelo fabricante , sem ajuste possível.. |
4)- Como testar pressão da gasolina

Checando
TESTANDO |
1 Ignição desligada, conecte um MANÔMETRO na mangueira de combustivel, de partida no motor e deixe funcionando em marcha lenta desconecte a mangueira de vácuo do regulador de pressão de combustível, compare a pressão medida, compare a pressão com a especificada na tabela, conecte a mangueira de vácuo no regulador, compare a pressão com a especificada na tabela |
Tabela.
| Sistema Condições Valores |
| Sistema Vácuo desligado 3,0 Bar |
| Regulado Vácuo ligado 2,4 Bar |
5)- Como testar válvulas injetoras

Checando a resistência
TESTANDO |
1 Ignição desligada, desconecte o multi-plug da válvula injetora e com um MULTITESTE DIGITAL cheque a resistência dos terminais indicados na figura acima. |
Tabela
| Terminais Resistência |
| 1 & 2 10-14 W |
Como testar o suprimento de voltagem
TESTANDO |
1 Ignição desligada, desconecte o multi-plug do injetor, ignição ligada motor parado, cheque com o MULTITESTE a voltagem dos terminais do multi-plug, deve coincidir com a voltagem da tabela .faça o teste para todos injetores. |
Tabela
| Terminais Voltagem |
| 2 & terra Voltagem da bateria |
6)- Como testar bomba de combustível

TESTANDO |
1 Ignição ligada motor parado, a bomba deve girar por cerca de 5 segundos, se a bomba não funcionar desligue a ignição, remova o relé da bomba de combustível, faça um jump entre a base dos terminais 3 & 5 do relé, ignição ligada motor parado, a bomba de combustível deve correr continuamente após o jump, se a bomba não correr desligue o motor, desconecte o muli-plug da bomba ligue a ignição, opera o interruptor, cheque a voltagem da bateria dos multi-pilugs de a voltagem não for a mesma especificada pela tabela confira cabos . |
Tabela
| Terminais Voltagem |
| 1 & 2 Voltagem da bateria |
Checar a resistência
TESTANDO |
1 Ignição desligada, desconecte o multi-plug da bomba de combustível , e com um MULTITESTE DIGITAL cheque a resistência dos terminais da bomba de combustível . |
Tabela
| Terminais Resistência |
| 1 & 2 0,2-5,0 |
7) Como testar Sensor da posição da borboleta

Como testar o suprimento de voltagem
TESTANDO |
1 Ignição desligada, desconecte o multi-plug do sensor TP, ignição ligada motor parado, cheque com o MULTITESTE a voltagem dos terminais e terra do multi-plug, deve coincidir com a voltagem da tabela. |
Tabela
| Terminais Condição Voltagem |
| 1 & terra Ignição ligada motor parado 5V aproxi |
Como testar conexão do terra
TESTANDO |
1 Ignição desligada, desconecte o multi-plug do sensor TP, e com um MULTITESTE DIGITAL cheque a resistência dos terminais do multi-plug e terra. |
Tabela
| Temperatura Resistência |
| 3 & terra Zero |
Como testar a operação

TESTANDO |
1 Ignição desligada, não desconecte o multi-plug do sensor TP apenas os exponha, ignição ligada motor parado, e com um MULTITESTE DIGITAL cheque a Voltagem dos terminais do sensor TP (1) opere a válvula e cheque a voltagem dos terminais, opere a válvula, a voltagem não deve ter muitas oscilações . |
Tabela
| Temperatura Condição Voltagem |
| 2 & 3 Borboleta fechada 0,35-0,65 V aproa |
| 2 & 3 Borboleta bem aberta 4,0 V aproa |
Como testar a resistência
TESTANDO |
1 Ignição desligada, desconecte o multi-plug do sensor TP, e com um MULTITESTE DIGITAL cheque a resistência dos terminais do sensor TP opere a válvula e cheque a resistência dos terminais 2 & 3, a resistência não deve ter muitas oscilações . |
Tabela
| Temperatura Condição Resistência |
| 2 & 3 Borboleta fechada 1000 W aproxi |
| 2 & 3 Borboleta bem aberta 10000 W aproxi |
TESTANDO |
1 Ignição desligada, não desconecte o multi-plug do sensor TP apenas exponha os terminais do multi-plug, ignição ligada motor parado, afrouxe o parafuso do sensor TP gire o sensor TP e cheque com o MULTITESTE a voltagem dos terminais 2 e 3 aperte o parafuso desligue a ignição, resete a memória da marcha lenta ligue o motor deixe na lenta deixe o motor chegar a temperatura normal de funcionamento desligue a ignição desconecte o muli-plug do sensor TP, ligue o motor deixe na lenta espere mais de 5 segundos, reconecte multi-plug ignição desligada. |
Tabela
| Terminais Condição Voltagem |
| 2 & 3 Borboleta fechada 0,5±0,1V aproxi |
Ajuste do Primera
TESTANDO |
1 Ignição desligada, não desconecte o multi-plug do sensor TP apenas exponha os terminais o multi-plug, ignição ligada motor parado, afrouxe o parafuso do sensor TP gire o sensor TP e cheque com o MULTITESTE a voltagem dos terminais 2 e 3 aperte o parafuso desligue a ignição, recepte a memória da ligue a ignição, desligue a ignição espera pelo menos 5 segundos . repita 20 vezes . |
Tabela
| Terminais Condição Voltagem |
| 2 & 3 Borboleta fechada 0,5±0,1V aproxi |
8)- Como testar sensor de fluxo de massa de ar
Como testar o suprimento de voltagem
TESTANDO |
1 Ignição desligada, desconecte o multi-plug do sensor do fluxo de massa de ar, ignição ligada motor parado, cheque com o MULTITESTE a voltagem dos terminais do multi-plug, deve coincidir com a voltagem da tabela . |
Tabela
| Terminais Condição Voltagem |
| 3 & terra Ignição ligada motor parado Voltagem da bateria |
Como testar conexão terra
TESTANDO |
1 - Ignição desligada, desconecte o mutli-plug do sensor de fluxo de massa de ar, com um MULTITESTE DIGITAL cheque a resistência dos terminais e terra do multi-plug confira com as especificações na tabela abaixo. |
Tabela
| Terminal da Unidade central Terminal do sensor MAF Resistência |
| 17-2 zero |
Como testar voltagem Almera -
TESTANDO |
1 Ignição desligada, desconecte o multi-plug do sensor do fluxo de massa de ar, ignição ligada motor parado, cheque com o MULTITESTE a voltagem dos terminais e terra do multi-plug ligue o motor e deixe na lenta, cheque com o MULTITESTE a voltagem dos terminais e terra do multi-plug. |
Tabela
| Terminais Condição Voltagem |
| 1 & terra Ignição ligada motor parado 1,0 V max. |
| 1 & terra Motor na lenta 1,3-1,7 V |
Como testar voltagem Primera-
TESTANDO |
1 Ignição desligada, não desconecte o multi-plug do sensor MAF apenas os exponha, ignição ligada motor parado, cheque com o MULTITESTE a voltagem dos terminais e terra do multi-plug, ligue o motor e deixe na lenta, cheque com o MULTITESTE a voltagem dos terminais e terra do multi-plug. |
Tabela
| Terminais Condição Voltagem |
| 1 & terra Ignição ligada motor parado 1,0 V max. |
| 1 & terra Motor na lenta 0,8-1,2 V |
9)- Como testar Válvula de controle do ar da marcha lenta 1.
Checando operação
TESTANDO |
1 - Ignição desligada, ligue o motor e deixe na lenta cheque se a lenta é a mesma especificada na tabela abaixo ignição desligada, desconecte o mutli-plug do Sensor TP Primera Fig (B), desconecte o multi-plug do senso IAC Fig (A) Almera, ligue o motor e deixe na lenta cheque se a lenta é a mesma especificada na tabela. |
Tabela
| Regulagem da marcha lenta |
| Primera com luzes acesas 750±50 rpm |
| Primera com luzes acesas 750±50 rpm |
| Primera sem luzes acesas 825±50 rpm |
| Almera 750±50 rpm |
| Base da marcha lenta |
| Almera 700±50 rpm |
| Almera AT 700+75-50 rpm |
Checando suprimento de voltagem
TESTANDO |
1 - Ignição desligada, desconecte o mutli-plug da válvula IAC, ignição ligada motor parado com um MULTITESTE DIGITAL cheque a voltagem dos terminais e terra do multi-plug confira com as especificações na tabela abaixo. |
Tabela
| Terminais Voltagem |
| 1 & terra Voltagem da bateria |
Checando a resistência

TESTANDO |
1 - Ignição desligada, desconecte o mutli-plug da válvula de controle da lenta, com um MULTITESTE DIGITAL cheque a resistência dos terminais e terra do multi-plug do sensor de temperatura do ar confira com as especificações na tabela abaixo. |
Tabela
| Terminais Resistência |
| 1 & 2 10 W aproxi |
10)- Como testar Válvula de controle do ar da marcha lenta 2 com AC.

Checando suprimento de voltagem
TESTANDO |
1 - Ignição desligada, desconecte o mutli-plug da válvula 2 de controle da lenta, ligue o motor deixe na lenta, ligue o ar condicionado, com um MULTITESTE DIGITAL cheque a voltagem dos terminais e terra do multi-plug do sensor IAC confira com as especificações na tabela abaixo. |
Tabela
| Terminais Condição Voltagem |
| 1 & terra Ar condicionado ligado Voltagem da bateria |
Checando a conexão do terra
TESTANDO |
1 - Ignição desligada, desconecte o mutli-plug da válvula de controle da lenta 2, desconecte o multi-plug do interruptor da temperatura do ar, com um MULTITESTE DIGITAL cheque a resistência dos terminais e terra do multi-plug do sensor de temperatura do ar confira com as especificações na tabela abaixo. |
Tabela
| Terminal da válvula Terminal do interruptor Resistência |
| 2 1 zero |
| Terminais Resistência |
| 2 & terra Zero |
Checando a operação

TESTANDO |
1 - Ligue o motor e deixe na lenta cheque se a lenta é a mesma especificada na tabela abaixo ligue o ar condicionado cheque se a lenta é a mesma especificada na tabela abaixo se lenta não conferir com a especificada, desconecte o mutli-plug da válvula de controle da lenta 2 conecte o suprimento da bateria nos terminais da válvula IAC (1) Almera, (2) Primera, cheque se a válvula opera . |
Tabela
| Regulagem da marcha lenta |
| Primera com luzes acesas AT (Cambio Automático) 750±50 rpm |
| Primera com luzes acesas MT (Cambio Mecânico) 750±50 rpm |
| Primera sem luzes acesas 825±50 rpm |
| Almera 750±50 rpm |
| Ar condicionado ligado MT (Cambio Mecânico) 850 rpm min. |
| Ar condicionado ligado AT (Cambio Automático) 825 rpm min. |
| Terminal + da bateria 1 |
| Terminal - da bateria 2 |
Como testar sistema de ignição
11) - Como testar a Bobina de ignição
(A bobina de Ignição incorpora o módulo de potência)
Como testar provisão de Voltagem
TESTANDO |
1 Ignição desligada, desconecte o multi-plug do distribuidor de 2 pinos, ignição ligada motor parado, cheque a voltagem dos pinos dos multi-plug e o terra com o MULTITESTE DIGITAL, se a voltagem não a mesma especificada na tabela : cheque cabos e fusíveis. |
Tabela
| Terminais Condição Voltagem |
| 7 & terra ignição ligada motor parado oltagem da bateria |
Checar resistência do primário.
TESTANDO |
1 Ignição desligada, desconectar o multi-plug do distribuidor de 2 pinos, confira a resistência dos terminais da bobina de ignição com um MULTITESTE DIGITAL conferindo os valores com a tabela abaixo. |
Tabela
| Terminais Resistência |
| 7 & 8 0,5-1,0 W aproxi |
Checando resistência secundária
Testando |
1 Ignição desligada, desconecte o multi-plug do distribuidor de 2 pinos, remova a capa do distribuidor cheque a resistência dos terminais de alta tensão da bobina de ignição com MULITESTE DIGITAL, conferindo com as valores da tabela abaixo. |
Tabela
| Terminais Resistência |
| 7 & HT 25000 W aproxi |

Checar continuidade
TESTANDO |
1 Ignição desligada, desconectar o multi-plug do distribuidor, confira a resistência relevante dos terminais da bobina de ignição com um MULTITESTE DIGITAL conferindo os valores com a tabela abaixo. |
Tabela
| Terminais Resistência |
| 2 & 8 Mais que zero |
Checando conexão do terra
Testando |
1 Ignição desligada, desconectar o multi-plug de 6 pinos do distribuidor cheque a resistência dos terminais do multi-plug com MULITESTE DIGITAL, conferindo com as valores da tabela abaixo. |
Tabela
| Terminais Resistência |
| 2 & terra zero |
13) - Como testar sinal do Resistor

Testando |
1 Ignição desligada, desconectar o multi-plug do sinal do Resistor cheque a resistência dos terminais do multi-plug com MULITESTE DIGITAL, conferindo com as valores da tabela abaixo. |
Tabela
| Terminais Resistência |
| 1 & 2 2200 W aproxi. |

Checando
TESTANDO |
1 Ignição desligada, desconecte o multi-plug do sensor ECT, alivie a pressão do sistema de arrefecimento, remova do motor o sensor de temperatura do motor (ECT), emirja o sensor ECT em água em temperaturas especificadas pela tabela abaixo, com o MULTITESTE DIGITAL. cheque a resistência dos terminais |
Tabela
| Temperatura Resistência |
| 0°C 5500-8000 W |
| 20°C 2100-2900 W |
| 40°C 1000-1500 W |
| 50°C 680-1000 W |
| 80°C 350-400 W |
| 90°C 230-260 W |
15)- Como testar o sensor da posição do eixo de Comando.(CMP)
Como testar conexão do terra Fig
TESTANDO |
1 Ignição desligada, desconecte o multi-plug do distribuidor 6 (pinos), cheque a resistência dos terminais e terra do multi-plug com o MULTITESTE DIGITAL, deve conferir com a resistência especificada na tabela abaixo . |
Tabela
| Terminais Resistência |
| 6 & terra zero |
Como testar provisão de Voltagem Fig
TESTANDO |
1 Ignição desligada, desconecte o multi-plg do distribuidor 6 (pinos), ignição ligada motor parado, cheque a voltagem dos pinos do multi-plug e o terra com o MULTITESTE DIGITAL.. |
Tabela
| Terminais Condição Voltagem |
| 5 & terra ignição ligada motor parado Voltagem da bateria |

Como testar sinal Almera Fig
TESTANDO |
1 Ignição desligada, não desconecte o multi-plg do distribuidor 6 (pinos) apenas exponha os terminais do multi-plug do distribuidor, e com motor ligado em marcha lenta, cheque a voltagem dos pinos do multi-plug e o terra com o MULTITESTE DIGITAL no modo corrente alternada, confira com tabela abaixo. |
Tabela
| Terminais Condição Voltagem |
| 3 & terra Motor na marcha lenta 2,5 V AC Aprox |
| 4 & terra Motor na marcha lenta 1,0 V AC Aprox |
Como testar sinal Primera
TESTANDO |
1 Ignição desligada, não desconecte o multi-plug do distribuidor 6 (pinos) apenas exponha os terminais do multi-plug do distribuidor, ignição ligada motor parado, cheque a voltagem dos pinos do multi-plug e o terra com o MULTITESTE DIGITAL, ligue o motor e deixe na lenta, cheque voltagem dos pinos do multi-plug e o terra com o MULTITESTE DIGITAL acelere o motor até os 2000 rpm especificados na tabela e cheque a voltagem dos pinos do multi-plug e o terra com o MULTITESTE DIGITAL |
Tabela
| Terminais Condição Voltagem |
| 3 & terra Motor ligado 0,1-0,4 V |
| 3 & terra Motor na marcha lenta 0,1-0,4 V |
| 3 & terra 2000 rpm 0,1-0,4 V |
| 4 & terra Motor ligado 2,0-3,0 V |
| 4 & terra Motor na marcha lenta 2,0-3,0 V |
| 4 & terra 2000 rpm 2,0-3,0 V |
16)- Como testar sensor de detonação
Checando
TESTANDO |
1 Ignição desligada, desconecte o multi-plug do sensor de Detonação, remova o sensor KS, assegure-se que o bloco e os cilindros estejam ajustados e que não tenha corrosão entre suas faces, recoloque o sensor dando o torque especificado pelo fabricante. |
| Torque 21-26 Nm |
Como testar resistência
TESTANDO |
1 Ignição desligada, desconecte o multi-plug do sensor de Detonação, cheque a resistência dos terminais e terra do sensor KS com um MULTITESTE DIGITAL |
Tabela
| Terminais Resistência |
| 2 & terra Infinita |
17)- Como testar sensor oxigênio aquecido(Sonda Lambda)

Checando operação
TESTANDO |
1 Ignição desligada, unidade com próprio diagnóstico, ligue o motor, faça o motor funcionar a 2000 rpm por 2 minutos, cheque se a lâmpada de indicação de mal funcionamento do motor acende mais de 5 vezes em 10 segundos . |
18)- Como testar o aquecedor do sensor de oxigênio

TESTANDO |
1 Ignição desligada, desconecte o multi-plug do aquecedor sensor da HO2S, cheque a resistência dos terminais do sensor de aquecimento do oxigênio com o MULTITESTE DIGITAL, deve conferir com a resistência especificada na tabela abaixo |
Tabela
| Terminais Resistência |
| 1 & 3 3,3-6,3 W |
Como testar suprimento de voltagem
TESTANDO |
1 Ignição desligada, desconectar o multi-plug do sensor HO2S, ignição ligada motor parado, cheque a voltagem dos terminais e terra do mutli-plug com o MULTITESTE DIGITAL, confira voltagem com a tabela . |
Tabela
| Terminais Voltagem |
| 3 & terra Voltagem da bateria |
19)- Como testar válvula de canister (EVAP)

Como testar suprimento de voltagem
TESTANDO |
1 Ignição desligada , desconectar o multi-plug da válvula EVAP, ignição ligada motor parado, cheque a voltagem dos terminais e terra do mutli-plug com o MULTITESTE DIGITAL, confira voltagem com a tabela . |
Tabela
| Terminais Condição Voltagem |
| 2 & terra ignição ligada motor parado Voltagem da bateria |
Como testar operação
TESTANDO |
1 Ignição desligada, desconectar o multi-plug da válvula EVAP, cheque o fluxo de ar nas válvulas especificadas conecte o suprimento de voltagem da bateria nos terminais da válvula EVAP, cheque se o fluxo de ar corre pela válvula . |
Tabela
| Condição Corrente de ar |
| Voltagem da bateria desconectada Não |
| Voltagem da bateria conectada Sim |
| Terminal da bateria + 2 |
| Terminal da bateria 1 |
20)- Como testar sensor da carga elétrica

Checando
TESTANDO |
1 Ignição desligada, desconectar o multi-plug da unidade central, ignição ligada motor parado ligue o interruptor do aquecedor do vidro traseiro, cheque a voltagem dos terminais e terra do multi-plug, desligue a ignição, desligue o interruptor do aquecedor do vidro traseiro, cheque a voltagem dos terminais e terra do multi-plug, ignição ainda desligada mas o aquecedor do vidro traseiro ligado cheque a resistência dos terminais e terra do multi-plug |
Tabela
| Terminais Condição Voltagem |
| 33 & terra Aquecedor o vidro traseiro ligado Voltagem da bateria |
| 33 & terra Lâmpada internas ligadas Voltagem da bateria |
21)- Como testar o relé do Módulo

Checando operação
TESTANDO |
1 Ignição desligada, remova o relé cheque a resistência dos terminais do relé com o MUTLITESTE DIGITAL, conecte suprimento da bateria nos terminais especificados do relé, confira os testes com a tabela abaixo. |
Tabela
| Terminais Condição Resistência |
| 3 & 5 Bateria desconectada W Infinita |
| 3 & 5 Bateria conectado Zero |
| Bateria + no terminal 1 |
| Bateria no terminal 2 |
22)- Como testar relé da bomba de combustível

TESTANDO |
1 Ignição desligada, remova o relé cheque a resistência dos terminais do relé com o MUTLITESTE DIGITAL, conecte suprimento da bateria nos terminais especificados do relé, confira os testes com a tabela abaixo. |
Tabela
| Terminais Condição Voltagem |
| 3 & 5 Bateria desconectada W Infinita |
| 3 & 5 Bateria conectado Zero |
| Bateria + no terminal 1 |
| Bateria no terminal 2 |
23)- Como testar unidade central
Como testar suprimento de voltagem Almera
TESTANDO |
1- Ignição desligada, desconecte o multi-plug da unidade central, conecte a caixa de fuga na unidade central cheque a Voltagem dos terminais e terra do multi-plug com o MULTITESTE DIGITAL da unidade central, ignição ligada motor parado, cheque a Voltagem dos terminais e terra do multi-plug . |
Tabela
| Terminais Condição Voltagem |
| 46 & terra Ignição desligada Voltagem da bateria |
| 109 & terra Ignição desligada Voltagem da bateria |
| 44 & terra Ignição ligada Voltagem da bateria |
| 36 & terra Ignição ligada Voltagem da bateria |
| Terminal 4 aterrado |
| 38 & terra Ignição desligada Voltagem da bateria |
| 47 & terra Ignição desligada Voltagem da bateria |
Como testar suprimento de voltagem
TESTANDO |
1- Ignição desligada, desconecte o multi-plug da unidade central, cheque a Voltagem dos terminais e terra do multi-plug com o MULTITESTE DIGITAL da unidade central, ignição ligada motor parado, cheque a Voltagem dos terminais e terra do multi-plug . |
Tabela
| Terminais Condição Voltagem |
| 46 & terra Ignição desligada Voltagem da bateria |
| 36 & terra Ignição ligada motor parado Voltagem da bateria |
| 44 & terra Ignição ligada motor parado Voltagem da bateria |
| Terminal 4 aterrado |
| 38 & terra Ignição desligada Voltagem da bateria |
| 47 & terra Ignição desligada Voltagem da bateria |
| 109 & terra Ignição desligada Voltagem da bateria |
Como testar conexão do terra
TESTANDO |
1 Ignição desligada, desconecte o multi-plug da unidade central, cheque a resistência dos terminais do multi-plug com o MUTLITESTE DIGITAL, se a resistência não for a especificada pela tabela abaixo, cheque os cabos. |
Tabela
| Terminais Resistência |
| 6 & terra zero |
| 13 & terra zero |
| 39 & terra zero |
| 48 & terra zero |
| 107 & terra zero |
| 108 & terra zero |
| 116 & terra zero |
24)- Como testar interruptor da pressão da direção hidráulica.

TESTANDO |
1 Ignição desligada, desconecte o multi-plug do interruptor PSP, ligue o motor e deixe na lenta, cheque a resistência dos terminais do interruptor PSP , gire o volante do carro quando estiver checando a resistência . |
Tabela
| Terminais Volante Resistência |
| 1 & 2 para frente 8 |
| 1 & 2 sendo virado zero |
25)- Como testar interruptor do cambio automático.
Como testar operação Almera
TESTANDO |
1 Ignição desligada, não desconecte o multi-plg da unidade central apenas exponha os terminais do multi-plug, ignição ligada motor parado, cheque a voltagem dos pinos do multi-plug e o terra com o MULTITESTE DIGITAL, mova o seletor para a posição indicada na tabela e confira a voltagem . |
Tabela
| Terminais Posição da alavanca do seletor Voltagem |
| 35 & terra Park zero |
| 35 & terra Neutro zero |
| 35 & terra Todas outras posições 5,0 V aprox |
Como testar operação Primera
TESTANDO |
1 Ignição desligada, não desconecte o multi-plg da unidade central apenas exponha os terminais do multi-plug, ignição ligada motor parado, cheque a voltagem dos pinos do multi-plug e o terra com o MULTITESTE DIGITAL , mova o seletor para a posição indicada na tabela e confira a voltagem . |
Tabela
| Terminais Posição da alavanca do seletor Voltagem |
| 35 & terra Parque zero |
| 35 & terra Neutro zero |
| 35 & terra Todas outras posições Voltagem da bateria |
26)- Como testar sensor de velocidade do veiculo (VSS)
Como testas voltagem
TESTANDO |
1 - Ignição desligada, não desconecte o multi-plug apenas exponha os terminais do multi-plug da unidade central, ignição ligada motor parado, gire a roda especificada na tabela, cheque com o MULTITESTE DIGITAL a voltagem dos terminais e terra do multi-plug . |
Tabela
| Terminais Condição Voltagem |
| 32 & terra Ignição ligada motor parado 0-5,0 V flutuando |