CAPÍTULO 35
APLICATIVOS WV
Bosch Motronic 2.9
Golf GTI até 1994
COMO FUNCIONA ESTE SISTEMA.
¤- Este sistema é multiponto intermitente com quatro válvulas injetoras, que possui autodiagnose ou seja que caso tenha alguma falha possui uma lâmpada de falha no painel de instrumento. O sistema armazena os dados que poderão ser diagnosticado com o sistema do código de falhas. ¤- A unidade central opera no modo emergência quando um sensor falha, assim o motorista conseguirá levar o carro até a oficina. ¤ O modelo do conector de diagnóstico é o seguinte. |
| 1 Sensor da posição do eixo de comando | 2 Sensor da posição do eixo de manivelas |
| 3 Conector da unidade de dados | 4 Conector da unidade de dados |
| 5 Distribuidor Unidade central | 6 Unidade central |
| 7 Relé da unidade central | 8 Sensor de temperatura da água |
| 9 Válvula de canister | 10 Filtro de gasolina no tanque |
| 11 Regulador de pressão de gasolina | 12 Bomba de gasolina |
| 13 Relé bomba de gasolina | 14 Sensor de oxigênio |
| 15 Atuador do controle da lenta | 16 Amplificador de ignição |
| 17 Bobina de ignição Sensor de temperatura do ar | 18 Válvula injetora |
| 19 Sensor de temperatura do ar | 20 Sensor de detonação |
| 21 Sensor de fluxo de massa de ar | 22 Relé do sensor de oxigênio |
| 23 Sensor de posição da borboleta | 24 Sensor de velocidade (transmissão |
BUSCA DE FALHA PELO SINTOMA
PROBLEMA |
POSIVEIS CAUSAS |
| MOTOR NÃO PEGA | 1 Examinar bateria e suas
conexões. 2 Fusíveis, Bomba de Combustivel, Relés do controle do motor. 3 Condições do Filtro de Combustivel. 4 Entrada falsa de ar no Sistema Estanqueidade. 5 Unidade central, conector e fios. 6 Verificar as condições do filtro de combustível e sistema de combustível Bomba/Regulador, mangueira. 7 Válvulas Injetoras. 8 Verificar as condições do filtro de ar . 9 Sensor de Fluxo da Massa de Ar. 10 Sensor da posição do eixo de Comando. 11 Conector da unidade central |
| MOTOR COM DIFICULDADE PARA PEGAR. | 1 Examinar bateria e suas
conexões. 2 Unidade central, conector e fios 3 Condições do filtro de gasolina. 4 Entrada falsa de ar no Sistema Estanqueidade. 5 Sensor de temperatura do motor 6 Sensor de fluxo de massa de ar . 7 Regulador da pressão de entrada da gasolina. 8 Verificar válvulas injetoras. 9 Conector da centralina do motor 10 Verificar as condições do filtro de ar . |
| MOTOR COM DIFICULDADE PARA PEGAR QUANDO QUENTE | 1 Examinar bateria e suas
conexões. 2 Fusíveis, Bomba de Combustivel, Relés do controle do motor 3 Condições do Filtro de Combustivel 4 Entrada falsa de ar no Sistema Estanqueidade. 5 Sensor de temperatura da água 6 Sensor de fluxo de massa de ar 7 Regulador da pressão de entrada da gasolina 8 Verificar válvulas injetoras 9 Verificar as condições do filtro de ar . 10 Conector da unidade central 11 Controle de Detonação |
| MOTOR PEGA MAS LOGO APÓS MORRE. | 1 Examinar bateria e suas
conexões. 2 Fusíveis, Bomba de Combustivel, Relés do controle 3 Condições do Filtro de Combustivel. 4 Entrada falsa de ar no Sistema Estanqueidade 5 Válvula de controle da entrada de ar da marcha lenta 6 Verificar as condições do filtro de ar 7 Sensor de fluxo de massa de ar 8 Regulador da pressão de entrada da gasolina 9 Verificar válvulas injetoras. 10 Conector da unidade central |
| MARCHA LENTA IRREGULAR | 1 Atuador da válvula de controle
da entrada de ar da marcha lenta 2 Verificar se há estanqueidade no sistema de combustível. 3 Examinar bateria e suas conexões. 4 Válvula de Marcha Lenta. 5 Ver Sensor de Temperatura da Água. 6 Unidade central, conector e fios. 7 Sensor de Fluxo da Massa de Ar. 8 Verificar as condições do filtro de ar 9 Sensor de temperatura do ar. 10 Verificar válvulas injetoras 11 Regulador da pressão de entrada da gasolina 12 Conector da unidade central 13 Sensor da posição do regulador de pressão |
| MARCHA LENTA INCORRETA | 1 Examinar bateria e suas
conexões. 2 Entrada falsa de ar no Sistema Estanqueidade 3 Válvula de controle da entrada de ar da marcha lenta 4 Sensor de temperatura da água 5 Verificar as condições do filtro de ar 6 Sensor de Fluxo da Massa de Ar. 7 Verificar válvulas injetoras 8 Conector da unidade central 9 Sensor da posição do regulador de pressão |
| MARCHA LENTA FALHANDO | 1 Entrada falsa de ar no Sistema
Estanqueidade 2 Sensor de temperatura da água 3 Verificar as condições do filtro de ar 4 Sensor de Fluxo da Massa de Ar. 5 Examinar bateria e suas conexões 6 Verificar válvulas injetoras 7 Conector da unidade central |
| MARCHA LENTA FALHANDO CONSTANTEMENTE. | 1 Sensor de Fluxo da Massa de Ar. |
| ACELERAÇÃO VASCILANDO | 1 Entrada falsa de ar no Sistema
Estanqueidade 2 Sensor de temperatura da água 3 Verificar as condições do filtro de ar 4 Sensor de Fluxo da Massa de Ar. 5 Examinar bateria e suas conexões. 6 Condições do Filtro de Combustivel 7 Sensor de oxigênio 8 Verificar válvulas injetoras 9 Conector da unidade central 10 Sensor de temperatura do ar |
| VASCILAÇÃO CONSTANTE DE VELOCIDADE. | 1 Entrada falsa de ar no Sistema
Estanqueidade 2 Sensor de temperatura da água 3 Verificar as condições do filtro de ar 4 Sensor de Fluxo da Massa de Ar. 5 Examinar bateria e suas conexões. 6 Condições do Filtro de Combustivel 7 Verificar válvulas injetoras 8 Conector da unidade central 9 Sensor de temperatura do ar. |
| BATIDA DE PINO DURANTE A ACELERAÇÃO | 1 Entrada falsa de ar no Sistema
Estanqueidade 2 Sensor de temperatura da água 3 Fusíveis, Bomba de Combustivel, Relés do controle 4 Regulador da pressão de entrada da gasolina 5 Verificar válvulas injetoras 6 Sensor de Fluxo da Massa de Ar. 7 Conector da unidade central 8 Controle de Detonação 9 Sensor da posição do regulador de pressão |
| MÁ RETOMADA DE ACELERAÇÃO | 1 Controle de Detonação 2 Sensor de Fluxo da Massa de Ar 3 Conector da unidade central |
| EXCESSO DE COMSUMO DE COMBUSTIVEL | 1 Sensor da posição do
regulador de pressão 2 Entrada falsa de ar no Sistema Estanqueidade 3 Sensor de temperatura do motor 4 Examinar bateria e suas conexões 5 Válvula de canister. 6 Verificar as condições do filtro de ar 7 Sensor de Fluxo da Massa de Ar 8 Conector da unidade central 9 Regulador da pressão de entrada da gasolina 10 Verificar válvulas injetoras |
| NIVEL DE CO MUITO ELEVADO | 1 Verificar as condições do
filtro de ar 2 Sensor de oxigênio 3 Sensor de temperatura da água. 4 Examinar bateria e suas conexões 5 Sensor de Fluxo da Massa de Ar 6 Regulador da pressão de entrada da gasolina 7 Verificar válvulas injetoras 8 Conector da unidade central 9 Sensor da posição do regulador de pressão |
| NIVEL DE CO MUITO BAIXO | 1 Sensor da posição do
regulador de pressão 2 Verificar as condições do filtro de ar 3 Sensor de oxigênio 4 Sensor de temperatura da água. 5 Examinar bateria e suas conexões 6 Sensor de Fluxo da Massa de Ar 7 Regulador da pressão de entrada da gasolina 8 Verificar válvulas injetoras 9 Conector da unidade central 10 Condições do Filtro de Combustivel |
| DESEMPENHO POBRE | 1 Sensor de temperatura da água. 2 Examinar bateria e suas conexões 3 Sensor de Fluxo da Massa de Ar 4 Regulador da pressão de entrada da gasolina 5 Verificar válvulas injetoras 6 Conector da unidade central 7 Condições do Filtro de Combustivel 8 Sensor da posição do regulador de pressão 9 Verificar as condições do filtro de ar 10 Sensor de oxigênio 11 Sensor de Velocidade. |
Conector da Unidade Central.


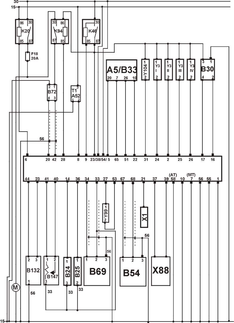
IDENTIFICAÇÃO DOS COMPONENTES DO ESQUEMA ELÉTRICO .
CODIGO DISCRIÇÃO DO COMPONENTE.
A5 |
Painel de Instrumentos. |
A35 |
Unidade Central. |
A52 |
Módulo de Potência. |
B24 |
Censor de temperatura da água. |
B25 |
Censor da temperatura do ar. |
B30 |
Sensor do fluxo de massa de ar |
B54 |
Sensor da posição do eixo de Manivelas |
B69 |
Sensor de Detonação |
B72 |
Sonda Lambda. |
B132 |
Sensor da posição do eixo de comando |
B147 |
Sensor da Posição da Borboleta. |
F |
Fusível. |
K20 |
Relé da Bomba de Combustivel. |
K46 |
Relé do módulo Central. |
K94 |
Relé do sensor de oxigênio |
M12 |
Bomba de Combustivel. |
T1 |
Bobina de Ignição |
X1 |
Conector da unidade central |
X79 |
Conector da Transmissão Automática. |
X88 |
Conector do ar condicionado. |
Y3 |
Válvulas Injetoras. |
Y99 |
Válvula do Controle da Marcha Lenta. |
Y104 |
Válvula de Canister. |
15 |
Ignição ligada motor parado. |
30 |
Positivo da Bateria (+) |
31 |
Negativo da Bateria (-) |
| CÓDIGO | POSSIVEL DEFEITO |
00281 |
Sensor de velocidade |
00513 |
Sensor de posição do eixo de manivelas |
00515 |
Sensor de posição do eixo de comando |
00518 |
Sensor de posição da borboleta |
00522 |
Sensor de temperatura da água |
00524 |
Sensor de detonação |
00525 |
Sensor de oxigênio |
00527 |
Sensor da temperatura de ar |
00532 |
Unidade Central |
00533 |
Controle da velocidade da lenta |
00535 |
Sensor de detonação |
00537 |
Sensor de oxigênio |
00543 |
RPM máxima excedida |
00549 |
Painel de instrumentos |
00553 |
Sensor de massa de ar |
00561 |
Sensor de oxigênio aquecido |
00609 |
Amplificador de oxigênio |
00640 |
Relé do sensor de oxigênio |
01242 |
Unidade Central |
01247 |
Válvula de canister |
01249 |
Válvula injetora n 1 |
01250 |
Válvula injetora n 2 |
01251 |
Válvula injetora n 3 |
01252 |
Válvula injetora n 4 |
01257 |
Válvula de controle do ar da marcha lenta |
01259 |
Relé da bomba de combustível |
17978 |
Unidade Central |
65535 |
Unidade Central |
TESTANDO |
1 Motor na temperatura normal de temperatura de funcionamento ligue o motor e deixe na lenta por dois minutos a marcha lenta é controlada eletronicamente, sem ajuste possível ,só pode ser ajustado com equipamento devidamente capacitado, velocidade da lenta não especificada : Cheque vazamento de ar no sistema (estanqueidade), teste os componentes elétricos com a MULTITESTE DIGITAL. |
Tabela
| Todos modelos 850±40 rpm |
TESTANDO |
1 O nível de CO é controlado eletronicamente sem ajuste possível, nível de CO fora do especificado: cheque vazamento de ar no sistema (estanqueidade), teste os cabos e componentes elétricos com PONTA DE PROVA . |
Tabela
| Todos os modelos 0,5 % máximo- na ponta da mangueira |
3)- Como testar posição inicial do regulador de pressão
TESTANDO |
1 Posição inicial do regulador de pressão pré- fixada pelo fabricante, sem ajuste possível.. |
4)- Como testar pressão da gasolina

Checando
TESTANDO |
1 Ignição desligada, conecte um MANÔMETRO na válvula de teste com a tampa aberta ligue o motor e deixe na lenta a bomba de combustivel deve operar normalmente após o contato, desconecte a mangueira de vácuo do regulador de pressão de combustível, compare a pressão medida, com a especificada na tabela, reconecte a mangueira de vácuo, compare novamente as medidas, a ignição desligada, depois de 10 minutos cheque a pressão novamente. |
Tabela.
| Sistema Condições Valores |
| Sistema Vácuo desligado 3 bar aproxi. |
| Regulado Vácuo 0,5 bar 2,5 bar aproxi |
| Segurando Depois de 30 minutos motor frio 2 bar min. |
5)- Como testar vazão de combustivel

TESTANDO |
1- Ignição desligada, desconecte o tubo de provisão de combustível, conecte o Manômetro na mangueira de combustivel, assegure-se que a torneira esteja entre o manômetro e o tubo de teste, insira no fim do tubo de testes um frasco de medidas insira o manômetro e abra a torneira remova o relé da bomba de combustivel, faça um jump na base do relé terminal 4 e positivo da bateria e faça a bomba funcionar, abra a torneira de combustível lentamente como especificado até alcançar a pressão correta na tabela, ignição desligada, assegure-se que a torneira de medida não seja movida, esvazie frasco de medidas insira o frasco de medidas no fim do tubo e faça a bomba funcionar . |
Tabela
| Pressão Suprimento de Voltagem Medida final |
| 3 bar 10a 12 v 0,49-0,67litros/30 segundos |
6)- Como testar Bicos Injetores

TESTANDO |
1- Ignição desligada, desconecte o multi-plug das válvulas injetoras, com um MULTI TESTE DIGITAL checar a resistência dos terminais da válvula injetora |
Tabela
| Resistência 14 a 21,5 W |
Checar suprimento de Voltagem
TESTANDO |
Ignição desligada, desconecte o multi-plug da válvula injetora, ligue o motor por alguns segundos, com o MULTITESTE DIGITAL checar a Voltagem conforme dados abaixo se as medidas não conferirem checar cabos e relés. |
Dados:
| Cor dos cabos Condição Voltagem |
| 1 & Terra Motor Girando Voltagem da bateria |
Como testar o sinal
Testando |
1- Ignição desligada, desconecte o multi-plug da válvula injetora, conecte a PONTA DE PROVA nos terminais do multi-plug e teste os contatos, ligue o motor por alguns instantes, cheque os leds da ponta de prova, se não estiverem piscando cheque os cabos. |
Tabela
| Condição Condição Led |
| Motor ligado Motor ligado Piscando |
7-)-Como testar Funcionamento elétrico da bomba

TESTANDO |
1- Ignição desligada, remova relé da bomba de gasolina, faça um jump entre a base de terminal 4 do relé e o positivo da bateria, a bomba de combustivel deve funcionar continuamente depois que o, relé seja ligado a bateria, se a bomba não funcionar cheque os fusíveis, desconecte o multi-plug da bomba de combustivel, faça funcionar confira com o MULTITESTE DIGITAL os terminais 1 e 4 do multi-plug da bomba de combustivel que devera ser (+) 12 V, se não indicar nenhuma Voltagem cheque os cabos. |

TESTANDO |
1- Ignição desligada, Desconecte o multi-plug do sensor TP, teste a resistência dos terminais e terra do multi-plug utilizando MULTITESTE DIGITAL opere a válvula do sensor TP e cheque a resistência do mesmo, se a resistência não for a especificada pela tabela abaixo cheque os cabos e os contatos . |
Tabela
| Terminais Condição Resistência |
| 1 & 3 - 1600-2400 W |
| 1 & 2 Borboleta Fechada 2500-4000 W |
| 1 & 2 Borboleta operando diminuindo |
| 2 & 3 Borboleta Fechada 1000-2000 W |
| 2 & 3 Borboleta operando aumentando |
Checando suprimento de Voltagem
TESTANDO |
1- Ignição desligada, desconecte o multi-plug do sensor TP, ligue a ignição, teste a voltagem dos terminais do multi-plug utilizando MULTITESTE DIGITAL, a voltagem deve ser a especificada pela tabela abaixo. |
Tabela
| Terminais Condição Voltagem |
| 1 & 3 Ignição ligada 5 V aproximadamente |
Como testar conexão do terra
TESTANDO |
1 Ignição desligada, desconectar o multi-plug do sensor MAF (2), cheque a resistência dos pinos do multi-plug e do terra com o MULTITESTE DIGITAL, devera ser igual a da tabela abaixo. |
Tabela
| Terminais Resistência |
| 1 & terra zero |
Como testar provisão de Voltagem
TESTANDO |
1 Ignição desligada, desconectar o multi-plug do sensor MAF (2), remova o relé de controle do motor faça um jump entre os terminais 4 e 6 do relé ligar a ignição, cheque a voltagem dos pinos do multi-plug com o MULTITESTE DIGITAL conforme a tabela abaixo. |
Tabela
| Terminais Condição Voltagem |
| 1 & 3 Terminais do relé acionados Voltagem da bateria |
Como testar a Voltagem
TESTANDO |
1 Ignição desligada, não desengate o multi-plug do sensor VAF, apenas exponha os contatos, ligue o motor e deixe na lenta, cheque a Voltagem dos pinos do multi-plug como MULTITESTE DIGITAL, aumente o rpm como especificado na tabela abaixo, cheque a Voltagem dos pinos do multi-plug novamente, a mudança de Voltagem deve ser direta sem muitas oscilações. |
Tabela
| Terminais Condição Voltagem |
| 2 & 4 em teste Flutuando |

TESNTADO |
1- Ignição desligada, desconecte o multi-plug do sensor VAF (2), cheque a temperatura do ar ambiente conforme a tabela abaixo, cheque a resistência dos pinos do sensor VAF com MULTITESTE DIGITAL . |
Tabela
| Temperatura Resistência |
| 0° C 5000-6500 W |
| 10°C 3250-4500 W |
| 20°C 2200-3000 W |
| 30°C 1500-2000 W |
| 40°C 1000-1400 W |
| 50°C 725-925 W |
| 60°C 535-675 W |
| 70°C 400-500 W |
| 80°C 275-375 W |

TESTANDO |
1 Ignição desligada , desconecte o multi-plg da válvula IAC, cheque a resistência de seus terminais com um MULTITESTE DIGITAL conforme especificado na tabela abaixo. |
Tabela
| Resistência 7-10 W |

Checar resistência do primário.
TESTANDO |
1 Ignição desligada, desconectar o multi-plug da bobina de ignição, desconecte o cabo de alta tenção da bobina de ignição, Abrir a tampa como no desenho acima dos terminais de baixa tensão testar os terminais com um MULTITESTE DIGITAL checar a resistência conferindo os valores com a tabela abaixo. |
Tabela
| Terminais Resistência |
| 1 & 15 0,5 a 1,2 W |
Checando resistência secundária
Testando |
1 Ignição desligada, desconectar o multi-plug da bobina de ignição, desconecte o cabo de alta tenção da bobina de ignição, cheque a resistência dos terminais da bobina de ignição com a carcaça com MULITESTE DIGITAL, conferindo com as valores da tabela abaixo. |
Tabela
| Terminais Resistência |
| 15 & Alta tensão 3000 a 4000 W |

TESTANDO |
1- Ignição desligada, desconecte o multi-plug da bobina de ignição, cheque a resistência dos terminais do multi-plug e terra com o MULTITESTE DIGITAL, se a resistência não for a mesma especificada pela tabela abaixo verifique os cabos . |
Tabela
| Terminais Resistência |
| 1 & terra zero |
Como testar provisão de Voltagem
TESTANDO |
1 Ignição desligada, desconecte o multi-plug da bobina de ignição, ligue a ignição, cheque a resistência dos terminais do multi-plug com o MULTITESTE DIGITAL, se a resistência não for a mesma especificada pela tabela abaixo verifique os cabos . |
Tabela
| Terminais Condição Voltagem |
| 1 & 3 Ignição ligada Voltagem da bateria |
Como testar o sinal

TESTANDO |
1 Ignição desligada, desconecte o multi-plug da bobina de ignição, Conecte a PONTA DE PROVA nos terminais do multi-plug , gire o motor por algum tempo cheque os leds da PONTA DE PROVA devem piscar. |
Tabela
| Terminais Condição Led |
| 2 & 3 Motor girando piscando |
Como testar operação
OBS: Desconecte o multi-plug da válvula injetora para evitar que o motor pegue ele só deve girarTESTANDO |
1 Ignição desligada, exponha os terminais de baixa tensão da bobina de ignição, conecte a PONTA DE PROVA nos terminais da bobina de ignição, ligue a ignição, cheque se os leds ficam acesos por 1-2 segundos, agora gire o motor, cheque se os leds ficam piscando, se os leds não estiverem piscando suspeite de problema no módulo de potência. |
Tabela
| Terminais Condição Led |
| 1 & 15 Motor girando piscando |

Testando |
1 Ignição desligada, desconecte o multi-plug do sensor ECT, alivie a pressão do sistema de arrefecimento, remova do motor o sensor de temperatura do motor (ECT) emirja o sensor ECT em água em temperaturas especificadas pela tabela abaixo, com o MULTITESTE DIGITAL.. |
Tabela
| Terminais temperatura Resistência |
| 1 & 3 0°C 5000-6500 W |
| 1 & 3 10°C 3250-4500 W |
| 1 & 3 20°C 2200-3000 W |
| 1 & 3 30°C 1500-2000 W |
| 1 & 3 40°C 1000-1400 W |
| 1 & 3 50°C 725-925 W |
| 1 & 3 60°C 535-675 W |
| 1 & 3 70°C 400-500 W |
| 1 & 3 80°C 275-375 W |
| 1 & 3 90°C 200-285 W |
| 1 & 3 100°C 160-225 W |

Testando a resistência
TESTANDO |
1 Ignição desligada, desconecte o multi-plug do sensor da posição da árvore de manivelas, cheque a resistência dos terminais do multi-plug com o MULTITESTE DIGITAL, deve conferir com a resistência especificada na tabela abaixo . |
Tabela
| Terminais Resistência |
| 1 & 2 500-700 W |
Testando conexão do terra
TESTANDO |
1 Ignição desligada, desconecte o multi-plug do sensor da posição da árvore de manivelas, cheque a resistência dos terminais do multi-plug com o MULTITESTE DIGITAL, deve conferir com a resistência especificada na tabela abaixo . |
Tabela
| Terminais Resistência |
| 1 & 3 Infinita |
| 1 & 3 Infinita |
Testando conecção do terra
TESTANDO |
1 Ignição desligada, desconecte o multi-plug do sensor da posição da árvore de manivelas, cheque a resistência dos terminais do multi-plug com o MULTITESTE DIGITAL, deve conferir com a resistência especificada na tabela abaixo . |
Tabela
| Terminais Resistência |
| 1 & terra zero |
Como testar suprimento de voltagem
TESTANDO |
1 Ignição desligada, desconecte o multi-plug do sensor da posição da árvore de manivelas, ligue a ignição, cheque a Voltagem dos terminais do multi-plug com o MULTITESTE DIGITAL, deve conferir com a Voltagem especificada na tabela abaixo . |
Tabela
| Terminais Condição Voltagem |
| 1 & 3 Ignição ligada 4,5 V no mínimo |
Como testar o sinal
OBS: Desconecte o multi-plug da válvula injetora para evitar que o motor pegue ele só deve girar .
TESTANDO |
1 Ignição desligada, remova o fusivel n°18 retire a presão do sistema de combustivel não desconecte o multi-plug do sensor da posição da árvore de manivelas, exponha os terminais, conecte a PONTA DE PROVA nos terminais do multi-plug do sensor da posição da árvore de manivelas, faça o motor girar, cheque se os leds da PONTA DE PROVA piscam |
Tabela
| Terminais Condição Led |
| 1 & 2 Motor girando Piscando |

TESTANDO |
1 Ignição desligada, desconecte o multi-plug do sensor de Detonação, remova o sensor de Detonação, assegure-se que o bloco e os cilindros estejam ajustados e que não tenha corrosão entre suas faces, recoloque o sensor dando o torque especificado pelo fabricante. |
Tabela
| Torque 20 Nm |
Testando conexão do terra
TESTANDO |
1 Ignição desligada, desconecte o multi-plug do sensor de detonação, cheque a resistência dos terminais do multi-plug com o MULTITESTE DIGITAL, deve conferir com a resistência especificada na tabela abaixo . |
Tabela
| Terminais Resistência |
| 3 & terra zero |
Como testar resistência
TESTANDO |
1 Ignição desligada, desconecte o multi-plug do sensor de detonação, cheque a resistência dos terminais do multi-plug com o MULTITESTE DIGITAL, deve conferir com a resistência especificada na tabela abaixo . |
Tabela
| Terminais Resistência |
| 1 & 2 Infinita |

Como testar Provisão de Voltagem
TESTANDO |
1- Ignição desligada, desconecte multi-plug do sensor de oxigênio, Ignição ligada motor parado, cheque a Voltagem nos terminais do multi-plug com o MULTITESTE DIGITAL como no desenho acima . |
Tabela
| Terminais Condição Voltagem |
| 3 & 4 motor na lenta 0,5 V aproxi. |
Como testar o sinal
TESTANDO |
1 O motor deve estar na temperatura normal de funcionamento, ligue o motor, deixe o motor ligado em 2500 RPM por 2 minutos, deixe voltar a lenta, desconecte o multi-plug sensor de oxigênio e com um MULTITESTE DIGITAL, cheque a Voltagem dos terminais e terra como representado na figura acima. |
Tabela
| Terminais Condição Voltagem |
| 4 & terra motor na lenta flutuando |

TESTANDO |
1 Ignição desligada, remova o relé cheque a resistência dos terminais do relé, conecte a voltagem da bateria nos terminais do multi-plug cheque a resistência dos terminais do relé com MULTITESTE DIGITAL, deve conferir com a resistência especificada na tabela abaixo . |
Tabela
| Terminais Condição Voltagem |
| 30 & 87 Bateria desconectado Infinita |
| 30 & 87 Bateria conectado Zero |
| Bateria + no terminal 85 |
| Bateria no terminal 86 |
Como testar suprimento de voltagem
TESTANDO |
1 Ignição desligada, remova o relé de controle do motor e o relé da bomba de combustível, faça um jump entre os terminais 4 e terra do relé da bomba de combustível, e faça outro para os terminais 4 & 6 do relé de controle do motor, cheque a voltagem dos terminais e terra da base dos relés. |
Tabela
| Terminais Condição Voltagem |
| 2 & terra Bateria desconectado Voltagem da Bateria |
| 6 & terra Bateria conectado Voltagem da Bateria |

Como testar Provisão de Voltagem
TESTANDO |
1- Ignição desligada, desconecte multi-plug do sensor de oxigênio, ligue o motor e deixe na lenta, cheque a Voltagem nos terminais do multi-plug com o MULTITESTE DIGITAL como no desenho acima nos pino 1 & 2 figura (1). |
Tabela
| Terminais Condição Voltagem |
| 1 & 2 motor na lenta Voltagem da Bateria |
Como testar resistência
TESTANDO |
1 Ignição desligada, desconecte o multi-plug da válvula EVAP, cheque a resistência dos terminais do multi-plug com o MULTITESTE DIGITAL, deve conferir com a resistência especificada na tabela abaixo . |
Tabela
| Resistência 40-80 W |
Como testar Provisão de Voltagem
TESTANDO |
1- Ignição desligada, desconecte multi-plug da válvula EVAP, ligue o motor e deixe na lenta, cheque a Voltagem nos terminais do multi-plug com o MULTITESTE DIGITAL como no desenho acima se a voltagem não for a mesma especificada cheque cabos . |
Tabela
| Terminais Condição Voltagem |
| 1 & terra motor na lenta Voltagem da Bateria |
Como checar a operação
OBS: Assegure-se que o borrnes da bateria estejam bem presos caso contrario ocorrera a queira do relé.
TESTANDO |
1 Ignição desligada, remova o relé, cheque a resistência dos terminais do relé com o MULTITESTE DIGITAL, conecte os cabos que vem da bateria nos terminais especificados no desenho, cheque novamente a resistência, e confira com a tabela abaixo. |
Tabela
| Terminais Condição Resistência |
| 30 & 87 Bateria desconectada ¥ Infinita |
| 30 & 87 Bateria conectada zero |
| Bateria + no terminal 30 |
| Bateria no terminal 85 |
Como testar provisão de Voltagem
TESTANDO |
1 Ignição ligada, deve ser ouvido o relé funcionando se não ouvir o relé ignição desligada, remova o relé cheque os terminais do relé e terra como MUTLITESTE DIGITAL, ligue a ignição, cheque os terminais do relé e terra, se as Voltagem não conferirem com as da tabela, confira os cabos. |
Tabela
| Terminais Condição Voltagem |
| 4 & terra I gnição desligada Voltagem da bateria |

Como testar operação
TESTANDO |
1 Ignição desligada, remova o relé cheque a resistência dos terminais do relé com o MUTLITESTE DIGITAL, conecte suprimento da bateria nos terminais especificados do relé, confira os testes com a tabela abaixo. |
Tabela
| Terminais Condição Voltagem |
| 30 & 87 Bateria desconectado W Infinita |
| 30 & 87 Bateria conectado Zero |
| Bateria + no terminal 86 |
| Bateria no terminal 85 |
Como testar provisão de Voltagem
TESTANDO |
1 Ignição desligada, remove o relé e cheque a Voltagem dos terminais e terra do relé com o MUTLITESTE DIGITAL, ligue a ignição, cheque a Voltagem dos terminais e terra do relé se a Voltagem não for a especificada pela tabela confira os cabos. |
Tabela
| Terminais Condição Voltagem |
| 6 & terra Ignição desligada Voltagem da bateria |
| 2 & terra Ignição ligada Voltagem da bateria |

TESTANDO |
1- Ignição desligada, desconecte o multi-plug da unidade central, cheque a Voltagem dos terminais e terra do multi-plug com o MULTITESTE DIGITAL da unidade central ignição ligada motor parado e novamente cheque a Voltagem dos terminais e terra do multi-plug, se a Voltagem não for a especificada pela tabela confira os cabos, relés e fusíveis. |
Tabela
| Terminais Condição Voltagem |
| 54 & terra Ignição desligada Voltagem da bateria |
| 38 & terra Ignição desligada Voltagem da bateria |
| 23 & terra ignição ligada Voltagem da bateria |
Como testar conexão do terra
TESTANDO |
1 Ignição desligada, desconecte o multi-plug da unidade central, cheque a resistência dos terminais com o MUTLITESTE DIGITAL, se a resistência não for a especificada pela tabela abaixo, cheque os cabos. |
Tabela
| Terminais Resistência |
| 1 & terra zero |
| 7 & terra zero |
| 10 & terra zero |
| 55 & terra zero |
| 56 & terra zero |
| 58 & terra zero |

TESTANDO |
1 Ignição desligada, desconecte o multi-plug da unidade central, deixe a transmissão automatica na posição D, ignição ligada motor parado gire a roda esquerda cheque a resistência dos terminais com o MUTLITESTE DIGITAL, se a resistência não for a especificada pela tabela abaixo, cheque os cabos. |
Tabela
| Terminais Condição Resistência |
| Roda a ser girada esquerda dianteira |
| 56 & 65 Roda girando 0-4 V mínimo (flutuando) |
26-Como apagar a lâmpada de aviso da
troca de óleo do Golf de 1991 a 1997?

|
27
- Como apagar a lâmpada
de aviso da Inspeção do Golf de 1991 a 1997 (IN01)?
|
28
- Como apagar a lâmpada de aviso da
Inspeção do Golf de 1991 a 1997 (IN02)?
|
1) - Com a chave na posição ON. |
|
2) - Apertar e Manter Apertado o Botão de Resetar (A) |
|
3)- Girar a chave a posição
OFF |
|
4)- Soltar o Botão de Reseta (A)r. |
|
5)– Se Junto ao velocímetro
aparecer o Display
(IN02) |
|
6)–Apertar o Botão de Resetar B por 10 minutos até o
display apagar. |
|
7) -Apertar o Botão de Resetar (A) ira visualizar o
display (IN01) |
|
8) - Apertar o Botão de Resetar B
até o display apagar |
|
9)– Repetir o procedimento para resetar a Lâmpada de
Óleo. |
|
10)- Com a chave na posição ON. |
|
11)
– E verifique se o display mostra
(IN00). |