CAPÍTULO 34
APLICATIVOS VW
MAGNETI MARELLI IAW 1AVS
Gol 1000 MI 16V
COMO FUNCIONA O SISTEMA MAGNETI MARELLI IAW 1AVS.
Este sistema de injeção é digital multiponto quer dizer possui quatro válvulas injetoras, que controla a injeção de combustivel e a ignição. Este sistema não possui autodiagnose, por este motivo a leitura do código de falhas só poderá ser realizado através de um SCANNER Este sistema é controlado por uma central eletrônica chamada CENTRALINA. Dentro desta central estão armazenados os dados do motor referentes ao volume de injeção e ângulo de avanço da ignição, por isto o sistema possui ignição mapeada. A Centralina recebe informações de diversos sensores instalados no veiculo: tais como Sensor da temperatura da água, Sensor de rotação do motor, Sensor da posição da árvore de manivelas, muitos outros. A partir destas informações, o processador calcula o ponto de ignição e a quantidade de combustivel a ser injetada. A ignição e a quantidade de combustivel são ajustadas também em função de funcionamento, tais como marcha-lenta, carga parcial, carga total e funcionamento a frio e a quente. Esta injeção visa conciliar baixo consumo com bom desempenho, poluindo menos. Este sistema é seqüencial, sendo que as válvulas injetoras são acionadas separadamente. A seguir veremos o diagrama geral do sistema mostrando todos os componentes principais. |

DEFEITO |
TESTANDO |
| MOTOR NÃO PEGA | 1 . Filtro da ar e sua
tubulação (obstrução ) . 2 . Tubulação de escape (obstrução ) . 3 . Sistema de alimentação de combustivel. 4 . Alimentação da Centralina. 5 . Carga da bateria 6 . Sistema de ignição 7 . Fusíveis e relés do sistema de injeção e da bomba . |
| MOTOR DIFÍCIL DE PEGAR | 1 . Medidor da massa de ar. 2 . Sensor de temperatura de água . 3 . Sistema de ignição 4 . Sistema de alimentação de combustível 5 . Carga da bateria. 6 . Tubulação do escape (obstrução) 7 . Fusível e relés do sistema de injeção e da bomba . |
| MARCHA-LENTA IRREGULAR | 1 . Sonda lambda 2 . Medidor da massa de ar. 3 . Sensor de temperatura de água . 4 . Sistema de alimentação de combustível . 5 . Válvula do controle da marcha-lenta. 6 . Entrada falsa de ar no coletor de admissão . (estanqueidade). |
| MARCHA LENTA MUITO ALTA | 1 . Carga da bateria 2 . Medidor da massa de ar. 3 . Sensor de temperatura de água . 4 . Válvula do controle da marcha-lenta. 5 . Potenciômetro da borboleta |
| FALTA DE POTÊNCIA NO MOTOR | 1 . Alimentação da Centralina 2 . Medidor da massa de ar. 3 . Sistema de alimentação de combustível . 4 . Sistema de ignição 5 . Carga da bateria 6 . Tubulação de escape (obstrução) 7 . Filtro de ar e sua tubulação (obstrução). |
| MOTOR FALHANDO | 1 . Medidor da massa de ar. 2 . Válvulas injetoras. 3 . Sistema de alimentação de combustível 4 . Carga da bateria . 5 . Sistema de ignição. |
| CONSUMO EXCESSIVO DE COMBUSTÍVEL | 1 . Alimentação da Centralina. 2 . Sonda lambda . 3 . Medidor da massa de ar.. 4 . Sensor de temperatura de água 5 . Sistema de alimentação de combustível 6 . Carga da bateria . 7 . Tubulação de escape (obstrução ) 8 . Filtro de ar e sua tubulação (obstrução ). |

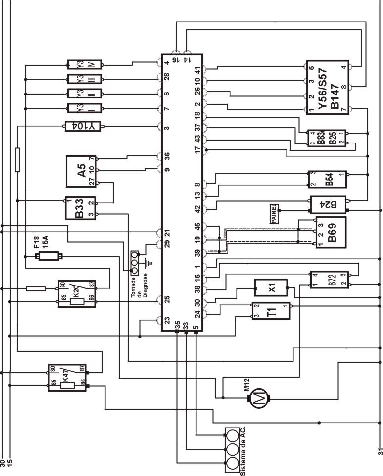
COMPONENTES DO DIAGRAMA ELÉTRICO.
CÓDIGO |
COMPONENTES INTEGRANTES. |
A5 |
Painel de Instrumento. |
A35 |
Centralina |
A162 |
Imobilizador da unidade central . |
B24 |
Sensor de Temperatura da água. |
B25 |
Sensor de Temperatura do Ar . |
B33 |
Sensor de velocidade do veiculo (VSS) |
B54 |
Sensor da Posição do Eixo de Manivelas. |
B69 |
Sensor de detonação. |
B72 |
Sensor de Oxigênio Aquecido(Sonda Lambda) |
B83 |
Sensor de pressão absoluta MAP |
B147 |
Sensor da Posição da Borboleta. (TP) |
F |
Fusível |
K20 |
Relê da Bomba de Combustível |
M12 |
Bomba de Combustível. |
S57 |
Interruptor da posição borboleta fechada. |
T1 |
Bobina de Ignição. |
Y3 |
Válvulas Injetoras. |
Y56 |
Atuador do controle da marcha lenta (ISC) |
Y99 |
Válvula do Controle da Marcha Lenta.(IAC) |
Y104 |
Válvula canister (EVAP) |
15 |
Chave de Ignição Ignição Ligada. |
30 |
Positivo (+) da Bateria. |
31 |
Negativo (-) da Bateria |


01) - COMO TESTAR SENSOR DA POSIÇÃO DA BORBOLETA .

TESTANDO |
1-Ignição ligada, motor parado, PONTA DE PROVA no terminal 7 do conector da borboleta. Negativo (-). |
2-Ignição ligada, motor parado, MULTITESTE DIGITAL modo voltimetro, no terminal 4 do conector da borboleta de 4,8 V a 5,2 V. |
3-Ignição ligada, motor parado, MULTITESTE DIGITAL, modo voltímetro, no terminal 5 do conector da borboleta 0,8v com borboleta aberta, variando gradativamente até 4,5 V com borboleta fechada (valores aproximados ) . |
4-Ignição ligada, motor parado, MULTITESTE DIGITAL, modo voltímetro, no terminal 3 do conector dar borboleta. 12 V com borboleta aberta e 0V com borboleta fechada . |
5-Conector desacoplado, MULTITESTE DIGITAL no modo ohmímetro, medir as resistências especificadas na dados abaixo. |
Tabela
| Resistência entre os pinos 7 e 4 fixa | de 800 W a 1,2 KW |
| Resistência entre os pinos 7 e 5 | -com a borboleta fechada : entre
1,2 K W e 1,6 K W -com a borboleta aberta : entre 800 W e 900 W . |
| Resistência entre os pinos 7 e 8 | entre 800 W e 1200 W , não variando com abertura da borboleta . |
| Resitência entre os pinos 3 e 7 interruptor de mínima . | -com a borboleta fechada : 0,0 W -com a borboleta pouco aberta : aberto. |

TESTANDO |
1-Ignição ligada, motor parado, PONTA DE PROVA no terminal 1 do conector > Negativo (+). |
2-Ignição ligada, motor parado, MULTITESTE DIGITAL, modo voltímetro, no terminal 3 do conector de 4,8 v a 5,2 v. |
3-Motor em marcha lenta, MULTITESTE DIGITAL, modo voltímetro, no terminal 2 do conector de 2,8v a 3,2 v dependendo da temperatura ambiente. |
4-Motor em marcha lenta, MULTITESTE DIGITAL, modo voltímetro, no terminal 4 do conector > de 0,5v a 1,0v dependendo da pressão atmosférica. |
5-Com a bomba de vácuo instalada, chegar ao valores da dados abaixo . |
Tabela
P (mmHg) |
0 |
100 |
200 |
300 |
400 |
500 |
Tensão v |
3,4 |
2,8 |
2,3 |
1,8 |
1,2 |
0,56 |
03) - COMO TESTAR SENSOR DE DETONAÇÃO

| Se o sistema acusar falha do sensor de detonação, verificar cuidadosamente os fios e o torque de aperto (entre 15Nm e 25 Nm. |
| TESTANDO |
1- Motor em marcha lenta, PONTA DE PROVA nos fios 19 e 45 > ambos negativo (-) |
2- Ignição desligada, verificar torque de aperto. |
04) - COMO TESTAR SENSOR DE TEMPERATURA DA ÁGUA

TESTANDO |
1-Ignição ligada, motor parado, PONTA DE PROVA no fio ligado ao pino 17 Negativo (-). |
2-Ignição ligada, motor parado, MULTITESTE DIGITAL no fio ligado ao pino 41 valores dados pela tabela baixo motor quente. de 0,8 v a 1,1 v |
Tabela
| Temperatura °C | 110 | 100 | 90 | 80 | 60 | 50 | 30 | 20 | 10 |
| Tensão v | 0,64 | 0,9 | 1,0 | 1,3 | 2,0 | 2,3 | 3,3 | 3,7 | 4,1 |
| Resistencia W | 142 | 210 | 240 | 320 | 600 | 800 | 1700 | 2400 | 3700 |

TESTANDO |
| 1-Ignição ligada, motor parado, PONTA DE PROVA no fio ligado ao terra Negativo (-). |
| 2-Ignição ligada, motor parado, PONTA DE PROVA no fio ligado ao relé auxiliar Positivo (+). |
| 3-Ignição ligada, motor parado, led (vermelho) pisca ao girar uma da rodas dianteiras |
06) - COMO TESTAR SENSOR HALL DO DISTRIBUIDOR .

TESTANDO |
| 1-Ignição ligada, motor parado, PONTA DE PROVA no fio ligado ao pino 17 Negativo (-). |
| 2-Ignição ligada, motor parado, PONTA DE PROVA no fio ligado ao pino 8 Positivo (+). |
3-PONTA DE PROVA no fio ligado ao pino 13 dar partida no motor. Led (verde) da ponta de prova pisca durante a partida e com motor funcionando. |

TESTANDO |
| 1-Motor funcionando, PONTA DE PROVA no fio ligado ao pino 1 Negativo (-) . |
| 2-Motor funcionando, PONTA DE PROVA no fio que vem do rele . Positivo (+). |
| 3-Motor funcionando, PONTA DE PROVA no fio ligado ao pino 15 Negativo (-) . |
4-Motor funcionando, MULTITESTE DIGITAL modo voltimetro, no fio (preto). Tensão deve oscilar entre 0,2 v e 0,8 v ao acelerar e desacelerar o motor . |
5-Ignição desligada, MUTITESTE DIGITAL modo voltímetro modo ohmímetro. Resistência entre os fios ligados ao pino 1 e fio que vem do relé da bomba de combustivel que deverá ficar entre 4,8 W e 7,2 W . |
08) - COMO TESTAR VÁLVULAS INJETORAS

TESTANDO |
1-Ignição ligada, motor parado, PONTA DE PROVA nos fio que vem do relé Positivo (+). |
2-Motor funcionando ou durante a partida, PONTA DE PROVA nos fios ligados a os pinos 4, 6, 7 e 28 Led (verde) piscando. |
3-Ignição desligada, MULTITESTE DIGITAL no modo ohmímetro, medir resistência das válvulas injetoras . De 10,8 W a 13,2 W . |

TESTANDO |
1-Ignição ligada, motor parado, PONTA DE PROVA no fio que vem do relé auxiliar Positivo (+). |
| 2-Ignição desligada, MULTITESTE DIGITAL no modo ohmímetro, medir resistência da válvula do canister 20 W 24 W |
| 3-Motor funcionando, PONTA DE PROVA no fio ligado ao pino 3 da centralina . Acelerar um pouco o motor Negativo (-) por alguns instantes . |
10) - COMO TESTAR VÁLVULA DE CONTROLE DA MARCHA-LENTA .

TESTANDO |
1-Motor em marcha lenta, MULTITESTE DIGITAL, modo voltimetro, no fio ligado ao pino 26 próximo de zero ou de 0,2 v a 3,0. |
2-Motor m marcha lenta, MULTITESTE DIGITAL, modo voltímetro no fio ligado ao pino 2 de 2,0 v a 3,0 v ou próximo de zero. |
3-Motor em marcha lenta, MULTITESTE DIGITAL, modo voltímetro, no fio ligado ao pino 16 de 2,5 v a 4,3 v. |
11) - COMO TESTAR BOBINA DE IGNIÇÃO

TESTANDO |
1-Centelhador colocado na bobina, Dar partida no motor. Centelhador forte (mínimo 2 cm ) durante partida. |
2-Ignição ligada, motor parado, PONTA DE PROVA no fio ligado à chave de ignição . Positivo (+). |
3-PONTA DE PROVA no fio ao pino 24. dar partida no motor. Led (verde) deve piscar durante a partida . |
4-PONTA DE PROVA no fio ligado à carcaça . Negativo (-) . |
5-Bobina desligada, MULTITESTE DIGITAL no modo ohmímetro, medir resistência do secundário entre saída para o distribuidor e fio (preto) ligado à terra . 2,5 a 4,0 KW |
6 - Bobina desligada, MULTITESTE DIGITAL no modo ohmímetro, medir resistência do primário que devera ser de 0,5 a 1,5 W . |
12) - COMO TESTAR BOMBA DE COMBUSTÍVEL.

TESTANDO |
1-PONTA DE PROVA no fio ligado ao relé da bomba. Dar partida no motor. Positivo (+) 12v durante partida . |
2-Motor funcionando, PONTA DE PROVA no fio marrom da bomba. Negativo (-). |
TESTANDO |
1-Despressurizar o sistema : retire o conector da bomba e dê partida no motor . Após despressurizar, reinstale o conector. Instalar manômetro na linha de entrada de combustível . Dar partida no motor . Pressão de 2,5 bar . |
2-Na mesma condição anterior, remover mangueira de vácuo do regulador de pressão e tampar a mangueira . Pressão de 3,0 bar . |
3-Na mesma condição, feche lentamente a válvula de esfera. a pressão deve atingir no mínimo 6 bar . |
13) - Como testar o relé da bomba de combustivel.

TESTANDO |
1-PONTA DE PROVA no fio ligado aos injetores e sonda lambda ligado ao terminal 87 do rele. Dar partida no motor. Positivo (+) 12 v durante partida ou com motor funcionando . |
2-Ignição desligada, PONTA DE PROVA no fio ligado a o terminal 30 do do relé. Positivo (+) 12 v . |
3-Ignição ligada, motor parado, PONTA DE PROVA no fio ligado ao terminal 85 do relé do relé. Positivo (+) 12 v . |
4-Motor funcionando, PONTA DE PROVA no fio ligado ao pino 25 da unidade central e terminal 86 do relé. Negativo (-) 0 v . |
14) - COMO TESTAR RELÉ AUXILIAR

TESTANDO |
| 1-Ignição desligada, PONTA DE PROVA no fio ligado ao terminal 30 do relé. Positivo (+) 12 v . |
2-Ignição ligada, motor parado, PONTA DE PROVA no fio ao terminal 85 do relé. Positivo (+) 12 v . |
3-Ignição ligada, motor parado, PONTA DE PROVA no fio ao terminal 86 do relé Negativo (-) |
4-Ignição ligada, motor parado, PONTA DE PROVA no fio ao terminal 87 do relé. Positivo (+) 12 v . |

TESTANDO |
1-Ignição desligada, PONTA DE PROVA no fio ligado ao terminal 21 da centralina . Positivo (+) 12 v . |
2-Ignição ligada, motor parado, PONTA DE PROVA no fio ligado ao terminal 23 . Positivo (+). |
3-Ignição ligada, motor parado, PONTA DE PROVA nos fios ligados 1, 34 indicados na centralina . Negativo (-) 0 v . |