CAPÍTULO 32
APLICATIVOS WV
Magneti Marelli IAW-1ABW Gol 2.0 16V
PARATI 2.0 16V
COMO FUNCIONA O SISTEMA
Este sistema de injeção é um sistema digital multiponto com
varias válvulas injetoras no caso quatro do tipo semi seqüencial. Possui ignição
estática não possui distribuidor. A determinação da quantidade de ar admitida pelo
motor se dá em função da sua rotação e da densidade de ar, sendo esta calculada pela
pressão absoluta no coletor de admissão MAP e pela temperatura do ar.
O defeito pode ser identificado através do uso de um SCANNER |
| + Função
autoadaptativa -{o sistema se ajusta em função do desgaste do motor}. + Limitador de rotações - {através de redução nos tempos de controle das válvulas injetoras}. + Correção barométrica - {cada vez que o motor é ligado e em determinadas condições de funcionamento}. + Controle de detonação. + Recuperação do vapores de combustivel. + Controle de gases de combustão. + Ligação com sistema de ar-condicionado. |
OS TRES PASSOS DE DIAGNOSE RÁPIDA.
| Para o funcionamento do motor é necessário que haja sempre centelha nas
velas e injeção de combustivel. 1 - Se não houver centelha e houver injeção - verifique o sistema de ignição. 2 - Se houver centelha e não houver injeção - verifique o sistema de alimentação de combustivel 3 - Se não houver centelha nem injeção - verifique os fusíveis, relés, sensor de rotação, suas conexões e fiação. |
DIAGNÓSTICO DE DEFEITO PELO SINTOMA.
SINTOMA |
POSIVEIS DEFEITOS. |
| MOTOR NÃO PEGA | 1 . Filtro da ar e sua tubulação
(obstrução ) . 2 . Tubulação de escape (obstrução ) . 3 . Sistema de alimentação de combustivel. 4 . Alimentação da unidade central (Centralina) 5 . Carga da bateria 6 . Sistema de ignição. 7 . Sensor de rotação 8 . Relés fusíveis. |
| MOTOR DIFÍCIL DE PEGAR | 1 . Sensor de temperatura da ar . 2 . Sensor de temperatura de água . 3 . Sistema de ignição 4 . Sistema de alimentação de combustível 5 . Carga da bateria. 6 . Sistema de ignição. 7 . Fusível e relés do sistema de injeção e da bomba . 8 . Sensor de rotação. |
| MARCHA-LENTA IRREGULAR | 1 . Sonda lambda 2 . Sensor de temperatura de ar 3 . Sensor de temperatura de água . 4 . Sistema de alimentação de combustível . 5 . MAP 6 . Corretor da marcha-lenta (motor de passo ) 7 . Entrada falsa de ar no coletor de admissão . (estanqueidade). |
| MARCHA LENTA MUITO ALTA | 1 . Carga da bateria 2 . Sensor de temperatura do ar . 3 . Sensor de temperatura de água . 4 . Corretor da marcha-lenta (motor de passo ) |
| FALTA DE POTÊNCIA NO MOTOR | 1 . Alimentação da unidade central
(Centralina) 2 . MAP 3 . Sistema de alimentação de combustível . 4 . Sistema de ignição 5 . Carga da bateria 6 . Tubulação de escape (obstrução) 7 . Filtro de ar e sua tubulação (obstrução). |
| MOTOR FALHANDO | 1 . Map 2 . Válvula injetora 3 . Sistema de alimentação de combustível 4 . Carga da bateria . 5 . Sistema de ignição. |
| CONSUMO EXCESSIVO DE COMBUSTÍVEL | 1 . Alimentação da unidade central
(Centralina). 2 . Sonda lambda . 3 . Sensor de temperatura do ar . 4 . Sensor de temperatura de água 5 . Sistema de alimentação de combustível 6 . Carga da bateria . 7 . Tubulação de escape (obstrução ) 8 . Filtro de ar e sua tubulação (obstrução ). |
COMPONENTES DO DIAGRAMA ELÉTRICO.
CÓDIGO |
COMPONENTES INTEGRANTES. |
A5 |
Painel de Instrumento. |
A35 |
Centralina |
A52 |
Módulo de potência (Amplificador de ignição ) |
A162 |
Imobilizador da unidade central . |
B24 |
Sensor de Temperatura da água. |
B25 |
Sensor de Temperatura do Ar . |
B33 |
Sensor de velocidade do veiculo (VSS) |
B54 |
Sensor da Posição do Eixo de Manivelas. |
B69 |
Sensor de detonação. |
B72 |
Sensor de Oxigênio Aquecido(Sonda Lambda) |
B83 |
Sensor de pressão absoluta MAP |
B132 |
Sensor da posição do eixo de comando. |
B147 |
Sensor da Posição da Borboleta. (TP) |
F |
Fusível |
H63 |
Lâmpada de falha. |
K20 |
Relê da Bomba de Combustível |
K46 |
Relê do controle do motor. |
K143 |
Relê do compressor doar condicionado. |
M12 |
Bomba de Combustível. |
T1 |
Bobina de Ignição. |
X1 |
Conector de Diagnóstico ( ALDL). |
X79 |
Conector da Transmissão. |
Y3 |
Válvulas Injetoras. |
Y56 |
Atuador do controle da marcha lenta (ISC) |
Y99 |
Válvula do Controle da Marcha Lenta.(IAC) |
Y104 |
Válvula canister (EVAP) |
15 |
Chave de Ignição Ignição Ligada. |
30 |
Positivo (+) da Bateria. |
31 |
Negativo (-) da Bateria. |

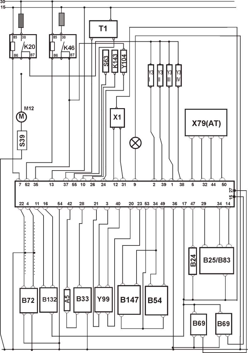
ESQUEMA ELÉTRICO DO GOL, PARATI 16V A PARTIR DE 1997.

COMO TESTAR SENSORES
1)-COMO TESTAR SENSOR DE TEMPERATURA DA ÁGUÁ

TESTANDO |
1 - Ignição ligada, motor parado, PONTA DE PROVA no fio do sensor ligado ao pino 17 da centralina. Negativo (-). |
2 - Ignição ligada, motor parado MULTITESTE DIGITAL modo voltímetro no fio do sensor ligado ao pino 47 da centralina. dados abaixo ( entre 80 °C e 90 °C de 0,3 a 0,5 V ). |
Tabela
| Temperatura °C | 25 |
40 |
80 |
100 |
| Resistência KW | 2,85 a 3,15 |
1,51 a 1,67 |
0,35 a 0,38 |
0,19 a 0,21 |
| Voltagem | 2,5 |
1.2 |
0,5 |
0,3 |
TESTANDO |
1 - Motor funcionando, PONTA DE PROVA no fio que vem da bateria da sonda Positivo (+) ( 12 V ) . |
2 - Motor funcionando, PONTA DE PROVA no fio da sonda . Negativo (-) . |
3 - Ignição desligada, desconectar a sonda do chicote. Com o MULTITESTE DIGITAL, medir resistência de aquecimento da sonda medir através dos terminais 3 ou 4 do conector .Resistência 4 a 8 W |
4 - Motor funcionando, PONTA DE PROVA no fio (violeta) da sonda. Negativa (-). |
5 - Motor funcionando e aquecido, MULTITESTE DIGITAL ( modo voltímetro ) no fio da sonda ( ligado ao pino 22 da ECU). Acelere o motor várias vezes .Tensão deve ficar oscilando entre 0,1 V e 0,9 V. |
3)-COMO TESTAR SENSOR DE ROTAÇÃO

TESTANDO |
1 - Ignição desligada, desconectar o sensor da chicote. Com o MULTITESTE DIGITAL no modo ohmimetro, medir resistência do sensor. Resistência da 575 a 750 W a 20 °C. |
2 - Medir distância entre sensor e roda dentada (utilizar um calibrador ) . 0,5 a 1,5 mm. |
3 - Conectar o sensor ao chicote. Instalar o MULTITESTE DIGITAL com a garra (gafanhoto) no fio ligado ao pino 49 da centralina. Selecionar modo VAC tensão alternada no MULTITESTE DIGITAL. dar partida no motor > Deve indicar um valor entre 1 e 3 VAC em marcha lenta. |
4-Motor funcionando com a rotação especificada com a tabela abaixo e um MULTITESTE DIGITAL no modo frequência (Hz) checar as medidas. |
Tabela.
| RPM | 300 |
900 |
1500 |
3000 |
| Frequência Hz | 300 |
900 |
1500 |
3000 |
4)-COMO TESTAR SENSOR DE POSIÇÃO DA BORBOLETA .

TESTANDO |
1- Ignição ligada, motor parado, PONTA DE PROVA o fio ligado ao pino 53 da centralina > Negativo (-). |
2 - Ignição ligada, motor parado, MULTITESTE DIGITAL modo voltímetro no fio ligado ao pino 34 da Centralina. Tensão de 5,0V ±5%. |
3 - Ignição ligada, motor parado, MULTITESTE DIGITAL (modo voltímetro ) no fio (laranja ) ligado ao pino 23 da Centralina. Gire lentamente o eixo da borboleta até o final. As leituras devem estar de acordo com a dados abaixo. A variação de tensão entre fechada e aberta deverá ser linear . |
4 - Ignição ligada, motor parado com um MULTITESTE DIGITAL no modo ohmimetro checar a resistência conferir com os dados abaixo. |
Tabela
| Posição da Borboleta | Fechada |
Aberta |
| Resistência pinos 34-53 | 960 a 1440 W |
960 a 1440 W |
| Tensão pinos 23-53 | 0,45 a 1,04V |
4,18 a 5,0V |
5)-COMO TESTAR SENSOR DA TEMPERATURA DO AR

TESTANDO |
1- Ignição ligada, motor parado, PONTA DE PROVA no fio ligado ao pino 17 da Centralina. Negativo (-). |
2- Ignição ligada, motor parado, MULTITESTE DIGITAL modo voltímetro no fio ligado ao pino 29 da centralina. dados abaixo . |
Tabela
| Temperatura °C | 10 |
25 |
40 |
85 |
| Resistência KW | 3,24 a 4,39 | 1,74 a 2,35 |
0,35 a 0,46 |
0,24 a 0,27 |
| Voltagem | 3,5 |
2,9 |
1,5 |
0,7 |
6)-COMO TESTAR SENSOR DE PRESSÃO ABSOLUTA - MAP.

TESTANDO |
1 - Ignição ligada, motor parado, PONTA DE PROVA no fio ligado ao pino 17 da Centralina. Negativo (-). |
2 - Ignição ligada, motor parado, MULTITESTE DIGITAL modo voltímetro no fio ligado ao pino 34 da centralina.Tensão de 5,0V ± 5%. |
3 - MULTITESTE DIGITAL modo voltímetro no fio ligado ao pino 14 da Centralina. Conector a bomba de vácuo no sensor MAP e aplicar vácuo. Leituras de acordo com dados abaixo. |
Tabela
| Vácuo mmHg | 0 |
100 |
200 |
300 |
400 |
500 |
| Tensão V | 3,00 a 3,89 |
2,48 a 3,16 |
2,00 a 2,55 |
1,50 a 1,91 |
1,00 a 1,29 |
0,50 a 0,64 |
7)-COMO TESTAR SENSOR DE FASE .

TESTANDO |
1- Ignição ligada, motor parado PONTA DE PROVA no fio ligado ao pino 53 da centralina . Negativo (-). |
2- Mesma situação anterior, MULTITESTE DIGITAL modo voltímetro no fio ligado ao pino 16 da Centralina. Tensão de 5,0 ± 5 %. |
3- PONTA DE PROVA ligada no fio ligado ao pino 11 Centralina. Dar partida no motor . Os leds devem piscar durante a partida e em funcionamento . |
8)-COMO TESTAR SENSOR DE VELOCIDADE .

TESTANDO |
1 - Ignição ligada, motor parado, PONTA DE PROVA no fio. Negativo (-). |
2 - ignição ligada, motor parado, PONTA DE PROVA no fio. Dar partida no motor. Positivo (+) durante a partida ou com o motor funcionando. |
3 - Levantar uma das rodas dianteiras do veículos. PONTA DE PROVA no fio ligado ao pino 28 da Centralina. Girar a roda. Os leds devem piscar enquanto a roda girar. |
9)-COMO TESTAR VÁLVULAS INJETORAS .

TESTANDO |
1- Ignição ligada, motor parado, PONTA DE PROVA no fio de cada válvula injetora. Positivo (+) 12V. |
2- PONTA DE PROVA nos fios ligados aos pinos 1, 2, 38 e 39 da Centralina. Dê partida o motor. Led (verde ) pisca durante partida ou com motor funcionando |
3- MULTITESTE DIGITAL modo ohmimetro, medir resistência das válvulas injetoras. Resistência de 13,8 a 15,5 W . |
10)-COMO TESTAR MOTOR DE PASSO ( CONTROLE DA MARCHA-LENTA) .

TESTANDO |
1-Ignição ligada, motor parado, PONTA DE PROVA em cada um dos fios ligados ao motor de passo. Dar partida no motor. Os leds deverão piscar alternadamente quando for dada a partida e quando ocorrer variação na marcha lenta . |
2- Ignição desligada, desconecte os terminais do conector do motor de passo .Medir a resistência elétrica dos enrolamentos com o multiteste digital .Deve estar de acordo com a dados abaixo . |
Tabela
| Medição entre Terminais | 20 e 21 |
3 e 40 |
| Valor medido W . | 45 a 65 |
45 a 65 |
11)-COMO TESTAR BOBINAS DE IGNIÇÃO.

TESTANDO |
1- Centelhador colocado na bobina. Dar partida no motor. Centelha forte (mínimo 2 cm) durante partida . |
2- Ignição ligada, motor parado, PONTA DE PROVA no fio (marrom /preto ). Dar partida no motor . Positivo (+) 12V durante a partida e ou com o motor funcionando. |
3- PONTA DE PROVA no fio ligado ao pino 37 da centralina ou ligado ao pino 55 da Centralina. Dar partida no motor. Led (verde ) deve piscar durante partida ou com motor funcionando. |
4- Ignição desligada, MULTITESTE DIGITAL no modo ohmimetro, medir resistência do primário ( entre os terminais laterais e o terminal central do conector) e do secundário da bomba entre as saídas para as velas . Primário 0,5 W a 0,8 W .Secundário 7 kW a 9 kW . |
12)-COMO TESTAR O CIRCUITO DA BOMBA COMBUSTIVEL.
TESTANDO |
1- PONTA DE PROVA no fio (marrom/branco) da bomba. Dar partida no motor > positivo (+) 12V durante partida |
2- Ignição ligada, motor parado PONTA DE PROVA no fio preto da bomba> Negativo |
13)-COMO TESTAR A BOMBA DE COMBUSTIVEL.

TESTANDO |
1- Despressurizar o sistema: ignição desligada, retire o conector da bomba e dê partida no motor por alguns segundos. Após despressurizar, reinstale o conector. Instalar manômetro na linha de entrada de combustível. Dar partida no motor>Pressão de 2,4 a 2,6 bar com motor funcionando. |
2- Motor funcionando, feche a válvula de passagem> pressão deve ter até um mínimo de 5 bar. |
14)-COMO TESTAR VÁLVULA DO CANISTER

TESTANDO |
1- Ignição ligada, motor parado, PONTA DE PROVA no fio da válvula. Dar partida no motor> Positivo (+) 12V durante a partida e/ou como motor funcionado. |
2- Ignição desligada, desconectar a válvula do chicote. Com MULTITESTE DIGITAL, medir resistência elétrica entre os terminais da válvula > Resistência entre 20 e 30W . |
3- Motor funcionando, aquecido MULTITESTE DIGITAL modo duty-cycle no fio ligado ao pino 24 da centralina. Acelerador o motor algumas vezes> Leitura deve oscilar entre 30% e 70% por alguns instantes. |
15)-COMO TESTAR RELÉ DA UNIDADE CENTRAL

TESTANDO |
| 1- Ignição desligada, ponta de prova nos fios ligados aos terminais 85, 86, 87 do relê positivo 12 V. |
| 2 - Ignição desligada, ponta de prova nos fio ligado ao terminal 30 do relê dar partida no motor positivo 12 na partida ou com motor funcionando. |
16) - COMO TESTAR O RELÉ DA BOMBA DE COMBUSTIVEL.

TESTANDO |
| 1 - Ignição desligada, ponta de prova nos fios ligados aos terminais 30 e 86 do relê positivo 12 V. |
| 2 - Ignição desligada, ponta de prova nos fio ligado ao terminal 85 do relê dar partida no motor positivo 12 na partida ou com motor funcionando. |
| 3 - Ignição desligada, ponta de prova nos fio ligado ao terminal 87 do relê negativo (-) |
17)-COMO TESTAR ALIMENTAÇÃO DA CENTRALINA

TESTANDO |
1- Ignição, desligada PONTA DE PROVA no fio (vermelho/branco) ligado ao pino 35 da centralina> Positivo (+) |
2- Ignição, ligada, motor parado PONTA DE PROVA no fio (laranja) ligado ao pino 13 da centralina> Positivo (+) |
3- Ignição, desligada PONTA DE PROVA nos fios ligados aos pinos 35 e 54 > Negativo (-) |
18) - COMO TESTAR O SENSOR DE DETONAÇÃO

| 1-Ignição desligada, desconecte o sensor do multi-plug, remova o Sensor verifique se não há corrosão e sugeira nas roscas do bloco, reponha o Sensor e de o torque de 16Nm a 23Nm. |