CAPITULO 30
APLICATIVO VW
DIGIFANT 1.74
Golf GTI a patir de 1995.
COMO FUNCIONA O SISTEMA DIGIFANT Mi GOLF GTI.
Este sistema de injeção é digital multiponto ou seja com quatro válvulas injetoras de combustivel do tipo simultâneo ou seja todas válvulas injetoras são acionadas ao mesmo tempo. A determinação da quantidade de ar admitida pelo motor se dá em função da abertura da borboleta, da temperatura do ar na admissão e por valores pré estabelecidos gravados na memória da Centralina. |
O corpo de borboleta fica instalado junto ao coletor de admissão de admissão. As válvulas injetoras são montadas no coletor de admissão, realizam a injeção de combustivel. A Centralina analisa as informações vindas dos vários sensores distribuídos pelo motor, analisa e processa e comanda diversos atuadores distribuídos pelo carro, tais como: Válvulas injetoras, controle de ar da marcha lenta e bobina de ignição. Deste modo mantém o motor em ótimas condições de funcionamento diminui o consumo e os poluentes. Este sistema possui capacidade de autodiagnose de defeitos, ou seja, possui capacidade própria para identificar defeitos, os defeitos poderão ser identificado por um SCANNER. O corpo de borboleta fica instalado junto ao coletor de admissão de admissão. As válvulas injetoras são montadas no coletor de admissão, realizam a injeção de combustivel. A Centralina analisa as informações vindas dos vários sensores distribuídos pelo motor, analisa e processa e comanda diversos atuadores distribuídos pelo carro, tais como: Válvulas injetoras, controle de ar da marcha lenta e bobina de ignição. Deste modo mantém o motor em ótimas condições de funcionamento diminui o consumo e os poluentes. Este sistema possui capacidade de autodiagnose de defeitos, ou seja, possui capacidade própria para identificar defeitos, os defeitos poderão ser identificado por um SCANNER. |
Este sistema também possui. - Recuperação dos vapores de combustivel. - Controle de detonação para motores 2.0. - Controle dos gases de combustão. - Ligação com o sistema de ar condicionado. |
Como resultado deste mapeamento oferece estas vantagens: } - Melhor queima do combustivel. } - Controle da mistura. } - Redução de poluentes. } - Eliminação de ajustes de marcha lenta e mistura. } - Economia de combustivel. } - Eliminação do afogador. } - Facilidades na partida. } - Melhor dirigibilidade. |
Como conseguir o códigos de falhas.
A diagnose deste sistema de injeção pode ser feita através da obtenção dos códigos de falhas armazenados em sua memória. Estes códigos podem serem obtidos com o uso de um SCANNER. O SCANNER deverá ser ligado ao ALDL (conector de diagnóstico) do veiculo. Para eliminar os códigos de falhas é necessário o uso de um SCANNER. Somente apagar os códigos após o conserto do defeito. |

Conector da Unidade Central


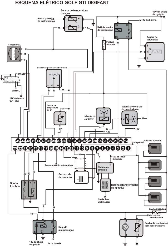
DIAGRAMA DO GOLF GTI.
BUSCA DE DEFEITO PELO SINTOMA
DEFEITO |
TESTANDO |
| MOTOR NÃO PEGA | 1 . Filtro da ar e sua tubulação
(obstrução ) . 2 . Tubulação de escape (obstrução ) . 3 . Sistema de alimentação de combustivel. 4 . Alimentação da Centralina. 5 . Carga da bateria 6 . Sistema de ignição 7 . Fusíveis e relés do sistema de injeção e da bomba . 8 . Sensor Hall |
| MOTOR DIFÍCIL DE PEGAR | 1 . Sensor de temperatura do ar 2 . Sensor de temperatura de água . 3 . Sistema de ignição 4 . Sistema de alimentação de combustível 5 . Carga da bateria. 6 . Tubulação do escape (obstrução) 7 . Filtro da ar e sua tubulação (obstrução ) . 8 . Sensor Hall |
| MARCHA-LENTA IRREGULAR | 1 . Sonda lambda 2 . Sensor de temperatura do ar 3 . Sensor de temperatura de água . 4 . Sistema de alimentação de combustível . 5 . Motor de passo 6 . Entrada falsa de ar no coletor de admissão . (estanqueidade). |
| MARCHA LENTA MUITO ALTA | 1 . Carga da bateria 2 . Sensor de temperatura do ar 3 . Sensor de temperatura de água . 4 . Motor de passo |
| FALTA DE POTÊNCIA NO MOTOR | 1 . Alimentação da Centralina 2 . Sensor de temperatura do ar 3 . Sistema de alimentação de combustível . 4 . Sistema de ignição 5 . Carga da bateria 6 . Tubulação de escape (obstrução) 7 . Filtro de ar e sua tubulação (obstrução). |
| MOTOR FALHANDO | 1 . Sensor de temperatura do ar 2 . Válvulas injetoras. 3 . Sistema de alimentação de combustível 4 . Carga da bateria . 5 . Sistema de ignição. |
| CONSUMO EXCESSIVO DE COMBUSTÍVEL | 1 . Alimentação da Centralina. 2 . Sonda lambda . 3 . Sensor de temperatura do ar 4 . Sensor de temperatura de água 5 . Sistema de alimentação de combustível 6 . Carga da bateria . 7 . Tubulação de escape (obstrução ) 8 . Filtro de ar e sua tubulação (obstrução ).
|
A) COMO TESTAR SENSORES.
1- COMO TESTAR SENSOR DE TEMPERATURA DA ÁGUA .
TESTANDO |
1-Ignição ligada, motor parado, PONTA DE PROVA no fio ligado ao terminal 1 do conector do sensor. Negativo (-). |
2-Ignição ligada, motor parado, MULTITESTE DIGITAL modo voltímetro no fio ligado ao terminal 3 do conector do sensor. Dados abaixo (motor quente: entre 80 °C e 90 °C 0,4 a 0,5 v. |
| Temperatura °C | 20 |
30 |
40 |
60 |
80 |
100 |
| Resistência W | 2400 |
1600 |
1200 |
600 |
320 |
180 |
| Tensão v | 2,4 |
1,9 |
1,5 |
0,9 |
0,5 |
0,3 |
2 -COMO TESTAR SENSOR DE OXIGÊNIO - SONDA LAMBDA .

TESTANDO |
1-Motor funcionando, PONTA DEPROVA no fio ligado ao terminal 1 do conector da sonda. Positivo (+) 12 v . |
2-Motor funcionando, PONTA DE PROVA nos fios ligados aos terminais 2 e 3 do conector da sonda. Negativo (-). |
3-Inição desligada, desconectar a sonda do chicote. Com o MULTITESTE DIGITAL, medir resistência de aquecimento da sonda, medir através dos terminais 1 e 2 do conector Resistência de 4,3 a 4,7 W |
4-Motor funcionando e aquecido, MULTITESTE DIGITAL modo voltímetro no fio ligado ao terminal 4 do conector. Acelere o motor várias vezes Tensão deve ficar oscilando entre 0,1 v a 0,9 v |
3 - COMO TESTAR SENSOR HALL (rotação e PMS)

TESTANDO |
| 1- Ignição ligada, motor parado, PONTA DE PROVA no fio ligado ao terminal 3 do conector do sensor .Positivo (+) 12V |
| 2- Ignição ligada, motor parado, PONTA DE PROVA no fio ligado ao terminal 1 do conector do sensor> Negativo (-). |
| 3- PONTA DE PROVA no fio ligado ao terminal 2 do conector do sensor. Dar partida no motor> Led deve piscar durante a partida ou com o motor funcionado. |
4 - COMO TESTAR SENSOR DA POSIÇÃO DA BORBOLETA

TESTANDO |
1-Ignição ligada, motor parado, PONTA DE PROVA no fio ligado ao terminal 3 do conector do sensor. Negativo (-). |
2-Ignição ligado, motor pardo, MUTLITESTE DIGITAL modo voltímetro no fio ligado ao terminal 1 do conector do sensor. Tensão de 5,0 v ± 5 % . |
3-Ignição ligada, motor parado, MUTLITESE DIGITAL modo voltímetro no fio ligado ao terminal 2 do conector do sensor. Gire lentamente o eixo da borboleta até o final . As leituras devem estar de acordo com os dados abaixo. A variação de tensão entre fechada e aberta deverá ser linear . |
Tabela:
Posição da borboleta |
Tensão v |
| Borboleta fechada | 0,5 a 1,0 |
| Borboleta totalmente aberta | 4,0 a 5,0 |
Posição da borboleta |
Resistência |
| Borboleta fechada pinos 40 e 35 | 1,2 a 1,6 K W |
| Borboleta fechada pinos 41 e 35 | 1,8 a 2,2 K W |
| Borboleta aberta pinos 40 e 35 | 2,5 a 3,1 KW |
| Borboleta aberta pinos 41 e 35 | 1,8 a 2,2 KW |
5) - COMO TESTAR SENSOR DA TEMPERATURA DO AR .

TESTANDO |
1-Ignição ligada, motor parado, PONTA DE PROVA no fio ligado ao terminal 2 do conector do sensor. Negativo (-). |
2-Ignição ligada, motor parado, MULTITESTA DIGITAL modo voltímetro no fio ligado ao terminal 1 do conector do sensor. Dados abaixo. |
| Temperatura C | 20 |
30 |
40 |
60 |
80 |
100 |
| Resistência W | 2400 |
1600 |
1200 |
600 |
320 |
180 |
| Tensão v | 2,4 |
1,9 |
1,5 |
0,9 |
0,5 |
0,3 |
6) - COMO TESTAR SENSOR DE VELOCIDADE .

TESTANDO |
1-Ignição ligada, motor parado, PPONTA DE PROVA no fio ligado ao terminal 3 do conector do sensor . Negativo (-). |
2-Ignição ligada, motor parado, PONTA DE PROVA no fio ligado ao terminal 1 do conector Positivo (+). |
3-Ignição ligada, motor parado, PONTA DE PORVA no fio ligado ao terminal 2 o conector do sensor .Levantar as rodas dianteiras do veiculo e girar uma das rodas . Os leds devem piscar enquanto a roda estiver girando . |

TESTANDO |
| 1-Ignição desligada, PONTA DE PROVA no fio ligado ao terminal 2 do conector de cada um dos injetores . Dar partida no motor. Positivo (+). 12 v durante a partida. |
| 2-PONTA DE PROVA no fio ligado ao terminal 1 de cada um dos injetores . Dar partida no motor . Led (verde) pisca durante parida ou com motor funcionando. |
| 3-MULTITESTE DIGITAL modo ohmímetro, medir resistência das válvulas injetoras. Resistencia de 13,7 a 15,2 W . |
8) - COMO TESTAR VÁLVULA DE CONTROLE DA MARCHA-LENTA .

TESTANDO |
| 1-Ignição ligada, motor parado, PONTA DE PROVA no terminal 1 do conector da válvula . Positivo (+). |
| 2-MULTITESTE DIGITAL no modo voltímetro, opção para corrente alternada VAC. Ligar ao terminal 2 do conector da válvula dar partida no motor . Deve apresentar de 5,0 a 8,0 VAC em marcha-lenta . Ao acelerar o motor deve ficar variando. |
| 3-Medir a resistência elétrica da válvula. 8,0 a 11 W . |

TESTANDO |
1-Colocar o centelhador na bobina. Dar partida no motor. Centelhador forte mínimo 2 cm durante partida. |
2-Ignição ligada, motor pardo, PONTA DE PROVA no fio ligado ao terminal 3 do conector . Positivo (+) 12 v . |
3-PONTA DE PROVA no fio ligado ao terminal 2 do conector . Dar partida no motor . Led (verde) deve piscar durante partida ou com motor funcionando. |
4-Ignição desligada, MULTITESTE DIGITAL no modo ohmímetro, medir resistência do primário e do secundário da bobina . Primário : 0,5 W a 0,8 W Secundário : 7 KW a 9 K W. |
TESTANDO |
1-PONTA DE PROVA no fio ligado ao terminal 1 do conector da bomba. Dar partida no motor. Positivo (+) 12 v durante a partida . |
2-Ignição ligada, motor parado PONTA DE PROVA no fio ligado ao terminal 4 do conector da bomba. Negativo (-). |
11) - Bomba funcionando: fazer teste de pressão do sistema

TESTANDO |
1-Inastalar manômetro na válvula Schrader parecida om uma válvula de pneu, do tubo distribuidor combustível. Dar partida no motor. Mínimo de 2,5 bar durante partida ou em marcha-lenta . |
2-Mesma situação anterior, com o motor funcionando, acelerar o motor. Máximo de 3,2 bar durante aceleração . |
3-Motor funcionando, acelere o motor até 2500 rpm .Pressão deve se manter constante entre 2,5 e 3,2 bar. |
4-Motor funcionando, retire a mangueira que está ligada ao coletor de admissão . Pressão deve subir cerca de 0,5 bar . |
5-Desligar o motor. A linha deve se manter pressurizada por 5 minutos pelo menos . |
12) - COMO TESTAR VÁLVULA DO CANISTER

TESTANDO |
1-Ignição desligada, PONTA DE PROVA no fio ligado ao terminal 2 do conector. Dar partida no motor. Positivo (+) 12 v durante partida ou com motor funcionando. |
2-Ignição desligada, desconecte a válvula do chicote. Com MULTITESTE DIGITAL medir resistência elétrica entre os terminais da válvula. Resistencia de 22 a 30 W . |
3-Motor funcionando, aquecido, MULTITESTE DIGITAL modo duty-cycle no fio ligado ao terminal 1 do conector. Acelere o motor. A leitura deve variar entre 100% e 80% por alguns segundos. |

TESTANDO |
1-Ignição desligada, PONTA DE PROVA no terminal 30 do relé . Positivo (+) |
2-Ignição ligada, motor pardo, PONTA DE PROVA no terminal 85 e 86 do relé. Espere desligar a bomba . Positivo (+)> |
3-PONTA DE PROVA no terminal 85 do relé. Dê partida no motor. Negativo (-) durante partida ou com motor funcionando . |
4-PONTA DE PROVA no terminal 87 do relé . Dê partida no motor . Positivo (+) durante partida ou com motor funcionando. |

TESTANDO |
| 1-Ignição desligada, PONTA DE PROVA no terminal 30 do relé . Positivo (+). |
| 2-Ignição desligada, PONTA DE PROVA no terminal 85 e 86 A do relé . Negativo (-) . |
| 3-Ignição ligada, motor parado, PONTA DE PROVA no terminal 85 e 86 A do relé . Positivo (+). |
| 4-Mesma situação anterior, PONTA DE PROVA no terminal 87 do relé . Positivo (+). |
15) -COMO TESTAR ALIMENTAÇÃO DA CENTRALINA

TESTANDO |
| 1 - Ignição ligada com uma PONTA DE PROVA nos pinos 1 e 42 da UC é Negativo |
| 2 - Ignição desligada com uma PONTA DE PROVA no pino 38 da UC Positivo |
| 3 - PONTA DE PROVA no pino 32 da UC durante a partida Positivo |
16)
-Como apagar a lâmpada de aviso da
troca de óleo do Golf de 1991 a 1997?

|
17)
- Como apagar a lâmpada de aviso
da Inspeção do Golf de 1991 a 1997 (IN01)?
|
18)
- Como apagar a lâmpada de aviso
da Inspeção do Golf de 1991 a 1997 (IN01)?
|