CAPÍTULO 27
APLICATIVOS
MERCEDES-BENZ
MERCEDES-BENZ PMS
C220/C280 (202) 111,961/104,941 1993 em diante
E220/220E/CE/TE (124) 111,960 1992-95
280/320E/TE/E280/320 (124) 104,942/922 1992-95
300SE 2,8/S280/S320 (140) 104,944/944 1992 em diante
COMO FUNCIONA ESTE SISTEMA
¤ Este sistema é Mutliponto seqüencial , com 4 válvulas injetoras que possui autodiagnose ou seja que caso tenha alguma falha possui uma lâmpada de falha no painel de instrumento. O sistema armazena os dados que poderão ser diagnosticado com o sistema do código de falhas. ¤ A unidade central opera no modo emergência quando um sensor falha, assim o motorista conseguirá levar o carro até a oficina. ¤ Unidade central é incorporada com a função alto diagnose |
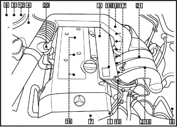
| 1 Sensor da posição do eixo de comando | 2 Interruptor da borboleta fechada |
| 3 Sensor da posição do eixo de manivelas | 4 Conector da unidade de dados |
| 5 Unidade central | 6 Relé da unidade central |
| 7 Sensor de temperatura da água | 8 Válvula de canister |
| 9 Filtro de gasolina no tanque | 10 Sensor de oxigênio |
| 11 Relé bomba de gasolina | 12 Bomba de gasolina |
| 13 Sensor de escapamento | 14 Atuador do controle da lenta |
| 15 Bobina de ignição | 16 Válvula injetora |
| 17 Sensor de temperatura do ar | 18 Sensor de detonação |
| 19 Sensor de fluxo de massa de ar | 20 Sensor de posição da borboleta |

| 1 Sensor da posição do eixo de comando | 2 Interruptor da posição da borboleta fechada |
| 3 Sensor da posição do eixo de manivelas | 4 Conector da unidade de dados |
| 5 Unidade central | 6 Válvula de canister |
| 7 Sensor de temperatura da água | 8 Bomba de combustível |
| 9 Filtro de gasolina no tanque | 10 Sensor de oxigênio |
| 11 Bomba de combustível | 12 Relé bomba de combustível |
| 13 Atuador do controle da lenta | 14 Sensor de escapamento |
| 15 Válvula injetora | 16 Bobina de ignição |
| 17 Sensor de pressão absoluta | 18 Sensor de temperatura do ar |
| 19 Sensor de detonação | 20 Sensor de fluxo de massa de ar |
| 21 Sensor de posição da borboleta | |
CONECTOR DA UNIDADE CENTRAL
BUSCA DE FALHA PELO SINTOMA
PROBLEMA |
POSIVEIS CAUSAS |
MOTOR NÃO PEGA |
1 Examinar bateria e suas conexões. 2 Nível de combustível no tanque. 3 Fusíveis, Bomba de Combustivel, Relés do controle do motor. 4 Condições do Filtro de Combustivel. 5 Fusíveis da bomba de combustível 6 Entrada falsa de ar no Sistema Estanqueidade. 7 Unidade central, conector e fios. 8 Esvazie o conversor catalítico9 Ligue o s circuitos da bateria 10 Sensor de Fluxo da Massa de Ar. 11 Sensor da posição do eixo de Comando. 12 Conector da unidade central |
MOTOR COM DIFICULDADE PARA PEGAR. |
1 Examinar bateria e suas conexões. 2 Unidade central, conector e fios 3 Condições do filtro de gasolina. 4 Entrada falsa de ar no Sistema Estanqueidade. 5 Sensor de temperatura do motor 6 Sensor de fluxo de massa de ar . 7 Regulador da pressão de entrada da gasolina.8 Verificar válvulas injetoras. 9 Conector da centralina do motor 10 Verificar as condições do filtro de ar . |
| FALHANDO | 1 Nível de combustível no tanque 2 Condições do filtro de gasolina 3 Fusível da bomba de gasolina 4 Regulador da pressão de entrada da gasolina.5 Conector da unidade central 6 Sensor de Fluxo da Massa de Ar. |
| MOTOR COM PERDA DE POTÊNCIA | 1 Nível de combustível no tanque 2 Condições do filtro de gasolina 3 Fusível da bomba de gasolina 4 Regulador da pressão de entrada da gasolina. 5 Esvazie o conversor catalítico6 Conector da unidade central 7 Sensor de Fluxo da Massa de Ar. |
| EXCESSO DE COMSUMO DE COMBUSTIVEL | 1 Nível de combustível no tanque 2 Condições do filtro de gasolina 3 Fusível da bomba de gasolina 4 Regulador da pressão de entrada da gasolina. 5 Esvazie o conversor catalítico6 Conector da unidade central 7 Sensor de oxigênio |
| MARCHA LENTA IRREGULAR | 1 Atuador da válvula de controle da entrada de ar da marcha lenta 2 Sensor de temperatura do ar. 3 Sensor de Temperatura da Água.4 Sensor da posição da borboleta 5 Conector da unidade central |
| MOTOR RATEANDO | 1 Nível de combustível no tanque 2 Condições do filtro de gasolina 3 Fusível da bomba de gasolina 4 Regulador da pressão de entrada da gasolina. 5 Válvula de controle da lenta6 Válvula de canister 7 Válvulas injetoras 8 Sensor de Fluxo da Massa de Ar.9 Sensor da posição da borboleta |
| ERRO NA MARCHA LENTA | 1 Sensor de temperatura do ar. 2 Condições do filtro de gasolina 3 Válvula de controle da lenta 4 Sensor de Fluxo da Massa de Ar.5 Sensor de oxigênio 6 Conector da unidade central |
| CÓDIGO | POSSIVEL DEFEITO |
1 |
Sem problema |
2/002 |
Sensor de temperatura da água / circuito curto |
2/003 |
Sensor de temperatura da água / circuito aberto |
2/004 |
Sensor de temperatura da água / sinal |
2/005 |
Sensor de temperatura da água / perda de contato |
3/006 |
Sensor de temperatura da ar / circuito pequeno |
3/007 |
Sensor de temperatura da ar / circuito aberto |
3/008 |
Sensor de temperatura da ar / perda de contato |
4/009 |
Sensor de fluxo de massa de ar sinal alto |
4/010 |
Sensor de fluxo de massa de ar circuito aberto |
5/011 |
Interruptor da posição da borboleta fechada - válvula da borboleta aberta |
5/012 |
Interruptor da posição da borboleta fechada |
5/013 |
Interruptor da posição da borboleta fechada |
6/014 |
Interruptor da posição da borboleta sinal alto |
6/015 |
Interruptor da posição da borboleta sinal baixo |
6/016 |
Interruptor da posição da borboleta perda de contato |
7/017 |
Interruptor da posição da borboleta sinal alto |
7/018 |
Interruptor da posição da borboleta sinal baixo |
7/019 |
Interruptor da posição da borboleta perda de sinal |
8/020 |
Atuador da marcha lenta botão de controle de parada |
8/021 |
Atuador da marcha lenta topo de controle de parada |
9/023 |
Sensor de oxigênio alta voltagem |
9/024 |
Sensor de oxigênio frio ou circuito aberto |
9/025 |
Sensor de oxigênio sensor de voltagem implausível |
11/029 |
Sensor de oxigênio corrente baixa |
11/030 |
Sensor de oxigênio corrente alta |
11/031 |
Sensor de oxigênio circuito pequeno |
13/035 |
Sensor de oxigênio mistura pobre |
13/036 |
Sensor de oxigênio mistura rica |
14/037 |
Válvulas injetoras n°1 circuito pequeno positivo |
14/038 |
Válvulas injetoras n°1 aberto/circuito pequeno terra |
15/039 |
Válvulas injetoras n°2 - circuito pequeno positivo |
15/040 |
Válvulas injetoras n°2 - aberto/circuito pequeno terra |
16/041 |
Válvulas injetoras n°3 - circuito pequeno positivo |
16/042 |
Válvulas injetoras n°3 - aberto/circuito pequeno terra |
17/043 |
Válvulas injetoras n°4 - circuito pequeno positivo |
17/044 |
Válvulas injetoras n°4 - aberto/circuito pequeno terra |
20/049 |
Sensor de oxigênio controle da marcha lenta também rica |
20/050 |
Sensor de oxigênio - controle da marcha lenta também pobre |
20/051 |
Sensor de oxigênio controle da marcha lenta também rica |
20/052 |
Sensor de oxigênio controle da marcha lenta também pobre |
20/053 |
Sensor de oxigênio controle da marcha lenta também rica |
20/054 |
Sensor de oxigênio controle da marcha lenta também pobre |
22/055 |
Estagio de ignição 1/bobina de ignição N°1 cilindro com falha de explosão |
22/056 |
Estagio de ignição 1/bobina de ignição N°4 cilindro com falha de explosão |
22/057 |
Estagio de ignição 1/bobina de ignição corrente não suficiente |
23/058 |
Estagio de ignição 2/bobina de ignição N°2 cilindro com falha de explosão |
23/059 |
Estagio de ignição 2/bobina de ignição N°3 cilindro com falha de explosão |
23/060 |
Estagio de ignição 2/bobina de ignição corrente não suficiente |
24/064 |
Sensor da posição do eixo de manivelas / sinal não reconheceu |
24/065 |
Sensor da posição do eixo de manivelas /sem imã |
24/066 |
Sensor da posição do eixo de manivelas /velocidade do motor (RPM) alta |
25/067 |
Sensor da posição do eixo de comando /sinal |
26/068 |
Unidade central / circuito pequeno do terra |
26/069 |
Unidade central / circuito pequeno do positivo |
27/070 |
Sensor de velocidade do motor (RPM) / circuito curto do terra |
27/071 |
Sensor de velocidade do motor (RPM) / circuito curto do positivo |
28/072 |
Sensor de velocidade do veiculo / sinal não reconhecido |
28/073 |
Sensor de velocidade do veiculo / sinal alto |
29/074 |
111,960 de 07/93 somente / Relé da instanqueidade absoluta /circuito pequeno do positivo |
29/075 |
111,960 de 07/93 somente / Relé da instanqueidade absoluta aberto /circuito pequeno do terra |
30/076 |
Relé da bomba de combustível aberto / circuito pequeno |
32/079 |
Sensor de detonação 1 circuito aberto |
32/080 |
Sensor de detonação 2 circuito aberto |
33/081 |
Tempo de ignição retardador máximo do cilindro 1 |
33/082 |
Tempo de ignição variação de explosão do cilindro 6 |
34/083 |
Controle do sensor de detonação circuito na unidade central |
34/084 |
Sensor de oxigênio controle da marcha lenta também parte gravada exedida |
36/086 |
Válvula de canister / aberta circuito pequeno |
36/087 |
Válvula de canister / aberta circuito pequeno do positivo |
37/088 |
Solenóide do interruptor do ponto AT circuito pequeno |
38/089 |
Atuador da posição do eixo de comando /circuito pequeno do positivo |
38/090 |
Atuador da posição do eixo de comando /circuito pequeno o terra |
43/091 |
Sem sinal de partida terminal 50 |
107 |
Controle do estágio de ignição circuito curto do terra |
49/110 |
Unidade central suprimento de voltagem implausivel |
49/111 |
Unidade central suprimento de voltagem baixa |
50/112 |
Unidade central |
113 |
Unidade central não codificada de 01/94 |
114 |
Unidade central com identificação incorreta- de 01/94 |
115 |
Unidade central código incorreto de 01/94 |
116 |
Unidade de controle do sinal de infravermelho de 12/94 |
117 |
Sistema de infravermelho fechado de 12/94 |
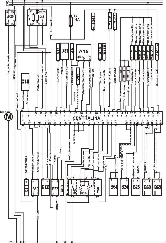
IDENTIFICAÇÃO DOS COMPONENTES DO ESQUEMA ELÉTRICO .
CODIGO DISCRIÇÃO DO COMPONENTE.A5 |
Painel de Instrumentos. |
A15 |
Módulo de controle de cruz |
A16 |
Módulo de controle do ABS |
A35 |
Unidade Central. |
B24 |
Sensor de temperatura da água. |
B25 |
Sensor da temperatura do ar. |
B30 |
Sensor do volume da massa de ar. |
B54 |
Sensor da posição do eixo de manivelas |
B69 |
Sensor de detonação |
B72 |
Sonda Lambda. |
B132 |
Sensor da posição do eixo de comando. |
B147 |
Sensor da Posição da Borboleta. |
F |
Fusível. |
K20 |
Relé da Bomba de Combustivel. |
K46 |
Relé da unidade central |
M12 |
Bomba de Combustivel. |
S13 |
Interruptor da lâmpada de freio |
S57 |
Interruptor da posição da borboleta fechada |
S185 |
Interruptor da pressão do fluido da transmissão |
S249 |
Interruptor da posição da marcha da transmissão |
T1 |
Bobina de Ignição |
X1 |
Conector da unidade central |
X83 |
Plug do modulo codificado |
X88 |
Conector AC |
Y3 |
Válvulas Injetoras. |
Y56 |
Atuador do controlador da marcha lenta |
Y81 |
Atuador do eixo de comando |
Y97 |
Válvula de controle da marcha da transmissão |
Y102 |
Solenóide de controle da pressão absoluta |
Y104 |
Válvula de canister |
15 |
Ignição ligada motor parado. |
30 |
Positivo da Bateria (+) |
31 |
Negativo da Bateria (-) |
50 |
Interruptor de ignição sinal de inicio |
ESQUEMA ELÉTRICO DO MERCEDES C220/C280/E220/220E/CE/TE. (202) (124).

ESQUEMA ELÉTRICO DO MERCEDES Código do motor 104

TESTANDO |
1 A marcha lenta é controlada eletronicamente, sem ajuste possível ,só pode ser ajustado com equipamento devidamente capacitado, velocidade da lenta não especificada : Cheque vazamento de ar no sistema (estanqueidade), teste os componentes elétricos com a MULTITESTE DIGITAL. |
Tabela
| 111 motores -MT 750±50 rpm |
| 111 motores -AT 650±50 rpm |
| 104 motores exceto 104,944/944 700±50 rpm |
| 104,944/994 650 a 800 rpm |
TESTANDO |
1 O nível de CO é controlado eletronicamente sem ajuste possível, nível de CO fora do especificado: cheque vazamento de ar no sistema (estanqueidade), teste os cabos e componentes elétricos com PONTA DE PROVA . |
Tabela
| Todos os modelos 0,5 % máximo- na ponta da mangueira |
3)- Como testar posição inicial do regulador de pressão
TESTANDO |
| 1 Posição inicial do regulador de pressão pré- fixada pelo fabricante , sem ajuste possível.. |

Checando
TESTANDO |
1 Ignição desligada, conecte um MANÔMETRO na válvula de teste remova o relé da bomba de combustível, faça um jump entre os terminais 87/1 & 30/3 da base do relé, a bomba de combustivel deve operar normalmente após o contato, desconecte a mangueira de vácuo do regulador de pressão de combustível, e conecte uma bomba a vácuo e aplique o vácuo adequado e compare a pressão medida, com a especificada na tabela, reconecte a mangueira de vácuo, compare novamente as medidas, a ignição desligada, depois de 30 minutos cheque a pressão novamente. |
Tabela.
| Sistema Condições Valores |
| Sistema Vácuo desligado 3,7-4,2 bar |
| Regulado Vácuo 0,5 bar 3,2-3,6 bar |
| Segurando Depois de 30 minutos motor frio 2,5 bar |
5)- Como testar a vazão da Bomba de Combustivel.

TESTANDO |
1 - Ignição desligada, desconecte a mangueira de retorno, insira no fim do tubo de testes um frasco de medidas, remova o relé da bomba de combustivel, faça um jump na base do relé terminal 87/1 & 30/3 Como na figura acima e opere a bomba por alguns segundos e confira dados abaixo. |
Tabela
| Vazão 1 litro/40 Seg.min. |
6)- Como testar válvulas injetoras

Checando a resistência.
TESTANDO |
1 Ignição desligada, desconecte o multi-plug da válvula injetora e com um MULTITESTE DIGITAL cheque a resistência dos terminais indicados na figura acima. |
Tabela
| Temperatura Resistência |
| 1 & 2 14-17 W |
Como testar o suprimento de voltagem
TESTANDO |
1 Ignição desligada, desconecte o multi-plug da válvula injetora, cheque com o MULTITESTE a voltagem dos terminais do sensor de posição da borboleta, deve coincidir com a voltagem da tabela . |
Tabela
| Terminais Condição Voltagem |
| 1 & terra Ignição ligada motor parado Voltagem da bateria |
Como testar o sinal
TESTANDO |
1 Ignição desligada, desconecte o multi-plug da válvula injetora, conecto a PONTA DE PROVA nos terminais do multi-plug, ligue o motor, cheque se os leds piscam, se os leds não piscarem cheque cabos e fusíveis. |
Tabela
| Terminais Condição Led |
| 1 & 2 motor ligado Piscando |
Como testar pulso motor (111) 4 cilindros
Checando o pulso.

TESTANDO |
1 Ignição desligada, conecte a um pinout no do multi-plug na unidade central, conecte um MULTITESTE DIGITAL nos terminais do pinout ou direto nos terminais da unidade central, ligue o motor e deixe na lenta deixe o motor na temperatura especificada na tabela abaixo cheque o pulso .. |
Tabela
| Terminais Temperatura valor do pulso |
| 2/23 & 1/39 80°C 3-5 ms/750 rpm |
| 2/24 & 1/39 80°C 3-5 ms/750 rpm |
| 2/12 & 1/39 80°C 3-5 ms/750 rpm |
| 2/2 & 1/39 80°C 3-5 ms/750 rpm |
Como testar pulso do motor (104) 6 cilindros.
Checando o pulso.

TESTANDO |
1 Ignição desligada, conecte um pinout do multi-plug na unidade central ,conecte o osciloscópio nos terminais do pinout ligue o motor e deixe na lenta deixe o motor na temperatura especificada na tabela abaixo cheque o pulso .. |
Tabela
| Terminais Temperatura valor do pulso |
| 2/23 & 1/39 80°C 3-5 ms/700 rpm |
| 2/13 & 1/39 80°C 3-5 ms/700 rpm |
| 2/2 & 1/39 80°C 3-5 ms/700 rpm |
| 2/3 & 1/39 80°C 3-5 ms/700 rpm |
| 2/12 & 1/39 80°C 3-5 ms/700 rpm |
| 2/24 & 1/39 80°C 3-5 ms/700 rpm |
7) - Como testar bomba de combustível
(Funcionamento elétrico)
Checando
TESTANDO |
1 Ignição desligada, remove o relé da bomba de combustível, Faça um jump entre os terminais 87/1 e 30/3 do relé da bomba de combustível, a bomba de combustível deve operar continuamente após o jump feito se não estiver operando tente acionar a ignição, desconecte o multi-plug da bomba de combustível faça a bomba operar e cheque a voltagem da bateria nos terminais do multi-plug, se a voltagem da bateria não for indicada cheque cabos e fusíveis . |
8) - Como testar Sensor da posição da borboleta (TP)

Checando suprimento de voltagem
TESTANDO |
1 Ignição desligada, desconecte o multi-plug do sensor de posição da borboleta, conecte um pinout no lugar do multi-plug, ignição ligada motor parado, cheque com o MULTITESTE a voltagem dos terminais do sensor de posição da borboleta, opere a borboleta e cheque a voltagem nos terminais 2/6 e 2/39 na figura acima representados que deve coincidir com a voltagem da tabela . |
Tabela
| Terminais Condição Voltagem |
| 2/6 & 2/39 Borboleta fechada 4 V min. |
| 2/6 & 2/39 Borboleta bem aberta 1 V max |
9) - Como testar Interruptor da posição da borboleta fechada

Checando
TESTANDO |
1 Ignição desligada, desconecte o multi-plug da unidade central, conecte um pinout no multi-plug ignição ligada motor parado, cheque com o MULTITESTE a voltagem dos terminais do pinout, opere a válvula e cheque a voltagem dos terminais A1 & B17 a voltagem deve ser sem oscilações . |

Tabela
| Terminais Condição Voltagem |
| 2/34 & 2/22 Borboleta fechada 3 V max |
| 2/34 & 2/22 Borboleta toda aberta 10 V min |
10)- Como testar sensor de fluxo de massa de ar

Checando voltagem
TESTANDO |
1 Ignição desligada, desconecte o multi-plug da unidade central, conecte um pinout no multi-plug, ligue o motor e deixe na lenta, cheque com o MULTITESTE a voltagem dos terminais, a voltagem deve conferir com a tabela abaixo. |
Tabela
| Terminais Condição Voltagem |
| 2/5 & 2/22 Motor na marcha lenta 0,8-1,1 V |
11)- Como testar sensor de temperatura do ar

TESTANDO |
1 - Ignição desligada, desconecte o mutli-plug da unidade central, conecte um pinout na unidade central cheque a temperatura do ar ambiente, com um MULTITESTE DIGITAL cheque a resistência dos terminais confira com as especificações na tabela abaixo. |
Tabela
| Terminais Temperatura Resistência |
| 2/28 & 2/37 10°C 9186-10153 W |
| 2/28 & 2/37 20°C 5757-6363 W |
| 2/28 & 2/37 30°C 3705-4095 W |
| 2/28 & 2/37 40°C 2470-2730 W |
| 2/28 & 2/37 50°C 1672-1848 W |
| 2/28 & 2/37 60°C 1159-1281 W |
| 2/28 & 2/37 70°C 817-903 W |
| 2/28 & 2/37 80°C 589-651 W |
12) - Como testar Atuador de controle do ar da marcha lenta
Obs: o atuador é incorporado ao interruptor da borboleta fechada.
Como testar suprimento de voltagem
TESTANDO |
1 - Ignição desligada, desconecte o mutli-plug da unidade central, conecte um pinout do multi-plug, ligue o motor e deixe na lenta com um MULTITESTE DIGITAL cheque a voltagem dos terminais confira com as especificações na tabela abaixo. |
Tabela
| Terminais Condição Voltagem |
| 2/4 & 2/26 Motor na lenta ,6-3,2 V (flutuando) |
13) - Como testar a Bobina de ignição


Como testar provisão de Voltagem
TESTANDO |
1 Ignição desligada, remove a proteção do motor, desconecte o multi-plug da unidade central conecte um pinout ignição ligada motor parado, cheque a voltagem dos terminais & terra do multi-plug com o MULTITESTE DIGITAL, se a voltagem não a mesma especificada na tabela : cheque cabos e fusíveis. |
Tabela
| Terminais Condição Voltagem |
| 1/33 & 2/9 ignição ligada motor parado Voltagem da bateria |
| 1/33 & 2/21 ignição ligada motor parado Voltagem da bateria |
| 1/33 & 2/10 motor 104 ignição ligada motor parado Voltagem da bateria |
Checar resistência do primário motor 111 (4 Cilindros)
TESTANDO |
1 Ignição desligada, desconectar o multi-plug da unidade central, conecte um pinout na unidade central, confira a resistência dos terminais do Multi-plugs com um MULTITESTE DIGITAL conferindo os valores com a tabela abaixo. |
Tabela
| Terminais Resistência |
| 2/9 & 2/21 0,9 a 1,5 W |
Checar resistência do primário motor 104 (6 Cilindros)

TESTANDO |
1 Ignição desligada, desconectar o multi-plug da unidade central, conecte um pinout na unidade central, confira a resistência dos terminais do Multi-plugs com um MULTITESTE DIGITAL conferindo os valores com a tabela abaixo. |
Tabela
| Terminais Resistência |
| 2/10 & 2/21 0,9 a 1,5 W |
| 2/9 & 2/10 0,9 a 1,5 W |
Checando resistência secundária
Testando |
1 Ignição desligada, desconecte o cabo de alta tenção da bobina de ignição, cheque a resistência dos terminais de alta tensão da bobina de ignição com MULITESTE DIGITAL, conferindo com as valores da tabela abaixo. |
Tabela
| Terminais Resistência |
| Resistência secundária 5200 a 8500 W |
14)- Sensor de temperatura da água (ECT)

Como testar resistência
Testando |
1 Ignição desligada, desconecte o multi-plug da unidade central, conecte um pinout, cheque a temperatura da água, com o MULTITESTE DIGITAL. cheque a resistência dos terminais do pinout.. |
Tabela
| Terminais Temperatura Resistência |
| 2/28 & 2/36 20°C 2375-2625 W |
| 2/28 & 2/36 30°C 1615-1785 W |
| 2/28 & 2/36 40°C 1111-1228 W |
| 2/28 & 2/36 50°C 788-871 W |
| 2/28 & 2/36 60°C 570-630 W |
| 2/28 & 2/36 70°C 413-456 W |
| 2/28 & 2/36 80°C 308-341 W |
| 2/28 & 2/36 90°C 232-257 W |
15) - Como testar o sensor da posição do eixo de Manivelas.(CKP)
Como testar resistência
TESTANDO |
1 Ignição desligada, desconecte o multi-plug C da unidade central, conecte um pinout no multi-plug cheque a resistência dos terminais e terra do multi-plug com o MULTITESTE DIGITAL, deve conferir com a resistência especificada na tabela abaixo . |
Tabela
| Terminais Resistência |
| 2/29 & 2/30 680-1200 W |
Como testar o sinal
TESTANDO |
1 Ignição desligada , desconecte o multi-plug da unidade central, conecte um pinout no multi-plug ajuste o MULTTESTE DIGITAL para o modo voltímetro corrente alternada, ligue o motor e deixe na lenta deixe o motor chegar a temperatura normal de funcionamento cheque a voltagem dos terminais do Multi-plug. |
Tabela
| Terminais Condição Voltagem |
| 2/29 & 2/30 Motor funcionando 0,40 V min. (CA) |
| 2/29 & 2/30 Marcha Lenta 1V min. (CA) |
16) - Como testar o sensor da posição do eixo de Manivelas.(CMP)

Como testar resistência
TESTANDO |
1 Ignição desligada, desconecte o multi-plug C da unidade central, conecte um pinout no multi-plug cheque a resistência dos terminais e terra do multi-plug com o MULTITESTE DIGITAL, deve conferir com a resistência especificada na tabela abaixo . |
Tabela
| Terminais Resistência |
| 2/8 & 2/19 900-1600 W |
Como testar o sinal
TESTANDO |
1 Ignição desligada , desconecte o multi-plug A da unidade central, conecte um pinout entre a unidade central e o multi-plug ajuste o MULTTESTE DIGITAL para o modo voltímetro corrente alternada, ligue o motor e deixe na lenta deixe o motor chegar a temperatura normal de funcionamento cheque a voltagem dos terminais do pinout ou multi-plug. |
Tabela
| Terminais Condição Voltagem |
| 1/34 & 1/35 Motor na marcha lenta 0,2 V min. (CA) |
17)- Como testar sensor oxigênio aquecido(Sonda Lambda)

Checando

TESTANDO |
1 Com a temperatura normal de funcionamento, Ignição desligada, desconecte o multi-plug da unidade central, conecte um pinout entre multi-plug e a unidade central, ligue o motor e deixe na lenta por dois minutos, deixe o motor chegar a temperatura normal de funcionamento cheque a voltagem dos terminais do multi-plug com um MULTITESTE DIGITAL. |
Tabela
| Terminais Condição Voltagem |
| 1/34 & 1/35 Motor na marcha lenta 0,2 a 1 V flutuando. |

Checando.
TESTANDO |
| 1 - Ignição desligada, conecte um pinout entre o módulo da unidade central e o multi-plug, ignição ligada motor parado, e com um MULTITESTE DIGITAL checar a corrente alternada nos terminais Como tabela abaixo. |
Tabela.
| Terminais Condições Corrente |
| 1/30 & 1/39 Ignição ligada motor parado 0,6 a 3,4 A |
Checando a resistência
TESTANDO |
1 Ignição desligada, desconecte o multi-plug da válvula de canister, cheque a resistência dos terminais da válvula de canister com um MULTITESTE DIGITAL. |
Tabela
| Resistência 42 W aproxi |

Checando a operação

TESTANDO |
1 Ignição desligada, desconecte o multi-plug da unidade central, conecte um pinout entre a unidade central e o multi-plug, ignição ligada motor parado, cheque a voltagem dos terminais do multi-plug com um MULTITESTE DIGITAL. |
Tabela
| Terminais Condição Voltagem |
| 1/32 & 1/39 Ignição ligada motor parado Voltagem da bateria |
| 1/32 & 1/27 Ignição ligada motor parado Voltagem da bateria |

Checando a operação

TESTANDO |
1 Ignição desligada, remova o relé cheque a resistência dos terminais do relé com o MUTLITESTE DIGITAL, conecte suprimento da bateria nos terminais especificados do relé, confira os testes com a tabela abaixo. |
Tabela
| Terminais Condição Voltagem |
| 3/30 & 1/87 Bateria desconectada W Infinita |
| 3/30 & 1/87 Bateria conectada Zero |
| Bateria + no terminal 86 |
| Bateria no terminal 85 |

Como testar suprimento de voltagem
TESTANDO |
1- Ignição desligada, desconecte o multi-plug da unidade central, conecte um pinout entre unidade central e o multi-plug cheque a Voltagem dos terminais e terra do multi-plug com o MULTITESTE DIGITAL, ignição ligada motor parado, cheque a Voltagem dos terminais e terra do multi-plug . |
Tabela
| Terminais Condição Voltagem |
| 1/40 & terra Ignição desligada Voltagem da bateria |
| 1/27 & terra Ignição ligada motor parado Voltagem da bateria |
| 1/39 & terra Ignição ligada motor parado Voltagem da bateria |
Como testar conexão do terra
TESTANDO |
1 Ignição desligada, desconecte o multi-plug da unidade central, conecte um pinout no Multi-plugs cheque a resistência dos terminais do multi-plug com o MUTLITESTE DIGITAL, se a resistência não for a especificada pela tabela abaixo , cheque os cabos. |
Tabela
| Terminais Resistência |
| 2/22 & terra zero |
| 1/32 & terra zero |
| 1/33 & terra zero |
23)
- Como apagar a lâmpada de aviso
da troca de óleo e manutenção do

|