CAPÍTULO 24
APLICATIVOS ALFA ROMEO
BOSCH MOTRONIC 2.10.3/4
ALFA 145 2.0 Twin Spark 162.01 1996 após 1996 ALFA 146 2.0 Twin Spark 162.01 1996 após 1996
COMO FUNCIONA ESTE SISTEMA
¤ Este sistema é Mutliponto seqüencial , com 4 válvulas injetoras que possui autodiagnose ou seja que caso tenha alguma falha possui uma lâmpada de falha no painel de instrumento. O sistema armazena os dados que poderão ser diagnosticado com o sistema do código de falhas. ¤ A unidade central opera no modo emergência quando um sensor falha, assim o motorista conseguirá levar o carro até a oficina. ¤ Unidade central é incorporada com a função alto diagnose |
| 1 Atuador da posição do eixo de comando | 2 Relé do atuador da posição do eixo de comando |
| 3 Sensor da posição do eixo de comando | 4 Conector da unidade de dados |
| 5 Unidade central | 6 Relé da unidade central 1 & 2 |
| 7 Sensor de temperatura da água | 8 Sensor de velocidade do motor |
| 9 Válvula de canister | 10 Solenóide do sistema de escapamento |
| 11 Bomba de combustível | 12 Relé da bomba de combustível |
| 13 Sensor de oxigênio | 14 Bobina de ignição |
| 15 Interruptor de inércia de combustível | 16 Válvula injetora |
| 17 Sensor de temperatura do ar | 18 Sensor de detonação |
| 19 Sensor do fluxo de massa de ar | 20 Sensor de posição da borboleta |
| 21 Sensor de velocidade do veiculo | |
IDENTIFICAÇÃO DOS COMPONENTES DO ESQUEMA ELÉTRICO .
CODIGO DISCRIÇÃO DO COMPONENTE.A5 |
Painel de Instrumentos. |
A35 |
Unidade Central. |
B24 |
Sensor de temperatura da água. |
B25 |
Sensor da temperatura do ar. |
B30 |
Sensor do volume da massa de ar. |
B33 |
Sensor de velocidade do veiculo |
B69 |
Sensor de detonação |
B72 |
Sonda Lambda. |
B75 |
Sensor de velocidade do motor (RPM) |
B132 |
Sensor da posição do eixo de comando. |
B147 |
Sensor da Posição da Borboleta. |
F |
Fusível. |
H63 |
Lâmpada de indicação de malfuncionamento do motor |
K20 |
Relé da Bomba de Combustivel. |
K46 |
Relé da unidade central |
K 153 |
Relé do sensor da posição do eixo de comando |
M12 |
Bomba de Combustivel. |
S39 |
Interruptor de inércia de combustível |
T1 |
Bobina de Ignição |
X1 |
Conector da unidade central |
Y3 |
Válvulas Injetoras. |
Y28 |
Válvula EGR |
Y81 |
Atuador da posição do eixo de comando |
Y99 |
Válvula de controle do ar da lenta |
Y104 |
Válvula de canister |
15 |
Ignição ligada motor parado. |
30 |
Positivo da Bateria (+) |
31 |
Negativo da Bateria (-) |

ESQUEMA ELÉTRICO DO ALFA ROMEO 145 e 146 2.0 Twin Spark.

PROBLEMA |
POSSIVEIS CAUSAS |
MOTOR NÃO PEGA |
1 Examinar bateria e suas conexões. 2 Nível de combustível no tanque.3 Fusíveis, Bomba de Combustivel, Relés do controle do motor.4 Condições do Filtro de Combustivel.5 Fusíveis da bomba de combustível6 Entrada falsa de ar no Sistema Estanqueidade. 7 Unidade central, conector e fios. 8 Esvazie o conversor catalítico9 Ligue o s circuitos da bateria10 Sensor de Fluxo da Massa de Ar. 11 Sensor da posição do eixo de Comando.12 Conector da unidade central |
MOTOR COM DIFICULDADE PARA PEGAR. |
1 Examinar bateria e suas conexões. 2 Unidade central, conector e fios3 Condições do filtro de gasolina.4 Entrada falsa de ar no Sistema Estanqueidade. 5 Sensor de temperatura do motor6 Sensor de fluxo de massa de ar . 7 Regulador da pressão de entrada da gasolina.8 Verificar válvulas injetoras. 9 Conector da centralina do motor10 Verificar as condições do filtro de ar . |
| FALHANDO | 1 Nível de combustível no tanque ?2 Condições do filtro de gasolina3 Fusível da bomba de gasolina 4 Regulador da pressão de entrada da gasolina.5 Conector da unidade central6 Sensor de Fluxo da Massa de Ar. |
| MOTOR COM PERDA DE POTÊNCIA | 1 Nível de combustível no tanque 2 Condições do filtro de gasolina3 Fusível da bomba de gasolina 4 Regulador da pressão de entrada da gasolina. 5 Esvazie o conversor catalítico6 Conector da unidade central7 Sensor de Fluxo da Massa de Ar |
| EXCESSO DE COMSUMO DE COMBUSTIVEL | 1 Nível de combustível no tanque 2 Condições do filtro de gasolina3 Fusível da bomba de gasolina 4 Regulador da pressão de entrada da gasolina. 5 Esvazie o conversor catalítico6 Conector da unidade central7 Sensor de oxigênio |
| MARCHA LENTA IRREGULAR | 1 Atuador da válvula de controle da entrada de ar da marcha lenta 2 Sensor de temperatura do ar. 3 Sensor de Temperatura da Água.4 Sensor da posição da borboleta5 Conector da unidade central |
| MOTOR RATEANDO | 1 Nível de combustível no tanque 2 Condições do filtro de gasolina3 Fusível da bomba de gasolina 4 Regulador da pressão de entrada da gasolina. 5 Válvula de controle da lenta6 Válvula de canister7 Válvulas injetoras 8 Sensor de Fluxo da Massa de Ar.9 Sensor da posição da borboleta |
| ERRO NA MARCHA LENTA | 1 Sensor de temperatura do ar. 2 Condições do filtro de gasolina3 Válvula de controle da lenta 4 Sensor de Fluxo da Massa de Ar.5 Sensor de oxigênio6 Conector da unidade central |
TESTANDO |
1 A marcha lenta é controlada eletronicamente, sem ajuste possível, só pode ser ajustado com equipamento devidamente capacitado, velocidade da lenta não especificada : Cheque vazamento de ar no sistema (estanqueidade), teste os componentes elétricos com MULTITESTE DIGITAL. |
Tabela
| Todos modelos 800±50 rpm |
TESTANDO |
1 O nível de CO é controlado eletronicamente sem ajuste possível, nível de CO fora do especificado: cheque vazamento de ar no sistema (estanqueidade), teste os cabos e componentes elétricos com MULTITESTE DIGITAL. |
Tabela
| Todos os modelos 0,5 % máximo- na ponta da mangueira |
3)-Como testar posição inicial do regulador de pressão
TESTANDO |
| 1 Posição inicial do regulador de pressão pré- fixada pelo fabricante , sem ajuste possível.. |
4)-Como testar pressão da gasolina

TESTANDO |
1 Ignição desligada, conecte um MANÔMETRO na mangueira de combustivel ligue o motor, deixe na lenta, compare a pressão medida, desconecte a mangueira de vácuo, compare novamente as medidas deve ser a mesma especificada na tabela abaixo.. |
Tabela.
| Sistema Condições Valores |
| Sistema Vácuo desligado 2,8-3,2 bar |
| Regulado Vácuo Ligado 2,3-2,7 bar |
5)-Como testar a vazão da Bomba de Combustivel.

TESTANDO |
1 - Ignição desligada, desconecte a mangueira de retorno, insira no fim do tubo de testes um frasco de medidas, remova o relé da bomba de combustivel, ignição ligada motor parado, faça um jump na base do relé terminal 30 & 87 como na figura acima e opere a bomba por alguns segundos e confira dados abaixo. |
Tabela
| Vazão 2 litros/60 Seg |
6)-Como testar válvulas injetoras

Checando a resistência.
TESTANDO |
1 Ignição desligada, desconecte o multi-plug da válvula injetora e com um MULTITESTE DIGITAL cheque a resistência dos terminais da válvula, indicados na figura acima. Repita o teste para cada válvula. |
| Resistência 16 W aproxi |
Como testar suprimento de voltagem
TESTANDO |
1 Ignição desligada, desconecte o multi-plug dos injetores, ignição ligada motor parado, cheque com um MULTITESTE DIGITAL a voltagem dos terminais e terra do multi-plug, repita o teste para cada válvula injetora. |
Tabela
| Terminais Voltagem |
| 1 & terra Voltagem da bateria |
7)-Como testar Sensor da posição da borboleta (TP)

Checando
TESTANDO |
1 Ignição desligada, desconecte o multi-plug do sensor de posição da borboleta, cheque com o MULTITESTE a resistência dos terminais do sensor de posição da borboleta, opere a borboleta e cheque a resistência nos terminais 1 & 3 na figura acima representados que deve coincidir com a resistência da tabela . |
Tabela
| Terminais Condição Resistência |
| 1 & 2 _ 2000 W Aproximadamente |
| 1 & 3 Borboleta fechada 1000 W Aproximadamente |
| 1 & 3 Borboleta bem aberta 2700 W Aproximadamente |
8)-Como testar sensor de fluxo de massa de ar (MAF)

Checando suprimento de voltagem.
TESTANDO |
1 Ignição desligada, desconecte o multi-plug do sensor do fluxo de massa de ar, ligue motor, cheque com o MULTITESTE a voltagem dos terminais do Multi-plug, deve coincidir com a voltagem da tabela . |
Tabela
| Terminais Condição Voltagem |
| 1 & 3 Motor ligado Voltagem da bateria |
Como testar voltagem
TESTANDO |
1 Ignição desligada, não desconecte o multi-plug do sensor do fluxo de massa de ar apenas exponha os terminais, ligue motor deixe na lenta, cheque com o MULTITESTE a voltagem dos terminais do sensor de posição da borboleta, acelere o motor até o rpm especificado pela tabela deve coincidir com a voltagem da tabela . |
Tabela
| Terminais Condição Voltagem |
| 2 & 4 Motor na lenta 1-2 V |
| 2 & 4 2000-3000 rpm 3-4 V |

Checando a resistência
TESTANDO |
1 - Ignição desligada, desconecte o multi-plug do sensor de temperatura do ar, cheque a temperatura do ar ambiente, com um MULTITESTE DIGITAL cheque a resistência dos terminais do sensor de temperatura do ar confira com as especificações na tabela abaixo. |
Tabela
| Temperatura Resistência |
| -10°C 8100-10770 W |
| 20°C 2280-2720 W |
| 80°C 292-362 W |
10)-Como testar Válvula de controle do ar da marcha lenta (IAC)

TESTANDO |
1 - Ignição desligada, desconecte o multi-plug da válvula de controle de marcha lenta, com um MULTITESTE DIGITAL cheque a resistência dos terminais da válvula de controle da lenta confira com as especificações na tabela abaixo. |
Tabela
| Temperatura Resistência |
| 1 & 3 33 W aproxi |
| 1 & 2 17,5 W aproxi |
| 2 & 3 15,5 W aproxi |
Como testar suprimento de voltagem
TESTANDO |
1 - Ignição desligada, desconecte o multi-plug da válvula de controle de marcha lenta, ignição ligada motor parado, com um MULTITESTE DIGITAL cheque a voltagem dos terminais do Multi-plug confira com as especificações na tabela abaixo. |
Tabela
| Terminais Voltagem |
| 2 & terra Voltagem da bateria |
11) -Como testar a Bobina de ignição
(A bobina de Ignição incorpora o módulo de potência)
Como testar provisão de Voltagem (Fig 1)
TESTANDO |
1 Ignição desligada, desconecte o multi-plug da bobina de ignição, ignição ligada motor parado, cheque a voltagem dos pinos dos multi-plug e o terra com o MULTITESTE DIGITAL, |
Tabela
| Terminais Condição Voltagem |
| 1 & terra ignição ligada motor parado Voltagem da bateria |
Checar resistência do primário. (Fig 2)
TESTANDO |
1 Ignição desligada, desconectar o multi-plug da Bobina de Ignição, confira a resistência dos terminais da bobina de ignição com um MULTITESTE DIGITAL conferindo os valores com a tabela abaixo. Repetir o teste em cada Bobina |
Tabela
| Resistência primaria 0,3 W aproxi |
Checando resistência secundária

Testando |
1 Ignição desligada, desconectar o multi-plug d a bobina de ignição, desconecte o cabo de alta tenção da bobina de ignição, cheque a resistência dos terminais de alta tensão da bobina de ignição com MULITESTE DIGITAL, conferindo com as valores da tabela abaixo. Repetir teste para cada bobina. |
Tabela
| Resistência secundária 7000 W aproxi |
12)-Sensor de temperatura da água (ECT)

Testando |
1 Ignição desligada, desconecte o multi-plug do sensor ECT, alivie a pressão do sistema de arrefecimento, remova do motor o sensor de temperatura da água (ECT), emirja o sensor ECT em água em temperaturas especificadas pela tabela abaixo, com o MULTITESTE DIGITAL. cheque a resistência . |
Tabela
| Temperatura Resistência |
| -10°C 8100-10770 W |
| 20°C 2280-2720 W |
| 80°C 292-362 W |
13)-Como testar sensor de velocidade do motor (RPM)

Checando a resistência
TESTANDO |
1 Ignição desligada, desconecte o multi-plug do sensor da velocidade do motor (RPM), cheque a resistência dos terminais do sensor com o MULTITESTE DIGITAL, deve conferir com a resistência especificada na tabela abaixo . |
Tabela
| Terminais Resistência |
| 1 & 2 486-594 W |
14)-Como testar o sensor da posição do eixo de Comando.(CMP)

Checando
TESTANDO |
1 Ignição desligada, não desconecte o multi-plug apenas exponha os terminais do sensor da posição do eixo de comando, conecte a PONTA DE PROVA, nos terminais do multi-plug, ligue o motor, cheque e os leds piscam . |
Tabela
| Terminais Condição Led |
| 2 & 3 motor ligado Piscando |
Como testar suprimento de voltagem
TESTANDO |
1 Ignição desligada, desconecte o multi-plug do sensor da posição do eixo de comando, ignição ligada motor parado, cheque a voltagem dos terminais e terra do multi-plug com o MULTITESTE DIGITAL, deve conferir com a voltagem especificada na tabela abaixo . |
Tabela
| Terminais Voltagem |
| 1 & 3 5V |
15)-Como testar sensor de Detonação. (KS)
Como testar resistência
TESTANDO |
1 Ignição desligada, desconecte o multi-plug do sensor KS, cheque a resistência dos terminais e terra do Sensor com o MULTITESTE DIGITAL, deve conferir com a resistência especificada na tabela abaixo |
Tabela
| Resistência 1 MW |
16)- Como testar sensor oxigênio aquecido(Sonda Lambda)

Como testar o sinal (Fig A)
TESTANDO |
1 Temperatura normal de funcionamento, ignição desligada, ligue o motor deixe na lenta, não desconecte o multi-plug cheque a voltagem com o MULTITESTE DIGITAL dos terminais do multi-plug . |
Tabela
| Terminais Condição Voltagem |
| 3 & 4 Motor na marcha lenta 0-0,9 V flutuando |
17)-Como testar o aquecedor do sensor de oxigênio

Como testar a resistência (Fig A)
TESTANDO |
1 Ignição desligada, desconecte o multi-plug do sensor da HO2S, cheque a resistência dos terminais do sensor de oxigênio com o MULTITESTE DIGITAL, deve conferir com a resistência especificada na tabela abaixo |
Tabela
| Terminais Resistência |
| 1 & 2 3 W |
Como testar suprimento de voltagem
TESTANDO |
1 Ignição desligada, desconectar o multi-plug do sensor HO2S, ignição ligada motor parado, cheque a voltagem dos terminais e terra do multi-plug com o MULTITESTE DIGITAL, confira voltagem com a tabela . |
Tabela
| Terminais Condição Resistência |
| 2 & terra Motor ligado Voltagem da bateria |

Como testar a resistência (Fig 1)
TESTANDO |
1 Ignição desligada, desconecte o multi-plug do (EGR), cheque a resistência dos terminais da válvula EGR com o MULTITESTE DIGITAL, deve conferir com a resistência especificada na tabela abaixo |
Tabela
| Resistência 25-28 W |
Como testar suprimento de voltagem (Fig. 2)
TESTANDO |
1 Ignição desligada, desconectar o multi-plug do (EGR), ignição ligada motor parado, cheque a voltagem dos terminais e terra do multi-plug com o MULTITESTE DIGITAL, confira voltagem com a tabela . |
Tabela
| Terminais Voltagem |
| 1 & terra Voltagem da bateria |
19)-Como testar válvula de canister (EVAP)

Checando a Resistência (Fig. A)
TESTANDO |
1 Ignição desligada, desconecte o multi-plug da válvula de canister, cheque com o MULTITESTE DIGITAL a resistência dos terminais da válvula de canister, que devem coincidir com a tabela abaixo . |
Tabela
| Resistência 22-30 W |
Como testar suprimento de voltagem (Fig. B)
TESTANDO |
1 Ignição desligada, desconectar o multi-plug do sensor HO2S, ignição ligada motor parado, cheque a voltagem dos terminais e terra do multi-plug com o MULTITESTE DIGITAL, confira voltagem com a tabela . |
Tabela
| Terminais Condição Voltagem |
| 1 & terra ignição ligada motor parado Voltagem da bateria |
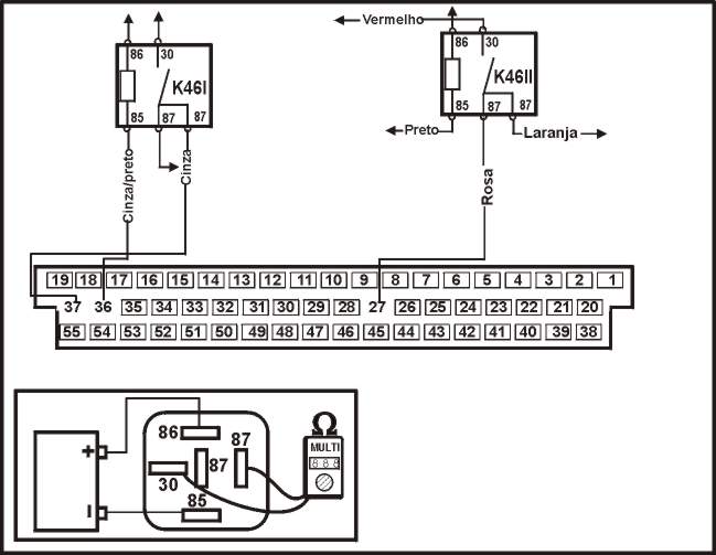
20)-Como testar relé da unidade central 1 e 2.

Como testar operação
TESTANDO |
1 Ignição desligada, remova o relé cheque a resistência dos terminais do relé com o MUTLITESTE DIGITAL, conecte suprimento da bateria nos terminais especificados do relé, cheque a resistência dos terminais do relé novamente, confira os testes com a tabela abaixo. |
Tabela
| Terminais Condição Voltagem |
| 30 & 87 Bateria desconectada Infinita |
| 30 & 87 Bateria conectado Zero |
| Bateria + no terminal 86 |
| Bateria no terminal 85 |

TESTANDO |
1 Ignição desligada, remova o relé cheque a resistência dos terminais do relé com o MUTLITESTE DIGITAL, conecte suprimento da bateria nos terminais especificados do relé, confira os testes com a tabela abaixo. |
Tabela
| Terminais Condição Resistência |
| 30 & 87 Bateria desconectada Infinita |
| 30 & 87 Bateria conectado Zero |
| Bateria + no terminal 86 |
| Bateria no terminal 85 |
22)-Como testar relé do atuador da posição do eixo de comando

Como testar operação
TESTANDO |
1 Ignição desligada , remova o relé cheque a resistência dos terminais do relé com o MUTLITESTE DIGITAL, conecte suprimento da bateria nos terminais especificados do relé, cheque a resistência dos terminais do relé novamente, confira os testes com a tabela abaixo. |
Tabela
| Terminais Condição Resistência |
| 30 & 87 Bateria desconectada Infinita |
| 30 & 87 Bateria conectado Zero |
| Bateria + no terminal 86 |
| Bateria no terminal 85 |
23)-Como testar unidade central

TESTANDO |
1- Ignição desligada, desconecte o multi-plug da unidade central, cheque a Voltagem dos terminais e terra do multi-plug com o MULTITESTE DIGITAL da unidade central, se a Voltagem não for a especificada pela tabela confira os cabos, relés e fusíveis. Ignição ligada motor parado, cheque a Voltagem dos terminais e terra do multi-plug com o MULTITESTE DIGITAL da unidade central, se a Voltagem não for a especificada pela tabela confira os cabos, relés e fusíveis. |
Tabela
| Terminais Condição Resistência |
| 18 & terra Ignição desligada Voltagem da bateria |
| 27 & terra Ignição ligada motor parado Voltagem da bateria |
| 37 & terra Ignição ligada motor parado Voltagem da bateria |
Como testar conexão do terra
TESTANDO |
1 Ignição desligada, desconecte o multi-plug da unidade central, cheque a resistência dos terminais com o MUTLITESTE DIGITAL, se a resistência não for a especificada pela tabela abaixo, cheque os cabos. |
Tabela
| Terminais Resistência |
| 2 & terra zero |
| 14 & terra zero |
| 19 & terra zero |
| 24 & terra zero |
24)-Como testar atuador da posição do eixo de comando (CMP)
Como testar resistência (Fig. 1)
TESTANDO |
1 Ignição desligada, desconecte o multi-plug do atuador da posição do eixo de comando, cheque a resistência dos terminais do atuador com o MULTITESTE DIGITAL, a resitência deve coincidir com as especificações da tabela abaixo. |
Tabela
| Resistência 10 W aproxi |
Como testar suprimento de voltagem (Fig. 2)
TESTANDO |
1 Ignição desligada, desconectar o multi-plug do atuador da posição do eixo de comando, ligue o motor, aumente a velocidade do motor até 1600 RPM, cheque a voltagem dos terminais e terra do multi-plug com o MULTITESTE DIGITAL |
25)-Como testar sensor de velocidade do veiculo (VSS)
Checando Sinal
TESTANDO |
1 - Ignição desligada, não desconecte o multi-plug do sensor de velocidade, conecte a PONTA DE PROVA nos terminais do multi-plug, ignição ligada motor parado, eleve o carro no macaco hidráulico, gire a roda especificada, cheque se os leds piscam . |
Tabela
| Roda a ser girada direita frontal |
| Terminais Condição Led |
| 1 & 2 roda girando Piscando |
26)-Como testar Interruptor de inércia de combustível

TESTANDO |
1 Ignição desligada, desconecte o multi-plug do interruptor de inércia de combustível remova o interruptor, inverta o interruptor de inércia de combustível, cheque a resistência dos terminais com o MULTITESTE DIGITAL, aperte o botão de inicio e cheque a resistência, encaixe o interruptor desacione o botão e, cheque a resistência dos terminais com o MULTITESTE DIGITAL, se a resistência não for a especificada pela tabela abaixo, cheque os cabos. |
Tabela
| Terminais Condição Resistência |
| 1 & 3 Botão acionado W |
| 1 & 3 Botão desacionado zero |