CAPÍTULO 15
APLICATIVOS AUDI
BOSCH MOTRONIC 3.2
AUDI A4 1.8 ADR 1995 em diante
AUDI A4 1.8 TURBO AEB 1995 em diante
¤ Este sistema é multiponto seqüencial, com 4 válvulas injetoras que possui autodiagnose ou seja que caso tenha alguma falha possui uma lâmpada de falha no painel de instrumento. O sistema armazena os dados que poderão ser diagnosticado com o sistema do código de falhas. ¤ A unidade central opera no modo emergência quando um sensor falha, assim o motorista conseguirá levar o carro até a oficina. ¤ Unidade central é incorporada com a função alto diagnose |
A4 1.8

| 1 Sensor da posição do eixo do comando | 2 Interruptor da posição Borboleta |
| 3 Sensor da posição do eixo de manivelas | 4 Conector ALDL |
| 5 Unidade central | 6 Sensor de temperatura da água |
| 7 Válvula de canister | 8 Filtro de gasolina no tanque |
| 9 Regulador da pressão da gasolina | 10 Bomba de combustível |
| 11 Relé bomba de combustível | 12 Sensor de oxigênio aquecido |
| 13 Atuador do controle da lenta | 14 Sensor atuador do controle da lenta |
| 15 Amplificador de ignição | 16 Bobina de ignição |
| 17. Válvula injetora | 18 Sensor de temperatura do ar |
| 19 Sensor de detonação 1 | 20 Sensor de detonação 2 |
| 21 Sensor do volume da massa de ar | 22 Controle da borboleta |
| 23 Sensor de posição da borboleta | 24 Sensor de velocidade do automóvel |

| 1 Sensor da posição do eixo do comando | 2 Interruptor da posição Borboleta |
| 3 Sensor da posição do eixo de manivelas | 4 Conector ALDL |
| 5 Unidade central | 6 Sensor de temperatura da água |
| 7 Válvula de canister | 8 Filtro de gasolina no tanque |
| 9 Regulador da pressão da gasolina | 10 Bomba de combustível |
| 11 Relé bomba de combustível | 12 Sensor de oxigênio |
| 13 Atuador do controle da lenta | 14 Atuador do controle da lenta |
| 15 Sensor atuador do controle da lenta | 16 Amplificador de ignição |
| 17 Bobina de ignição | 18 Válvula injetora |
| 19 Sensor da temperatura do ar | 20 Sensor de detonação 1 |
| 21 Sensor de detonação 2 | 22 Sensor do volume da massa de ar |
| 23 Unidade de controle da borboleta | 24 Sensor de posição da borboleta |
| 25 Válvula de Regulagem de pressão do turbo | 26 Sensor de velocidade do automóvel |
CONECTOR DA UNIDADE CENTRAL

CÓDIGO |
POSSIVEL DEFEITO |
00515 |
Sensor da posição da árvore de manivelas |
00528 |
Sensor de pressão barômetro. (BARO) |
00532 |
Unidade central. Suprimento de Voltagem |
00543 |
RPM máxima excedida. |
00544 |
Pressão do turbo excedida. |
00561 |
Controle de mistura . |
00575 |
Sensor da pressão Absoluta (controle do limite) |
00635 |
Sensor de oxigênio. |
00670 |
Posição do atuador do Sistema de controle da marcha lenta . |
01165 |
Sistema de controle da marcha lenta . |
01182 |
Sensor de posição da borboleta , sensor do fluxo da entrada de massa de ar |
01247 |
Válvula de canister |
01249 |
Válvulas injetoras n°:1 |
01250 |
Válvulas injetoras n°:2 |
01251 |
Válvulas injetoras n°:3 |
01252 |
Válvulas injetoras n°:4 |
01259 |
Relé da bomba de combustível |
01262 |
Válvula de Regulagem do turbo. |
16486 |
Sensor de fluxo de massa de ar .Sinal baixo |
16487 |
Sensor de fluxo de massa de ar .Sinal alto. |
16496 |
Sensor de temperatura do ar. Sinal baixo |
16497 |
Sensor de temperatura do ar. Sinal alto. |
16500 |
Sensor de temperatura da água . sinal incorreto |
16501 |
Sensor de temperatura da água . sinal baixo |
16502 |
Sensor de temperatura da água . sinal alto |
16505 |
Sensor da posição da borboleta . sinal incorreto |
16506 |
Sensor da posição da borboleta . sinal baixo |
16507 |
Sensor da posição da borboleta . sinal alto |
16514 |
Sensor de oxigênio aquecido defeituoso |
16515 |
Sensor de oxigênio aquecido voltagem baixa |
16516 |
Sensor de oxigênio aquecido voltagem alta |
16518 |
Sensor de oxigênio aquecido defeituoso |
16519 |
Sensor de oxigênio aquecido. |
16705 |
Sensor da arvore de manivelas / sensor de velocidade do motor (RPM) sinal incorreto |
16706 |
Sensor da arvore de manivelas / sensor de velocidade do motor (RPM) sem sinal |
16711 |
Sensor de detonação 1 |
16716 |
Sensor de detonação 2 |
16885 |
Sensor da velocidade do veiculo |
16989 |
Defeito na unidade central. |
17733 |
Cilindro 1 Controle de detonação. |
17734 |
Cilindro 2 Controle de detonação. |
17735 |
Cilindro 3 Controle de detonação. |
17736 |
Cilindro 4 Controle de detonação. |
17913 |
Interruptor de Posição da borboleta fechada / não esta fechada por uma falta elétrica. |
17914 |
Interruptor de Posição da borboleta fechada / não esta fechada , circuito bom. |
17915 |
Estanqueidade no sistema- vazando |
17916 |
Estanqueidade no sistema - restrito |
17953 |
Controle da borboleta defeituoso |
17966 |
Atuador sistema de controle da marcha lenta |
17967 |
Posição da borboleta fixada - defeituoso |
17972 |
Unidade de controle da borboleta- suprimento da voltagem baixa |
17978 |
Unidade central imobilizada |
18010 |
Unidade central suprimento de voltagem baixo |
18020 |
Unidade central código incorreto |
PROBLEMA |
POSIVEIS CAUSAS |
MOTOR NÃO PEGA |
1 Examinar bateria e suas
conexões. 2 Nível de combustível no tanque. 3 Fusíveis, Bomba de Combustivel, Relés do controle do motor. 4 Condições do Filtro de Combustivel. 5 Fusíveis da bomba de combustível 6 Entrada falsa de ar no Sistema Estanqueidade. 7 Unidade central, conector e fios. 8 Esvazie o conversor catalítico 9 Ligue o s circuitos da bateria 10 Sensor de Fluxo da Massa de Ar. 11 Sensor da posição do eixo de Comando. 12 Conector da unidade central |
MOTOR COM DIFICULDADE PARA PEGAR. |
1 Examinar bateria e suas
conexões. 2 Unidade central, conector e fios 3 Condições do filtro de gasolina. 4 Entrada falsa de ar no Sistema Estanqueidade. 5 Sensor de temperatura do motor 6 Sensor de fluxo de massa de ar . 7 Regulador da pressão de entrada da gasolina. 8 Verificar válvulas injetoras. 9 Conector da centralina do motor 10 Verificar as condições do filtro de ar . |
| FALHANDO | 1 Nível de combustível no
tanque 2 Condições do filtro de gasolina 3 Fusível da bomba de gasolina 4 Regulador da pressão de entrada da gasolina. 5 Conector da unidade central 6 Sensor de Fluxo da Massa de Ar. |
| MOTOR COM PERDA DE POTÊNCIA | 1 Nível de combustível no
tanque 2 Condições do filtro de gasolina 3 Fusível da bomba de gasolina 4 Regulador da pressão de entrada da gasolina. 5 Esvazie o conversor catalítico 5 Conector da unidade central 6 Sensor de Fluxo da Massa de Ar. |
| EXCESSO DE COMSUMO DE COMBUSTIVEL | 1 Nível de combustível no
tanque 2 Condições do filtro de gasolina 3 Fusível da bomba de gasolina 4 Regulador da pressão de entrada da gasolina. 5 Esvazie o conversor catalítico 6 Conector da unidade central 7 Sensor de oxigênio |
| MARCHA LENTA IRREGULAR | 1 Atuador da válvula de controle
da entrada de ar da marcha lenta 2 Sensor de temperatura do ar. 3 Sensor de Temperatura da Água. 4 Sensor da posição da borboleta 5 Conector da unidade central |
| MOTOR RATEANDO | 1 Nível de combustível no
tanque 2 Condições do filtro de gasolina 3 Fusível da bomba de gasolina 4 Regulador da pressão de entrada da gasolina. 5 Válvula de controle da lenta 6 Válvula de canister 7 Válvulas injetoras 8 Sensor de Fluxo da Massa de Ar. 9 Sensor da posição da borboleta |
| ERRO NA MARCHA LENTA | 1 Sensor de temperatura do ar. 2 Condições do filtro de gasolina 3 Válvula de controle da lenta 4 Sensor de Fluxo da Massa de Ar. |
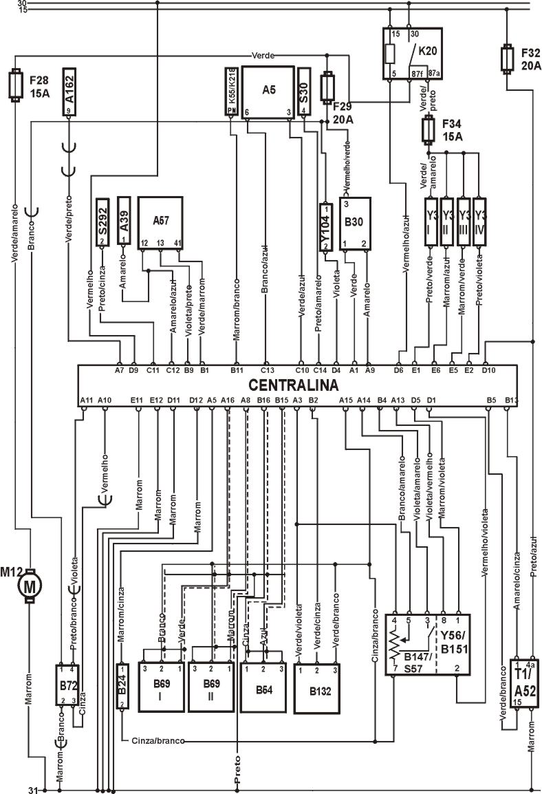
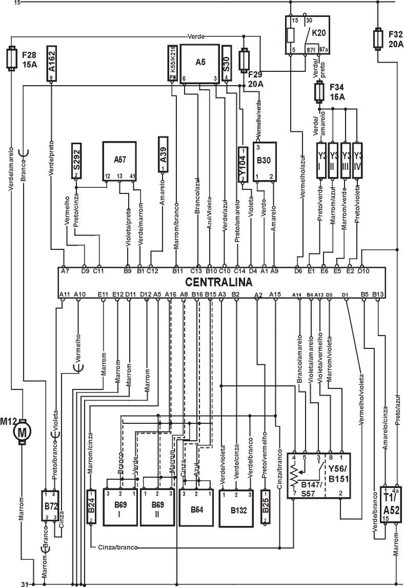
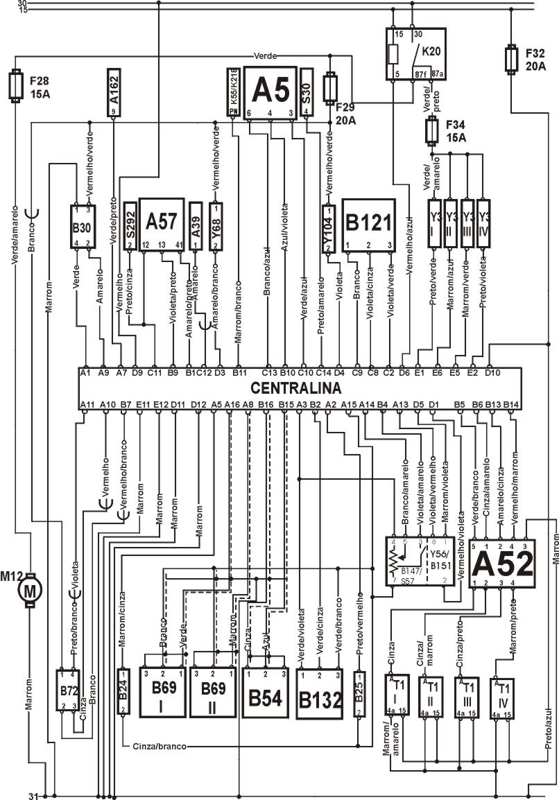
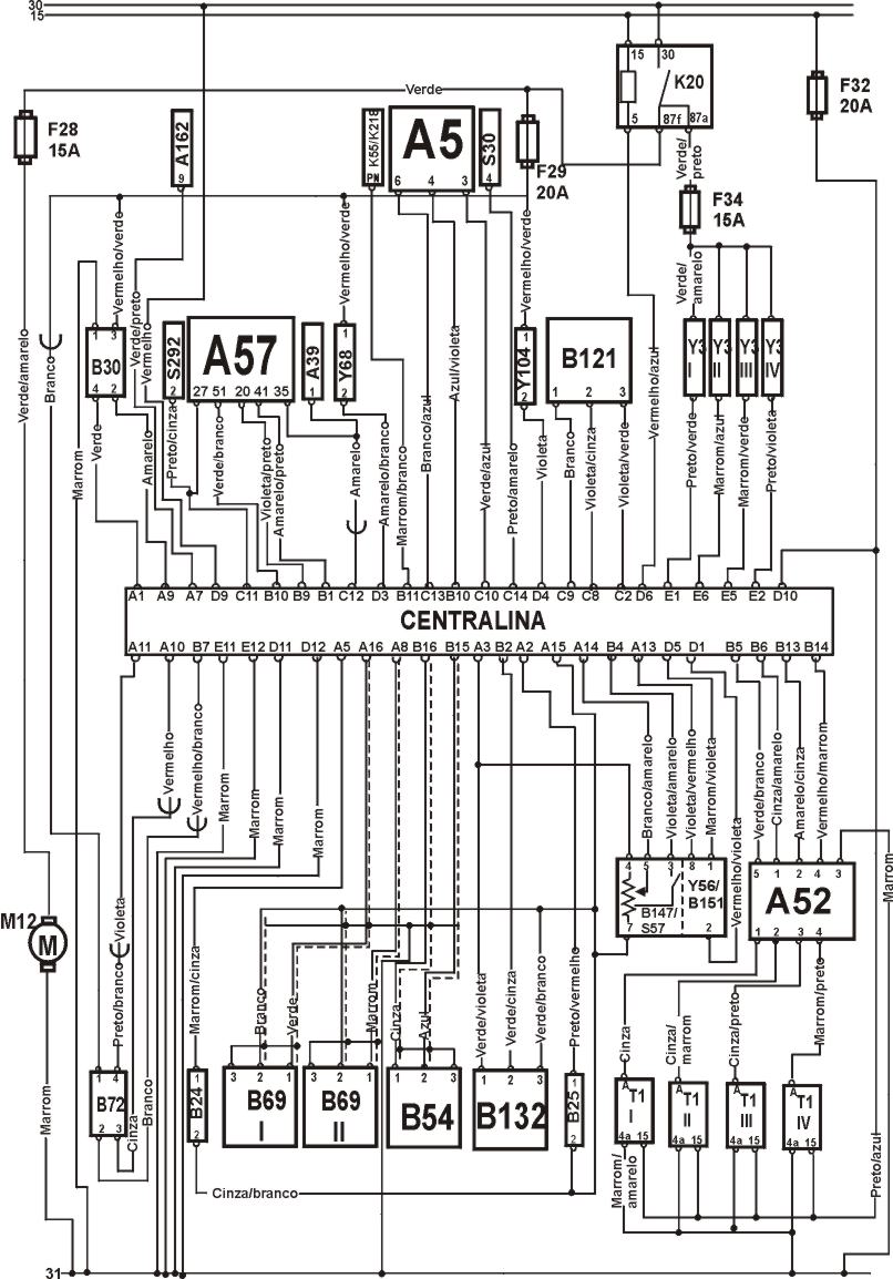
IDENTIFICAÇÃO DOS COMPONENTES DO ESQUEMA ELÉTRICO .
CODIGO DISCRIÇÃO DO COMPONENTE.
A5 |
Painel de Instrumentos. |
A35 |
Unidade Central. |
A39 |
Módulo de Advertência Auxiliar. |
A52 |
Módulo de Potência |
A57 |
Módulo de controle da transmissão |
A162 |
Imobilizador do Módulo de Controle |
B24 |
Sensor de temperatura da água. |
B25 |
Sensor da temperatura do ar. |
B30 |
Sensor do volume da massa de ar. |
B33 |
Sensor de velocidade |
B54 |
Sensor da posição do eixo de Manivelas |
B69 |
Sensor de Detonação |
B72 |
Sonda Lambda. |
B121 |
Sensor de pressão do barômetro. |
B132 |
Sensor da posição do eixo de comando. |
B147 |
Sensor da Posição da Borboleta. |
B151 |
Sensor da posição do atuador da marcha lenta . |
F |
Fusível. |
K20 |
Relé da Bomba de Combustivel. |
K55 |
Relé inibidor do motor de partida |
K 218 |
Relé das lâmpadas reversas. |
M12 |
Bomba de Combustivel. |
S57 |
Interruptor da posição da borboleta fechada |
S292 |
Controle do ar condicionado |
T1 |
Bobina de Ignição |
Y3 |
Válvulas Injetoras. |
Y56 |
Atuador do Controle da Marcha Lenta. |
Y68 |
Válvula de Regulagem da pressão do turbo |
Y104 |
Válvula de Canister. |
15 |
Ignição ligada motor parado. |
30 |
Positivo da Bateria (+) |
31 |
Negativo da Bateria (-) |


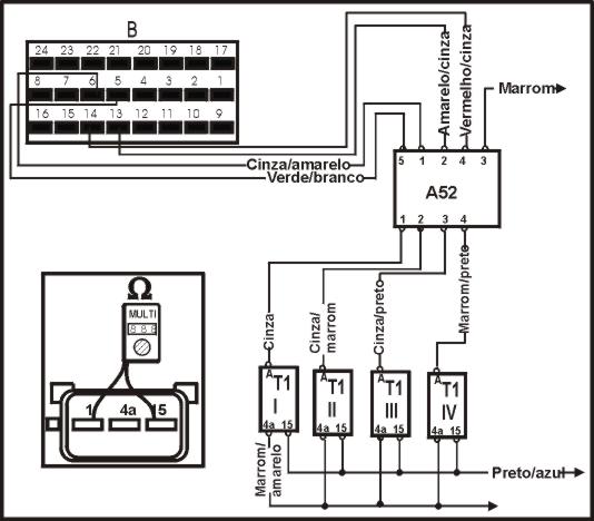
ESQUEMA ELÉTRICO A4 1.8 TURBO 1995-96

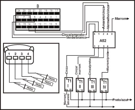
ESQUEMA ELÉTRICO A4 1.8 TURBO 1996>

COMO TESTAR OS COMPONENTES
TESTANDO |
1 A marcha lenta é controlada eletronicamente, sem ajuste possível, só pode ser ajustado com equipamento devidamente capacitado, velocidade da lenta não especificada : Cheque vazamento de ar no sistema estanqueidade, teste os componentes elétricos com um MULTITESTE DIGITAL. |
Tabela
| Todos modelos 820-900 rpm |
TESTANDO |
1 O CO e controlado eletronicamente, sem ajuste possível, nível de CO não especificado: cheque vazamento de ar no sistema de escape (estanqueidade), teste os cabos e componentes elétricos com MULTITESTE DIGITAL. |
Tabela
| Todos os modelos 0,5 % máximo- na ponta da mangueira |
3)- Como testar posição inicial do regulador de pressão
TESTANDO |
1 Posição inicial do regulador de pressão pré- fixada pelo fabricante, sem ajuste possível.. |
4)- Como testar pressão de combustivel.

TESTANDO |
1 Ignição desligada, conecte um MANÔMETRO na mangueira de combustivel ligue o motor, deixe na lenta, desconecte a mangueira de vácuo do regulador de pressão de combustível, compare a pressão medida, com a especificada na tabela, reconecte a mangueira de vácuo, compare novamente as medidas, a ignição desligada, depois de 10 minutos cheque a pressão novamente. |
Tabela.
| Sistema Condições Valores |
| Sistema Vácuo desligado 4 Bar |
| Regulado Vácuo Ligado 3,5 bar |
| Segurando Depois de 10 minutos 2,5 bar min |
5)- Como testar a vazão da Bomba de Combustivel.

TESTANDO |
1 - Ignição desligada, desconecte a mangueira de retorno, conecte mangueira de teste no regulador de pressão, insira no fim do tubo de testes um frasco de medidas, remova o relé da bomba de combustivel faça um jump na base do relé terminal 30 &32 como na figura acima e opere a bomba por alguns segundos e confira dados abaixo. |
Tabela
| Suprimento de voltagem Taxa de vazão |
| 11-13 V 0,45-0,63 litro/15 Seg. Min |
6)- Como testar válvulas injetoras

TESTANDO |
1 Ignição desligada, desconecte o multi-plug da válvula injetora cheque a resistência dos terminais indicados na figura acima e confira com os dados. |
Tabela
| Resistência 11 a 13 W |
| A TEMPERATURA NORMAL DE OPERAÇÃO A RESISTÊNCIA DE 4 a 6 W aproximadamente. |
Como testar suprimento de voltagem
TESTANDO |
1 Ignição desligada, desconecte o multi-plug dos injetores use uma PONTA DE PROVA e confira os terminais e terra do multi-plug ligue o motor e confira se os leds acendem, repita o teste para cada bico injetor, se os Leds não acenderem cheque cabos fusíveis e relé da bomba de combustível confira com as especificações na tabela abaixo. |
Tabela
| Terminais Condições Condição led |
| 1 & terra motor ligado ligado |
Como testar sinal
TESTANDO |
1 Ignição desligada, desconecte o multi-plug dos injetores use uma PONTA DE PROVA e confira os terminais e terra do multi-plug ligue o motor e confira se os leds piscam, repita o teste para cada bico injetor, se os leds não piscarem cheque cabos fusíveis confira com as especificações na tabela abaixo. |
Tabela
| Terminais Condição led |
| 1 & 2 motor ligado piscando |
7)- Como testar funcionamento bomba de combustivel

TESTANDO |
1 Ignição desligada, remova relé da bomba de combustível faça um jump entre os terminais 30 & 32 da base do relé a bomba de combustivel deve funcionar continuamente quando os terminais são acionados se a bomba não funcionar desconecte o multi-plug da bomba ligue o interruptor, cheque a voltagem dos terminais do multi-plug especificados na tabela abaixo, se a voltagem não for a mesma da bateria cheque cabos e fusíveis. |
Tabela
| Terminais Voltagem |
| 1 & 4 Voltagem da bateria |
8)- Como testar Sensor da posição da borboleta

Checando Operação
TESTANDO |
1 Ignição desligada, desconecte o multi-plug do sensor de posição da borboleta, cheque com o MULTITESTE a resistência dos terminais do sensor de posição da borboleta, opere a borboleta e cheque a resistência nos terminais na figura acima representados que deve coincidir com a resistência da tabela . |
Tabela
| Terminais Condição Resistência |
| 4 & 7 1000 W |
| 5 & 7 Borboleta fechada 1500 W |
| 5 & 7 Borboleta bem aberta 710 W |
Como testar suprimento de voltagem
TESTANDO |
1 Ignição desligada, desconecte o multi-plug do sensor de posição de borboleta, acione a ignição, cheque com o MULTITESTE a voltagem dos terminais do multi-plug confira com as especificações na tabela abaixo. |
Tabela
| Terminais Condição Voltagem |
| 4 & 7 ignição ligada 5 V aproximadamente |
9)- Como testar Interruptor da posição da borboleta fechada

Checando Operação
TESTANDO |
1 Ignição desligada, desconecte o multi-plug do sensor de posição da borboleta, cheque com o MULTITESTE a resistência dos terminais do sensor de posição da borboleta, opere a borboleta e cheque a resistência nos terminais conforme figura acima representados que deve coincidir com a resistência da tabela. |
Tabela
| Terminais Condição Resistência |
| 3 & 7 Borboleta fechada zero |
| 3 & 7 Borboleta aberta Infinita |
10- Como testar Sensor de Fluxo da Massa de Ar
Checando operação - sem turbo
TESTANDO |
1- Ignição desligada, desconecte o muli-plug do sensor MAF ligue o motor cheque a voltagem dos terminais e terra do multi-plug com MULTITESTE DIGITAL confira com a tabela a baixo. |
Tabela
| Terminais Condição Voltagem |
| 3 & terra motor ligado voltagem da bateria |
Como testar voltagem sem turbo

TESTANDO |
1- O motor deve estar na temperatura normal de funcionamento ignição desligada, não desconecte o multi-plug do sensor MAF apenas o exponha, ligue o motor e deixe na lenta checar a voltagem com um MULTITESTE DIGITAL nos terminais do multi-plug, aumente o rpm até os valores especificados na tabela, cheque a voltagem dos terminais do multi-plug, confira com a tabela . |
Tabela
| Terminais Condição Voltagem |
| 1 & 2 Marcha Lenta 1,3 V aproxi |
| 1 & 2 2000 rpm 1,6 V aproxi |
| 1 & 2 4000 rpm 2,2 V aproxi |
Como testar a conexão do terra com Turbo
TESTANDO |
1 - Ignição desligada, desconecte o multi-plug cheque com o MULTITESTE DIGITAL a resistência (1) dos Terminais do multi-plug e terra, deve coincidir com a tabela abaixo |
Tabela
| Terminais Resistência |
| 1 & terra zero |
Como testar suprimento de voltagem com turbo
TESTANDO |
1- Ignição desligada, desconecte o muli-plug do sensor MAF, ignição ligada motor parado, ligue o motor cheque a voltagem(2) dos terminais e terra do multi-plug com MULTITESTE DIGITAL. |
Tabela
| Terminais Condição Voltagem |
| 3 & terra motor ligado voltagem da bateria |
| 3 & 1 motor ligado voltagem da bateria |
Como testar voltagem com turbo.
TESTANDO |
1- O motor deve estar na temperatura normal de funcionamento ignição desligada, não desconecte o multi-plug do sensor Maf o exponha e ligue o motor e deixe na lenta checar a voltagem (3) com um MULTITESTE DIGITAL nos terminais do multi-plug, aumente o rpm até os valores especificados na tabela, cheque a voltagem (3) dos terminais do multi-plug , confira com a tabela . |
Tabela
| Terminais Condição Voltagem |
| 2 & 4 motor ligado 1,3 V aproxi |
| 2 & 4 2000 rpm 1,6 V aproxi |
| 2 & 4 4000 rpm 2,2 V aproxi |
11)- Como testar sensor de temperatura do ar

TESTANDO |
1 - Ignição desligada, desconecte o mutli-plug do sensor de temperatura do ar, cheque a temperatura do ar ambiente, cheque a resistência dos terminais do sensor de temperatura do ar com um MULTITESTE DIGITAL confira com as especificações na tabela abaixo. |
Tabela
| Temperatura Resistência |
| 20°C 1600-2800 W |
12)- Como testar Atuador de controle da marcha lenta.

TESTANDO |
1 - Ignição desligada, desconecte o mutli-plug do atuador de controle da marcha lenta, checar a resistência nos terminais do atuador com um MULTITESTE DIGITAL, confira com as especificações na tabela abaixo. |
Tabela
| Terminais Resistência |
| 1 & 2 3-200 W |
13) - Como testar Sensor da posição do atuador de controle da marcha lenta.
A resistência depende da posição atuador da marcha lenta

TESTANDO |
1 - Ignição desligada, desconecte o mutli-plug do sensor da posição da válvula de controle de ar da lenta, checar a resistência nos terminais do Sensor confira com as especificações na tabela abaixo com um MULTITESTE. |
Tabela
| Terminais Resistência |
| 4 & 7 1000 W |
| 7 & 8 1200 W |
14) - Como testar válvula da Regulagem de pressão do turbo

Checando a resistência.
TESTANDO |
1 - Ignição desligada, desconecte o mutli-plug da válvula de pressão do turbo, cheque com um MULTITESTE a resistência dos terminais da válvula, confira com as especificações na tabela abaixo. |
Tabela
| Resistência 25-35 W |
Como testar suprimento de voltagem
TESTANDO |
1- Ignição desligada, desconecte o muli-plug da válvula de Regulagem de pressão do turbo, ligue o motor, cheque a voltagem dos terminais e terra do multi-plug com MULTITESTE DIGITAL. |
Tabela
| Terminais Condição Voltagem |
| 1 & terra motor ligado voltagem da bateria |
15) - Como testar Sensor de pressão Barométrica. (BARO) com TURBO.

TESTANDO |
1 - Ignição desligada, desconecte o mutli-plug do sensor BARO, cheque a resistência dos terminais,1 & 2 do Sensor assopre na entrada do barômetro Como especificado na figura acima (A), cheque a resistência com um MULTITESTE dos terminais novamente confira com as especificações na tabela abaixo. |
Tabela
| Terminais Condição Resistência |
| 1 & terra - 1200 W aproxi. |
| 1 & 3 - 2650 W aproxi |
| 2 & 3 - 2370 W aproxi |
| 1 & 2 veja o texto mudando |
Como testar suprimento de voltagem

TESTANDO |
1- Ignição desligada, desconecte o muli-plug do BARO, ignição ligada motor parado, cheque a voltagem dos terminais e terra do multi-plug com MULTITESTE DIGITAL , |
Tabela
| Terminais Condição Voltagem |
| 1 & 3 ignição ligada 5 V aproxi |
| 2 & 3 ignição ligada 5 V aproxi |

Checando sem turbo
TESTANDO |
1 Bobina de ignição é incorporada ao amplificador de ignição, as resistências primárias e secundárias devem ser bem checadas. |
Checar resistência do primário com turbo

TESTANDO |
1 Ignição desligada, desconectar o multi-plug da bobina de ignição, cheque a resistência dos terminais do cabo de baixa tensão da bobina de ignição com o MULTITESTE DIGITAL, confira resistência com a tabela . |
Resistência primária tabela
| Terminais Resistência |
| 1 & 15 0,4-0,6 W |
Checando resistência secundária com turbo
(Resistência secundária não pode ser conferida)
Como testar suprimento de voltagem sem turbo

TESTANDO |
1 Ignição desligada, desconectar o multi-plug da bobina de ignição, ignição ligada motor parado, cheque a voltagem dos terminais e terra do multi-plug da bobina de ignição com o MULTITESTE DIGITAL confira voltagem com a tabela, se a voltagem não for a mesma especificada cheque cabos e fusíveis. |
Tabela
| Terminais Condição Voltagem |
| 4a & terra Ignição ligada Voltagem da bateria |
Como testar suprimento de voltagem com turbo.

TESTANDO |
1 Ignição desligada, desconectar o multi-plug da bobina de ignição, ignição ligada motor parado cheque a voltagem dos terminais e terra do multi-plug da bobina de ignição com o MULTITESTE DIGITAL confira voltagem com a tabela, se a voltagem não for a mesma especificada cheque cabos e fusíveis. |
Tabela
| Terminais Condição Voltagem |
| 15 & terra Ignição ligada Voltagem da Bateria |
Como testar conexão do terra com turbo.
TESTANDO |
1 Ignição desligada, desconectar o multi-plug da bobina de ignição, cheque a resistência dos terminais e terra do multi-plug da bobina de ignição com o MULTITESTE DIGITAL confira resistência com a tabela, se a resistência não for a mesma especificada cheque cabos e fusíveis. |
Tabela
| Terminais Resistência |
| 4a & terra Zero |
17)- Como testar Módulo de Potência
Como testar suprimento de voltagem com turbo. (O suprimento de voltagem é proviniente da bobina de ignição do terminais 15 do circuito primário.)

TESTANDO |
1- Ignição desligada, desconecte o multi-plug do módulo de Potência de 4 pinos, ignição ligada e motor parado, conecte a PONTA DE PROVA nos terminais e terra do multi-plug, cheque se os leds iluminam. |
Tabela
| Terminais Condição led |
| 1 & terra Ignição ligada motor parado ligado |
| 2 & terra Ignição ligada motor parado ligado |
| 3 & terra Ignição ligada motor parado ligado |
| 4 & terra Ignição ligada motor parado ligado |
Como testar o sinal sem turbo
TESTANDO |
1- Ignição desligada, desconecte o multi-plug do módulo de potência, conecte a PONTA DE PROVA nos terminais e terra do multi-plug, ligue o motor, cheque se os leds piscam. |
Tabela
| Terminais Condição Led |
| 1 & terra Motor ligado Piscando |
| 15 & terra Motor ligado Piscando |
Como testar o sinal com turbo

TESTANDO |
1- Ignição desligada, desconecte o multi-plug do módulo de potência de 5 pinos, conecte a PONTA DE PROVA nos terminais e terra do multi-plug, ligue o motor, cheque se os leds iluminam. |
Tabela
| Terminais Condição Led |
| 1 & terra Motor ligado Piscando |
| 2 & terra Motor ligado Piscando |
| 4 & terra Motor ligado Piscando |
| 5 & terra Motor ligado Piscando |

Testando |
1 Ignição desligada, desconecte o multi-plug do sensor ECT, alivie a pressão do sistema de arrefecimento, remova do motor o sensor de temperatura da água (ECT), emirja o sensor ECT em água em temperaturas especificadas pela tabela abaixo, com o MULTITESTE DIGITAL.. |
Tabela
| Temperatura Resistência |
| 0° 5000-6500 W |
| 10°C 3250-4400 W |
| 20°C 2200-3000 W |
| 40°C 1000-1400 W |
| 60°C 540-675 W |
| 80°C 275-375 W |
| 90°C 205-290 W |
| 100°C 160-220 W |
19) - Como testar Sensor da posição da árvore de manivelas (CKP)
CKP sensor incorpora sensor RPM.

TESTANDO |
1 Ignição desligada, desconecte o multi-plug do sensor da posição da árvore de manivelas, cheque a resistência dos terminais do Sensor com o MULTITESTE DIGITAL, deve conferir com a resistência especificada na tabela abaixo . |
Tabela
| Terminais Resistência |
| 1 & 2 480-1000 W |
| 1 & 3 Infinita |
| 2 & 3 Infinita |
20) - Como testar o sensor da posição do eixo de Comando.(CMP)

TESTANDO |
1 Ignição desligada, desconecte o multi-plug do sensor da posição do eixo de comando, ignição ligada motor parado, cheque a resistência dos terminais e terra do multi-plug com o MULTITESTE DIGITAL, deve conferir com a resistência especificada na tabela abaixo . |
Tabela
| Terminais Resistência |
| 3 & terra zero |
Como testar suprimento de voltagem
TESTANDO |
1 Ignição desligada, desconecte o multi-plug do sensor da posição do eixo de comando, ignição ligada motor parado, cheque a voltagem dos terminais e terra do multi-plug com o MULTITESTE DIGITAL, deve conferir com a voltagem especificada na tabela abaixo . |
Tabela
| Terminais Voltagem |
| 1 & 3 4,5-5,5 V |
| 2 & 3 Voltagem da bateria |
Como testar o sinal

TESTANDO |
1 Ignição desligada, não desconecte o multi-plug do sensor da posição do eixo de comando apenas exponha os terminais, utilize a PONTA DE PROVA e confira os terminais do multi-plug ligue o motor, cheque se os leds estão piscando . |
Tabela
| Terminais Condição Led |
| 1 & 2 Motor ligado Piscando |
21) - Como testar sensor de Detonação. (KS)

TESTANDO |
1 Ignição desligada, desconecte o multi-plug do sensor de Detonação, remova o sensor de Detonação assegure-se que o bloco e os cilindros estejam ajustados e que não tenha corrosão entre suas faces recoloque o sensor dando o torque especificado pelo fabricante. |
Tabela
| Torque 20 Nm |
22) - Como testar sensor de oxigênio aquecido

Checando suprimento de voltagem.
TESTANDO |
1 Ignição desligada, desconecte o multi-plug do sensor de oxigênio, ignição ligada motor parado, cheque com o MULTITESTE DIGITAL a voltagem (1) dos terminais do multi-plug, que devem coincidir com a tabela abaixo . |
Tabela
| Terminais Condição Voltagem |
| 3 & 4 Ignição ligada motor parado Voltagem da bateria |
Como testar operação

TESTANDO |
1 Motor na temperatura normal de funcionamento, ligue o motor, deixe na lenta, desconecte o multi-plug do HO2S, cheque a voltagem dos terminais e terra do Sensor . |
Tabela
| Terminais Condição Voltagem |
| 4 & terra Motor na lenta 0,1-0,8 V (flutuando) |
23) - Como testar o aquecedor do sensor de oxigênio.

TESTANDO |
1 Ignição desligada, desconecte o multi-plug do sensor da HO2S, cheque a resistência dos terminais do sensor com o MULTITESTE DIGITAL, deve conferir com a resistência especificada na tabela abaixo . |
Tabela
| Terminais Temperatura Resistência |
| 1 & 2 20°C 1- 5 W |
Como testar Suprimento de voltagem
TESTANDO |
1 Ignição desligada, desconecte o multi-plug do HO2S, utilize a PONTA DE PROVA e confira os terminais do multi-plug, ligue o motor, cheque se os leds estão ligados .Se os leds não estiverem ligados, confira os cabos e fusíveis. |
Tabela
| Terminais Condição Led |
| 1 & terra Motor ligado Ligado |
24) - Como testar válvula de canister (EVAP)

TESTANDO |
1 Ignição desligada, desconecte o multi-plug da válvula (EVAP), cheque com o MULTITESTE DIGITAL a resistência dos terminais da válvula de canister, que devem coincidir com a tabela abaixo. |
Tabela
| Resistência 22-30 W |
Como testar suprimento de voltagem
TESTANDO |
1 Ignição desligada, desconectar o multi-plug da válvula (EVAP), faça o motor girar por alguns segundos, cheque a voltagem dos terminais e terra do multi-plug da válvula de canister com o MULTITESTE DIGITAL confira voltagem com a tabela, se a voltagem não for a mesma especificada cheque cabos e fusíveis. |
Tabela
| Terminais Condição Voltagem |
| 1 & terra Motor ligado Voltagem da Bateria |
25) - Como testar relé da bomba de combustivel

Como testar operação (1)
TESTANDO |
1 Ignição desligada, remova o relé cheque a resistência dos terminais do relé com o MUTLITESTE DIGITAL, conecte suprimento da bateria nos terminais especificados do relé, confira os testes com a tabela abaixo. |
Tabela
| Terminais Condição Resistência |
| 30 & 87a Bateria desconectada ¥ Infinita |
| 30 & 87f Bateria desconectada ¥ Infinita |
| 30 & 87a Bateria conectada Zero |
| 30 & 87f Bateria conectada Zero |
| Bateria + no terminal 15 |
| Bateria no terminal S |
Como testar suprimento de voltagem(2)
TESTANDO |
1 Ignição ligada motor parado, relé deve estar operando, se o relé não estiver funcionando cheque cabos e fusíveis, desligue a ignição, remova o relê, cheque a voltagem dos terminais e terra na base do relé, ignição ligada motor parado, cheque a voltagem dos terminais e terra na base do relé, se a voltagem não for a mesma especificada na tabela, confira cabos e fusíveis . |
Tabela
| Terminais Condição Voltagem |
| 32 & terra Motor desligado Voltagem da Bateria |
| 28 & terra Motor ligado Voltagem da Bateria |
26) - Como testar unidade central (ECM)

TESTANDO |
1- Ignição desligada, desconecte o multi-plug da UNIDADE CENTRAL cheque com o MULTITESTE DIGITAL a voltagem dos terminais do multi-plug e terra, ignição ligada motor parado, cheque os terminais do multi-plug e terra com MULTITESTE DIGITAL, se a voltagem não for a mesma especificada na tabela confira os cabos e fusíveis . |
Tabela
| Terminais Condição Voltagem |
| D9 & terra Ignição desligada Voltagem da bateria |
| D10 & terra Ignição ligada Voltagem da bateria |
Como testar a conexão do terra
TESTANDO |
1 - Ignição desligada, desconecte o multi-plug da ECM cheque com o MULTITESTE DIGITAL a resistência dos terminais do multi-plug e terra, se a resistência não for a mesma especificada na tabela confira os cabos e fusíveis. |
Tabela
| Terminais Resistência |
| D11 & terra zero |
| D12 & terra zero |
| E11 & terra zero |
| E12 & terra zero |
27) - Como testar sensor de velocidade do veiculo (VSS)

TESTANDO |
1 - Ignição desligada, desconecte o multi-plug da unidade central, utilize a PONTA DE PROVA e teste os terminais, ignição ligada motor parado, eleve o veiculo gire a roda direita do veiculo cheque se os leds piscam . |
Tabela
| Roda girando Direita e frontal |
| Terminais Condição Led |
| D9 & C13 Roda girando Piscando |