CAPÍTULO 14
APLICATIVOS RENAUL
Siemens/Fenix 5
MEGANE 2.0 16V F7R D710 1996 em diante
COMO FUNCIONA ESTE SISTEMA
| ¤ Este sistema é multiponto seqüencial , com 4 válvulas injetoras que possui
autodiagnose ou seja que caso tenha alguma falha possui uma lâmpada de falha no painel de
instrumento. O sistema armazena os dados que poderão ser diagnosticado com o sistema do
código de falhas.
¤ A unidade central opera no modo emergência quando um sensor falha, assim o motorista conseguirá levar o carro até a oficina. ¤ Unidade central é incorporada com a função alto diagnose |
Megane 2.0 16 V

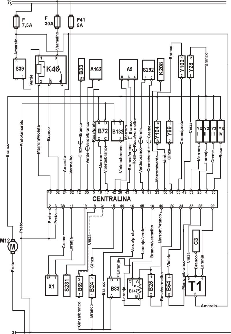
| 1 Sensor da posição do eixo do comando | 2 Sensor da posição do eixo de manivelas |
| 3 Caixa de fusíveis | 4 Unidade central |
| 5 Relé da unidade central | 6 Sensor de temperatura da água |
| 7 Válvula de canister | 8 Válvula de escape |
| 9 Filtro de gasolina no tanque | 10 Regulador de pressão da gasolina |
| 11 Bomba de combustível | 12 Sensor de oxigênio |
| 13 Válvula de controle da lenta | 14 Bobina de ignição |
| 15 Interruptor de combustível por inércia | 16 Válvula injetora. |
| 17 Sensor de temperatura do ar. | 18 Controle do solenóide |
| 19 Sensor de detonação | 20 Sensor de pressão absoluta (MAP) |
| 21 Interruptor de pressão da direção hidráulica . | 22 Sensor de posição da borboleta |
| 23 Sensor de velocidade do automóvel | |
CODIGO DISCRIÇÃO DO COMPONENTE.
A5 |
Painel de Instrumentos. |
A35 |
Unidade Central. |
A57 |
Módulo de controle da transmissão |
A162 |
Módulo de controle imobilização |
B24 |
Censor de temperatura da água. |
B25 |
Censor da temperatura do ar. |
B33 |
Sensor de velocidade |
B54 |
Sensor da posição do eixo de Manivelas |
B69 |
Sensor de Detonação |
B72 |
Sonda Lambda. |
B75 |
Sensor da velocidade do motor |
B83 |
Sensor de pressão absoluta. |
B132 |
Sensor da posição do eixo de comando |
B147 |
Sensor da Posição da Borboleta. |
C3 |
Supressor |
F |
Fusível. |
K46 |
Relé do módulo Central. |
K 208 |
Relé da temperatura da água do motor |
M12 |
Bomba de Combustivel. |
S39 |
Interruptor de combustível por inércia |
S231 |
Guia do interruptor de pressão |
S292 |
Controle do aquecedor |
T1 |
Bobina de Ignição |
X1 |
Conector da unidade central |
Y3 |
Válvulas Injetoras. |
Y28 |
Válvula de escape |
Y99 |
Válvula do Controle da Marcha Lenta. |
Y102 |
Entrada de ar do solenóide |
Y104 |
Válvula de Canister. |
15 |
Ignição ligada motor parado. |
30 |
Positivo da Bateria (+) |
31 |
Negativo da Bateria (-) |

ESQUEMA ELÉTRICO DO MEGANE 2.0 16V APÓS 1996.

PROBLEMA |
POSIVEIS CAUSAS |
| MOTOR NÃO PEGA | 1 Examinar
bateria e suas conexões. 2 Unidade central, conector e fios. 3 Condições do filtro de gasolina 4 Condições das conexões da bomba de gasolina 5 Sensor de temperatura da água 6 Entrada falsa de ar no Sistema Estanqueidade 7 Sensor de pressão absoluta. 8 Válvula de controle do ar da lenta 9 Regulador de pressão de combustivel. 10 Verificar válvulas injetoras 11 Sensor de velocidade. 12 Conector da unidade central |
| MOTOR COM DIFICULDADE PARA PEGAR. | 1 Examinar
bateria e suas conexões. 2 Unidade central, conector e fios. 3 Condições do filtro de gasolina 4 Condições das conexões da bomba de gasolina 5 Sensor de temperatura da água 6 Entrada falsa de ar no Sistema Estanqueidade 7 Sensor de pressão absoluta. 8 Válvula de controle do ar da lenta 9 Regulador de pressão de combustivel. 10 Verificar válvulas injetoras 11 Sensor de velocidade. 12 Conector da unidade central |
| MOTOR PEGA MAS LOGO APÓS MORRE. | 1 Examinar
bateria e suas conexões. 2 Válvula de canister 3 Válvula de controle do ar da lenta 4 Sensor da posição da válvula de canister. 5 Entrada falsa de ar no Sistema Estanqueidade 6 Conector da unidade central |
| MOTOR COMEÇA A FALHAR NA LENTA QUANDO FRIO. | 1
Válvula de controle do ar da lenta 2 Entrada falsa de ar no Sistema Estanqueidade 3 Sensor da posição da válvula de canister. 4 Conector da unidade central |
| MARCHA LENTA IRREGULAR | 1 Entrada
falsa de ar no Sistema Estanqueidade 2 Unidade central, conector e fios. 3 Regulador de pressão de combustivel. 4 Condições do filtro de gasolina 5 Condições das conexões da bomba de gasolina 6 Verificar válvulas injetoras 7 Válvula de controle do ar da lenta 8 Sensor da posição da válvula de canister 9 Válvula de canister 10 Conector da unidade central |
| MARCHA LENTA MUITO BAIXA | 1
Válvula de controle do ar da lenta 2 Sensor da posição da válvula de canister 3 Válvula de canister 4 Sensor de temperatura da água 5 Conector da unidade central |
| MARCHA LENTA MUITO ALTA | 1
Válvula de controle do ar da lenta 2 Sensor da posição da válvula de canister 3 Entrada falsa de ar no Sistema Estanqueidade 4 Válvula de canister 5 Sensor de temperatura da água 6 Conector da unidade central |
| VACILANDO NA ACELERAÇÃO (POBRE) | 1 Unidade
central, conector e fios. 2 Sensor de velocidade 3 Sensor de temperatura da água 4 Sensor de temperatura do ar 5 Conector da unidade central |
| FREQUENTE CORTE DE COMBUSTIVEL | 1 Entrada
falsa de ar no Sistema Estanqueidade 2 Unidade central, conector e fios 3 Válvula de controle do ar da lenta 4 Conector da unidade central |
| MOTOR COM RETROCESSO DE EXPLOSÃO | 1 Sensor
de pressão absoluta. 2 Sensor de temperatura da água 3 Válvula de canister 4 Regulador de pressão de combustivel. 5 Condições do filtro de gasolina 6 Condições das conexões da bomba de gasolina 7 Verificar válvulas injetoras 8 Sensor de temperatura do ar 9 Conector da unidade central |
| FALHANDO | 1 Unidade
central, conector e fios. 2 Sensor de temperatura da água 3 Verificar válvulas injetoras 4 Entrada falsa de ar no Sistema Estanqueidade 5 Conector da unidade central |
| NIVEL DE CO MUITO ELEVADO | 1 Unidade
central, conector e fios 2 Entrada falsa de ar no Sistema Estanqueidade 3 Sensor de temperatura da água 4 Sensor de temperatura do ar 5 Condições do filtro de gasolina 6 Condições das conexões da bomba de gasolina 7 Verificar válvulas injetoras 8 Sensor de oxigênio 9 Conector da unidade central |
| FALTA DE POTENCIA EM BAIXA ROTAÇÃO | 1 Sensor
de temperatura da água 2 Condições do filtro de gasolina 3 Condições das conexões da bomba de gasolina 4 Regulador de pressão de combustivel. 5 Verificar válvulas injetoras 6 Conector da unidade central |
| FALTA DE POTENCIA EM BAIXA ROTAÇÃO | 1 Unidade
central, conector e fios 2 Entrada falsa de ar no Sistema Estanqueidade 3 Sensor de temperatura da água 4 Sensor de temperatura do ar 5 Conector da unidade central |
| CHEIRO DE ÓLEO | 1 Sensor de temperatura da água |
| SUPER AQUECENDO | 1 Entrada
falsa de ar no Sistema Estanqueidade 2 Sensor de oxigênio |
| NIVEL DE CO MUTIO BAIXO | 1 Entrada
falsa de ar no Sistema Estanqueidade 2 Unidade central, conector e fios 3 Sensor de oxigênio 4 Conector da unidade central |
| ECESSO DE CONSUMO DE COMBUSTÍVEL | 1 Unidade
central, conector e fios 2 Condições do filtro de gasolina 3 Condições das conexões da bomba de gasolina 4 Regulador de pressão de combustivel 5 Verificar válvulas injetoras 6 Sensor de temperatura do ar 7 Sensor da posição da válvula de canister 8 Válvula de canister 9 Sensor de detonação 10 Conector da unidade central |
| BATENDO PINO | 1 Entrada
falsa de ar no Sistema Estanqueidade 2 Unidade central, conector e fios 3 Sensor de detonação 4 Válvula de controle do ar da lenta 5 Válvula de canister 6 Sensor de velocidade 7 Conector da unidade central |
| MOTOR CORRENDO | 1 Sensor
de pressão absoluta. 2 Válvula de canister 3 Sensor de temperatura da água 4 Sensor de temperatura do ar 5 Verificar válvulas injetoras 6 Conector da unidade central |
COMO TESTAR OS COMPONENTES
TESTANDO |
1 A marcha lenta é eletronicamente controlada, sem ajuste possível, velocidade da lenta não especificada : Cheque vazamento de ar no sistema de estanqueidade, teste os componentes elétricos com um MULTITESTE DIGITAL> |
Tabela
| Todos modelos 850± 50 rpm |
TESTANDO |
1 O nível de CO é controlado eletronicamente, sem ajuste possível, nível de CO fora do especificado: cheque vazamento de ar no sistema estanqueidade, teste os cabos e componentes elétricos com um MULTITESTE DIGITAL. |
Tabela
| Todos os modelos 0,5 % máximo- na ponta da mangueira |
3)- Como testar posição inicial do regulador de pressão
TESTANDO |
1 Posição inicial do regulador de pressão pré- fixada pelo fabricante, sem ajuste possível. |
4)- Como testar pressão da gasolina

TESTANDO |
1 Ignição desligada, conecte um MANÔMETRO no conector Schrader, ligue o motor, deixe na lenta, desconecte a mangueira de vácuo do regulador de pressão de combustível, compare a pressão medida, com a especificada na tabela, reconecte a mangueira de vácuo, compare novamente as medidas, desconecte a mangueira de retorno e feche-a confira os dados abaixo, estanque o retorno de combustivel e verifique a pressão . |
Tabela.
| Sistema Condições Valores |
| Sistema Vácuo desligado 3,0 ± 0,2 bar |
| Regulado Vácuo Ligado 2,5 ± 0,2 bar |
| Bomba ligada Retorno trancado 4,5-7,5 bar |
5)- Como testar a vazão da Bomba de Combustivel.

TESTANDO |
1 - Ignição desligada, desconecte a mangueira de retorno, insira no fim do tubo de testes um frasco de medidas, remova o relé da bomba de combustivel, faça um jump na base do relé terminal 3 & 5 Como na figura acima e opere a bomba por alguns segundos e confira dados abaixo. |
Tabela
| Taxa de Vazão min. 0,33 litro / 15 secs |
6)- Como testar válvulas injetoras

TESTANDO |
1 Ignição desligada, desconecte o multi-plug da válvula injetora e com um MULTITESTE DIGITAL cheque a resistência dos terminais da válvula indicados na figura acima. |
Tabela
| Resistência 14 a 16 W |
7)- Como testar funcionamento bomba de combustivel

TESTANDO |
1 Ignição ligada motor parado, a bomba de combustível deve funcionar durante 1 segundo se a bomba não funcionar, ignição desligada, remova o relé da bomba de combustível, faça um jump entre os terminais 3 & 5 do relé da bomba de combustível a bomba de deve funcionar continuamente quando o jump é feito. |
8)- Como testar Sensor da posição da borboleta. (TP)

Checando Operação
TESTANDO |
1 Ignição desligada, desconecte o multi-plug do sensor de posição da borboleta, cheque com o MULTITESTE a resistência dos terminais do sensor de posição da borboleta, opere a borboleta e cheque a resistência nos terminais A & B na figura acima representados que deve coincidir com a resistência da tabela, opere a borboleta e cheque a resistência nos terminais B & C na figura acima representados que deve coincidir com a resistência especificada na tabela abaixo . |
Tabela
| Terminais Condição Resistência |
| A & B Borboleta fechada 1220 W |
| A & C Borboleta fechada 1120 W |
| B & C Borboleta fechada 2200 W |
| A & C Borboleta totalmente aberta 2200 W |
| B & C Borboleta totalmente aberta 1320 W |
Como testar suprimento de voltagem
TESTANDO |
1 Ignição desligada, desconecte o multi-plug do sensor de posição de borboleta, ignição ligada motor parado, cheque com o MULTITESTE a voltagem dos terminais do multi-plug confira com as especificações na tabela abaixo. |
Tabela
| Terminais Condição Voltagem |
| A & B ignição ligada 5 V |
9)- Como testar sensor de pressão absoluta MAP

TESTANDO |
1 Confira a mangueira de vácuo contra algum vazamento, se houver vazamento, substitua a mangueira. |
Como testar suprimento de voltagem
TESTANDO |
1 Ignição desligada, desconecte o multi-plug do sensor (MAP), acione a ignição cheque com o MULTITESTE DIGITAL a voltagem dos terminais e terra do mutli-plug conforme a tabela abaixo. |
Tabela
| Terminais Condição Voltagem |
| A & C Ignição ligada 5 V |
Como testar a operação
TESTANDO |
1 Ignição desligada, remova a mangueira de vácuo do sensor MAP, não desconecte o multi-plug apenas o exponha, ligue o motor, eleve o giro do motor em varias rotações, cheque com o MULTITESTE DIGITAL a voltagem dos terminais do multi-plug conforme a tabela abaixo . |
Tabela
| Terminais Condição Voltagem |
| B & terra Motor girando 0,25,0 V flutuando |
10)- Como testar sensor de temperatura do ar ( IAT)

TESTANDO |
1 - Ignição desligada, desconecte o mutli-plug do sensor de temperatura do ar, e com MULTITESTE DIGITAL confira a resistência nos terminais do sensor com as especificações na tabela abaixo. |
Tabela
| Temperatura Resistência |
| 0°C 7470-11970 W |
| 20°C 3060-4045 W |
| 40°C 1315-1600 W |
11)- Como testar Válvula de controle do ar da Marcha lenta. (IAC)

TESTANDO |
1 - Ignição desligada, desconecte o mutli-plug da válvula de controle de ar da lenta, e com um MULTITESTE DIGITAL confira a resistência nos terminais da válvula com as especificações na tabela abaixo. |
Tabela
| Resistência 8,5 a 10,5 W |
12)- Como testar o solenóide do controle da marcha lenta.

TESTANDO |
1 - Ignição desligada, desconecte o mutli-plug do solenóide cheque a resistência dos terminais do solenóide com o MULTITESTE DIGITAL, confira com as especificações na tabela abaixo. |
Tabela
| Resistência 27-33 W |
13)- Como testar bobina de ignição

1 Ignição desligada, remova o protetor do motor, desconecte o multi-plug da bobina de ignição, ignição ligada motor parado cheque com o MULTITESTE DIGITAL a voltagem dos terminais do multi-plug e terra, e confira com a as especificações na tabela abaixo, se a voltagem não for a especificada cheque o s fusíveis e cabos . (Repita o teste em cada bobina) |
Tabela
| Terminais Condição Voltagem |
| 2 & terra Ignição desligada Voltagem da bateria |
Checar resistência do primário.
TESTANDO |
1 Ignição desligada, retire o protetor do motor, desconectar o multi-plug da bobina de ignição, cheque a resistência dos terminais da bobina de ignição com o MULTITESTE DIGITAL, confira resistência com a tabela . |
Tabela
| Terminais Resistência |
| 1 & 3 0,7 W Aproxi. |
| 1 & 4 0,7 W Aproxi |
| 2 & 4 0,7 W Aproxi |
| 2 & 3 0,7 W Aproxi |
Checando resistência secundária
TESTANDO |
1 Ignição desligada, retire o protetor do motor, desconectar o multi-plug da bobina de ignição, e remova a armação da bobina e cheque a resistência dos terminais da bobina de ignição com o MULTITESTE DIGITAL, confira resistência com a tabela . |
Tabela
| Terminais Resistência |
| 1 & 4 10000 W |
| 2 & 3 10000 W |
14)- Sensor de temperatura da água (ECT)

Testando |
1 Ignição desligada, desconecte o multi-plug do sensor ECT, alivie a pressão do sistema de arrefecimento, remova do motor o sensor de temperatura do motor (ECT) emirja o sensor ECT em água em temperaturas especificadas pela tabela abaixo, com o MULTITESTE DIGITAL.. |
Tabela
| Temperatura Resistência |
| Megane 2.0 16V. |
| 20°C 3060-4045 W |
| 40°C 1315-1600 W |
| 80°C 300-370 W |
| 90°C 210-270 W |
15)- Como testar Sensor da posição da árvore de manivelas (CKP)

TESTANDO |
1 Ignição desligada, desconecte o multi-plug do sensor da posição da árvore de manivelas, cheque a resistência dos terminais do sensor com o MULTITESTE DIGITAL, deve conferir com a resistência especificada na tabela abaixo . |
Tabela
| Resistência 200 W aproximadamente |
16)- Como testar o sensor da posição do eixo de Comando.(CMP)

TESTANDO |
1 Ignição desligada, não desconecte o multi-plug do sensor da posição do eixo de comando apenas exponha os terminais, ligue o motor e deixe na lenta cheque a voltagem dos terminais do multi-plug com o MULTITESTE DIGITAL, deve conferir com a voltagem especificada na tabela abaixo . |
Tabela
| Terminais Condição Voltagem |
| 1 & 3 Motor girando Voltagem da bateria |
17)- Como testar sensor de Detonação. (KS)

TESTANDO |
1 Ignição desligada, desconecte o multi-plug do sensor de Detonação, remova o sensor de Detonação assegure-se que o bloco e os cilindros estejam ajustados e que não tenha corrosão entre suas faces recoloque o sensor dando o torque especificado pelo fabricante. |
Tabela
| Torque 25 Nm |
18)- Como testar sensor de oxigênio

TESTANDO |
1 Ignição desligada, desconecte o multi-plug do sensor de oxigênio, ligue o motor deixe na lenta, cheque com o MULTITESTE DIGITAL a voltagem (1) dos terminais do sensor de oxigênio, que devem coincidir com a tabela abaixo . |
Tabela
| Terminais Condição Voltagem |
| A & B Marcha lenta Voltagem da bateria |
Como testar o sinal
TESTANDO |
1- Motor na temperatura normal de funcionamento, ignição desligada, não desconecte o multi-plug, ligue o motor e deixe na lenta checar a voltarem (2).aumente o giro do motor por 2 ou 3 minutos, depois o deixe na lenta novamente cheque com o MULTITESTE DIGITAL a voltagem do multi-plug nos terminais da base e terra Como indicado na figura acima, se a voltagem não coincidir com a especificada pela tabela. Cheque cabos e fusíveis . |
Tabela
| Terminais Condição Voltagem |
| C & D Marcha lenta 0,1-0,7 V (flutuando) |
| C & D 2500 rpm 0,1-0,7 V (flutuando) |
19)- Como testar a Válvula EGR.

TESTANDO |
1 Ignição desligada, desconecte o multi-plug da válvula de EGR, cheque a resistência dos terminais da EGR com o MULTITESTE DIGITAL, deve conferir com a resistência especificada na tabela abaixo . |
Tabela
| Resistência 27-33 W |
Como testar suprimento de voltagem
TESTANDO |
1 Ignição desligada, desconecte o multi-plug da válvula EGR, ligue o motor deixe na lenta, cheque com o MULTITESTE DIGITAL a voltagem dos terminais da válvula de escape, que devem coincidir com a tabela abaixo . |
Tabela
| Terminais Condição Voltagem |
| 2 & terra Marcha lenta Voltagem da bateria |
20)- Como testar válvula de canister (EVAP)

TESTANDO |
1 Ignição desligada, desconecte o multi-plug da válvula de canister, cheque com o MULTITESTE DIGITAL a resistência dos terminais da válvula de canister, que devem coincidir com a tabela abaixo . |
Tabela
| Resistência 30-40 W |
Como testar provisão de voltagem
TESTANDO |
1 Ignição desligada, desconecte o multi-plug da válvula de canister, ligue o motor e deixe na lenta, cheque com o MULTITESTE DIGITAL a voltagem dos terminais do multi-plug, que devem coincidir com a tabela abaixo. |
Tabela
| Terminais Condição Voltagem |
| A & terra Motor girando Voltagem da bateria |
21)- Como testar o relé da unidade central

TESTANDO |
1 Ignição desligada, remova o relé, cheque com o MULTITESTE DIGITAL a resistência dos terminais do relé. Confira na tabela .conecte a voltagem da bateria nos terminais do relé especificado cheque com o MULTITESTE DIGITAL a resistência dos terminais do relé. |
Tabela
| Terminais Condição Resistência |
| 3 & 5 Voltagem da bateria desconectada Infinita |
| 3 & 5 Voltagem da bateria conectada zero |
| Bateria + o terminal 1 |
| Bateria o terminal 2 |
Como testar provisão de voltagem

TESTANDO |
1 Ignição desligada, remova o relé, cheque com o MULTITESTE DIGITAL a voltagem do relé nos terminais da base e terra, ligue o motor e cheque novamente se a voltagem não for a especificada checar os cabos e fusíveis . |
Tabela
| Terminais Condição Voltagem |
| 1 & terra Ignição ligada Voltagem da bateria |
| 3 & terra Ignição desligada Voltagem da bateria |
22)- Como testar unidade central (ECM)

TESTANDO |
1- Ignição desligada, desconecte o multi-plug cheque com o MULTITESTE DIGITAL a voltagem dos Terminais do relé e terra, acione a ignição, cheque os terminais do multi-plug e terra com MULTITESTE DIGITAL, se a voltagem não for a mesma especificada na tabela confira os cabos e fusíveis . |
Tabela
| Terminais Condição Voltagem |
| 32 & terra Ignição desligada Voltagem da bateria |
| 24 & terra Ignição ligada Voltagem da bateria |
Como testar a conexão do terra
TESTANDO |
1 - Ignição desligada, desconecte o multi-plug cheque com o MULTITESTE DIGITAL a voltagem dos terminais do multi-plug e terra, se a voltagem não for a mesma especificada na tabela confira os cabos e fusíveis. |
Tabela
| Terminais Voltagem |
| 2 & terra zero |
| 3 & terra zero |
Como testar Sensores do veiculo
23)- Como testar o interruptor de pressão da direção Hidráulica. (PSP)
TESTANDO |
1 Ignição desligada, desconecte o multi-plug do interruptor de pressão, ligue o motor o deixe na lenta cheque a resistência dos terminais do interruptor de pressão com MULTITESTE DIGITAL, de uma volta na direção e teste a resistência deve conferir com a tabela abaixo . |
Tabela
| Condições Resistência |
| Para frente ¥ |
| Direção girando zero |
24)- Como testar sensor de velocidade do veiculo (VSS)

TESTANDO |
1 - Ignição desligada, desconecte o multi-plug do sensor de velocidade, acione a ignição, cheque com o MULTITESTE DIGITAL a voltagem dos terminais do multi-plug |
Tabela
| Terminais Condição Voltagem |
| 1 & 3 Ignição ligada Voltagem da bateria |
Como testar conexão do terra
| TESTANDO |
1 - Ignição desligada, desconecte o multi-plug do VSS cheque com o MULTITESTE DIGITAL a resistência dos Terminais do multi-plug e terra, se a resistência não for a mesma especificada na tabela confira os cabos e fusíveis. |
Tabela
| Terminais Resistência |
| 3 & terra zero |