CAPÍTULO 10
APLICATIVOS RENAULT
BOSCH MONOPONTO
CLIO 1.2 E7F 750 1995-96
CLIO 1.4 E7J 710/711/718/719/754 1990 em diante.
EXTRA/EXPRESS 1.4 E7J724/720.
COMO FUNCIONA ESTE SISTEMA
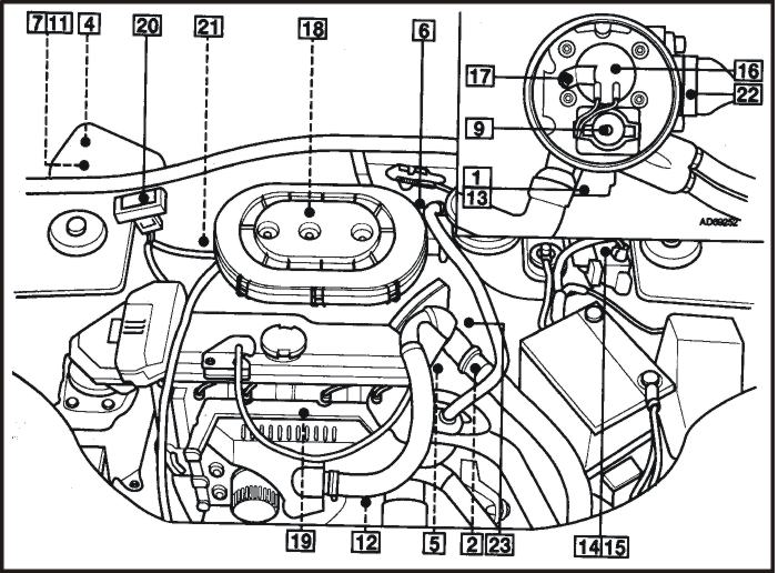
¤ Este sistema é monoponto intermitente , com uma válvula injetora que possui autodiagnose ou seja que caso tenha alguma falha possui uma lâmpada de falha no painel de instrumento. O sistema armazena os dados que poderão ser diagnosticado com o sistema do código de falhas que poderá ser obtido com um SCANNER. ¤ A unidade central opera no modo emergência quando um sensor falha, assim o motorista conseguirá levar o carro até a oficina. ¤ O modelo do conector de diagnóstico é o seguinte. |

| 1 Interruptor da posição da borboleta fechado. CTP | 2 Sensor da posição do eixo de manivela , |
| 3 Conector da caixa de fusíveis | 4 Unidade central ECM |
| 5 Sensor de temperatura da água ECT | 6 Válvula de canister EVAP |
| 7 Relê de controle do motor | 8 Filtro da gasolina |
| 9 Regulador da pressão do combustível | 10 Bomba de combustível no tanque. |
| 11 Relê da bomba de gasolina | 12 Sensor de oxigênio aquecido |
| 13 Atuador da marcha lenta | 14 Amplificador de ignição |
| 15 Bobina de ignição | 16 Válvula injetora |
| 17 Sensor da temperatura do ar | 18 Aquecedor múltiplo |
| 19 Sensor de detonação KS | 20 Sensor de pressão absoluta MAP |
| 21 Interrupto de pressão PSP da Direção Hidráulica | 22 Sensor de posição da borboleta. TP |
| 23 Sensor de velocidade do veiculo VSS | |
PROBLEMA |
POSSÍVEIS CAUSAS |
| MOTOR NÃO PEGA | 1 Examinar bateria e suas
conexões. 2 Unidade central, conector e fios. 3 Relê da bomba de combustível. 4 Sensor de temperatura da água 5 Entrada falsa de ar no Sistema Estanqueidade. 6 Sensor de temperatura do ar. 7 Atuador inativo do controle da lenta. 8 Sensor da posição do regulador de pressão 9 Verificar válvulas injetoras 10 Regulador de pressão de combustível. 11 Sensor de velocidade. 12 Conector da unidade central |
| MOTOR COM DIFICULDADE PARA PEGAR. | 1 Examinar bateria e suas
conexões. 2 Unidade central, conector e fios. 3 Relê da bomba de combustível. 4 Entrada falsa de ar no Sistema Estanqueidade. 5 Sensor de temperatura do ar. 6 Sensor de temperatura da água 7 Sensor de temperatura do ar 8 Sensor da posição do regulador de pressão 9 Atuador inativo do controle da lenta. 10 Regulador de pressão de combustível. 11 Sensor de velocidade. 12 Conector da unidade central |
| MOTOR PEGA MAS LOGO APÓS MORRE. | 1 Examinar bateria e suas
conexões. 2 Relê da bomba de combustível. 3 Emissão de vapor da válvula de canister. 4 Entrada falsa de ar no Sistema Estanqueidade. 5 Controlador da marcha lenta. 6 Sensor da posição do regulador de pressão 7 Regulador de pressão de combustível. 8 Sensor de velocidade. 9 Conector da unidade central |
| MOTOR COMEÇA A FALHAR NA LENTA QUANDO FRIO. | 1 Examinar bateria e suas
conexões. 2 Emissão de vapor da válvula de canister. 3 Entrada falsa de ar no Sistema Estanqueidade. 4 Entrada do aquecedor. 5 Sensor de temperatura da água 6 Sensor de temperatura do ar 7 Controlador da marcha lenta. 8 Válvula de canister 9 Regulador de pressão de combustível. 10 Conector da unidade central |
| MARCHA LENTA IRREGULAR | 1 Examinar bateria e suas
conexões. 2 Posição do cabo da Válvula de canister 3 Examinar o ajuste do cabo de estrangulamento. 4 Entrada falsa de ar no Sistema Estanqueidade. 5 Sensor de temperatura da água 6 Controlador da marcha lenta. 7 Válvula de canister 8 Conector da unidade central |
| FALHANDO | 1 Examinar bateria e suas
conexões. 2 Relê da bomba de combustível. 3 Entrada falsa de ar no Sistema Estanqueidade. 4 Válvula de canister 5 Verificar válvulas injetoras 6 Regulador de pressão de combustível. 7 Conector da unidade central |
| CONTINUA
FUNCIONANDO APÓS DESLIGADO |
1 Emissão de vapor da
válvula de canister. 2 Sensor de temperatura da água 3 Sensor de temperatura do ar 4 Verificar válvulas injetoras 5 Conector da unidade central |
| DESEMPENHO POBRE | 1 Examinar bateria e suas
conexões. 2 Relê da bomba de combustível. 3 Válvula de canister 4 Entrada falsa de ar no Sistema Estanqueidade. 5 Entrada do aquecedor. 6 Sensor de temperatura da água 7 Sensor da posição da válvula de canister. 8 Verificar válvulas injetoras 9 Regulador de pressão de combustível. 10 Conector da unidade central |
| CONSUMO EXCESSIVO DE COMBUSTÍVEL | 1 Examinar bateria e suas
conexões. 2 Relê da bomba de combustível. 3 Entrada falsa de ar no Sistema Estanqueidade. 4 Entrada do aquecedor. 5 Sensor de temperatura da água 6 Sensor da posição da válvula de canister. 7 Sensor de temperatura do ar 8 Verificar válvulas injetoras 9 Regulador de pressão de combustível. 10 Sensor de oxigênio. 11 Conversor catalítico |
| MOTOR BATENDO | 1 Entrada falsa de ar no
Sistema Estanqueidade. 2 Entrada do aquecedor 3 Regulador de pressão de combustível. 4 Conversor catalítico |
| MOTOR FALHANDO A TODAS VELOCIDADES | 1 Examinar bateria e suas
conexões. 2 Relê da bomba de combustível. 3 Entrada falsa de ar no Sistema Estanqueidade. 4 Sensor de temperatura do ar 5 Regulador de pressão de combustível. 6 Sensor de temperatura da água 7 Sensor da posição da válvula de canister. |
IDENTIFICAÇÃO DOS COMPONENTES DO ESQUEMA ELÉTRICO .
CÓDIGO DISCRIÇÃO DO COMPONENTE.
A5 |
Painel de Instrumentos. |
A35 |
Unidade Central ECM. |
A52 |
Amplificador de Ignição |
A57 |
Módulo de controle da transmissão |
A162 |
Módulo de controle imobilização |
B24 |
Censor de temperatura da água. |
B25 |
Censor da temperatura do ar. |
B33 |
Sensor de velocidade |
B54 |
Sensor da posição do eixo de Manivelas |
B69 |
Sensor de Detonação |
B72 |
Sonda Lambda. |
B83 |
Sensor de pressão absoluta. |
B147 |
Sensor da Posição da Borboleta. |
F |
Fusível. |
K20 |
Relê da Bomba de Combustível. |
K46 |
Relê do módulo Central. |
K 143 |
Relê do ar condicionado |
M1 |
Motor de ignição |
M12 |
Bomba de Combustível. |
P7 |
Tacômetro |
S57 |
Interruptor da borboleta fechada |
S284 |
Interruptor da borboleta aberta |
T1 |
Bobina de Ignição |
W3 |
Cabo sobressalente. |
X1 |
Conector da unidade central ALDL. |
Y3 |
Válvulas Injetoras. |
Y99 |
Válvula do Controle da Marcha Lenta. |
Y104 |
Válvula de Canister. |
15 |
Ignição ligada motor parado. |
30 |
Positivo da Bateria (+) |
31 |
Negativo da Bateria (-) |

Esquema elétrico do Clio 1.2 e 1.4 1995 a 1996.

Esquema elétrico do Clio 1.2 e 1.4 de 1996 em diante.

Condições de Trabalho
TESTANDO |
1 Motor funcionando na temperatura normal de funcionamento, o sistema de ignição deve estar em boas condições, Filtro do ar em boas condições, transmissão automática em N ou P, to sistema auxiliar incluindo ar condicionado devem estar desligados, a ventoinha do radiador não deve estar rodando durante os testes. |
TESTANDO |
1 A marcha lenta é eletronicamente controlada, sem ajuste possível, velocidade da lenta não especificada : Cheque vazamento de ar no sistema, estanqueidade, teste os componentes elétricos com a PONTA DE PROVA e com MULTITESTE DIGITAL. |
Tabela
| Modelos 1.2 750 ± 50 rpm |
| Modelos 1.4 825± 50 rpm |
TESTANDO |
1 O nível de CO é controlada eletronicamente, sem ajuste possível, nível de CO fora do especificado: cheque vazamento de ar no sistema , estanqueidade, teste os cabos e componentes elétricos com PONTA DE PROVA e com MULTITESTE DIGITAL.. |
| E7F 750 / E7J 754 MOTORES 0,3 % MAX- no fim do tubo |
| Exceto E7F 750 / E7J 754 MOTORES 0,5% MAX- no fim do tubo |
| 1 Posição inicial do regulador de pressão pré- fixada pelo fabricante, sem ajuste possível.. |

TESTANDO |
1 Ignição desligada, conecte um MANÔMETRO na mangueira de combustível, ligue o motor, deixe na marcha lenta, compare a pressão do MANÔMETRO e a especificada na tabela abaixo, agora fechar a mangueira de retorno comparar a pressão no MANÔMETRO e na especificação da tabela . |
| Pressão Condição Valor |
| Regular Marcha lenta 1,06 ± 0,05 Bar |
| Bomba livre Retorno fechado. 1,6 3,0 bar |

TESTANDO |
1 - Ignição desligada, desconecte a mangueira de retorno do corpo de borboleta , insira no fim do tubo de testes um frasco de medidas (1), insira o manômetro e remova o relê da bomba de combustível, faça um jump na base do relê terminal 3 & 5 como na figura acima (3) a bomba deve operar. |
| Vazão de Combustível min. 0,26 litro / 15 secs |

TESTANDO |
1 Ignição ligada motor parado, a bomba de combustível deve funcionar durante 5 segundos após a ignição ser acionada, depois se a bomba não funcionar desligue a ignição, remova o relê da bomba de combustível, acione a ignição novamente, faça um jump entre os terminais 3 & 5 do relê da bomba de combustível, a bomba deve funcionar continuamente quando o jump é feito |

TESTANDO |
1 Ignição desligada, desconecte o multi-plug do corpo da borboleta, cheque a resistência dos terminais indicados na figura acima. |
| Terminais Resistência |
| 2 & 3 1,2 ± 0,5 W |

TESTANDO |
1 Ignição desligada, desconecte o multi-plug do sensor da posição da borboleta, cheque com o MULTITESTE a resistência nos terminais do sensor, opere a válvula de controle de marcha lenta e cheque a resistência nos terminais 3 & 2 a variação deverá ser constante repita o teste no terminais 3 e 4 na figura acima representados que deve coincidir com a resistência especificada na tabela abaixo. |
| Terminais Condição Resistência |
| 3 & 6 Borboleta fechada mais que 800 W |
| 3 & 2 Borboleta Operando Variável |
| 3 & 4 Borboleta Fechada zero |
| 3 & 4 Borboleta totalmente Aberta Infinita |

TESTANDO |
1 Ignição desligada, desconecte o multi-plug do sensor da posição da Borboleta, ignição ligada motor parado, cheque com o MULTITESTE a voltagem dos terminais do multi-plug confira com as especificações na tabela abaixo. |
| Terminais Condição Voltagem |
| 3 & 6 ignição ligada 5 V |

TESTANDO |
1 Ignição desligada, desconecte o multi-plug do sensor da posição da borboleta, cheque com o MULTITESTE a resistência nos terminais do sensor, opere a válvula de controle de marcha lenta e cheque a resistência nos terminais 1 & 2 a variação deverá ser constante repita o teste no terminais 1 e 5 na figura acima representados que deve coincidir com a resistência especificada na tabela abaixo. |
| Terminais Condição Resistência |
| 1 & 4 Borboleta fechada mais que 800 W |
| 1 & 2 Borboleta Operando Variável |
| 1 & 5 Borboleta Fechada zero |
| 1 & 5 Borboleta totalmente Aberta Infinita |
Como testar suprimento de voltagem (
Extra/Express.)
TESTANDO |
1 Ignição desligada, desconecte o multi-plug do sensor da posição da Borboleta, ignição ligada motor parado, cheque com o MULTITESTE a voltagem dos terminais do multi-plug confira com as especificações na tabela abaixo. |
| Terminais Condição Voltagem |
| 1 & 4 Ignição ligada 5 V |
OBS:O interruptor (CTP) esta incorporado ao atuador da marcha lenta (ISC).


TESTANDO |
1 - Ignição desligada, desconecte o multi-plug do atuador da marcha lenta ISC, cheque com o MULTITESTE os terminais do atuador faça funcionar a borboleta e confira a resistência dos terminais 3 & 4 confira os dados abaixo. |
| Terminais Condição Resistência |
| 3 & 4 Borboleta fechada zero |
| 3 & 4 Borboleta semi aberta Infinito |

TESTANDO |
| 1 Confira a mangueira de vácuo contra algum vazamento, se houver vazamento, substitua a mangueira. |
TESTANDO |
1 Ignição desligada, desconecte o multi-plug do sensor ( map), ignição ligada motor parado, cheque com o MULTITESTE DIGITAL a voltagem dos terminais e terra do multi-plug conforme a tabela abaixo. |
| Terminais Condição Voltagem |
| C & terra ignição ligada 5 V |
TESTANDO |
1 Ignição desligada, remova a mangueira de vácuo do sensor MAP, não desconecte o multi-plug apenas o exponha, ligue o motor, eleve o giro do motor em varias rotações, cheque com o MULTITESTE DIGITAL a voltagem dos terminais do multi-plug conforme a tabela abaixo . |
| Terminais Condição Voltagem |
| A & B motor girando 0,5 5 V |

TESTANDO |
1 - Ignição desligada, desconecte o multi-plug do corpo da borboleta, cheque a temperatura do ar ambiente, cheque com o MULTITESTE DIGITAL a resistência dos terminais do corpo da borboleta, confira com as especificações na tabela abaixo. |
| Terminais Temperatura Resistência |
| 1 & 4 0°C 5290-6490 W |
| 1 & 4 20°C 2400-2600 W |
| 1 & 4 40°C 1070-1270 W |
OBS:O atuador (ISC) incorporado ao interruptor da posição da borboleta fechada ,CTP.

TESTANDO |
1 Ignição desligada, desconecte o multi-plug do atuador da marcha lenta cheque com o MULTITESTE DIGITAL a resistência dos terminais do atuador da marcha lenta, confira com as especificações na tabela abaixo. |
| Terminais Resistência |
| 1 & 2 5-50 W |

TESTANDO |
1 Ignição desligada, remova o protetor do motor, desconecte o multi-plug da bobina de ignição, ignição ligada motor parado, cheque com o MULTITESTE DIGITAL a voltagem dos terminais do multi-plug, e confira com a as especificações na tabela abaixo, se a voltagem não for a especificada cheque o s fusíveis e cabos . |
| Terminais Condição Voltagem |
| A & B Ignição desligada Voltagem da bateria |
Como testar conexão do terra

TESTANDO |
1- Ignição desligada, desconecte o multi-plug da bobina de ignição, cheque a resistência dos terminais do multi-plug e terra com o MULTITESTE DIGITAL, se a resistência não for a mesma especificada pela tabela abaixo verifique os cabos . |
| Terminais Resistência |
| B & terra zero |

TESTANDO |
1 Ignição desligada, desconectar o multi-plug da bobina de ignição, desconecte o cabo de alta tensão da bobina de ignição, retire a bobina de ignição do modulo de potência, cheque a resistência dos cabos de baixa tensão da bobina de ignição com o MULTITESTE DIGITAL confira resistência com a tabela . |
| Resistência primária 0,4-0,8 W |

TESTANDO |
1 Ignição desligada, desconectar o multi-plug da bobina de ignição, desconecte o cabo de alta tenção da bobina de ignição, retire a bobina de ignição do módulo de potência, cheque a resistência um no bobina de ignição de baixa tensão e outro num dos terminais do cabo de alta tensão da bobina de ignição com o MULTITESTE DIGITAL confira resistência com a tabela . |
| Resistência secundária 9900-12100 W |

Testando |
1 Ignição desligada, desconecte o multi-plug do sensor ECT, alivie a pressão do sistema de arrefecimento, remova do motor o sensor de temperatura da água (ECT), emirja o sensor ECT em água em temperaturas especificadas pela tabela abaixo, e com o MULTITESTE DIGITAL cheque a resistência dos terminais do sensor . |
| Temperatura Resistência |
| 20°C 3060-4045 W |
| 40°C 1315-1600 W |
| 80°C 300-370 W |
| 90°C 210-270 W |

Checando a resistência.
TESTANDO |
1 Ignição desligada, desconecte o multi-plug do sensor da posição da árvore de manivelas, cheque a resistência dos terminais do sensor com o MULTITESTE DIGITAL, deve conferir com a resistência especificada na tabela abaixo . |
| Resistência 200 W aproximadamente |

TESTANDO |
1 Ignição desligada, desconecte o multi-plug do sensor da posição da árvore de manivelas, ajuste o MULTITESTE DIGITAL no modo (AC) para que ele meça a alteração de voltagem corretamente, faça o motor funcionar por alguns segundos, cheque a voltagem dos terminais do sensor da posição da árvore de manivelas deve coincidir com a tabela abaixo . |
| Terminais Condição Voltagem |
| A & B Motor girando 0,5 V min (alternando) |

TESTANDO |
1 Ignição desligada, desconecte o multi-plug do sensor de oxigênio, ignição ligada motor parado, cheque com o MULTITESTE DIGITAL a voltagem dos terminais e terra do sensor de oxigênio, que devem coincidir com a tabela abaixo . |
| Terminais Condição Voltagem |
| A & terra Ignição ligada Voltagem da bateria |
TESTANDO |
1- Motor na temperatura normal de funcionamento, ignição desligada, não desconecte o multi-plug só o exponha, ligue o motor e deixe na marcha lenta. cheque com o MULTITESTE DIGITAL a voltagem do terminais do sensor HO2S indicado na figura acima, deixe o motor funcionando a 2500 rpm cheque a voltagem do multi-plug se a voltagem não coincidir com a especificada pela tabela. Cheque cabos e fusíveis . |
| Terminais Condição Voltagem |
| B & C marcha na lenta2500rpm 0,1-0,85 V (flutuando) |

TESTANDO |
1 Ignição desligada, desconecte o multi-plug da válvula de Canister, cheque com o MULTITESTE DIGITAL a resistência dos terminais da válvula de canister, que devem coincidir com a tabela abaixo . |
Tabela
| Resistência 30-40 W |

Checando operação

ESTANDO |
| 1 Ignição desligada, remova o relê, cheque com o MULTITESTE DIGITAL a resistência dos terminais do relê . Confira na tabela. conecte a voltagem da bateria nos terminais do relê especificado cheque com o MULTITESTE DIGITAL a resistência do relê . |
| Terminais Condição Resistência |
| 3 & 5 Voltagem da bateria desconectada Infinita |
| 3 & 5 Voltagem da bateria conectada zero |
| Bateria + o terminal 1 |
| Bateria o terminal 2 |
Como testar provisão de voltagem
TESTANDO |
| 1 Ignição desligada, remove o relê ignição ligada motor parado, cheque com o MULTITESTE DIGITAL a voltagem do relê nos terminais da base e terra, se a voltagem não for a especificada: checar os cabos e fusíveis . |
| Terminais Condição Voltagem |
| 3 & terra Ignição ligada Voltagem da bateria |
19)- Como testar o relê da bomba de combustível

Checando Operação
TESTANDO |
1 Ignição desligada, remova o relê, cheque com o MULTITESTE DIGITAL a resistência dos terminais do relê. Confira na tabela. conecte a voltagem da bateria nos terminais do relê especificado cheque com o MULTITESTE DIGITAL a resistência do relê . |
| Terminais Condição Resistência |
| 3 & 5 Voltagem da bateria desconectada Infinita |
| 3 & 5 Voltagem da bateria conectada zero |
| Bateria + o terminal 1 |
| Bateria o terminal 2 |
ESTANDO |
1 Ignição desligada, remove o relê ignição ligada motor parado, cheque a voltagem do relê nos terminais da base e terra, se a voltagem não for a especificada: checar os cabos e fusíveis. |
Tabela
| Terminais Condição Voltagem |
| 1 & terra Ignição ligada Voltagem da bateria |

TESTANDO |
1- Ignição desligada, desconecte o multi-plug da unidade central, cheque com o MULTITESTE DIGITAL a voltagem dos terminais do multi-plug, ignição ligada motor parado, cheque os terminais do multi-plug e terra MULTITESTE DIGITAL, se a voltagem não for a mesma especificada na tabela confira os cabos e fusíveis . |
| Terminais Condição Voltagem |
| 4 & terra Ignição desligada Voltagem da bateria |
| 30 & terra Ignição ligada Voltagem da bateria |
| 20 & terra Ignição ligada Voltagem da bateria |
TESTANDO |
1 - Ignição desligada, desconecte o multi-plug da unidade central cheque com o MULTITESTE DIGITAL a resistência dos terminais do multi-plug e terra, acione a ignição, se a resistência, não for a mesma especificada na tabela confira os cabos e fusíveis. |
| Terminais Resistência |
| 1 & terra zero |
| 2 & terra zero |

TESTANDO |
1 - Ignição desligada, desconecte o multi-plug do sensor de velocidade, cheque com o MULTITESTE DIGITAL a voltagem dos terminais do multi-plug . |
| Terminais Voltagem |
| 1 & 3 Voltagem da Bateria |
TESTANDO |
1 - Ignição desligada, desconecte o multi-plug cheque com o MULTITESTE DIGITAL a resistência dos terminais do multi-plug e terra, acione a ignição, se a resistência não for a mesma especificada na tabela confira os cabos e fusíveis. |
| Terminais Resistência |
| 3 & Terra Zero |