CAPITULO 09
APLICATIVOS VW
VAG DIGIFANT
PASSAT 2,0 2E 1994 EM DIANTE
| ¤- Este sistema é multiponto intermitente com quatro válvulas injetoras, que
possui autodiagnose ou seja que caso tenha alguma falha possui uma lâmpada de falha no
painel de instrumento. O sistema armazena os dados que poderão ser diagnosticado com o
sistema do código de falhas.
¤- A unidade central opera no modo emergência quando um sensor falha, assim o motorista conseguirá levar o carro até a oficina. ¤ O modelo do conector de diagnóstico é o seguinte. |
COMO CONSEGUIR OS CÓDIGOS DE FALHAS.
| Os códigos só podem ser obtidos, por um leitor de códigos satisfatório (SCANNER) conectado ao conector de diagnósticos (ALDL) . |
| Código de falhas | Falhas Possíveis |
| 00518 | Sensor da posição da Borboleta. |
| 00521 | Resistor de ajustamento de CO |
| 00522 | Sensor de temperatura de água . |
| 00523 | Sensor da temperatura do ar. |
| 00524 | Sensor de Detonação. |
| 00525 | Sensor de oxigênio. (HO2S). |
| 00532 | Unidade Central (centralina) Suprimento de Voltagem. |
| 00552 | Sensor do volume de fluxo de ar |
| 65535 | Unidade Central Defeituosa. |
CONECTOR DA UNIDADE CENTRAL
Localização dos Componentes

| 01 Resistor do ajustamento do CO | 02 Tubo de amostra de CO |
| 03 - Sensor da posição do eixo de Manivelas | 04 Distribuidor |
| 05 Conector de diagnósticos na coluna de direção | 06 Módulo de controle do motor |
| 07 Relé de controle da unidade central | 08 Sensor de temperatura da água |
| 09 Filtro de combustível. | 10 Regulador de pressão do combustível |
| 11 Bomba de combustível | 12 Relé da bomba de combustível |
| 13 Sensor de oxigênio ( sonda lambda) | 14 Válvula de controle da marcha lenta |
| 15 Módulo de potência | 16 Bobina de ignição |
| 17 Válvulas injetoras | 18 Sensor da temperatura do ar |
| 19 Sensor de detonação | 20 Sensor da posição da borboleta |
| 21 Sensor do volume do fluxo de ar. |
PROBLEMA |
POSSÍVEIS CAUSAS |
| MOTOR NÃO PEGA | 1 Examinar
bateria e suas conexões. 2 Fusíveis, Bomba de combustível, Relés do controle do motor. 3 Condições do Filtro de combustível. 4 Entrada falsa de ar no Sistema Estanqueidade. 5 Unidade central, conector e fios. 6 Verificar as condições do filtro de combustível e sistema de combustível Bomba/Regulador, mangueira. 7 Válvulas Injetoras. 8 Verificar as condições do filtro de ar . 9 Sensor de Fluxo da Massa de Ar. 10 Sensor da posição do eixo de Comando. 11 Conector da unidade central |
| MOTOR COM DIFICULDADE PARA PEGAR. | 1 Examinar
bateria e suas conexões. 2 Unidade central, conector e fios 3 Condições do filtro de gasolina. 4 Entrada falsa de ar no Sistema Estanqueidade. 5 Sensor de temperatura do motor 6 Sensor de fluxo de massa de ar . 7 Regulador da pressão de entrada da gasolina. 8 Verificar válvulas injetoras. 9 Conector da centralina do motor 10 Verificar as condições do filtro de ar . |
| MOTOR COM DIFICULDADE PARA PEGAR QUANDO QUENTE | 1 Examinar
bateria e suas conexões. 2 Fusíveis, Bomba de combustível, Relés do controle do motor 3 Condições do Filtro de combustível 4 Entrada falsa de ar no Sistema Estanqueidade. 5 Sensor de temperatura da água 6 Sensor de fluxo de massa de ar 7 Regulador da pressão de entrada da gasolina 8 Verificar válvulas injetoras 9 Verificar as condições do filtro de ar . 10 Conector da unidade central 11 Controle de Detonação |
| MOTOR PEGA MAS LOGO APÓS MORRE. | 1 Examinar
bateria e suas conexões. 2 Fusíveis, Bomba de combustível, Relés do controle 3 Condições do Filtro de combustível. 4 Entrada falsa de ar no Sistema Estanqueidade 5 Válvula de controle da entrada de ar da marcha lenta 6 Verificar as condições do filtro de ar 7 Sensor de fluxo de massa de ar 8 Regulador da pressão de entrada da gasolina 9 Verificar válvulas injetoras. 10 Conector da unidade central |
| MARCHA LENTA IRREGULAR | 1 Atuador da
válvula de controle da entrada de ar da marcha lenta 2 Verificar se há estanqueidade no sistema de combustível. 3 Examinar bateria e suas conexões. 4 Válvula de Marcha Lenta. 5 Ver Sensor de Temperatura da Água. 6 Unidade central, conector e fios. 7 Sensor de Fluxo da Massa de Ar. 8 Verificar as condições do filtro de ar 9 Sensor de temperatura do ar. 10 Verificar válvulas injetoras 11 Regulador da pressão de entrada da gasolina 12 Conector da unidade central 13 Sensor da posição do regulador de pressão |
| MARCHA LENTA INCORRETA | 1 Examinar
bateria e suas conexões. 2 Entrada falsa de ar no Sistema Estanqueidade 3 Válvula de controle da entrada de ar da marcha lenta 4 Sensor de temperatura da água 5 Verificar as condições do filtro de ar 6 Sensor de Fluxo da Massa de Ar. 7 Verificar válvulas injetoras 8 Conector da unidade central 9 Sensor da posição do regulador de pressão |
| MARCHA LENTA FALHANDO | 1 Entrada falsa
de ar no Sistema Estanqueidade 2 Sensor de temperatura da água 3 Verificar as condições do filtro de ar 4 Sensor de Fluxo da Massa de Ar. 5 Examinar bateria e suas conexões 6 Verificar válvulas injetoras 7 Conector da unidade central |
| ARCHA LENTA FALHANDO CONSTANTEMENTE. | 1 Sensor de Fluxo da Massa de Ar. |
| ACELERAÇÃO VACILANDO | 1 Entrada falsa
de ar no Sistema Estanqueidade 2 Sensor de temperatura da água 3 Verificar as condições do filtro de ar 4 Sensor de Fluxo da Massa de Ar. 5 Examinar bateria e suas conexões. 6 Condições do Filtro de combustível 7 Sensor de oxigênio 8 Verificar válvulas injetoras 9 Conector da unidade central 10 Sensor de temperatura do ar |
| VACILAÇÃO CONSTANTE DE VELOCIDADE. | 1 Entrada falsa
de ar no Sistema Estanqueidade 2 Sensor de temperatura da água 3 Verificar as condições do filtro de ar 4 Sensor de Fluxo da Massa de Ar. 5 Examinar bateria e suas conexões. 6 Condições do Filtro de combustível 7 Verificar válvulas injetoras 8 Conector da unidade central 9 Sensor de temperatura do ar. |
| BATIDA DE PINO DURANTE A ACELERAÇÃO | 1 Entrada falsa
de ar no Sistema Estanqueidade 2 Sensor de temperatura da água 3 Fusíveis, Bomba de combustível, Relés do controle 4 Regulador da pressão de entrada da gasolina 5 Verificar válvulas injetoras 6 Sensor de Fluxo da Massa de Ar. 7 Conector da unidade central 8 Controle de Detonação 9 Sensor da posição do regulador de pressão |
| MÁ RETOMADA DE ACELERAÇÃO | 1 Controle de
Detonação 2 Sensor de Fluxo da Massa de Ar 3 Conector da unidade central |
| EXCESSO DE COMSUMO DE combustível | 1 Sensor da
posição do regulador de pressão 2 Entrada falsa de ar no Sistema Estanqueidade 3 Sensor de temperatura do motor 4 Examinar bateria e suas conexões 5 Válvula de canister. 6 Verificar as condições do filtro de ar 7 Sensor de Fluxo da Massa de Ar 8 Conector da unidade central 9 Regulador da pressão de entrada da gasolina 10 Verificar válvulas injetoras |
| NÍVEL
DE CO MUITO ELEVADO |
1 Verificar as
condições do filtro de ar 2 Sensor de oxigênio 3 Sensor de temperatura da água. 4 Examinar bateria e suas conexões 5 Sensor de Fluxo da Massa de Ar 6 Regulador da pressão de entrada da gasolina 7 Verificar válvulas injetoras 8 Conector da unidade central 9 Sensor da posição do regulador de pressão |
| nível DE CO MUITO BAIXO | 1 Sensor da
posição do regulador de pressão 2 Verificar as condições do filtro de ar 3 Sensor de oxigênio 4 Sensor de temperatura da água. 5 Examinar bateria e suas conexões 6 Sensor de Fluxo da Massa de Ar 7 Regulador da pressão de entrada da gasolina 8 Verificar válvulas injetoras 9 Conector da unidade central 10 Condições do Filtro de combustível |
| DESEMPENHO POBRE | 1 Sensor de
temperatura da água. 2 Examinar bateria e suas conexões 3 Sensor de Fluxo da Massa de Ar 4 Regulador da pressão de entrada da gasolina 5 Verificar válvulas injetoras 6 Conector da unidade central 7 Condições do Filtro de combustível 8 Sensor da posição do regulador de pressão 9 Verificar as condições do filtro de ar 10 Sensor de oxigênio 11 Sensor de Velocidade. |
IDENTIFICAÇÃO DOS COMPONENTES DO ESQUEMA ELÉTRICO .
CÓDIGO DISCRIÇÃO DO COMPONENTE.
A5 |
Painel de Instrumentos. |
A35 |
Unidade Central. |
A52 |
Módulo de Potência. |
B24 |
Censor de temperatura da água. |
B25 |
Censor da temperatura do ar. |
B54 |
Sensor da posição do eixo de Manivelas |
B69 |
Sensor de Detonação |
B72 |
Sonda Lambda. |
B147 |
Sensor da Posição da Borboleta. |
B148 |
Sensor do fluxo de volume de ar . |
F |
Fusível. |
K20 |
Relé da Bomba de combustível. |
K46 |
Relé do módulo Central. |
M12 |
Bomba de combustível. |
T1 |
Bobina de Ignição |
W3 |
Cabo sobressalente. |
W21 |
Ajustador de octanas. |
X79 |
Conector da Transmissão Automática. |
X88 |
Conector do ar condicionado. |
Y3 |
Válvulas Injetoras. |
Y99 |
Válvula do Controle da Marcha Lenta. |
Y104 |
Válvula de Canister. |
15 |
Ignição ligada motor parado. |
30 |
Positivo da Bateria (+) |
31 |
Negativo da Bateria (-) |
50 |
Ignição Ligada Sinal de Partida. |

1 -) - Como ajustar a marcha lenta

TESTANDO |
1 Dar partida no motor, deixar funcionando em marcha lenta, inicie os testes básicos com equipamento de diagnóstico, deixe funcionando por 2 minutos em marcha lenta, ajuste a marcha lenta no parafuso conforme figura acima e confira os dados abaixo. |
| Todos modelos 850 ± 50 rpm |
2 -) Como testar o regulador da Pressão inicial.

TESTANDO |
1 A posição inicial do regulador de pressão é fixada pelo fabricante caso este ajuste for mudado ajustar como segue, exponha o parafuso da alavanca de parada removendo componentes adjacentes, assegure-se que o cabo do acelerador tenha o movimento livre, afrouxe a trava de segurança, de voltas anti horária no parafuso (1) da alavanca do regulador de pressão até a liberação do mesmo (2)assegure-se que a válvula do regulador de pressão esteja fechada e aperte o parafuso de parada até encostar mas não estrangular a alavanca, logo adiante aperte o parafuso até 180°, aperte a trava de segurança e ajuste o cabo do acelerador se for necessário, confira marcha lenta e o sensor da posição da pressão. Conferir dados abaixo. |
Tabela:
| Estrangule o parafuso da alavanca de parada 0,5 Voltas |
3-)- Como testar a pressão da bomba de combustível

TESTANDO |
1 Ignição desligada, conecte um MANÔMETRO na mangueira de combustível assegure-se que a torneira de medida esteja fechada, de partida no motor e deixe funcionar em marcha lenta, desconecte a mangueira de vácuo do regulador de pressão confira os dados da tabela abaixo, recoloque a mangueira e confira os dados, ignição desligada após 10 minutos segurando a pressão confira os dados. |
Tabela
| Pressão Condição Valores |
| Sistema Vácuo desligado 3 bar |
| Regulagem Vácuo ligado 2,5 bar |
| Segurando Depois de 10 minutos 2 bar min. |
4-)- Como testar vazão de combustível

TESTANDO |
1- Ignição desligada, desconecte o tubo de provisão de combustível, conecte o Manômetro na mangueira de combustível, assegure-se que a torneira esteja entre o manômetro e o tubo de teste, insira no fim do tubo de testes um frasco de medidas insira o manômetro e abra a torneira remova o relé da bomba de combustível, faça um jump na base do relé terminal 4 e positivo da bateria e faça a bomba funcionar, abra a torneira de combustível lentamente como especificado até alcançar a pressão correta na tabela, ignição desligada, assegure-se que a torneira de medida não seja movida, esvazie frasco de medidas insira o frasco de medidas no fim do tubo e faça a bomba funcionar . |
Tabela
| Pressão Suprimento de Voltagem Medida final |
| 3 bar 10 a 12 v 0,49-0,67litros/30 segundos |
5-)- Como testar Funcionamento elétrico da bomba

TESTANDO |
1- Ignição desligada, remova relé da bomba de gasolina, faça um jump entre a base de terminal 4 do relé e o positivo da bateria, a bomba de combustível deve funcionar continuamente depois que o, relé seja ligado a bateria, se a bomba não funcionar cheque os fusíveis, desconecte o multi-plug da bomba de combustível, faça funcionar confira com o MULTITESTE DIGITAL os terminais 1 e 4 do multi-plug da bomba de combustível que devera ser (+) 12 V, se não indicar nenhuma Voltagem cheque os cabos. |
6-)- Como testar Bicos Injetores

TESTANDO |
1- Ignição desligada, desconecte o multi-plug das válvulas injetoras, com um MULTI TESTE DIGITAL checar a resistência dos terminais do multi-plug, se a resistência não for a especificada pela tabela abaixo checar a resistência nos terminais da válvula injetora. |
Tabela
| Resistência combinada 3,7 a 5 W |
| Resistência do Injetor 15 a 20 W |
Checar suprimento de Voltagem

TESTANDO |
Ignição desligada, desconecte o multi-plug da válvula injetora, ligue o motor por alguns segundos, com o MULTITESTE DIGITAL checar a Voltagem conforme dados abaixo se as medidas não conferirem checar cabos e relés. |
Dados:
| Cor dos cabos Condição Voltagem |
| Vermelho & Terra Motor Girando Voltagem da bateria |
Como testar o sinal

Testando |
1- Ignição desligada, desconecte o multi-plug da válvula injetora, conecte a PONTA DE PROVA nos terminais do multi-plug e teste os contatos, ligue o motor por alguns instantes, cheque os leds da ponta de prova, se não estiverem piscando cheque os cabos. |
Tabela
| Condição Led |
| Motor ligado Piscando |
7-)- Como testar o sensor de posição da Borboleta. (TP)

TESTANDO |
1- Ignição desligada, desconecte o multi-plug do sensor TP, teste a resistência dos terminais e terra do multi-plug utilizando MULTITESTE DIGITAL, se a resistência não for a especificada pela tabela abaixo cheque os cabos e os contatos . |
Tabela
| Terminais Resistência |
| 3 & terra Zero |
Checando suprimento de Voltagem
TESTANDO |
1- Ignição desligada, desconecte o multi-plug do sensor TP, ligue a ignição, teste a voltagem dos terminais do multi-plug utilizando MULTITESTE DIGITAL, a voltagem deve ser a especificada pela tabela abaixo. |
Tabela
| Terminais Voltagem |
| 1 & 3 5 V aproximadamente |
Testando operação.

TESTANDO |
1- Ignição desligada, não desconecte o multi-plug somente o exponha como na figura acima, ligue a ignição, cheque a Voltagem dos terminais utilizando o MULTITESTE DIGITAL, enquanto estiver testando os terminais opere o Sensor teste terminais 2 e 3 a mudança de Voltagem deve ser direta sem muitas oscilações. |
Tabela
| Terminais Condição Voltagem |
| 2 & 3 Borboleta fechada 0,3 a 1,7 V aproximadamente |
| 2 & 3 Borboleta totalmente aberta 3 a 5 V aproximadamente |
8-Como testar Sensor de Volume da Massa de Ar(VAF)
O sensor VAF incorpora o sensor de temperatura do ar IAT.

Checando operação
TESTANDO |
1- Ignição desligada, desconecte o sensor VAF do tubo de entrada de ar (1), logo após opere o flap totalmente aberto e confira o funcionamento como especificado na figura acima, limpe qualquer depósito de sujeira nos contatos com solvente isto é muito importante. |
Como testar a resistência

TESTANDO |
1 Ignição desligada, desconecte o sensor VAF do tubo de entrada de ar (1), desconecte o multi-plug do sensor VAF (2) Cheque a resistência dos pinos do multi-plug com o MULTITESTE DIGITAL, cheque a resistência nos pinos do sensor VAF, as resistências devem ser as mesmas especificadas na tabela na próxima pagina. |
Tabela
| Terminais Condição Resistência |
| 2 & 3 Flap fechado 610 W Aproximadamente |
| 2 & 4 Flap fechado 60 W Aproximadamente |
| 2 & 3 Flap completamente aberto 280 W Aproximadamente |
| 2 & 4 Flap completamente aberto 780 W Aproximadamente |
Como testar conexão do terra
TESTANDO |
1 Ignição desligada, desconectar o multi-plug do sensor VAF (2), cheque a resistência dos pinos do multi-plug e do terra com o MULTITESTE DIGITAL, devera ser igual a da tabela abaixo. |
Tabela
| Terminais Resistência |
| 4 & terra zero |
Como testar provisão de Voltagem
TESTANDO |
1 Ignição desligada, desconectar o multi-plug do sensor VAF (2), ligar a ignição, cheque a voltagem dos pinos do multi-plug com o MULTITESTE DIGITAL conforme a tabela abaixo. |
Tabela
| Terminais Condição Voltagem |
| 3 & 4 Ignição ligada 5 V aproximadamente |
Como testar a Voltagem
TESTANDO |
1 Ignição desligada, não desengate o multi-plug do sensor VAF, apenas exponha os contatos, ligue o motor e deixe na lenta, cheque a Voltagem dos pinos do multi-plug como MULTITESTE DIGITAL, aumente o rpm como especificado na tabela abaixo, cheque a Voltagem dos pinos do multi-plug novamente, a mudança de Voltagem deve ser direta sem muitas oscilações. |
Tabela
| Terminais Condição Voltagem |
| 2 & 4 Marcha lenta 0,9 V aproximadamente |
| 2 & 4 2000 rpm 1,5 V Aproximadamente |
| 2 & 4 4000 rpm 2,2 V Aproximadamente |
9-Como testar o sensor de temperatura de entrada do ar (IAT)
Este sensor (IAT) é incorporado ao Sensor (VAF) de fluxo de massa de ar

TESTANDO |
| 1- Ignição desligada, desconecte o multi-plug do sensor VAF (2) , cheque a temperatura do ar ambiente conforme a tabela abaixo, cheque a resistência dos pinos do sensor VAF com MULTITESTE DIGITAL . |
Tabela
| Terminais Temperatura Resistência |
| 1 & 4 0° C 5000-6500 W |
| 1 & 4 10°C 3250-4500 W |
| 1 & 4 20°C 2200-3000 W |
| 1 & 4 30°C 1500-2000 W |
| 1 & 4 40°C 1000-1400 W |
| 1 & 4 50°C 725-925 W |
| 1 & 4 60°C 535-675 W |
| 1 & 4 70°C 400-500 W |
| 1 & 4 80°C 275-375 W |
Como testar provisão de Voltagem
TESTANDO |
1 Ignição desligada, desengate o multi-plug do sensor VAF (2), ignição ligada motor parado, cheque a Voltagem dos pinos do multi-plug como MULTITESTE DIGITAL que deve conferir com a Voltagem especificada na tabela abaixo. |
Tabela
| Terminais Condição Voltagem |
| 1 & 4 Ignição ligada 5 v aproximadamente |
10-Como testar a válvula de marcha lenta. (IAC)

TESTANDO |
1 Ignição desligada, desconecte o multi-plug da válvula IAC, cheque a resistência de seus terminais com um MULTITESTE DIGITAL conforme especificado na tabela abaixo. |
Tabela
| Terminais Resistência |
| 1 & 3 2-10 W |
Como testar Suprimento de Voltagem

TESTANDO |
1 Ignição desligada, desconecte o multi-plug da válvula IAC, ligue a ignição, motor parado cheque os pinos dos multi-plug e o terra com o MULTITESTE DIGITAL, caso a Voltagem não seja a mesma especificada pela tabela abaixo confira cabos e fusíveis. |
Tabela
| Terminais Voltagem |
| 1 & terra Voltagem da bateria |

Checar resistência do primário.
TESTANDO |
1 Ignição desligada, desconectar o multi-plug da bobina de ignição, desconecte o cabo de alta tensão da bobina de ignição, Abrir a tampa como no desenho acima dos terminais de baixa tenção testar os terminais com um MULTITESTE DIGITAL conferindo os valores com a tabela abaixo. |
Tabela
| Terminais Resistência |
| 1 & 15 05 a 07 W |
Checando resistência secundária

Testando |
1 Ignição desligada, desconectar o multi-plug da bobina de ignição, desconecte o cabo de alta tenção da bobina de ignição, cheque a resistência dos terminais da bobina (15) com o cabo de alta tensão com MULITESTE DIGITAL, conferindo com as valores da tabela abaixo. |
Tabela
| Terminais Resistência |
| 15 & Alta tensão 3000 a 4000 W |
12- Como testar Módulo de Potência.

OBS: O módulo de Potência é incorporado na bobina de ignição.
TESTANDO |
1- Ignição desligada, desconecte o multi-plug da bobina de ignição, cheque a resistência dos terminais do multi-plug e terra com o MULTITESTE DIGITAL, se a resistência não for a mesma especificada pela tabela abaixo verifique os cabos . |
Tabela
| Terminais Resistência |
| 1 & terra zero |
Como testar provisão de Voltagem

TESTANDO |
1 Ignição desligada, desconecte o multi-plug da bobina de ignição, ligue a ignição, cheque a voltagem dos terminais do multi-plug com o MULTITESTE DIGITAL, se a voltagem não for a mesma especificada pela tabela abaixo verifique os cabos . |
Tabela
| Terminais Voltagem |
| 1 & 3 Voltagem da bateria |
Como testar o sinal

OBS: Desconecte o multi-plug da válvula injetora para evitar danos o sistema do conversor catalítico.
TESTANDO |
1 Ignição desligada, desconecte o multi-plug da bobina de ignição, Conecte a PONTA DE PROVA nos terminais do multi-plug, gire o motor por algum tempo cheque os leds da PONTA DE PROVA devem piscar. |
Tabela
| Terminais Condição Led |
| 2 & 3 Motor girando piscando |
Como testar operação
OBS: Desconecte o multi-plug da válvula injetora para evitar que o motor pegue ele só deve girarTESTANDO |
1 Ignição desligada, exponha os terminais de baixa tensão da bobina de ignição, conecte a PONTA DE PROVA nos terminais da bobina de ignição, ligue a ignição, cheque se os leds ficam acesos por 1-2 segundos, agora gire o motor, cheque se os leds ficam piscando, se os leds não estiverem piscando suspeite de problema no módulo de potência. |
Tabela
| Terminais Condição Led |
| 1 & 15 ignição ligada ligada por 1 a 2 segundos |
| 1 & 15 Motor girando piscando |
13)- Como testar sensor de temperatura da água(ECT).

Testando |
1 Ignição desligada, desconecte o multi-plug do sensor ECT, alivie a pressão do sistema de arrefecimento, remova do motor o sensor de temperatura do motor (ECT) emirja o sensor ECT em água em temperaturas especificadas pela tabela abaixo, com o MULTITESTE DIGITAL.. |
Tabela
| Terminais Temperatura Resistência |
| 1 & 3 0°C 5000-6500 W |
| 1 & 3 10°C 3250-4500 W |
| 1 & 3 20°C 2200-3000 W |
| 1 & 3 30°C 1500-2000 W |
| 1 & 3 40°C 1000-1400 W |
| 1 & 3 50°C 725-925 W |
| 1 & 3 60°C 535-675 W |
| 1 & 3 70°C 400-500 W |
| 1 & 3 80°C 275-375 W |
| 1 & 3 90°C 200-285 W |
| 1 & 3 100°C 160-225 W |
14)- Como testar Sensor da posição da árvore de manivelas

Obs: O sensor esta localizado no distribuidor
TESTANDO |
1 Ignição desligada, desconecte o multi-plug do sensor da posição da árvore de manivelas, ligue a ignição, cheque a Voltagem dos terminais do multi-plug com o MULTITESTE DIGITAL, deve conferir com a Voltagem especificada na tabela abaixo . |
Tabela
| Terminais Voltagem |
| 1 & 3 10 V no mínimo |
Como testar o sinal

TESTANDO |
1 Ignição desligada, não desconecte o multi-plug do sensor da posição da árvore de manivelas, exponha os terminais, conecte a PONTA DE PROVA nos terminais do multi-plug do sensor da posição da árvore de manivelas, faça o motor girar, cheque se os leds da PONTA DE PROVA piscam |
| Terminais Condição Led |
| 2 & 3 Motor girando Piscando |
15)- Como testar sensor de Detonação.

TESTANDO |
1 Ignição desligada, desconecte o multi-plug do sensor de Detonação, remova o sensor de Detonação, assegure-se que o bloco e os cilindros estejam ajustados e que não tenha corrosão entre suas faces, recoloque o sensor dando o torque especificado pelo fabricante. |
Tabela
| Torque 20 Nm |
16)- Como testar Resistor de ajuste CO

TESTANDO |
1 Ignição desligada, desconecte o multi-plug do Resistor de ajuste de CO, vire o ajuste do Resistor de ajuste de CO, cheque a resistência dos terminais do Resistor de ajuste de CO com MULTITESTE DIGITAL, a resistência deve variar pouco conforme dados abaixo. |
Tabela
| Resistência 0-2000 W |
17)- Como testar sensor oxigênio aquecido(Sonda Lambda)

TESTANDO |
| 1 Deixe o motor aquecer até a temperatura normal de funcionamento, após desligue e deixe ignição desligada, conecte o tubo de teste de CO no escape do motor, desconecte o multi-plug do sensor de oxigênio, feche a mangueira do vácuo no regulador de pressão, ligue o motor e deixe em marcha lenta, cheque os níveis de CO no aparelho, reconecte o multi-plug do sensor de oxigênio, e cheque novamente os níveis de CO, destampe a mangueira de gasolina do regulador de vácuo da gasolina, desligue o motor . |
Como testar o sinal
TESTANDO |
1 O motor deve estar na temperatura normal de funcionamento, ligue o motor, deixe o motor ligado em 2500 RPM por 2 minutos, deixe voltar a lenta, desconecte o multi-plug sensor de oxigênio e com um MULTITESTE DIGITAL, cheque a Voltagem dos terminais 3 & 4 como representado na figura acima. |
Tabela
| Terminais Condição Voltagem |
| 3 & 4 Marcha lenta 0-1 V flutuando |
18)- Como testar o aquecedor do sensor de oxigênio.
Como testar a resistência
TESTANDO |
1 Ignição desligada, desconecte o multi-plug do sensor de oxigênio, cheque a resistência dos terminais do sensor de oxigênio com o MULTITESTE DIGITAL como o desenho do capitulo acima (Fig 3) nos pinos 1 & 2 . |
Tabela
| Terminais Resistência |
| 1 & 2 4 W aproximadamente |
Como testar Provisão de Voltagem
TESTANDO |
1- Ignição desligada, desconecte multi-plug do sensor de oxigênio, ligue o motor e deixe na lenta, cheque a Voltagem nos terminais do multi-plug com o MULTITESTE DIGITAL como no desenho acima nos pino 1 & 2 figura (1). |
Tabela
| Terminais Condição Voltagem |
| 1 & 2 Marcha lenta 11 V no mínimo |
19-Como testar relé de controle do motor
Como checar a operação

OBS: Assegure-se que o bornes da bateria estejam bem presos caso contrario ocorrera a queira do relé.
TESTANDO |
1 Ignição desligada, remova o relê, cheque a resistência dos terminais do relé com o MULTITESTE DIGITAL, conecte os cabos que vem da bateria nos terminais especificados no desenho, cheque novamente a resistência, e confira com a tabela abaixo. |
Tabela
| Terminais Condição Resistência |
| 30 & 87 Bateria desconectada Infinita |
| 30 & 87 Bateria conectada zero |
| Bateria + no terminal 86 ou 86a |
| Bateria no terminal 85 |
Como testar provisão de Voltagem

TESTANDO |
1 Ignição ligada, deve ser ouvido o relé funcionando se não ouvir o relé ignição desligada, remova o relé cheque os terminais do relé e terra como MULTITESTE DIGITAL, ligue a ignição, cheque os terminais do relé e terra, se as Voltagem não conferirem com as da tabela, confira os cabos. |
Tabela
| Terminais Condição Voltagem |
| 4 & terra Ignição desligada Voltagem da bateria |
| 3 & terra Ignição ligada Voltagem da bateria |
Como testar o terra

TESTANDO |
1 Ignição desligada, remove o relé cheque os terminais do relé e terra com o MULTITESTE DIGITAL, se as resistência não conferirem com as da tabela, confira os cabos. |
Tabela
| Terminais Resistência |
| 1 & Terra Zero |
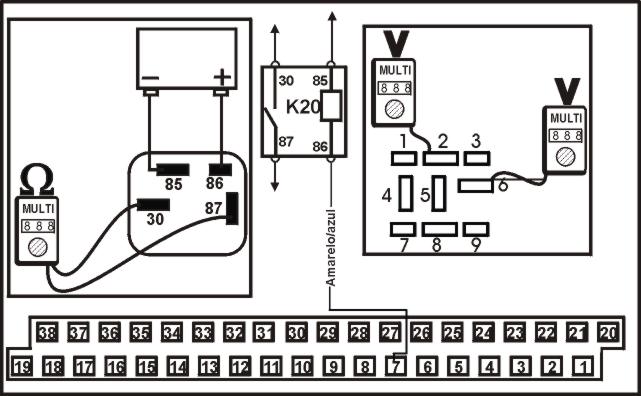
20- Como testar relé da bomba de combustível
Como testar operação

TESTANDO |
1 Ignição desligada, remova o relé cheque a resistência dos terminais do relé com o multiteste DIGITAL, conecte suprimento da bateria nos terminais especificados do relé, confira os testes com a tabela abaixo. |
Tabela
| Terminais Condição Voltagem |
| 30 & 87 Bateria desconectada Infinita |
| 30 & 87 Bateria conectado Zero |
| Bateria + no terminal 86 |
| Bateria no terminal 85 |
Como testar provisão de Voltagem
TESTANDO |
1 Ignição desligada, remove o relé e cheque a Voltagem dos terminais e terra do relé com o multiteste DIGITAL, ligue a ignição, cheque a Voltagem dos terminais e terra do relé se a Voltagem não for a especificada pela tabela confira os cabos. |
Tabela
| Terminais Condição Voltagem |
| 6 & terra Ignição desligada Voltagem da bateria |
| 2 & terra Ignição ligada Voltagem da bateria |
21-Como testar unidade central

TESTANDO |
1- Ignição desligada, desconecte o multi-plug da unidade central, ligue a ignição, cheque a Voltagem dos terminais e terra do multi-plug com o MULTITESTE DIGITAL da unidade central, motor funcionando por alguns minutos e novamente cheque a Voltagem dos terminais e terra do multi-plug, se a Voltagem não for a especificada pela tabela confira os cabos, relés e fusíveis. |
Tabela
| Terminais Condição Voltagem |
| 36 & terra Ignição ligada Voltagem da bateria |
| 38 & terra Ignição ligada Voltagem da bateria |
| 26 & terra Motor girando 12 V aproximadamente |
Como testar conexão do terra
TESTANDO |
1 Ignição desligada, desconecte o multi-plug da unidade central, cheque a resistência dos terminais com o multiteste DIGITAL, se a resistência não for a especificada pela tabela abaixo, cheque os cabos. |
Tabela
| Terminais Resistência |
| 20 & terra zero |