CAPITULO 08
APLICATIVOS LAND ROVER
LUCAS 14 CUX
DISCOVERY V8 de 1993 em diante.
RANGER ROVER 3.9 35D/36D de 1993/1995
RANGER ROVER 4.2 40D de 1993/1995
COMO FUNCIONA ESTE SISTEMA.
¤- Este sistema é multiponto intermitente com oito válvulas injetoras, que possui autodiagnose ou seja que caso tenha alguma falha possui uma lâmpada de falha no painel de instrumento. O sistema armazena os dados que poderão ser diagnosticado através de um SCANNER. ¤- A unidade central opera no modo emergência quando um sensor falha, assim o motorista conseguirá levar o carro até a oficina. ¤ O modelo do conector de diagnóstico é o seguinte. |
CÓDIGO |
POSSÍVEL DEFEITO |
12 |
Sensor do Fluxo da Massa de Ar. (MAF) |
14 |
Sensor de Temperatura da Água. |
15 |
Sensor da Temperatura do Óleo. |
17 |
Sensor da Posição da Borboleta. |
18 |
Sensor da Posição da Borboleta. |
19 |
Sensor da Posição da Borboleta. |
21 |
Unidade Central (Centralina) |
23 |
Pressão de Combustível. |
25 |
Ignição deficiente. |
28 |
Entrada de ar falsa. (estanqueidade) |
29 |
Unidade Central (falta de memória) |
34 |
Válvulas injetoras banca do lado esquerdo. |
36 |
Válvulas injetoras banca do lado direito. |
40 |
Ignição deficiente lado esquerdo. |
44 |
Sensor de Oxigênio lado esquerdo. |
45 |
Sensor de Oxigênio lado direito. |
48 |
Válvula do controle da marcha lenta. |
50 |
Ignição deficiente lado esquerdo. |
59 |
Entrada de ar no sistema de combustível (estanqueidade) |
68 |
Sensor de Velocidade. |
69 |
Resistor da posição neutra do cambio manual. |
88 |
Válvula de Canister. |

| 01 Sensor de posição do eixo de manivelas. | 02 Conector ALDL. |
| 03 Unidade Central (centralina) | 04 Relé do módulo central. |
| 05 Sensor de Temperatura da Água. | 06 Válvula de Canister. |
| 07 Filtro de combustível. | 08 Bomba de combustível (no tanque) |
| 09 Relé da Bomba de combustível. | 10 Sensor da Temperatura do Óleo. |
| 11 Sensor de Oxigênio (no Escape) | 12 Válvula do controle de Marcha Lenta. |
| 13 Módulo de Potência. | 14 Bobina de Ignição. |
| 15 Interruptor Inercial de combustível. | 16 Válvulas Injetoras. |
| 17 Sensor de Fluxo da Massa de Ar. | 18 Resistor da Posição Neutra do Cambio. |
| 19 multi-plug do módulo | 20 Interruptor do Cambio |
| 21 Sensor da Posição da Borboleta. | 22 Sensor de Velocidade. |
CONECTOR DA UNIDADE CENTRAL..

BUSCA DE FALHA PELO SINTOMA DO CARRO.
PROBLEMAS |
COMPONENTES A SEREM TESTADOS. |
| MOTOR NÃO PEGA | 1 Examinar bateria e suas
conexões. 2 Falha na memória do módulo central e o conector. 3 Verificar cabos/relés/conexões do sistema. 4 Verificar as condições do filtro de combustível e sistema de combustível Bomba/Regulador. 5 Verificar se há estanqueidade no sistema de combustível. 6 Ver Sensor de Temperatura da Água. 7 Filtro do ar e sua Tubulação. 8 Válvula de Marcha Lenta. |
| MOTOR COM DIFICULDADE PARA PEGAR. | 1 Examinar bateria e suas
conexões. 2 Unidade central, conector e fios. 3 Verificar cabos/relés/conexões do sistema. 4 Ver Sensor de Temperatura da Água. 5 Válvula de Marcha Lenta. 6 Verificar as condições do filtro de combustível e sistema de combustível Bomba/Regulador. |
| MOTOR COM DIFICULDADE PARA PEGAR QUANDO QUENTE | 1 Examinar bateria e suas
conexões. 2 Verificar cabos/relés/conexões do sistema 3 Bomba de combustível/Filtro. 4 Verificar se há estanqueidade no sistema de combustível. 5 Ver Sensor de Temperatura da Água. 6 Sensor de Fluxo da Massa de Ar. 7 Verificar as condições do filtro de combustível e sistema de combustível Bomba/Regulador, mangueira. 8 Válvulas Injetoras. 9 Filtro do ar. |
| MOTOR PEGA MAS LOGO APÓS MORRE. | 1 Examinar bateria e suas
conexões. 2 Bomba de combustível/Filtro. 3 Verificar se há estanqueidade no sistema de combustível. 4 Verificar cabos/relés/conexões do sistema 5 Marcha lenta & nível de CO 6 Sensor da posição da Borboleta. 7 Ver Sensor de Temperatura da Água. 8 Unidade central, conector e fios. |
| MARCHA LENTA IRREGULAR | 1 Examinar bateria e suas
conexões. 2 Verificar se há estanqueidade no sistema de combustível. 3 Válvula de Marcha Lenta. 4 Marcha lenta & nível de CO 5 Ver Sensor de Temperatura da Água. 6 Unidade central, conector e fios. 7 Sensor de Fluxo da Massa de Ar. |
| MARCHA LENTA INCORRETA | 1 Examinar bateria e suas
conexões. 2 Vazamento na mangueira de vácuo. 3 Válvula de Marcha Lenta. 4 Marcha lenta & nível de CO 5 Ver Sensor de Temperatura da Água. |
| MARCHA LENTA FALHANDO | 1 Examinar bateria e suas
conexões. 2 Entrada falsa de ar no Sistema Estanqueidade. 3 Ver Sensor de Temperatura da Água. 4 Verificar as condições do filtro de combustível e sistema de combustível Bomba/Regulador, mangueira. 5 Sensor de Fluxo da Massa de Ar. 6 Verificar cabos/relés/conexões do sistema |
| MARCHA LENTA FALHANDO CONSTANTEMENTE. | 1 Sensor de Fluxo da Massa de Ar. 2 Verificar as condições do filtro de combustível e sistema de combustível Bomba/Regulador, mangueira. 3 Entrada falsa de ar no Sistema Estanqueidade. 4 Válvulas Injetoras. 5 Estrangulamento do interruptor da Válvula 6 Conteúdo do CO.. |
| ACELERAÇÃO VACILANDO | 1 Sensor de Fluxo da Massa de Ar. 2 Entrada falsa de ar no Sistema Estanqueidade. 3 Vazamento na mangueira de vácuo. 4 Ver Sensor de Temperatura da Água. 5 Verificar as condições do filtro de combustível e sistema de combustível Bomba/Regulador, mangueira. 6 Sensor de Fluxo da Massa de Ar. 7 Unidade central, conector e fios. |
| VACILAÇÃO CONSTANTE DE VELOCIDADE. | 1 Entrada falsa de ar no
Sistema Estanqueidade. 2 Encadeamento estrangulado 3 Vazamento na mangueira de vácuo. 4 Válvula de Marcha Lenta. 5 Linha de combustível Bloqueada. 6 Bomba de combustível/Filtro. 7 Unidade central, conector e fios. |
| BATIDA DE PINO DURANTE A ACELERAÇÃO | 1 Sensor de Fluxo da Massa de Ar. 2 Unidade central, conector e fios. |
| MÁ RETOMADA DE ACELERAÇÃO | 1 Examinar bateria e suas
conexões. 2 Entrada falsa de ar no Sistema Estanqueidade. 3 Encadeamento estrangulado 4 Ver Sensor de Temperatura da Água. 5 Verificar as condições do filtro de combustível e sistema de combustível Bomba/Regulador, mangueira |
| EXCESSO DE CONSUMO DE combustível | 1 Examinar bateria e suas
conexões. 2 Marcha lenta & nível de CO 3 Sensor da Posição da Borboleta. 4 Estrangulamento do alojamento da Válvula Inicial 5 Ver Sensor de Temperatura da Água. 6 Sensor de Fluxo da Massa de Ar. 7 Unidade central, conector e fios. |
| NÍVEL DE CO MUITO ELEVADO | 1 Unidade central,
conector e fios. 2 Controle de Emissão & Recirculação de Gases 3 Entrada falsa de ar no Sistema Estanqueidade. 4 Ver Sensor de Temperatura da Água. 5 Verificar as condições do filtro de combustível e sistema de combustível Bomba/Regulador, mangueira. |
| nível DE CO MUITO BAIXO | 1 Examinar bateria e suas
conexões. 2 Entrada falsa de ar no Sistema Estanqueidade. 3 Marcha lenta & nível de CO 4 Ver Sensor de Temperatura da Água. 5 Válvulas Injetoras. 6 Unidade central, conector e fios. 7 Sensor de Fluxo da Massa de Ar. 8 Verificar as condições do filtro de combustível e sistema de combustível Bomba/Regulador, mangueira. |
| DESEMPENHO POBRE | 1 Examinar bateria e suas
conexões. 2 Entrada falsa de ar no Sistema Estanqueidade. 3 Estrangulamento do alojamento da Válvula Inicial 4 Ver Sensor de Temperatura da Água. 5 Verificar as condições do filtro de combustível e sistema de combustível Bomba/Regulador, mangueira. 6 Sensor de Fluxo da Massa de Ar. 7 Unidade central, conector e fios. |
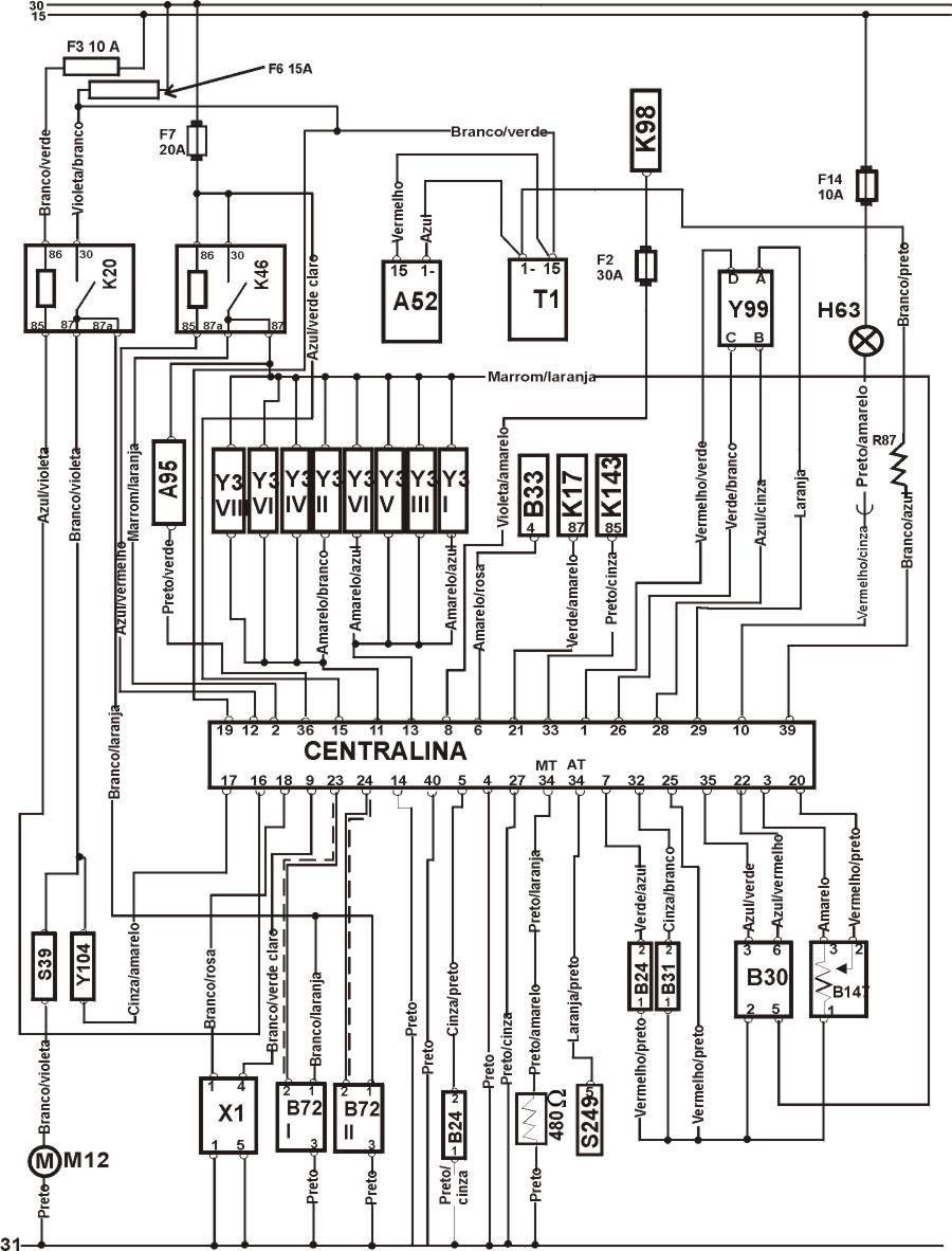
COMPONENTES DO CIRCUITO ELÉTRICO.
CÓDIGO |
DISCRIÇÃO DOS COMPONENTES. |
A35 |
Unidade Central. |
A52 |
Módulo de Potência. |
A95 |
Sensor de Temperatura do Blower. |
B24 |
Sensor de Temperatura da água. |
B30 |
Sensor de Fluxo da Massa de Ar. |
B31 |
Sensor da Temperatura de combustível. |
B33 |
Sensor de Velocidade. |
B72 |
Sensor de Oxigênio. |
B147 |
Sensor da Posição da Borboleta. |
F |
Fusível. |
H63 |
Lâmpada indicadora de falha. |
K17 |
Relé do Ar Condicionado. |
K20 |
Relé da Bomba de combustível. |
K46 |
Relé do módulo Central. |
K98 |
Relé do ar Quente. |
K143 |
Relé do Compressor do Ar condicionado |
M12 |
Bomba de combustível. |
R87 |
Resistor do Sinal de Ignição. |
S39 |
Interruptor Inercial de combustível. |
S249 |
Interruptor do Cambio. |
T1 |
Bobina de Ignição |
X1 |
Conector de Diagnóstico. |
X83 |
Multi-plug de código do módulo. |
Y3 |
Válvulas Injetoras. |
Y99 |
Válvula do Controle da Marcha Lenta. |
Y104 |
Válvula de Canister. |
15 |
Ignição ligada motor parado. |
30 |
Bateria Positivo (+). |
31 |
Bateria Negativo (+). |
50 |
Ignição Ligada Sinal de Partida. |
ESQUEMA ELÉTRICO DO RANGE ROVER 3.9 e 4.2, DISCOVERY V8

1 -) Como testar a Marcha Lenta.

TESTANDO |
1 Marcha lenta é controlada eletronicamente, desconecte os lacres das mangueiras da válvula de marcha lenta conforme figura 1, de partida no motor e deixe funcionando em marcha lenta, se a marcha lenta não for a especificada ajuste a mesma no parafuso de marcha lenta conforme figura 2, confira tabela abaixo. |
2 Apague a ignição, reconecte as mangueiras da válvula de marcha lenta, de partida no motor e deixe funcionar em marcha lenta sem nenhuma carga e confira tabela abaixo repita o teste com ar condicionado ligado. |
Tabela:
| Marcha lenta básica 525 ± 25 rpm |
| Condições Cambio manual Marcha Lenta |
| Ar condicionado desligado 700 ± 28 rpm |
| Ar condicionado ligado 750 ± 28 rpm |
| Condições Cambio automático posição do seletor Marcha Lenta |
| (N) 665 a735 rpm |
| (D) 600 ± 28 rpm |
| (D)com ar condicionado ligado. 650 ± 28 rpm |
2 -) - Como regular o regulador de pressão inicial.

TESTANDO |
1 Remova a mangueira da entrada de ar do corpo do regulador de pressão, exponha o parafuso da alavanca de parada do regulador removendo componentes adjacente conforme figura 2, assegure-se que o cabo de acelerador tenha um movimento adequado, use um micrômetro Vernier de profundidade conforme figura 1, confira a posição da válvula do regulador de pressão a topo e botão A e B conforme figura 3 verifique dados da tabela abaixo e ajuste o parafuso de parada se necessário reponha os componentes adjacentes e confira a marcha lenta. |
Tabela:
| Regulador de pressão inicial. Diferença |
| A e B 0,5 mm no máximo |
3 -) Como testar a Pressão da Bomba de combustível.

TESTANDO |
1 Ignição desligada, remova o relé da bomba de combustível e de partida no motor, deixe funcionar até desligar, conecte um MANÔMETRO entre o tubo de união de combustível e o filtro, reponha o relé de combustível, ignição ligada, desconecte a mangueira do vácuo do regulador de pressão, faça o motor funcionar por breves minutos a pressão devera ser de 2,39 bar a 2,67 bar logo após desligue o motor após 60 segundos o sistema deverá apresentar a pressão de 0,7 bar no mínimo. |
4 -) Como testar as válvulas injetoras.

Testando a resistência.
TESTANDO |
1 Ignição desligada, desconecte o multi-plug da válvula injetora e com um MULTITESTE DIGITAL cheque a resistência nos terminais da válvula injetora 1 & 2 que devera ser de 16 a 17 W. (repetir o teste em cada válvula injetora) |
Testando a voltagem.
TESTANDO |
1 Ignição desligada, desconecte o multi-plug da válvula injetora ignição ligada motor parado e com um MULTITESTE DIGITAL cheque a voltagem nos terminais do multi-plug 2 & Terra que devera ser de Positivo (+) 12V. (repetir o teste em cada válvula injetora) |
5 -) Como testar o Sensor de Temperatura do combustível.

TESTANDO |
1 Ignição desligada, desconecte o multi-plug do Sensor, remova o Sensor, emergir o sensor num liquido com temperatura especifica e com um MULTITESTE DIGITAL checar a resistência e confira os dados abaixo. |
DADOS:
| Temperatura Resistência |
| 0°C 5700 a 5900 W |
| 20°C 2400 a 2600 W |
| 40°C 1100 a 1300 W |
| 60°C 500 a 700 W |
| 80°C 300 a 400 W |
| 100°C 150 a 200 W |
6 ) Como testar o Sensor da Posição da Borboleta.

TESTANDO |
1 Ignição desligada, não desconecte o multi-plug do Sensor, exponha os terminais do multi-plug, ignição ligada motor parado com MULTITESTE DIGITAL checar a voltagem conforme tabela abaixo. |
Tabela:
| Terminais Condições Voltagem |
| 2 & Terra Borboleta Fechada 0,09 a 0,55 V |
| 2 & Terra Borboleta aberta 4,2 a 4,9 V |
7 -) Como testar o Sensor do Fluxo da Massa de Ar. (MAF)

Checando Suprimento de Voltagem
TESTANDO |
1 Ignição desligada, desconecte o multi-plug do Sensor, Ignição ligada motor parado com um MULTITESTE DIGITAL checar a voltagem entre os terminais 5 & Terra do multi-plug que deverá ser Positivo (+) 12V. |
Checando o sinal:
TESTANDO |
1 -Ignição desligada, não desconecte o multi-plug do Sensor, exponha o multi-plug do sensor, Ignição ligada motor parado com um MULTITESTE DIGITAL checar a voltagem entre os terminais 3 & Terra que deverá ser de 0,2 a 0,7V. |
8 -) Como testar a Válvula do Controle da Marcha Lenta.

TESTANDO |
1 Ignição desligada, desconecte o multi-plug do sensor e com um MULTITESTE DIGITAL checar a resistência conforme Tabela abaixo. |

Tabela:
| Terminais Resistência |
| A & B 40 a 60 W |
| C & D 40 a 60 W |
9 -) Como Testar a Bobina de Ignição.

Checando o Suprimento de Voltagem.
TESTANDO |
1 Ignição ligada motor parado com um MULTITESTE DIGITAL checar a voltagem entre os terminais 15 & Terra que deverá ser Positivo (+) 12V. |
Checando a resistência do Primário.
TESTANDO |
1 Ignição desligada, desconecte os cabos de baixa tensão da Bobina com um MULTITESTE DIGITAL checar a resistência entre os terminais 1 & 15 que deverá ser de 0,67 a 0,82 W . |
Checando a resistência do Secundário.
(
Resistência do secundário não Especificada)
10 -) Como testar o Módulo de Potência.(Este Sensor é incorporado ao distribuidor)

Checando Suprimento de Voltagem.
TESTANDO |
1 Ignição desligada, desconecte o multi-plug do sensor, ignição ligada motor parado com um MULTITESTE DIGITAL checar a voltagem nos terminais 3 & Terra do multi-plug que deverá ser de Positivo (+) 12V. |
TESTANDO |
1 Ignição ligada motor parado com um MULTITESTE DIGITAL checar a voltagem entre o parafuso do módulo e o terra que deverá ser de 0,1V no máximo. |
Checando Operação.

Tabela:
TESTANDO |
1 Ignição desligada, assegure-se que esteja conectados o fio de ignição e o multi-plug do módulo de Potência, exponha os terminais de baixa tensão e com um MULTITESTE DIGITAL checar voltagem conforme tabela abaixo. |
| Terminais Condições Voltagem. |
| 1 & Terra Ignição desligada Zero. |
| 1 & Terra Ignição ligada Zero. |
| 1 & Terra Dando Partida Voltagem aumentando. |
OBS- Desconecte o multi-plug das válvulas injetoras antes de realizar testes para impedir que o motor funcione.
11 ) Como testar o resistor do sinal de Ignição.

TESTANDO |
1 Ignição desligada, desconecte o Conector da Unidade Central, Ignição ligada motor parado com um MULTITESTE DIGITAL nos terminais 39 & terra que devera ser de 8,5 a 10,5V caso medidas não confiram checar o fio do resistor. |
12) Como testar o Sensor de Temperatura da Água.

TESTANDO |
1 Ignição desligada, desconecte o multi-plug do sensor, alivie pressão residual no sistema de arrefecimento, remova o Sensor, submirja o sensor em um recipiente com água na temperatura especificada com MULTITESTE DIGITAL checar a resistência conforme dados abaixo. |
DADOS:
| Temperatura Resistência |
| 0°C 5700 a 5900 W |
| 20°C 2400 a 2600 W |
| 40°C 1100 a 1300 W |
| 60°C 500 a 700 W |
| 80°C 300 a 400 W |
| 100°C 150 a 200 W |
13 -) Como testar o Sensor da Posição do Eixo de Manivelas.

(Este sensor esta incorporado ao distribuidor)
Checar a Resistência.
TESTANDO |
1 Ignição desligada, remova o Módulo de Potência com um MULTITESTE DIGITAL checar a resistência nos terminais do Sensor que deverá ser de 2000 a 5000 W . |

1Vire o eixo de Manivela até que o dente do rotor fique oposto ao Sensor, para conferir a folga entre o rotor e o terminal do sensor use um medidor não ferroso a folga devera ser de 0,2 a 0,35 mm. |
14 -) Como Testar os Sensores de Oxigênio Aquecido.

Checando sinal.
TESTANDO |
1 Motor em temperatura normal de operação, ignição desligada, não desconecte o multi-plug exponha o multi-plug, de partida no motor e deixe funcionando a 1000 rpm e com um MULTITESTE DIGITAL cheque a voltagem nos terminais conforme tabela abaixo, repita o teste no outro sensor. |
Tabela:
| Terminais Voltagem Mistura de combustível |
| 2 & Terra 0,5 a 1,0 V (flutuando) Correto |
| 2 & Terra 0,05 V Pobre |
| 2 & Terra 1,0 V Rica |
15 -) Como testar o aquecedor do Sensor de Oxigênio.

Checando o Suprimento de Voltagem.
TESTANDO |
1 Ignição desligada, desconecte o multi-plug do Sensor de Oxigênio de partida no motor e deixe funcionar em marcha lenta e com MULTITESTE DIGITAL checar a voltagem no terminal 1 & Terra do multi-plug que deverá ser Positivo (+) 12V. Repetir teste na outro Sensor. |
Checando conexão do terra.
TESTANDO |
1 - Ignição desligada, desconecte o multi-plug do Sensor de Oxigênio com um MULTITESTE DIGITAL checar a resistência no terminal 3 & Terra do multi-plug que deve ser Zero |
16 -) Como testar a Válvula de Canister.

Checando o suprimento de Voltagem.
TESTANDO |
1 Ignição desligada, desconecte o multi-plug da Válvula de Canister de partida no motor e deixe funcionar em marcha lenta e com MULTITESTE DIGITAL checar a voltagem no terminal 1 & Terra do multi-plug que deverá ser Positivo (+) 12V. |
Checando operação.

TESTANDO |
1 Ignição desligada, desconecte o multi-plug da Válvula de Canister, conecte um suprimento de voltagem da bateria nos Terminais ( Bateria + terminal 1) (Bateria terminal 2) e cheque o funcionamento da válvula. |
17 -) Como testar o Relé do Módulo.

Checando suprimento de voltagem.
TESTANDO |
1 Ignição desligada, remova o relé com um MULTITESTE DIGITAL checar a voltagem conforme tabela abaixo. Quando as medidas não conferir checar fios e fusíveis. |
Tabela.
| Terminais Condições Voltagem |
| 30 & Terra Ignição desligada Positivo (+) 12V |
| 86 & Terra Ignição desligada Positivo (+) 12V |
Checando operação.

TESTANDO |
1 - Ignição desligada, remova o relé com um MULTITESTE DIGITAL checar a resistência, conecte suprimento da bateria repita o teste de resistência conforme tabela abaixo. |
Tabela:
| Terminais Condições Resistência |
| 30 & 87 Bateria desconectada. Infinita |
| 30 & 87a Bateria desconectada. Infinita |
| 30 & 87 Bateria conectada Zero |
| 30 & 87a Bateria conectada Zero |
| Bateria (+) Positivo Terminal 86 |
| Bateria (-) Negativo Terminal 85 |
Assegure-se que o suprimento de voltagem seja conectado corretamente, caso contrário poderá danificar o relé.
18 -) Como testar o Relé da Bomba de combustível.

Checar suprimento de Voltagem.
TESTANDO |
1 Ignição desligada, remova o relé, Ignição ligada motor parado com um MULTITESTE DIGITAL checar a voltagem conforme tabela abaixo. Quando as medidas não conferir checar fios e fusíveis. |
Tabela.
| Terminais Condições Voltagem |
| 30 & Terra Ignição desligada Positivo (+) 12V |
| 86 & Terra Ignição ligada Positivo (+) 12V |
Checando Operação.
TESTANDO |
1 - Ignição desligada, remova o relé com um MULTITESTE DIGITAL checar a resistência, conecte suprimento da bateria repita o teste de resistência conforme tabela abaixo. |
Tabela:
| Terminais Condições Resistência |
| 30 & 87 Bateria desconectada. Infinita |
| 30 & 87a Bateria desconectada. Infinita |
| 30 & 87 Bateria conectada Zero |
| 30 & 87a Bateria conectada Zero |
| Bateria (+) Positivo Terminal 86 |
| Bateria (-) Negativo Terminal 85 |
19 -) Como testar a unidade central.

Checar o suprimento de Voltagem.
TESTANDO |
1 Ignição desligada, desconecte o multi-plug com um MULTITESTE DIGITAL checar a voltagem nos terminais conforme tabela abaixo, repetir o teste com ignição ligada motor parado caso não conferir as medidas checar fios e Relés. |
Tabela.
| Terminais Condições Voltagem |
| 15 & Terra Ignição desligada Positivo (+) 12V |
| 2 & Terra Ignição ligada Positivo (+) 12V |
| 19 & Terra Ignição ligada Positivo (+) 12V |
Checar conexão do terra.

TESTANDO |
1 Ignição desligada, desconecte o multi-plug com um multiteste DIGITAL checar a resistência nos terminais conforme tabela abaixo, caso não conferir as medidas checar fios. |
Tabela
| Terminais Resistência |
| 4 & Terra Zero |
| 14 & Terra Zero |
| 27 & Terra Zero |
| 40 & Terra Zero |
20 -) Como testar o Interruptor do Cambio

Checar operação.
TESTANDO |
1 Ignição desligada, não desconecte o multi-plug exponha os terminais da unidade central, ignição ligada motor parado, mova o seletor de cambio e com um MULTITESTE DIGITAL cheque a voltagem conforme tabela abaixo. |
Tabela
| Terminais Posição do seletor de Marchas Voltagem |
| 34 & Terra Park 0 a 1,5 V |
| 34 & Terra Neutro 0 a 1,5 V |
| 34 & Terra As outras posições 2,5 a 5,0 V |
21 -) Como testar o resistor do interruptor do cambio.

TESTANDO |
1 Ignição desligada, não desconecte o multi-plug. Exponha os terminais da unidade central, ignição ligada motor parado com um MULTITESTE DIGITAL checar a voltagem conforme tabela abaixo. |
Tabela:
| Terminais Seletor de posição de marcha Voltagem |
| 34 & Terra Exclua neutro 1,5 a 3,5 V |
TESTANDO |
1 Ignição desligada, desconecte o multi-plug da unidade central com MULTITESTE DIGITAL checar a resistência nos terminais 34 & Terra do multi-plug que devera ser de 480 a 510 W . |
NOTA: Os testes com MULTITESTE DIGITAL devera ser levado a cabo com muito cuidado
conforme informações.
22 -) Como testar Sensor de Velocidade.

TESTANDO |
1 Ignição desligada, não desconecte o multi-plug e exponha os terminais do multi-plug da unidade central, ignição ligada motor parado, desligue o freio de mão, empurre o carro lentamente adiante e com um MULTITESTE DIGITAL checar a voltagem no terminal 6 & Terra que deverá flutuar de 0 a 12V. |
23 -) Como testar o Interruptor inercial de combustível.

TESTANDO |
1 Ignição desligada, desconecte o multi-plug do interruptor, remova o interruptor e com um MULTITESTE DIGITAL checar a resistência conforme dados abaixo. |
Dados:
| Terminais Condições Resistência |
| 1 & 3 Botão Pressionado W Infinito |
| 1 & 3 Botão Deprimido Zero |
24 -) Como testar Plug de Código do Módulo.

TESTANDO |
1 Ignição desligada, desconecte o multi-plug da unidade central com um MULTITESTE DIGITAL checar a resistência nos terminais 5 & 27 que deverá ser de 3700 a 4100 W . |