CAPITULO 7
APLICATIVO HONDA
PGM FI
HONDA CIVIC 1.5 VTEC D15Z6 1996 Em diante
HONDA CIVIC 1.6 VTEC D16Y6 1996 Em diante
Este sistema é digital multiponto seqüencial, possui autodiagnose própria que através do código de falhas localizar falhas sem necessidade de um SCANNER. Sempre que a lâmpada de advertência se acender será indicação que o sistema apresentou defeito gravado na memória. |
COMO CONSEGUIR O CÓDIGO DE FALHAS.
1 - Ignição Desligada. |
2 - Faça um JUMP no Conector de Diagnóstico. |
3 - Ignição Ligada. |
Agora o sistema está pronto para apresentar os códigos de falhas, este sistema funciona um pouco diferente dos métodos tradicionais, como por exemplo código 23. |
| Lâmpada | Piscada Longa | Piscada Longa |
Pausa | Piscada Curta |
Piscada Curta |
Piscada Curta |
Pausa maior | ||||
| Números | ----------------2---------------- | ------------------------3-------------------------- | |||||||||
Primeiro número Segundo número.
COMO APAGAR O CÓDIGO DE FALHAS.
| Remova o fusível de 7,5 conforme a gravura este fusível é do Modulo Central e a Memória do Radio por Dez (10) segundos logo após recolocar o Fuzivel. |
| CÓDIGO | POSSÍVEL DEFEITO |
0 |
Unidade Central. |
1 |
Sensor de Oxigênio (Sonda Lambada) |
1 |
Aquecedor do Sensor de Oxigênio. |
3 |
Mão funcionamento do Sensor de Pressão Absoluta (MAP). |
4 |
Sensor de RPM |
5 |
Mão funcionamento do Sensor de Pressão Absoluta (MAP). |
6 |
Sensor de Temperatura da água. |
7 |
Sensor da Posição da Borboleta. |
8 |
Sensor de Posição do Eixo de Manivelas. |
9 |
Sensor de Posição do Eixo de Comando. |
10 |
Sensor de Temperatura do Ar. |
11 |
Válvula EGR Sensor de Posição. |
14 |
Válvula do Controle de Marcha Lenta. |
15 |
Sinal do Sistema de Ignição. |
17 |
Sensor de Velocidade. |
19 |
Convertedor de Torque. |
20 |
Sensor de Carga Elétrica. |
21 |
Atuador de Posição do Eixo de Comando. |
23 |
Sensor de Detonação. |
41 |
Aquecedor do Sensor de Oxigênio. |

| 01 Atuador da Posição do eixo de Comando. | 02 Sensor da Posição do eixo de Comando. |
| 03 Sensor da posição do eixo de Manivelas. | 04 Conector de Diagnóstico (ALDL). |
| 05 Módulo de Controle Central (Centralina). | 06 Sensor de Temperatura da Água. |
| 07 Sensor de RPM. | 08 Sensor de Flutuação de Velocidade do Motor. |
| 09 Válvula de Canister (Civic 1.5) | 10 Válvula de canister (Civic 1.6) |
| 11 Filtro de Combustível. | 12 Regulador de Pressão de combustível. |
| 13 Bomba de combustível. (no tanque). | 14 Aquecedor do Sensor de Oxigênio (Civic 1.6) |
| 15 Válvula do Controle de Marcha Lenta. | 16 Válvula do Controle de Marcha Lenta (TA ) |
| 17 Módulo de Potência. | 18 Bobina de Ignição. |
| 19 Interruptor Inercial de combustível. | 20 Válvulas Injetoras. |
| 21 Sensor de Temperatura do Ar. | 22 Sensor de Pressão Absoluta. |
| 23 Sensor de Oxigênio (Civic 1.5) | 24 Relé do Módulo. |
| 25 Multi-plug do soquete de Serviço. | 26 Sensor da Posição da Borboleta. |
| 27 Sensor de Velocidade. |
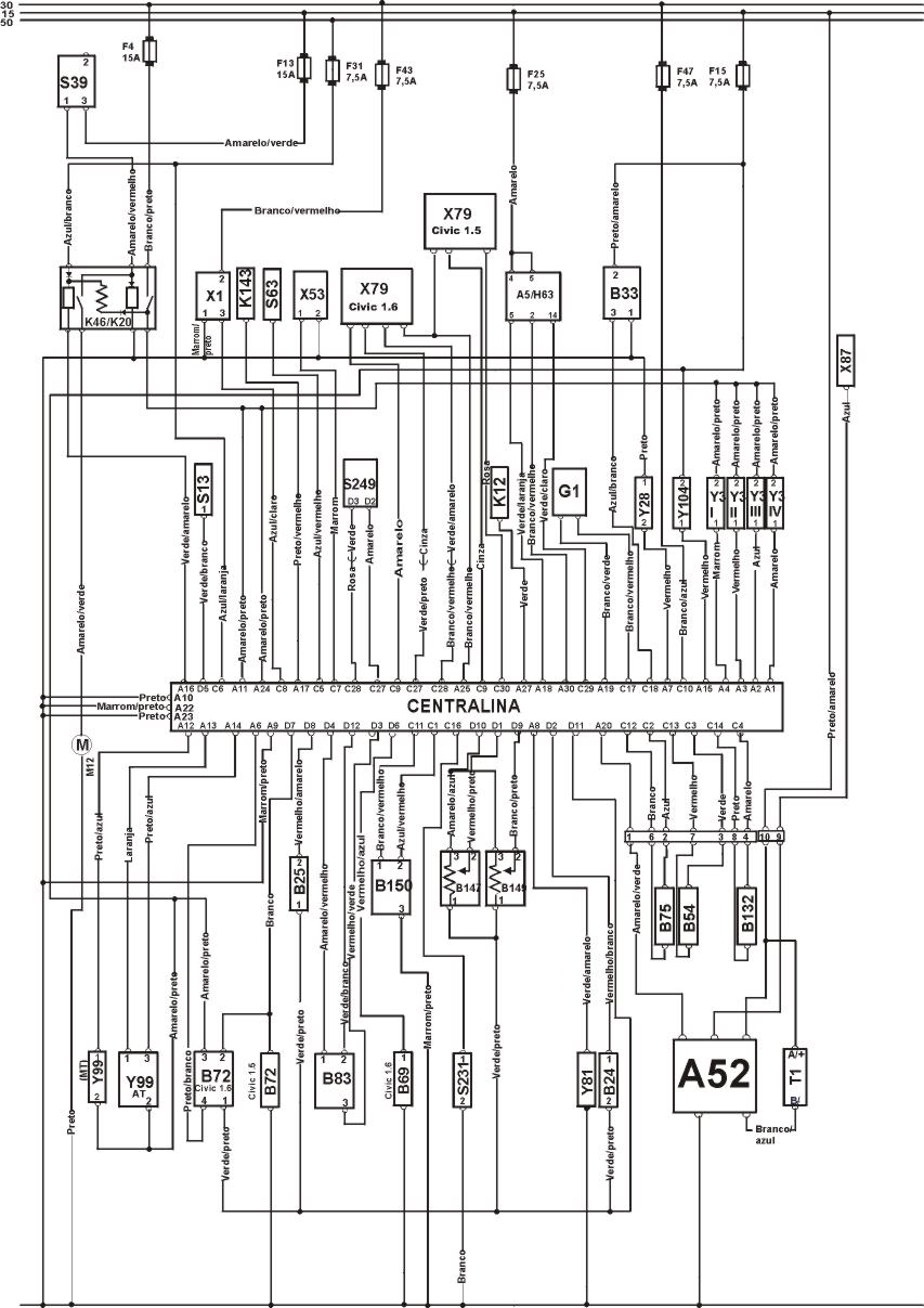
COMPONENTES DOS CIRCUITOS ELÉTRICOS.
| CÓDIGOS | DISCRIÇÃO DOS COMPONENTES |
A5 |
Lâmpada de Falha no painel de Instrumento |
A35 |
Módulo do Controle Central (CENTRALINA) |
A52 |
Módulo de Potência. |
B24 |
Sensor de Temperatura da água. |
B25 |
Sensor de Temperatura do Ar. |
B33 |
Sensor de Velocidade (VSS) |
B54 |
Sensor da Posição do Eixo de Manivelas. |
B69 |
Sensor de Temperatura. |
B72 |
Sensor de Oxigênio (Sonda Lambda) |
B75 |
Sensor RPM. |
B83 |
Sensor de Pressão Absoluta. |
B132 |
Sensor de Posição do Eixo de Comando. |
B147 |
Sensor da Posição da Borboleta. |
B149 |
Sensor da Posição da Válvula EGR. |
B150 |
Sensor de Flutuação de Velocidade do Motor. |
F |
Fusível. |
G1 |
Alternador. |
H63 |
Lâmpada indicadora de falhas. |
K12 |
Relé da Refrigeração do Motor. |
K20 |
Relé da Bomba de combustível. |
K46 |
Relé do Módulo. |
K143 |
Relé da Embreagem do Ar Condicionado. |
M12 |
Bomba de combustível. |
S13 |
STOP Interruptor das Luminárias. |
S39 |
Interruptor inercial de combustível. |
S63 |
Interruptor da Pressão do refrigerante do Ar Condicionado. |
S231 |
Interruptor da direção Hidráulica. |
S249 |
Interruptor da troca de posição de marchas da transmissão. |
T1 |
Bobina de Ignição |
X1 |
Conector de diagnóstico (ALDL) |
X53 |
Link de diagnóstico do motor. |
X79 |
Conector da Transmissão. |
X87 |
Link de diagnóstico do tacômetro. |
Y3 |
Válvulas Injetoras. |
Y28 |
Válvula EGR. |
Y56 |
Atuador do controle da Marcha Lenta. |
Y81 |
Atuador da Posição do Eixo de Comando |
Y99 |
Válvula do controle de marcha lenta. |
Y104 |
Válvula de canister |
15 |
Ignição ligada motor parado |
30 |
Bateria Positivo (+) |
31 |
Bateria Negativo (-) |
50 |
Ignição ligada motor Funcionando. |

1-) Como testar a Marcha Lenta.

TESTANDO |
l - Marcha Lenta é eletronicamente controlada. l -.Motor Funcionando l -.Funcionar o motor em aproximadamente 3000 rpm. l - Funcione em marcha lenta. l - Desconecte a válvula do controle da marcha lenta do Multi-plug l - Mantenha o pedal do acelerador ligeiramente deprimido. l - Ajustar a marcha lenta com o parafuso de velocidade conforme figura acima a direita. l - Ignição desligada. l - Reconecte o Multi-plug. l - Remova o fusível do radio da caixa de fusível, por 10 segundos. l - De partida no motor e deixe funcionar em marcha lenta para que se estabilize. l - Confira a marcha lenta sem nenhuma carga ligada e confira se não possui estanqueidade no sistema e compare conforme dados abaixo. |
DADOS.
| Civic 1.5 D15Z6 700 ± 50 rpm |
| Civic 1.6 D16Y5 750 ± 50 rpm |
2 -) Como testar a pressão da Bomba combustível.

TESTANDO |
1 Ignição desligada, conecte o MANÔMETRO entre o tubo de provisão de combustível e união do filtro de combustível de partida no motor deixe funcionar em marcha lenta. Desconecte mangueira de Vácuo do regulador de pressão, deverá medir 2,3 a 2,8 bar (Civic 1.5) - 2,7 a 3,2 (Civic 1.6) bar reconecte a mangueira de Vácuo, deverá medir 1,65 a 2,15 bar (Civic 1.5) e 2,0 a 2.5 (Civic 1.6). |
TESTANDO |
1 Ignição ligada, a bomba deverá funcionar por aproximadamente um segundo, se a bomba não funcionar, desligue a ignição, remova o relé do módulo faça um jump entre os terminais 4 e 5, ignição ligada motor parado a bomba deverá funcionar continuamente. |
4 -) Como testar as Válvulas Injetoras.

TESTANDO |
1 Ignição desligada, desconecte o multi-plugs com MULTITESTE DIGITAL checar a resistência nos terminais das Válvulas Injetoras que devera ser de 10 a 13 W Repetir o teste em cada Válvula injetora. |
5 -) Como testar o Sensor da Posição da Borboleta.

TESTANDO |
1 Ignição desligada, desconecte o multi-plug do Sensor, ignição ligada motor parado checar a voltagem com um MULTITESTE DIGITAL os terminais 1 & 3 deverá Ter 5 V aproximadamente. |
2 Ignição desligada, não desconecte multi-plug, exponha os terminais do sensor, ignição ligada motor parado e opere a borboleta, com MULTITESTE DIGITAL cheque a voltagem nos terminais 1 e 2 ver dados abaixo. |
| Terminais Condições Voltagem |
| 1 & 2 Borboleta fechada 0,4 V aproximadamente |
| 1 & 2 Borboleta aberta 4,5 V aproximadamente |
6 -) Como testar o Sensor de Pressão Absoluta.

TESTANDO |
1 Ignição desligada, desconecte o multi-plug do sensor, ignição ligada motor parado com um MULTITESTE DIGITAL checar a voltagem entre o terminal 1 & Terra do multi-plug devera ser de 5 V aproximadamente. Repetir o teste entre os terminais 1 & 2 do multi-plug devera ser de 5 V aproximadamente. |
2 Ignição desligada, não desconecte o multi-plug, exponha os terminais do Sensor, Ignição ligada motor parado com MULTITESTE DIGITAL checar a voltagem nos terminais 2 & 3 do multi-plug devera ser de 3 V aproxi., repetir o teste nos terminais 2 & 3 do multi-plug em marcha lenta devera ser de 1 V aproxi. |
7 -) Como testar o Sensor de Temperatura do Ar.

TESTANDO |
1 Ignição desligada, desconecte o multi-plug do sensor, checar a temperatura ambiente, checar com um MULTITESTE DIGITAL a resistência nos terminais do Sensor. Checar a voltagem nos terminais do Multi-plug. Conforme dados abaixo. |
DADOS:
Checar Resistência.| Temperatura Resistência |
| 20°C 3000 W aproximadamente |
| 40°C 1200 W aproximadamente |
| 60°C 800 W aproximadamente |
| 80°C 400 W aproximadamente |
DADOS:
Suprimento de Voltagem.| Terminais Condições Voltagem |
| 2 & Terra Ignição ligada 5 V aproximadamente |
| 1 & 2 Ignição ligada 5 V aproximadamente |

TESTANDO |
1 Ignição desligada, desconecte o multi-plug da Válvula, e logo após Ignição ligada, motor parado com MULTITESTE DIGITAL no modo multímetro checar a voltagem no terminal 2 & Terra do multi-plug dever ser Positivo (+) 12V. |
2 Ignição desligada, desconecte o modulo central (Centralina) do multi-plug ignição ligada motor parado faça um JUMP entre os terminais A10 e A12 checar o funcionamento da válvula. |
9) Como testar a Válvula do Controle de Marcha Lenta(Transmissão Automática (AT))

TESTANDO |
| 1 Ignição desligada, desconecte o multi-plug da válvula com um MULTITESTE DIGITAL checar a resistência nos terminais 1 & 3 da válvula que deve ser de 16 a 28 W . |
| 2 - Ignição desligada, desconecte o multi-plug da válvula , ignição ligada motor parado com um MULTITESTE DIGITAL checar a voltagem nos terminais 2 & Terra do multi-plug deverá ser Positivo (+) 12V. |

Checando o suprimento de Voltagem.
TESTANDO |
1 Ignição desligada, desconecte o multi-plug do distribuidor, ignição ligada motor parado com MULTITESTE DIGITAL checar a voltagem no terminal 10 & Terra do multi-plug devera ser Positivo (+) 12V. |
Como testar a Resistência do Primário.

TESTANDO |
1-Ignição desligada, remova a tampa do distribuidor e o braço do rotor e a cobertura de pó, desconecte o fio de baixa tensão e com um MULTITESTE DIGITAL cheque a resistência dos terminais + & - que devera ser conforme dados abaixo. |
| Terminais + & - Resistência |
| HITACHI tipo A 0,54 a 0,66W |
| HITACHI tipo B 0,45 a 0,55W |
| TEC tipo C 0,63 a 0,77W |
Como testar a resistência do secundário.

TESTANDO |
| 1-Ignição desligada, remova a tampa do distribuidor e o braço do rotor e a cobertura de pó, desconecte o fio de baixa tensão e com um MULTITESTE DIGITAL cheque a resistência dos terminais - & HT que devera ser conforme dados abaixo. |
| Terminais: - & HT (Alta Tensão) Resistência |
| HITACHI tipo A 13600 a 20400W |
| HITACHI tipo B 22400 a 33600W |
| TEC tipo C 12800 a 19200W |

Checando suprimento de Voltagem.
TESTANDO |
1 Ignição desligada, desconecte o multi-plug do distribuidor, ignição ligada motor parado, com um MULTITESTE DIGITAL checar a voltagem no terminal 10 & Terra do multi-plug deve ser Positivo (+) 12V. |
Checando Operação.

TESTANDO |
1 Ignição desligada, não desconecte o multi-plug, exponha o multi-plug do distribuidor conecte uma PONTA DE PROVA nos terminais 1 & Terra com motor funcionando o LED deverá piscar, caso não ocorra, Unidade central com possível defeito. |
2 Remover tampa do distribuidor e o braço do rotor e a cobertura de pó, não desconecte os terminais da Bobina exponha os terminais do módulo de potência e com uma PONTA DE PROVA no fio Azul & Terra (nas bobinas HITACHI), Azul/Branco & Terra (nas bobinas TEC), motor funcionando o LED devera piscar, caso não ocorra possível defeito no módulo de potência. |
12) Como Testar o Sensor de Temperatura de Água.

TESTANDO |
1 Ignição desligada, desconecte o multi-plug do sensor, alivie pressão residual no sistema de arrefecimento, remova o Sensor, submirja o sensor num liquido com temperatura especificada com MULTITESTE DIGITAL checar a resistência conforme dados abaixo. |
DADOS:
| Temperatura Resistência |
| 20°C 3000 W aproximadamente |
| 40°C 1200 W aproximadamente |
| 60°C 800 W aproximadamente |
| 80°C 400 W aproximadamente |
13 -)-Como testar o Sensor da Posição do Eixo de Manivelas.
(Este Sensor está Incorporado ao distribuidor)

Checando a resistência
TESTANDO |
1 Ignição desligada, desconecte o multi-plug do distribuidor com MULTITESTE DIGITAL checar a resistência nos terminais 3 & 7 do distribuidor que deverá ser de 350 a 700 W . |

TESTANDO |
1 Ignição desligada, desconecte o multi-plug do distribuidor, com MULTITESTE DIGITAL checar a resistência nos terminais 2 & 6 do distribuidor que deverá ser de 350 a 700 W . |
15 -) Como testar o Sensor da Posição do Eixo de Comando.
(Este Sensor esta incorporado ao Distribuidor)

TESTANDO |
1 Ignição desligada, desconecte o multi-plug do distribuidor com MULTITESTE DIGITAL checar a resistência nos terminais 4 & 8 do distribuidor que deverá ser de 350 a 700W . |
16 -) Como testar o Sensor de Flutuação de Velocidade do Motor.

TESTANDO |
1 Ignição desligada, desconecte o multi-plug do Sensor com MULTITESTE DIGITAL checar a resistência nos terminais 1 & 3 do sensor que deverá ser de 1600 a 3200 W . |
17 -) - Como testar o Sensor de Oxigênio ( Civic 1.5).

TESTANDO |
1 Assegure-se que o motor esteja com a temperatura normal de funcionamento, Ignição desligada, de partida no motor, faça um JUMP nos terminais do soquete, de serviço desconecte o multi-plug do Sensor, deixe motor funcionando por dois (2) minutos a 3000 rpm, acelere o motor por duas ou três vezes com um MULTITESTE DIGITAL checar a voltagem conforme dados abaixo. |
Dados:
| Terminais Velocidade do motor Voltagem |
| Fio Branco & Terra Aumentando 0,6 V mínimo |
| Fio Branco & Terra Diminuindo 0,4 V mínimo |
18 -) Como testar Sensor de Oxigênio Aquecido(Honda Civic 1.6)

TESTANDO |
1 Assegure-se que o motor esteja com a temperatura normal de funcionamento, Ignição desligada, de partida no motor, deixe o motor funcionando por um (1) minuto a 3000 rpm, faça um JUMP nos terminais do soquete, de serviço, ignição desligada desconecte o multi-plug do Sensor, conecte o multi-plug do sensor com o suprimento da bateria, de partida no motor deixe funcionar a 750 rpm por dois (2) minutos logo apos acelere duas ou três vezes checar voltagem conforme dados na tabela abaixo e cheque a voltagem novamente. |
Dados:
| Terminais Condição Voltagem |
| 1 & 2 Acelerando a 4500 rpm no mínimo 0,6 V no mínimo |
| 1 & 2 Desacelerando 0,4 V no mínimo |
| Bateria + terminal 3 |
| Bateria terminal 4 |
19 -) Como testar o Aquecedor do Sensor de Oxigênio.(Civic 1.6)

Checando a Resistência:
TESTANDO |
1 Ignição desligada, desconecte o multi-plug do sensor com um MULTITESTE DIGITAL checar a resistência nos terminais 3 & 4 do sensor que deve ser de 10 a 40 W . |
Checando o Suprimento de Voltagem:
TESTANDO |
1 Ignição desligada, desconecte o multi-plug do sensor, ignição ligada motor parado com um MULTITESTE DIGITAL checar a Voltagem nos terminais do multi-plug 3 & 4 deve ser de Positivo 12 V. |
20 -) Como Testar a Válvula de Canister.

TESTANDO |
1Ignição desligada, desconecte o multi-plug do sensor, ignição ligada motor parado e com um MULTITESTE DIGITAL checar a voltagem nos terminais do multi-plug 1 & Terra que devera ser Positivo (+) 12 V. |
21 -) Como Testar o Relé do Módulo.
OBS- Assegure-se que provisão de Voltagem esteja conectada corretamente. Caso contrário o relé poderá ser danificado.

DADOS: Checando operação dos contatos do relé do módulo.
TESTANDO |
1 - Ignição desligada, desconecte o multi-plug, e remova o relé do modulo, com um MULTITESTE DIGITAL checar a resistência nos terminais do relé, agora conecte suprimento da bateria nos terminais especificado e cheque a resistência conforme dados abaixo. |
| Terminais Condições Resistência |
| 6 & 7 Bateria desconectada. Infinito |
| 6 & 7 Bateria conectada Zero |
| Bateria (+) Positivo Terminal 5 |
| Bateria (-) Negativo Terminal 3 |
TESTANDO |
1 - Ignição desligada, desconecte o multi-plug, e remova o relé do modulo, com um MULTITESTE DIGITAL checar a resistência nos terminais do relé, agora conecte suprimento da bateria nos terminais especificado e cheque a resistência conforme dados abaixo. |
| Terminais Condições Resistência |
| 4 & 5 Bateria desconectada. Infinito |
| 4 & 5 Bateria conectada Zero |
| Bateria (+) Positivo Terminal 6 |
| Bateria (-) Negativo Terminal 1 |
(circuito funcionando)
TESTANDO |
1 - Ignição desligada, desconecte o multi-plug, e remova o relé do modulo, com um MULTITESTE DIGITAL checar a resistência nos terminais do relé, agora conecte suprimento da bateria nos terminais especificado e cheque a resistência conforme dados abaixo. |
| Terminais Condições Resistência |
| 4 & 5 Bateria desconectada. Infinito |
| 4 & 5 Bateria conectada Zero |
| Bateria (+) Positivo Terminal 2 |
| Bateria (-) Negativo Terminal 1 |
22 -) Como testar a unidade Central ou Centralina.

Suprimento de Voltagem:
| OBS: - O relé do modulo deve ser provido e estar trabalhando corretamente para que se possa levar a cabo os testes de provisão de voltagem. |
TESTANDO |
1 Ignição desligada, desconecte o multi-plug da unidade central (Centralina), ignição ligada motor parado, com um MULTITESTE DIGITAL checar a voltagem nos terminais e terra conforme dados abaixo. |
2 Motor ligado, checar a voltagem com MULTITESTE DIGITAL que devera ser como dados abaixo. Obs: Caso não conferir as medidas checar fios e Relé. |
Dados:
| Terminais Condições Voltagem |
| C10 & Terra Ignição desligada Positivo (+) 12V |
| A11 & Terra Ignição ligada Positivo (+) 12V |
| A24 & Terra Ignição ligada Positivo (+) 12V |
| C6 & Terra Motor Funcionando Positivo (+) 12V |
TESTANDO |
1 Ignição desligada, desconecte o multi-plug da unidade central (Centralina) com um MULTITESTE DIGITAL checar a resistência nos terminais e terra conforme dados na próxima pagina. |
| Terminais Resistência |
| A9 & Terra Zero |
| A10 & Terra Zero |
| A22 & Terra Zero |
| A23 & Terra Zero |

TESTANDO |
1 Ignição desligada, desconecte o multi-plug com um MULTITESTE DIGITAL checar a resistência do terminal do atuador e terra que devera ser de 14 a 30 W . |

TESTANDO |
1 Ignição desligada não desconecte o multi-plug apenas exponha os terminais conecte o MULTITESTE DIGITAL entre os terminais indicados, levante a roda esquerda e gire, confira a voltagem entre os terminais A9 & C18 com a roda girando devera flutuar entre 0 a 5 V. |

TESTANDO |
1 Ignição desligada, desconecte o multi-plug do interruptor com MULTITESTE DIGITAL checar a resistência dos terminais conforme dados abaixo. |
DADOS:
| Terminais Posição do Botão Resistência |
| 1 & 3 Lançado Infinito |
| 1 & 3 Deprimido Zero |