CAPITULO 5
APLICATIVOS HONDA
PGM-FI
CIVIC 1,4 1995 em diante. = D14A2
CIVIC 1,5 VTEC-E 1995 em diante.=D15Z3
CIVIC 1,6 1995 em diante.
CIVIC VTEC 1,6 1995 em diante.
Este sistema é digital multiponto seqüencial, possui autodiagnose própria que através do código de falhas localizar falhas sem necessidade de um SCANNER. Sempre que a lâmpada de advertência se acender será indicação que o sistema apresentou defeito gravado na memória. |
COMO CONSEGUIR O CÓDIGO DE FALHAS.
1 - Ignição Desligada. 2 - Faça um JUMP no Conector de Diagnóstico. 3 - Ignição Ligada. |
Agora o sistema está pronto para apresentar os códigos de falhas, este sistema funciona um pouco diferente dos métodos tradicionais, como por exemplo código 23. |
| Lâmpada | Piscada Longa | Piscada Longa |
Pausa | Piscada Curta |
Piscada Curta |
Piscada Curta |
Pausa maior | ||||
|---|---|---|---|---|---|---|---|---|---|---|---|
| Números | ----------------2---------------- | ------------------------3-------------------------- | |||||||||

COMO APAGAR O CÓDIGO DE FALHAS.
| Remova o fusível de 7,5 conforme a gravura este fusível é do Modulo Central e a Memória do Radio por Dez (10) segundos logo após recolocar o Fuzile. |
| CÓDIGO | POSSÍVEL DEFEITO |
0 |
Unidade Central. |
1 |
Sensor de Oxigênio (Sonda Lambada) |
1 |
Aquecedor do Sensor de Oxigênio. |
3 |
Mão funcionamento do Sensor de Pressão Absoluta (MAP). |
4 |
Sensor de RPM |
5 |
Mão funcionamento do Sensor de Pressão Absoluta (MAP). |
6 |
Sensor de Temperatura da água. |
7 |
Sensor da Posição da Borboleta. |
8 |
Sensor de Rotação. |
9 |
Sensor de Fase. |
10 |
Sensor de Temperatura do Ar. |
12 |
Válvula EGR. | |
14 |
Válvula do Controle de Marcha Lenta. | |
15 |
Sinal do Sistema de Ignição. | |
17 |
Sensor de Velocidade. | |
19 |
Convertedor de Torque. | |
21 |
Atuador de Fase. | |
41 |
Aquecedor do Sensor de Oxigênio. | |
48 |
Aquecedor do Sensor de Oxigênio. | |
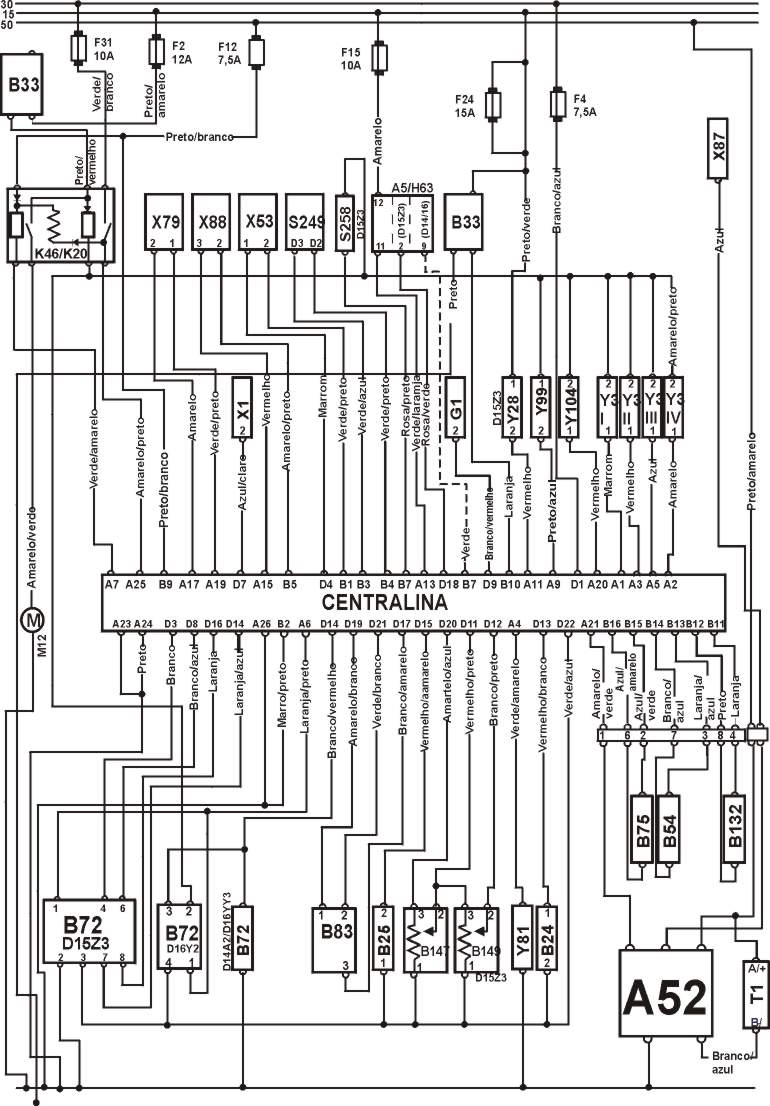
LOCALIZAÇÃO DOS COMPONENTES

| 01 Atuador da posição de Fase
02
Sensor da posição de Fase. 03 Sensor de Rotação 04 Conector de Diagnóstico (ALDL) 05 Módulo de Controle Central(Centralina) 06 - Sensor de Temperatura da Água. 07 - Sensor RPM. 08 Válvula de Canister. 09 Filtro de Combustível 10 Regulador da Pressão de combustível 11 Bomba de combustível (no Tanque) 12 Aquecedor do Sensor de Oxigênio 13 Válvula do Controle da Marcha Lenta 14 Módulo de Potência. 15 Bobina de Ignição. 16 Interruptor Inercial de Combustível (no console) 17 - Válvulas Injetoras 18 Sensor da Temperatura do Ar. 19 Sensor da Pressão Absoluta. 20 Sensor de Oxigênio. 21 - Relê do Módulo 22 Soquete do Multi-plug de serviço. 23 Sensor da Posição da Borboleta 24 Sensor de Velocidade do Veiculo (VSS). |
COMPONENTES DOS CIRCUITOS ELÉTRICOS.
| CÓDIGOS | DISCRIÇÃO DOS COMPONENTES |
A5 |
Lâmpada de Falha no painel de Instrumento |
A35 |
Módulo do Controle Central (CENTRALINA) |
A52 |
Módulo de Potência. |
B24 |
Sensor de Temperatura da água. |
B25 |
Sensor de Temperatura do Ar. |
B33 |
Sensor de Velocidade (VSS) |
B54 |
Sensor de Rotação. |
B72 |
Sensor de Oxigênio (Sonda Lambda) |
B75 |
Sensor de RPM. |
B83 |
Sensor de Pressão Absoluta. |
B132 |
Sensor de Fase. |
B147 |
Sensor da Posição da Borboleta. |
B149 |
Sensor da posição da Válvula EGR. |
F |
Fusível. |
G1 |
Alternador. |
H63 |
Lâmpada indicadora de falhas. |
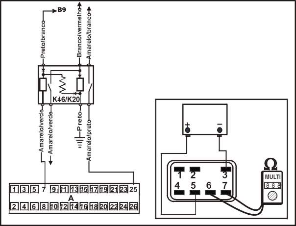
K20 |
Relé da Bomba de combustível. |
K46 |
Relé do Módulo. |
M12 |
Bomba de combustível. |
S39 |
Interruptor inercial de combustível. |
S249 |
Interruptor da troca de posição de marchas da transmissão. |
S258 |
Interruptor da posição do pedal de Embreagem. |
T1 |
Bobina de Ignição |
X1 |
Conector de diagnóstico (ALDL) |
X53 |
Link de diagnóstico do motor. |
X79 |
Conector da Transmissão. |
X87 |
Link de diagnóstico do tacômetro. |
X88 |
Conector do Ar Condicionado. |
Y3 |
Válvulas Injetoras. |
Y28 |
Válvula do sistema EGR. |
Y56 |
Atuador de Controle de Marcha Lenta. |
Y81 |
Atuador da posição do Sensor de fase. |
Y99 |
Válvula do controle de marcha lenta. |
Y104 |
Válvula de canister |
15 |
Ignição ligada motor parado |
30 |
Bateria Positivo (+) |
31 |
Bateria Negativo (-) |
50 |
Ignição ligada motor Funcionando. |
ESQUEMA ELÉTRICO DO HONDA CIVIC 1.4, CIVIC 1.5 VTEC-C, CIVIC 1.6, CIVIC 1.6 VTEC.

| Códigos EspeciaisD14A2=Honda Civic 1.4 / D15Z3 =Honda Civic 1.5 VTEC E |
| D16Y3 = Honda Civic 1.6 / D16Y2 = Honda Civic VTEC. |
CONECTOR DA UNIDADE CENTRAL

1 -) Como ajustar a Marcha Lenta.

TESTANDO |
l - Marcha Lenta é eletronicamente controlada. 2 -.Motor Funcionando 3 -.Funcionar o motor em aproximadamente 3000 rpm. 4 - Funcione em marcha lenta. 5 - Desconecte a válvula do controle da marcha lenta do Multi-plug 6 - Mantenha o pedal do acelerador ligeiramente deprimido. 7 - Ajustar a marcha lenta com o parafuso de velocidade conforme figura acima a direita. 8 - Ignição desligada. 9 - Reconecte o Multi-plug. 10 - Remova o fusível do radio da caixa de fusível, por 10 segundos. 11 - De partida no motor e deixe funcionar em marcha lenta para que se estabilize. 12 - Confira a marcha lenta sem nenhuma carga ligada e confira se não possui estanqueidade no sistema e compare conforme dados abaixo. |
DADOS.
| Sem carga 770 ± 50 rpm |
| Com carga 620 ± 50 rpm |
2 -) Como testar a Pressão da Bomba de combustível.

TESTANDO |
1 Ignição desligada, conecte o MANÔMETRO entre o tubo de provisão de combustível e união do filtro de combustível de partida no motor deixe funcionar em marcha lenta. Desconecte mangueira de Vácuo do regulador de pressão, deverá medir 2,8 a 3,3 bar, reconecte a mangueira de Vácuo, deverá medir 2,2 a 2,7 bar. |
3 -) Como testar a operação da Bomba.

TESTANDO |
1 Ignição ligada, a bomba deverá funcionar por aproximadamente um segundo, se a bomba não funcionar, desligue a ignição, remova o relé do módulo faça um jump entre os terminais 4 e 5, ignição ligada motor parado a bomba deverá funcionar continuamente. |
4 -) Como testar as Válvulas Injetoras.

TESTANDO |
1 Ignição desligada, desconecte o multi-plugs com MULTITESTE DIGITAL checar a resistência nos terminais das Válvulas Injetoras que devera ser de 10 a 13 W Repetir o teste em cada Válvula injetora. |

TESTANDO |
1 Ignição desligada, desconecte o multi-plug do Sensor, ignição ligada motor parado checar a voltagem com um MULTITESTE DIGITAL os terminais 1 & 3 deverá Ter 5 V aproximadamente. |
2 Ignição desligada, não desconecte multi-plug, exponha os terminais do sensor, ignição ligada motor parado com MULTITESTE DIGITAL cheque a voltagem nos terminais 1 e 2 ver dados abaixo. |
| Terminais Condições Voltagem |
| 1 & 2 Borboleta fechada 0,4 V aproximadamente |
| 1 & 2 Borboleta aberta 4,5 V aproximadamente |
6 -) Como testar o Sensor de Pressão Absoluta.

TESTANDO |
1 Ignição desligada, desconecte o multi-plug do sensor, ignição ligada motor parado com um MULTITESTE DIGITAL checar a voltagem entre o terminal 1 & Terra devera ser de 5 V aproximadamente. Repetir o teste entre os terminais 1 & 2 devera ser de 5 V aproximadamente. |
| 2 Ignição desligada, não desconecte o multi-plug, exponha os terminais do Sensor, Ignição ligada motor parado com MULTITESTE DIGITAL checar a voltagem nos terminais 2 & 3 devera ser de 3 V apro., repetir o teste nos terminais 2 & 3 em marcha lenta devera ser de 1 V aproximadamente. |
7 -) Como testar o Sensor de Temperatura do ar.

TESTANDO |
1 Ignição desligada, desconecte o multi-plug do sensor checar a temperatura ambiente, checar com um MULTITESTE DIGITAL a resistência nos terminais do Sensor. Conforme dados abaixo. |
DADOS: Checar Resistência.
| Temperatura Resistência |
| 20°C 3000 W aproximadamente |
| 40°C 1200 W aproximadamente |
| 60°C 800 W aproximadamente |
| 80°C 400 W aproximadamente |
DADOS: Suprimento de Voltagem.
| Terminais Condições Voltagem |
| 2 & Terra Ignição ligada 5 V aproximadamente |
| 1 & 2 Ignição ligada 5 V aproximadamente |
8 -) Como testar a Válvula de Controle de Marcha Lenta.

TESTANDO |
1 Ignição desligada, desconecte o multi-plug da Válvula, e logo após Ignição ligada, motor parado com MULTITESTE DIGITAL no modo multímetro checar a voltagem no terminal 2 & Terra dever ser Positivo (+) 12V. |
1 Ignição desligada, desconecte o modulo central (Centralina) do multi-plug, ignição ligada motor parado faça um JUMP entre os terminais A9 e A23 checar o funcionamento da válvula. |
9 -) Como testar a Bobina de Ignição.

TESTANDO |
1 Ignição desligada remover a capa do distribuidor, ignição ligada motor parado com um MULTITESTE DIGITAL checar a voltagem no fio (preto/amarelo) Positivo (+) 12V. |
Checando a resistência

TESTANDO |
2 - Ignição desligada remover a capa do distribuidor, ignição ligada motor parado com um MULTITESTE DIGITAL checar a resistência do Primário que deverá ser de 0,6 a 0,8 W. |
3 - Ignição desligada remover a capa do distribuidor, ignição ligada motor parado com um MULTITESTE DIGITAL checar a resistência do Secundário que deverá ser de 13000 a 19000 W. |
10 -) Como testar o Módulo de Potência.

TESTANDO |
1 Ignição desligada, desconecte o multi-plug do distribuidor de 2 pinos ignição ligada motor parado, com MULTITESTE DIGITAL checar a voltagem no fio Preto/Amarelo deve ser Positivo (+) 12V. |
2 - Ignição desligada remova a tampa do distribuidor, desconecte o multi-plug, com uma PONTA DE PROVA no fio Amarelo/Verde com motor funcionando o Led verde deverá piscar, caso isso não ocorra possível defeito no módulo de potência ou no Módulo Central (Centralina). |
3 -- Ignição desligada remova a tampa do distribuidor, desconecte o multi-plug com uma PONTA DE PROVA no fio Azul/Branco com motor funcionando o Led verde deverá piscar caso isso não ocorra possível defeito no Módulo de Potência. |
11 -) Como testar o Sensor de Temperatura da Água.

TESTANDO |
1 Ignição desligada, desconecte o multi-plug do sensor, alivie pressão residual no sistema de arrefecimento, remova o Sensor, submirja o sensor num liquido com temperatura especificada com MULTITESTE DIGITAL checar a resistência conforme dados abaixo. |
DADOS:
| Temperatura Resistência |
| 20°C 3000 W aproximadamente |
| 40°C 1200 W aproximadamente |
| 60°C 800 W aproximadamente |
| 80°C 400 W aproximadamente |

TESTANDO |
1 Ignição desligada, desconecte o multi-plug do distribuidor com MULTITESTE DIGITAL checar a resistência nos terminais 3 & 7 do sensor que deverá ser de 350 a 700 W. |

TESTANDO |
1 Ignição desligada, desconecte o multi-plug do distribuidor, com MULTITESTE DIGITAL checar a resistência nos terminais 2 & 6 do sensor que deverá ser de 350 a 700 W. |
14 -) Como testar o Sensor de posição do eixo de Comando.
Este Sensor esta incorporado ao distribuidor
TESTANDO |
1 Ignição desligada, desconecte o multi-plug do distribuidor de 7 pinos com MULTITESTE DIGITAL checar a resistência nos terminais 4 & 8 do sensor que deverá ser de 350 a 700 W . |
15 -) Como testar o Sensor de Oxigênio (Sonda Lambda.) Honda Civic 1.4 Civic 1.6

TESTANDO |
1 Assegure-se que o motor esteja com a temperatura normal de funcionamento, Ignição desligada, de partida no motor, faça um JUMP nos terminais do soquete como na figura acima, desconecte o multi-plug do Sensor, deixe motor funcionando por dois (2) minutos a 3000 rpm, logo após deixe funcionar em marcha lenta por um minuto no mínimo, acelere o motor por duas ou três vezes com um MULTITESTE DIGITAL checar a voltagem conforme dados abaixo. |
| Terminais Velocidade do motor Voltagem |
| Fio Branco/Vermelho & Terra Aumentando 0,6 V mínimo |
| Fio Branco/Vermelho & Terra Diminuindo 0,4 V mínimo |
16 -)Como testar o Sensor de Oxigênio (Sonda Lambda.)Honda Civic 1.6 VTEC.

TESTANDO |
1 Assegure-se que o motor esteja com a temperatura normal de funcionamento, Ignição desligada, de partida no motor, deixe motor funcionando por dois (2) minutos a 3000 rpm, deixe o motor na lenta por no mínimo 1 minuto, logo após faça um JUMP nos terminais do soquete de testes, ignição desligada e desconecte o multi-plug do Sensor, conecte nos terminais 3 e 4 especificado do multi-plug do sensor o suprimento da bateria, deixe funcionar em marcha lenta 750 rpm por 2 minutos, acelere o motor por duas ou três vezes com um MULTITESTE DIGITAL checar a voltagem conforme dados abaixo. |
Dados:
| Terminais Velocidade do motor Voltagem |
| 1 & 2 Aumentando(4500 rpm mínimo) 0,6 V mínimo |
| 1 & 2 Diminuindo 0,4 V Máxima |
| Bateria + terminal 3 |
| Bateria - terminal 4 |
17)Como testar o Sensor de Oxigênio (Sonda Lambda.)Honda Civic VTEC E.

TESTANDO |
1 Assegure-se que o motor esteja com a temperatura normal de funcionamento, Ignição desligada, aguarde 3 minutos no mínimo, não desconecte o multi-plug, exponha os terminais do multi-plug, ignição ligada motor parado, checar os terminais. Dar partida motor funcionando a 3000 rpm, deixar o motor funcionar em marcha lenta, com um MULTITESTE DIGITAL checar a voltagem conforme dados abaixo. |
Dados.
| Terminais Condições Voltagem |
| 3 & 4 Ignição ligada 0,3 a 4,9 V |
| 3 & 6 Ignição ligada 5 V mínimo |
| 3 & 8 Ignição ligada 0,5 V mínimo |
| 3 & 8 Marcha Lenta 2.6 a 2.8 V |
| 3 & 7 Marcha Lenta 0,4 V mínimo |
18 -)Como testar o Aquecedor do Sensor de Oxigênio. Honda Civic1.6 VTEC.

TESTANDO |
1 Ignição desligada, desconecte o multi-plug do sensor e com um MULTITESTE DIGITAL checar a resistência nos terminais 3 & 4 do sensor que devera ser de 10 a 40 W. |
2Ignição desligada, desconecte o multi-plug do sensor, ignição ligada motor parado e com um MULTITESTE DIGITAL checar a voltagem nos terminais 3 & 4 do multi-plug que devera ser Positivo (+) 12 V. |
19 -)Como testar o Aquecedor do Sensor de Oxigênio. Honda Civic1.5 VTEC E.

TESTANDO |
1 Ignição desligada, desconecte o multi-plug do sensor e com um MULTITESTE DIGITAL checar a resistência nos terminais 1 & 2 do sensor que devera ser de 2 a 13 W. |
2Ignição desligada, desconecte o multi-plug do sensor, ignição ligada motor parado e com um MULTITESTE DIGITAL checar a voltagem nos terminais 1 & 2 do multi-plug que devera ser Positivo (+) 12 V. |
20 -) Como testar Válvula de Canister.

TESTANDO |
1Ignição desligada, desconecte o multi-plug do sensor, ignição ligada motor parado e com um MULTITESTE DIGITAL checar a voltagem nos terminais 1 & Terra do multi-plug que devera ser Positivo (+) 12 V. |
21 -) Como testar o Relé do Modulo.

DADOS: Checando operação dos contatos do relé do módulo.
TESTANDO |
1 - Ignição desligada, desconecte o multi-plug, e remova o relé do modulo, com um MULTITESTE DIGITAL checar a resistência nos terminais do relé, agora conecte suprimento da bateria nos terminais especificado e cheque a resistência conforme dados abaixo. |
| Terminais Condições Resistência |
| 6 & 7 Bateria desconectada. Infinito |
| 6 & 7 Bateria conectada Zero |
| Bateria (+) Positivo Terminal 5 |
| Bateria (-) Negativo Terminal 3 |

TESTANDO |
1 - Ignição desligada, desconecte o multi-plug, e remova o relé do modulo, com um MULTITESTE DIGITAL checar a resistência nos terminais do relé, agora conecte suprimento da bateria nos terminais especificado e cheque a resistência conforme dados abaixo. |
| Terminais Condições Resistência |
| 4 & 5 Bateria desconectada. Infinito |
| 4 & 5 Bateria conectada Zero |
| Bateria (+) Positivo Terminal 6 |
| Bateria (-) Negativo Terminal 1 |

TESTANDO |
1 - Ignição desligada, desconecte o multi-plug, e remova o relé do modulo, com um MULTITESTE DIGITAL checar a resistência nos terminais do relé, agora conecte suprimento da bateria nos terminais especificado e cheque a resistência conforme dados abaixo. |
| Terminais Condições Resistência |
| 4 & 5 Bateria desconectada. Infinito |
| 4 & 5 Bateria conectada Zero |
| Bateria (+) Positivo Terminal 2 |
| Bateria (-) Negativo Terminal 1 |
22 -) Como testar a Unidade Central (Centralina).

TESTANDO |
1 Ignição desligada, desconecte o multi-plug da unidade central (Centralina) com um MULTITESTE DIGITAL checar a voltagem nos terminais e terra do multi-plug conforme dados abaixo. |
2 Ignição ligada motor parado, checar a voltagem com MULTITESTE DIGITAL que devera ser como dados abaixo. Obs: Caso não conferir as medidas checar fios e Relé. |
Dados:
| Terminais Condições Voltagem |
| D1 & Terra Ignição desligada Positivo (+) 12V |
| A25 & Terra Ignição ligada Positivo (+) 12V |
| B1 & Terra Ignição ligada Positivo (+) 12V |
Checando a resistência
TESTANDO |
1 Ignição desligada, desconecte o multi-plug da unidade central (Centralina) com um MULTITESTE DIGITAL checar a resistência nos terminais e terra conforme dados abaixo. |
| Terminais Resistência |
| A23 & Terra Zero |
| A24 & Terra Zero |
| A26 & Terra Zero |
| B2 & Terra Zero |
23 -) Como testar o Atuador da Posição do Eixo de Comando.

TESTANDO |
1 Ignição desligada, desconecte o multi-plug com um MULTITESTE DIGITAL checar a resistência do terminal do atuador e terra que devera ser de 14 a 30 W . |
24 -) Como testar Sensor de Velocidade VSS.

TESTANDO |
1 Ignição desligada não desconecte os terminais do multi-plug apenas exponha-os conecte o MULTITESTE DIGITAL entre os terminais indicados, levante a roda esquerda e gire, confira a voltagem entre os terminais A26 & B10 com a roda girando devera flutuar entre 0 a 5 V. |

TESTANDO |
1 Ignição desligada, desconecte o multi-plug do interruptor, inverta o interruptor, com MULTITESTE DIGITAL checar a resistência dos terminais do interruptor desaperte o botão de inicio e cheque a resistência novamente, conforme dados abaixo. |
DADOS:
| Terminais Posição do Botão Resistência |
| 1 & 3 Lançado Infinito |
| 1 & 3 Deprimido Zero |