CAPITULO 83
APLICATIVO
VW
BOSCH MOTRONIC M3.8.2
AUDI A3 5V
PASSAT 1.8L 5V
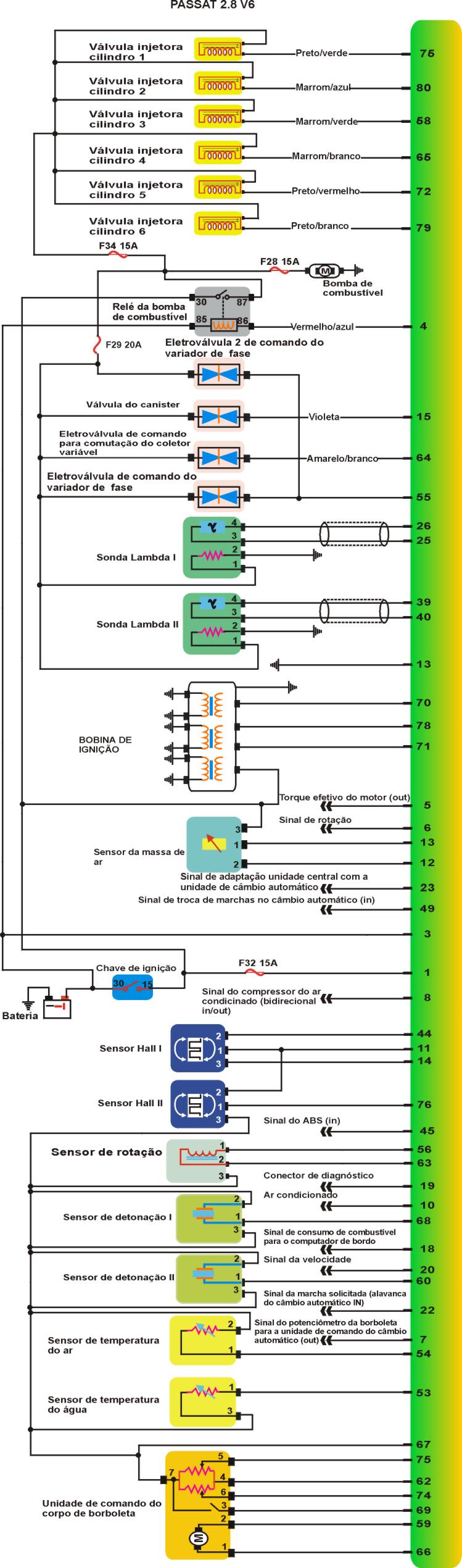
PASSAT 2.8 V6
GOLF 5V-
| Motor com dificuldade para pegar | 1- Filtro de ar e sua tubulação entupida 2- Ver bateria 3- Relé e fusíveis 4- Alimentação da centralina 5- Ver ignição 6- Escapamento entupido 7 Verificar bomba de combustível, mangueira, filtro etc. |
Ver roteiro de como testar neste mesmo capitulo |
| Motor falha na aceleração | 1- Medidor de massa de ar 2- Verificar bomba de combustível, mangueira, filtro, etc. 3- Ver bateria 4- Ver ignição 5- Válvula injetora |
Ver roteiro de como testar neste mesmo capitulo |
| Consumo elevado de combustivel | 1- Ver bateria 2- Alimentação da centralina 3-Sistema de temperatura de ar 4- Escapamento entupido 5- Medidor de massa de ar 6- Filtro de ar e sua tubulação entupida 7- Verificar bomba de combustível, mangueira, filtro 8- Sonda lambda |
Ver roteiro de como testar neste mesmo capitulo |
| Marcha lenta irregular | 1- Medidor de fluxo de ar 2- Sonda lambda 3- Verificar bomba de combustível, mangueira, filtro. 4- Válvula de marcha lenta 5- Entrada falsa de ar no coletor de admissão 6- Sensor de temperatura de água |
Ver roteiro de como testar neste mesmo capitulo |
| Motor de partida vira mas não pega | 1- Ver bateria 2- Alimentação da centralina 3- Escapamento entupido 4- Filtro de ar e sua tubulação entupida 5- Ver ignição 6- Relés e fusíveis 7- Verificar bomba de combustível,mangueira,filtro etc. |
Ver roteiro de como testar neste mesmo capitulo |
| Marcha lenta elevada | 1- Potenciômetro da borboleta
2- Sensor de temperatura de água 3- Válvula de controle de marcha lenta 4- Ver bateria 5- Medidor de massa de ar |
Ver roteiro de como testar neste mesmo capitulo |
| Baixa potência no motor | 1- Ver bateria 2- Alimentação da centralina 3- Escapamento entupida 4- Ver ignição 5- Medidor de massa de ar 6- Verificar bomba de combustível, mangueira, filtro etc. 7- Filtro de ar e tubulação entupida |
Ver roteiro de como testar neste mesmo capitulo |
Conector da UC


Conector da UC

ESQUEMA ELÉTRICO PASSAT 2.8 V6

Conector da UC


Conector da UC


Como testar os componentes?
1) Como testar o Sensor da Temperatura da água?
TESTANDO |
1- Ignição ligada, motor parado, MULTITESTE DIGITAL no modo voltímetro no SENSOR pino 1 e 2 e confira os dados abaixo |
DADOS
Sensor de Temperatura da Água °C |
Resistência (W ) |
0 |
5000 a 6000 |
10 |
3000 a 4000 |
20 |
2000 a 3000 |
30 |
1500 a 2000 |
40 |
1000 a 1500 |
50 |
750 a 900 |
60 |
550 a 650 |
70 |
400 a 500 |
80 |
280 a 380 |
90 |
200 a 280 |
100 |
180 a 220 |
2) Como testar o Sensor de Temperatura do AR?
TESTANDO |
1- Ignição ligada, motor parado, MULTITESTE DIGITAL no modo voltímetro no SENSOR pino 1 e 2 e confira os dados abaixo |
DADOS
Sensor de Temperatura do Ar °C |
Resistência (W ) |
0 |
5000 a 6000 |
10 |
3000 a 4000 |
20 |
2000 a 3000 |
30 |
1500 a 2000 |
40 |
1000 a 1500 |
50 |
750 a 900 |
60 |
550 a 650 |
70 |
400 a 500 |
80 |
280 a 380 |
90 |
200 a 280 |
100 |
180 a 220 |
3) Como testar o Sensor de Velocidade?
TESTANDO |
1- Ignição ligada, motor parado, MULTITESTE DIGITAL no modo voltímetro no pino 20 da UC e confira de 0 a 4 V girando a roda com a mão |
4) Como testar a Sonda Lambda?

TESTANDO |
1 Com um MULTITESTE DIGITAL no modo Ohmimetro checar a resistência da Sonda Lambda aquecida que deverá ser de 4 a 8 W |
1 Com um MULTITESTE DIGITAL no modo Voltimetro checar a tensão da Sonda Lambda aquecida que deverá ser de 12V. |
1 Com um MULTITESTE DIGITAL no modo Voltimetro checar a tensão da Sonda Lambda nos pinos 3 e 4 da Sonda que deverá ser de 0,2 a 0,8V. |
5) Como testar o Sensor de Rotação e PMS?
TESTANDO |
1 Com um MULTITESTE DIGITAL no modo ohmimetro checar a resistência entre os pinos 56 e 63 que deverá ser de 480 a 1KW . |
6) Como testar o Corretor de Marcha Lenta?

TESTANDO |
| 1 Com um MULTITESTE DIGITAL no modo Ohmimetro checar a resistência do Corretor da Marcha Lenta nos pinos 66 e 59 que deverá ser de 3 a 200 W |
7) Como testar as Válvulas Injetoras do Passat 1.8L/ e Golf?

Audi A3 5V

TESTANDO |
| 1 Com um MULTITESTE DIGITAL no modo Ohmimetro checar a resistência do da Válvula Injetora nos pinos 73/80/58 e 65 eo endereço ligado ao pino 87 do relê da Bomba que deverá ser de 12 a 15 W . |
8) Como testar as Válvulas Injetoras do Passat 2.8 V6?
TESTANDO |
| 1 Com um MULTITESTE DIGITAL no modo Ohmimetro checar a resistência do da Válvula Injetora nos pinos 73/80/58 e 65 eo endereço ligado ao pino 87 do relê da Bomba que deverá ser de 15 a 21 W . |
| 2 Com um MULTITESTE DIGITAL no modo milisegundos (ms) e checar o tempo de injeção que deverá ser de 1 a 4 ms |
9) Como testar a Válvula de Canister?
TESTANDO |
1 Com um MULTITESTE DIGITAL no modo Ohmimetro checar a resistência do Válvula de Canister nos pinos 15 e o fio ligado ao terminal 87 do relé da bomba que deverá ser de 40 a 80 W |
10) Como testar a Pressão da Bomba de Combustivel?
TESTANDO |
1 Com um MANOMETRO instalado checar a pressão de linha com o motor funcionando que deverá ser de 2,6 a 3,4 bar. |
2 Com um MANOMETRO instalado checar a pressão de linha com o motor ligado que deverá ser de 3,0 a 3,4 bar. |
TESTANDO |
1 Com um MULTITESTE DIGITAL no modo Ohmimetro checar a resistência doprimário não é possivel medir - secundário de 2,9 a 3,5 KW . |
12) Como testar a Bobina de Ignição do Passat 2.8 V6?
TESTANDO |
1 Com um MULTITESTE DIGITAL no modo Ohmimetro checar a resistência doprimário 15 a 17 W - secundário de 8 a 14 KW . |
13) Como testar a eletroválvula de comando do variador de fase?

TESTANDO |
1 Com um MULTITESTE DIGITAL no modo Ohmimetro checar a resistência entre os pinos 64 e o fio ligado ao terminal 87 que devera ser de 25 a 35 W |
14) Como apagar a lâmpada de aviso da troca de óleo do AUDI A3 de 1996 em diante?

|
15)
- Como apagar a Lâmpada de manutenção
do Audi A3?
|
16) - Como apagar a lâmpada de aviso da troca de óleo do Golf de 1998?

|
17)
- Como apagar a lâmpada de aviso
de Manutenção do Golf de 1998?
|
18) - Como apagar a lâmpada de aviso da troca de óleo do Passat de 1997em Diante?

|
1)- Apertar e Manter Apertado o Botão de Resetar (A) |
|
2)- Com a chave na posição ON |
|
3)- Soltar o Botão de Resetar (A) |
|
4)- A palavra OIL ou OEL irá aparecer na tela junto ao velocímetro |
6)-
O modelo com relógio digital
deve-se girar o botão de resetar (B) |
|
7)
-
O modelo com relógio analógico deve-se
apertar botão de resetar (B) |
19)
-Como apagar a lâmpada de aviso de
inspeção do Passat de 1997em Diante?
|