181024
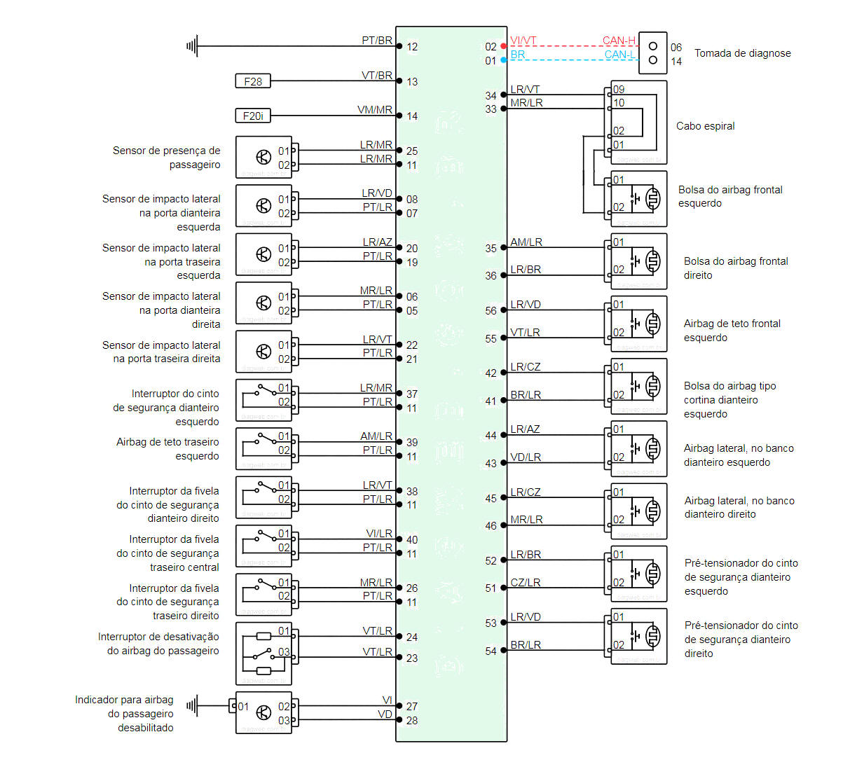
DIAGRAMA ELÉTRICO AIRBAG
COMPONENTES DO SISTEMA