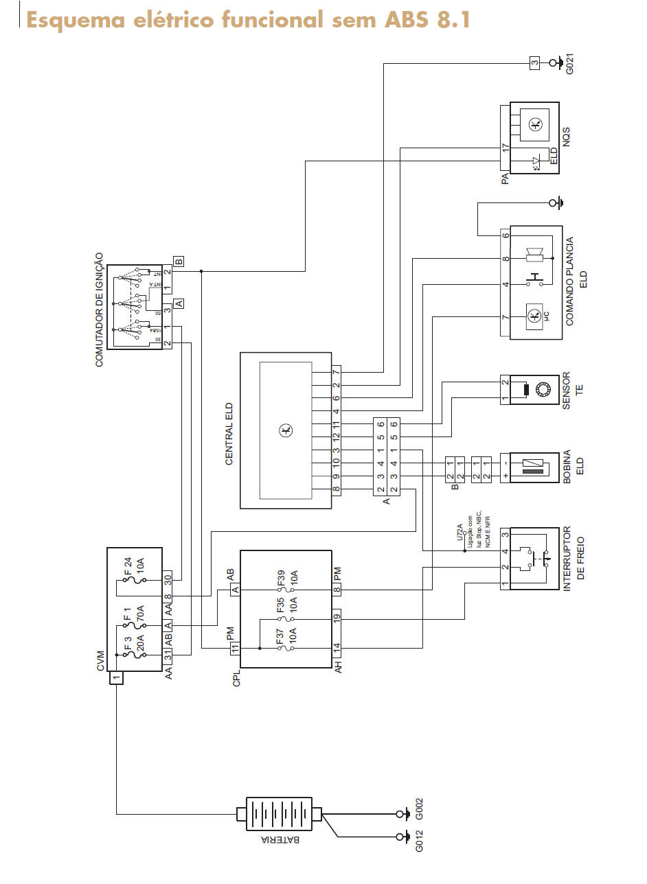
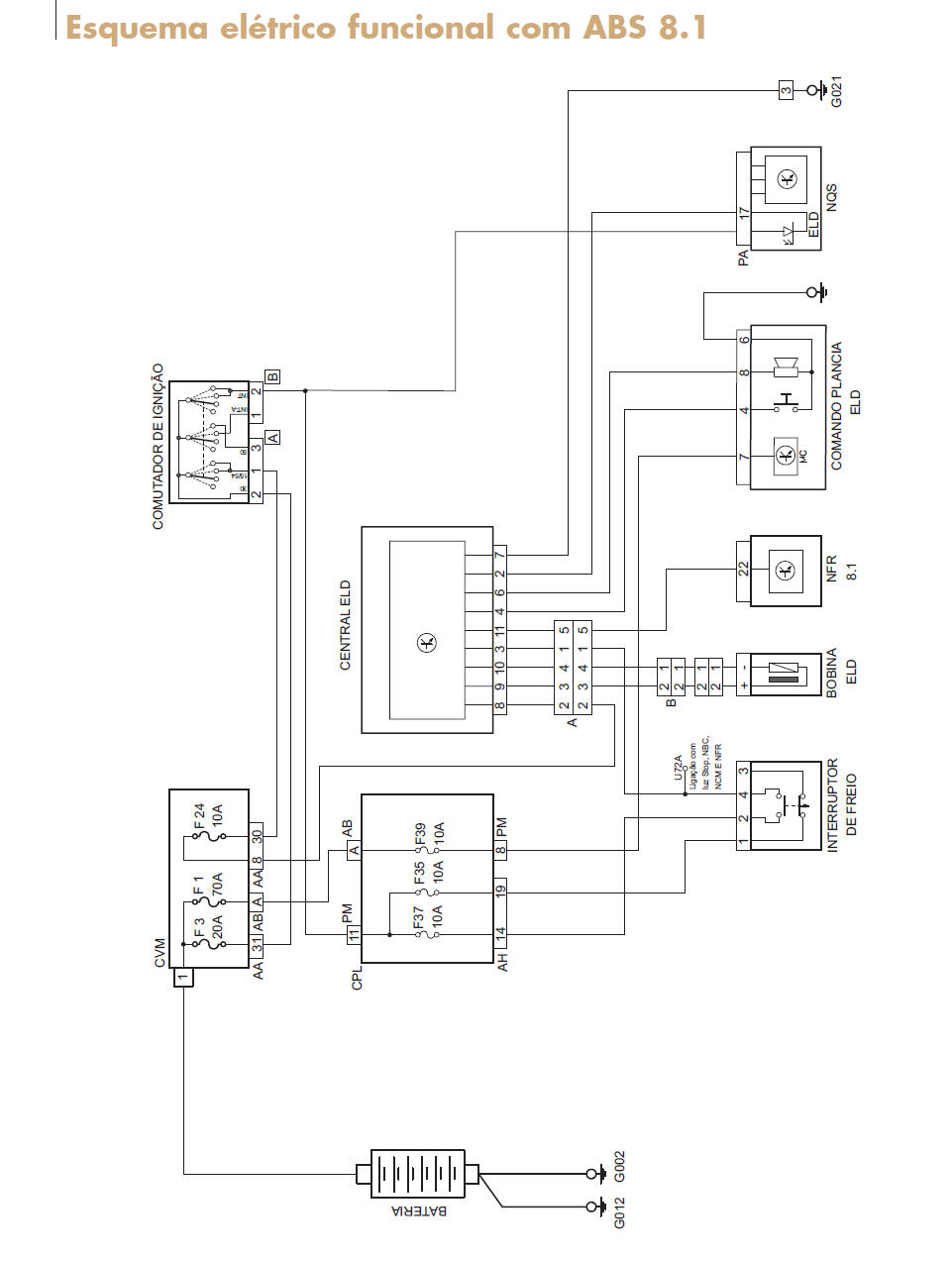
DIAGRAMA EL�TRICO - SISTEMA LOCKER ELD
PINAGEM DA CENTRAL LOCKER
MANUAL DE REPAROS

 

 

 

 

 

 

 

 

 

 

 

 

 

 

 

 

 

 

 

 

 

 

 

 

 

 

 

 

 

 

 

 

 

 

 

 

 

 

 

 

 

 

 

 

 

 

 

 

 

 

 

 

 

 

 

 

 

 

 

 

 

 

 

 

Nova pagina 1